P-309-002e - 第269页
Key No. P AR T No. P AR T NAME Q’ty REMARKS NOTE 302 4M150279 MOTOR_AC-SERVO 2 1091603300-002 303 4M150280 MOTOR_AC-SERVO 2 1091603300-003 312 0916D30Y BALL_SCREW 2 1091603300-012 314 223Q0769 PULLEY_TIMING 2 1091603300-…

Fig. G1-4
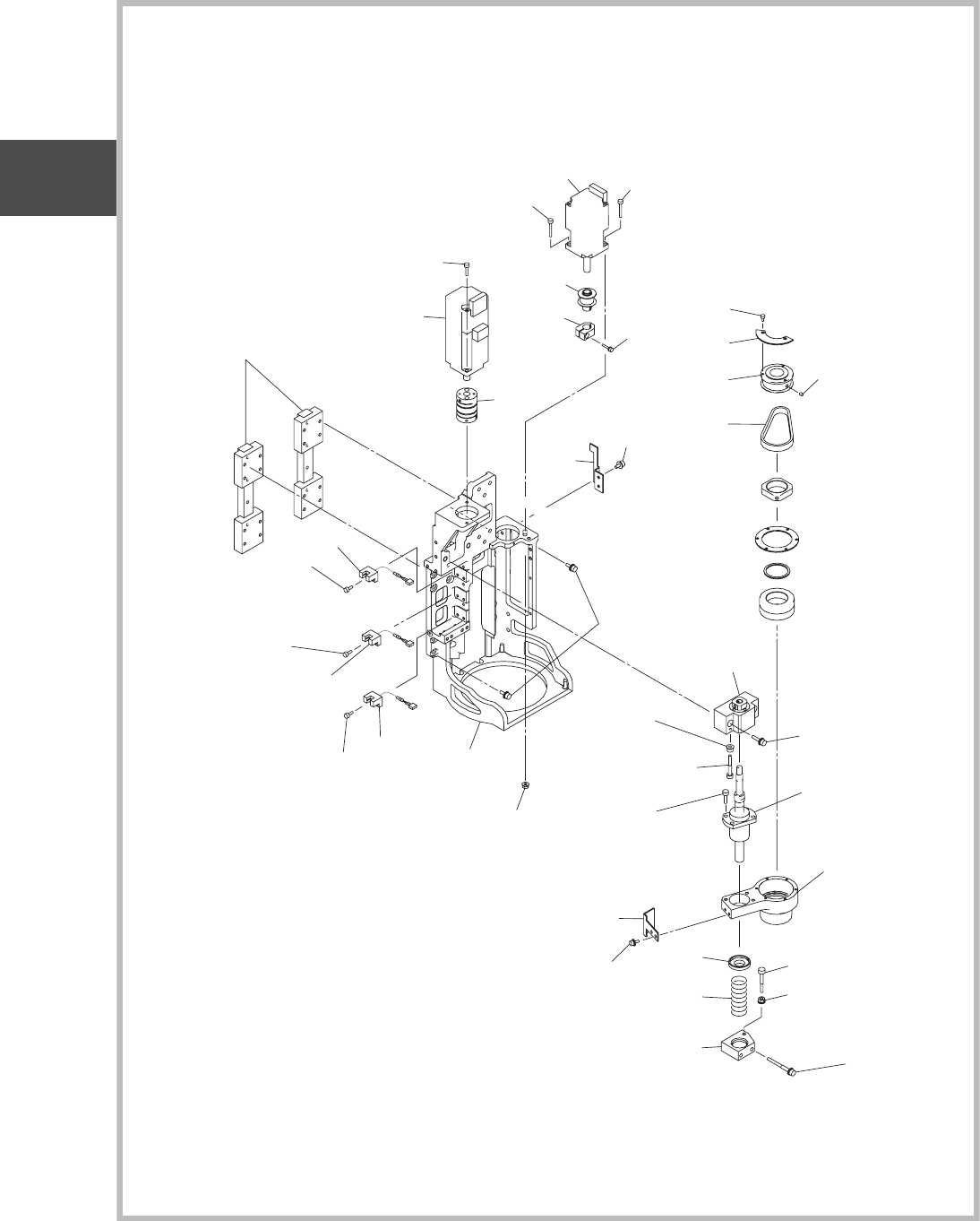
ノズル上下、選択部
Nozzle Leveller, and Selecter
0912-002
372
370
303
302
3A0
3A1
379
3A2
3A3
385
3A2
3A3
393
3A2
3A3
393
3A2
3A3
383
3A2
3A3
382
3A0
3A1
392
379
3A2
3A3
384
397
399
378
381
376
343
342
315
338
341
353
354
355
352
312
327
391
314
316
340
380
380
327
379
379
371
373
387
See Fig. G1-3
Key No.208
See Fig. G1-6
Key No.557
Fig. G1
高速ヘッド部
HIGH SPEED HEAD SECTION
UNIT-6
Fig. G1
HEAD 1

Key No. PART No. PART NAME Q’ty
REMARKS
NOTE
302 4M150279 MOTOR_AC-SERVO 2 1091603300-002
303 4M150280 MOTOR_AC-SERVO 2 1091603300-003
312 0916D30Y BALL_SCREW 2 1091603300-012
314 223Q0769 PULLEY_TIMING 2 1091603300-014
315 223Q0711 PULLEY_TIMING 2 1091603300-015
316 223L0358 BELT_TIMING 2 1091603300-016
327 221AA011 ROHS:BOLT_HEX-SCT 4 1091603300-027
338 211G3396 BLOCK 2 1091603300-038
340 211D9619 PLATE 2 1091603300-040
341 211FE198 BRACKET 2 1091603300-041
342 211FE541 BRACKET 2 1091603300-042
343 210A3165 BASE 2 1091603300-043
352 0916D310 BEARING_UNIT 2 1091603300-052
353 216A1487 COLLAR 2 1091603300-053
354 222M1420 SPRING_COMP 2 1091603300-054
355 211G5191 BLOCK 2 1091603300-055
370 223C0238 COUPLING 2 1091603300-070
371 09163001 ASSY_SENSOR 2 1091603300-071
372 09163002 ASSY_SENSOR 2 1091603300-072
373 09163003 ASSY_SENSOR 2 1091603300-073
376 221AA121 ROHS:BOLT_HEX-SCT 4 1091603300-076
378 221A0245 BOLT_HEX-SCT 2 1091603300-078
379 221AA145 ROHS:BOLT_HEX-SCT 16 1091603300-079
380 221AA321 ROHS:BOLT_HEX-SCT 6 1091603300-080
381 221AA322 ROHS:BOLT_HEX-SCT 2 1091603300-081
382 221AA005 ROHS:BOLT_HEX-SCT 4 1091603300-082
383 221AA006 ROHS:BOLT_HEX-SCT 32 1091603300-083
384 221AA007 ROHS:BOLT_HEX-SCT 14 1091603300-084
385 221AA013 ROHS:BOLT_HEX-SCT 4 1091603300-085
387 221AA031 ROHS:BOLT_HEX-SCT 4 1091603300-087
391 221CA026 SET SCREW 4 1091603300-091
392 221FA003 NUT_HEX 2 1091603300-092
393 221FA005 NUT_HEX 4 1091603300-093
397 221HA001 WASHER 2 1091603300-097
399 221HA201 WASHER 2 1091603300-099
3A0 221HA002 WASHER 6 1091603300-100
3A1 221HA102 WASHER 6 1091603300-101
3A2 221HA003 WASHER 46 1091603300-102
3A3 221HA103 WASHER 46 1091603300-103
Fig. G1
0912-002
Fig. G1-4
UNIT-6
Fig. G1
HEAD 1
SIGMA-G4DA
SIGMA-G4DB
SIGMA-G4DC

0912-002
See Fig. G1-1
Key No.51
495
496
494
495
496
488
495
496
490
450
431
447
430
A
See Fig. G1-6
Key No.501
429
476
486
486
486
474
425
411
439
406
433
426
405
432
411
B
C
DETAIL C
DETAIL B
476
421
466
421
428
444
4A2
4A1
445
DETAIL A
0916 3 31J
Fig. G1-5
ノズルシャフト、真空フィルタ
Nozzle Shaft, Vaccum Filter
Fig. G1
高速ヘッド部
HIGH SPEED HEAD SECTION
UNIT-6
Fig. G1
HEAD 1