Tape feeder module 88mm X FS07_074308 - 第4页
Tape feeder module 88mm X FS07 Page 4 / 13 16.09.2021

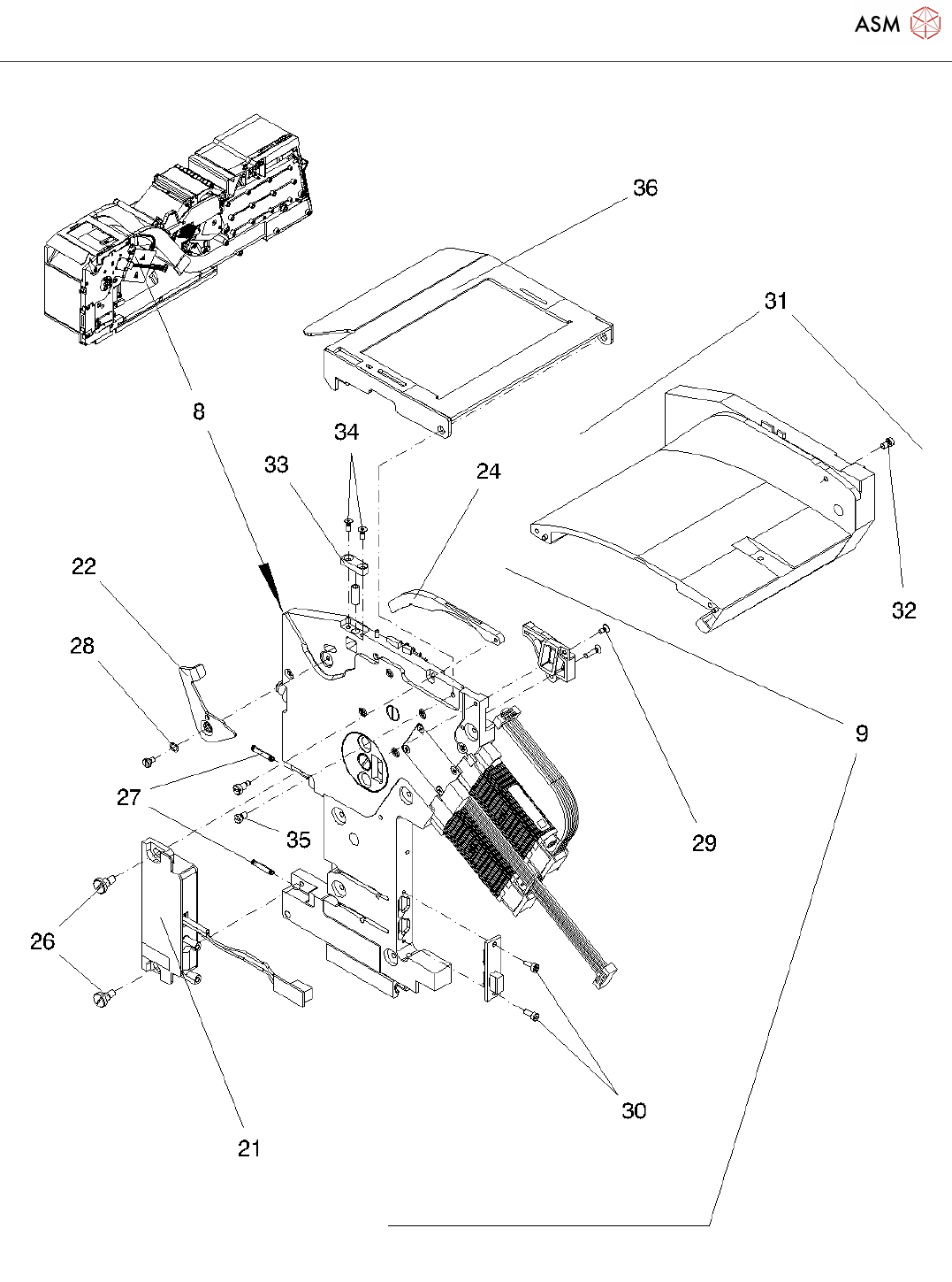
Tape feeder module 88mm X FS07
Page 3 / 13 16.09.2021

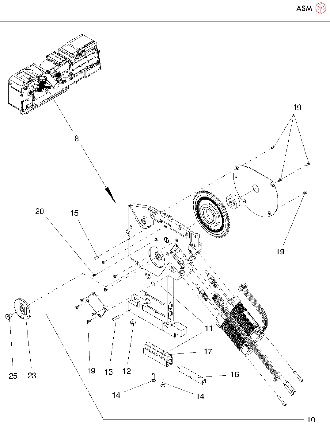
Tape feeder module 88mm X FS07
Page 4 / 13 16.09.2021

Tape feeder module 88mm X FS07
Page 5 / 13 16.09.2021