KY8030-2XDL(2P) Part List - 第144页
No. Item Code No. Specification Description Type Q’TY Remark 1 5010 17-000010 CI-204 (PCI-E 4Port 232 ) Extension Serial Card Electric 1 2 5040 13-000001 KO-GX280SMT 17” LCD MONITOR Ele ctric 1 LCD 3 5040 15-000002 GP-K7…

2. 1. MAIN CONTROL PC BLOCK DIAGRAM
89

No. Item Code No. Specification Description Type Q’TY Remark
1 501017-000010 CI-204 (PCI-E 4Port 232) Extension Serial Card Electric 1
2 504013-000001 KO-GX280SMT 17” LCD MONITOR Electric 1 LCD
3 504015-000002 GP-K7000(BLACK) Key B/D Electric 1 KEY BOARD
4 504020-000001 Memorive 2.0 Pro (128M) USB MEMORY Electric 1
5 505010-000004 EPM-SPI Gerber Pad Software (Standard) Electric 1
6 604025-000055 T5500 GUI/Vision PC Electric 1
MAIN CONTROL PC
7 504090-000002 AS-35A HDD Anti-Vibration(3.5”) Electric 1 Anti Vibration
8 E019-0210100 MAIN PC Power Cable Cable 1
9 E019-0210200 Key Board & USB Extend Cable Cable 1 USB & PS/2 CABLE
10 E019-0211000 Barcode Block Diagram Cable -
11 E019-0211100 Barcode Adapter Power Cable Cable 1
12 E019-0211200 Barcode Adapter Connector Cable 1
13 E019-0211300 Barcode-Serial/PWR Cable Cable 1
14 E019-0211400 Barcode-Serial Cable Cable 1
15
16
2. 2. MAIN CONTROL PC PART LIST
10

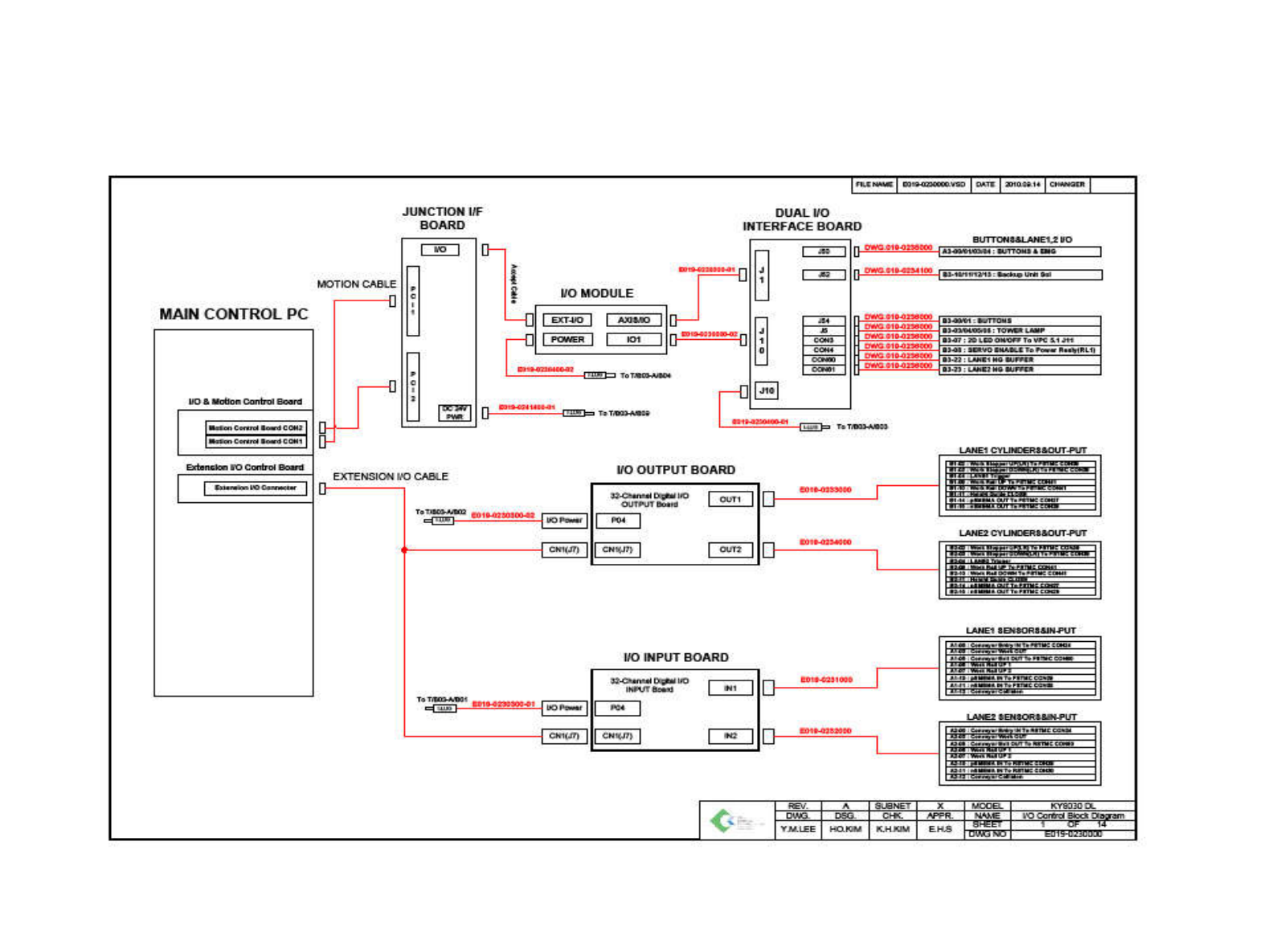
3. 1. I/O CONTROL BLOCK DIAGRAM
11