KY8030-2XDL(2P) Part List - 第148页
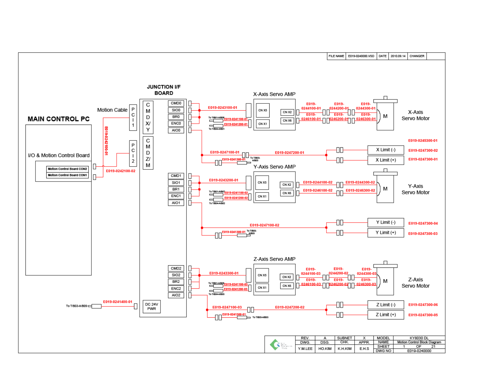
4. 1. MO TION CONTR OL BL OCK DIA GRAM 14

No. Item Code No. Specification Description Type Q’TY Remark
20 E019-0234100 Backup Unit Sol Cable Cable 1
I/O INTERFACE BOARD
21 E019-0235000 Dual I/O Board INPUT Part Cable - I/O MODULE
22 E019-0236000 Dual I/O Board OUTPUT Part Cable - TOWER LAMP
23 E019-0237000 I/O Module Cable Cable 1 Backup Sensor
24
25
13

4. 1. MOTION CONTROL BLOCK DIAGRAM
14

No. Item Code No. Specification Description Type Q’TY Remark
1 501013-000017 MCB-A4(V4.3) 4-Axis Motion Control Electric 1
I/O Motion Control Board
2 501013-000020 MCB-JC-2B,2C Command Cable(2M-B,C) Cable 2 Motion Cable
3 501013-000019 MCB-JB V6.0 R Junction Interface Board Electric 1 Motion I/F Board
4 555016-000012 RS1A01AA SERVO DIRIVER Electric 2
X, Z-Axis Servo AMP
5 555016-000015 RS1L03AA SERVO DIRIVER Electric 1 Y-Axis Servo AMP
6 555013-000013 R2AA06020FXH00(200W) SERVO MOTOR Electric 1
X-Axis Servo Motor
7 555013-000014 R2AA08075FXH00(750W) SERVO MOTOR Electric 1
Y-Axis Servo Motor
8 555013-000012 R2AA04010FXH00(100W) SERVO MOTOR Electric 1
Z-Axis Servo Motor
9 554011-000005 PM-Y44 PHOTO SENSOR (Limit Sensor) Electric 6
10 E019-0241100
Servo Driver Main Power Cable
Cable 1
11 E019-0241200
Servo Driver Control Power Cable
Cable 1
12 E019-0241300 Limit Sensor 24V Power Cable Cable 1
13 E019-0241400 Motion I/F 24V Power Cable Cable 1
14 E019-0242100
Motion Board Command Cable
Cable 1
15 E019-0243100
X-Axis Servo Driver Command Cable
Cable 1
16 E019-0243200
Y-Axis Servo Driver Command Cable
Cable 1
17 E019-0243300
Z-Axis Servo Driver Command Cable
Cable 1
18 E019-0244100 Servo Motor Power Cable 1 Cable 1
19 E019-0244200 Servo Motor Power Cable 2 Cable 1
4. 2. MOTION CONTROL PART LIST
15