KY8030-2XDL(2P) Part List - 第156页
No. Item Code No. Specification Description Type Q’TY Remark 1 5526 11-000002 JPW118 Po wer Supply Vision 1 Camera Adapto r 2 5550 90-000012 SKE-ECV-07 V2.0 Extension Ca ble for Vo ltage C able 2 PZT Cont rol Cable 3 555…

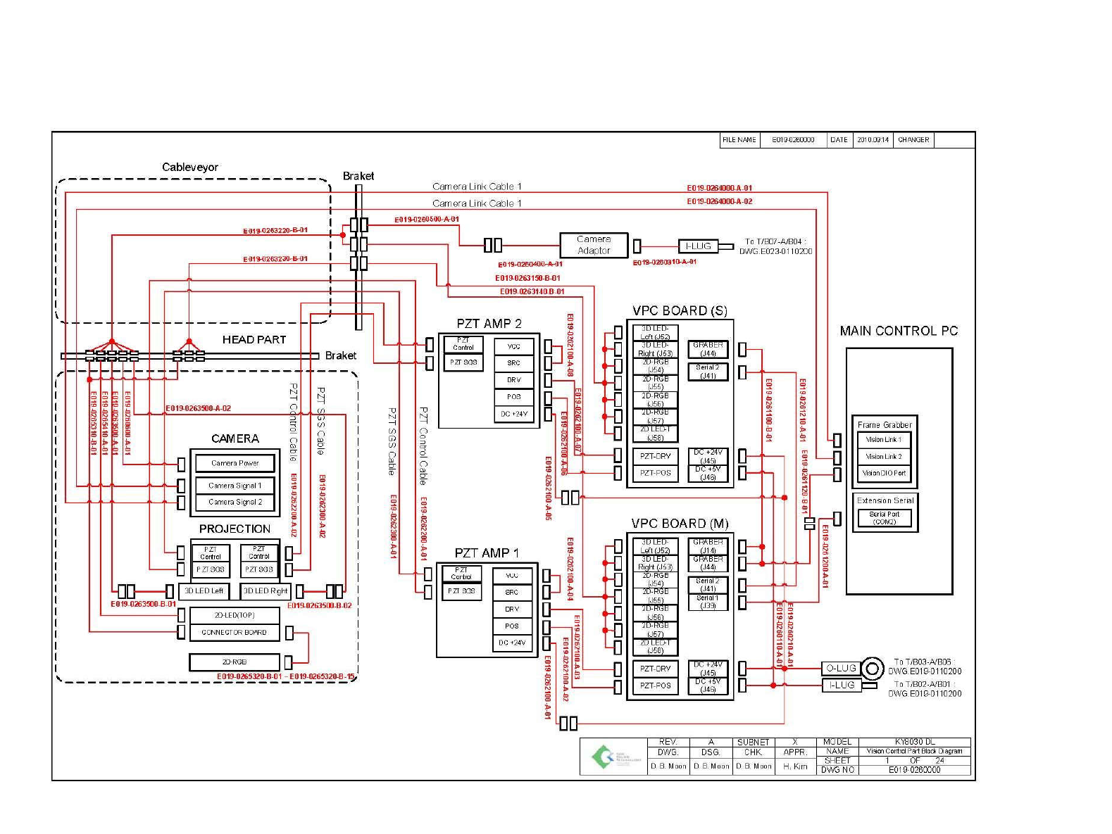
6. 1. VISION BLOCK DIAGRAM
21

No. Item Code No. Specification Description Type Q’TY Remark
1 552611-000002 JPW118 Power Supply Vision 1 Camera Adaptor
2 555090-000012 SKE-ECV-07 V2.0 Extension Cable for Voltage Cable 2 PZT Control Cable
3 555090-000013 SKE-ACS-07 V2.0 Adaptor Cable Sensor 4 Pin Cable 2 PZT SGS Cable
4 552214-000012 XREWHT-L1-0000-00D01 3D LED Lighting Vision 4 3D-LED
5 501014-000026 LED_2DT_VER1.1 2D Lighting Board Vision 1 2D-LED
6 501014-000034 LED_RGB_VER2.1 2D LIGHT BOARD Vision 15 2D-RGB
7 501014-000035 LED_R_VER1.0 2D LIGHT BOARD Vision 1
CONNECTOR BOARD
8 555090-000005 PAL LVPZT AMP-100 PZT AMP Vision 2 *PALABS SET
9 555090-000008 LVPZT-100 Projection Vision 2 *PALABS SET
10 501014-000020 Xcelera-CL PX 4 FULL TM Frame Graber Vision 1
11 501014-000030 VPC Board(V5.6A) VPC Board Vision 2
12 604015-000012 A-4200M Camera Vision 1
13 504019-000007 14B26-SZLB-500-SKC(5M) Camera Link Cable Cable 2
Camera Link Cable
14 E019-0260110 VPC Board 5V Power Cable Cable 1
15 E019-0260210 VPC&PZT 24V Power Cable Cable 1
16 E019-0260310
Camera Adapter IN Power Cable
Cable 1
17 E019-0260400
Camera Adapter OUT Power Cable
Cable 1
18 E043-0260500
Camera Power Cable
Cable 1
19 E043-0260600
Camera Power Connector
Cable 1
6. 2. VISION PART LIST
22

No. Item Code No. Specification Description Type Q’TY Remark
20 E019-0261100 Vision DIO Cable 1 Cable 1
21 E019-0261120 Vision DIO Cable 2 Cable 1
22 E019-0261200 PC/VPC Serial Cable Cable 1
23 E019-0261210 VPC/VPC Serial Cable Cable 1
24 E019-0262100 PZT Control Cable Cable 1
25 E019-0263140 3D/2D-LED Master Cable 1 Cable 1
26 E019-0263150 3D/2D-LED Slave Cable 1 Cable 1
27 E019-0263220 3D/2D-LED Master Cable 2 Cable 1
28 E019-0263230 3D/2D-LED Slave Cable 2 Cable 1
29 E019-0263500 3D LED Cable Cable 1
30 E019-0265310
RGB LED POWER CONNECTOR 1
Cable 1
31 E019-0265320 RGB-LED Power Connector 2 Cable 1
32 E019-0265410 2D LED Cable Cable 1
33
34
35
23