N7202A058B[201707] - 第196页
1-F デュアルコンベア:NPM-TT2 Dual Convey or:NPM-T T2 パーツレイアウト Kit No. キット 品番 Kit Name キット名称 MTKA005078AA セクションNo. PARTS LAYOUT Section No. - - O11 ( KMTKA005078AA-07-6 )

Ref
No.
Remarks R
1
Q'ty
1-E
デュアルコンベア:NPM-TT2
Dual Conveyor:NPM-TT2
イラスト
No.
Part No.
品 名品 番 数量
R
2
パーツリスト
Kit No.
キット品番
Kit Name
キット名称
MTKA005078AA
Part Name
備 考
セクションNo.
PARTS LIST
Section No.
R
3
CLAMPER
4
1 MTPA008163AB
BOLT
8
2 N210130056AA
PIN
8
3 N210124068AA
CLAMPER
4
4 MTPB004571AA
DUCT
8
5 MTPB004581AA
NUT
8
6 N510017859AA
Hexagon nut Type-3 Best class M4-6H-4T A2J (Trivalent)
BOLT
12
7 N510067772AA Low Head Cap Screw M4X6-8.8 A2J(Trivalent)
BOLT
12
8 N510067807AA
Ultra Low Head Cap Screw M4X6-8.8 A2J(Trivalent)
O10
--
( KMTKA005078AA-07-5 )

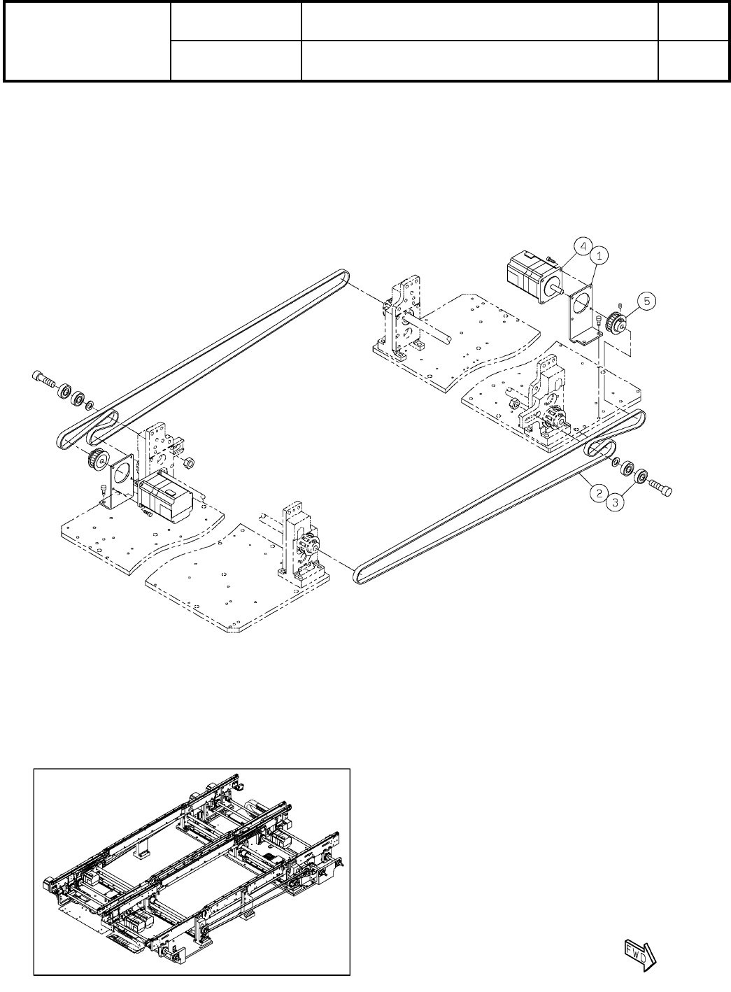
1-F
デュアルコンベア:NPM-TT2
Dual Conveyor:NPM-TT2
パーツレイアウト
Kit No.
キット品番
Kit Name
キット名称
MTKA005078AA
セクションNo.
PARTS LAYOUT
Section No.
--
O11
( KMTKA005078AA-07-6 )

Ref
No.
Remarks R
1
Q'ty
1-F
デュアルコンベア:NPM-TT2
Dual Conveyor:NPM-TT2
イラスト
No.
Part No.
品 名品 番 数量
R
2
パーツリスト
Kit No.
キット品番
Kit Name
キット名称
MTKA005078AA
Part Name
備 考
セクションNo.
PARTS LIST
Section No.
R
3
BRACKET
2
1 MTPB004574AB
T-BELT
2
2 N510061223AA 670XL037GB
BEARING
4
3 KXF0E3BVA00 6000ZZ
MOTOR
2
4 N510055860AA
S
DU13H711S-01
PULLEY
2
5 N510068263AA R101-N510068263AAS-F-PK
O12
--
( KMTKA005078AA-07-6 )