N7202A058B[201707].pdf - 第571页
Ref No. Remark s R 1 Q'ty 128 文字認識用照明制御ボード追加工事キット:NPM-W Character recog lightning control board additional kit:NPM イラスト No. Part No. 品 名 品 番 数量 R 2 パーツリスト Kit No. キット品番 Kit Name キット名称 MTKA015411AA Part Nam e 備 考 セク …

128
文字認識用照明制御ボード追加工事キット:NPM-W
Character recog lightning control board additional kit:NPM
パーツレイアウト
Kit No.
キット品番
Kit Name
キット名称
MTKA015411AA
セクションNo.
PARTS LAYOUT
Section No.
--
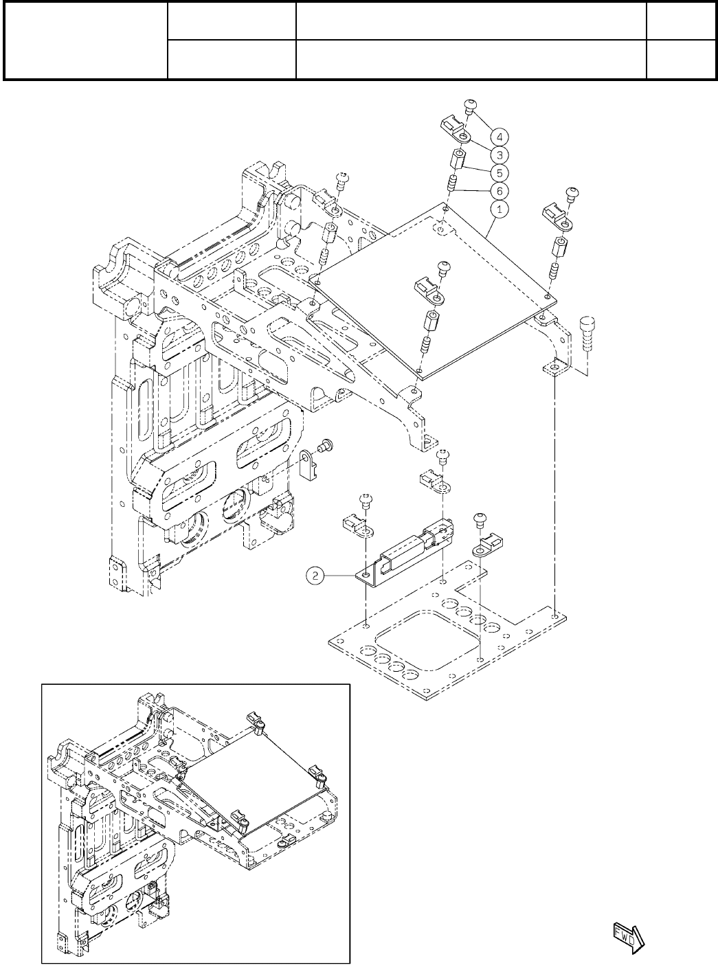
O385
( KMTKA015411AA-02 )

Ref
No.
Remarks R
1
Q'ty
128
文字認識用照明制御ボード追加工事キット:NPM-W
Character recog lightning control board additional kit:NPM
イラスト
No.
Part No.
品 名品 番 数量
R
2
パーツリスト
Kit No.
キット品番
Kit Name
キット名称
MTKA015411AA
Part Name
備 考
セクションNo.
PARTS LIST
Section No.
R
3
Character recog lightning control board
1
1 MTKA011722AA
BRACKET
1
2 MTPB006930AB
CLIP
5
3 KXF0BLPAA00 TA1S8-M
BOLT
5
4 N510017534AA
SSS 003 Hexagon socket button head screw M4X6-10.9 A2J (Trivalent)
SPACER
3
5 N510049259AA ASB-410E
SCREW
3
6 XXE4D10FT
Hexagon socket set screw Cup point M4X10-45H SOB
O386
--
( KMTKA015411AA-02 )

129
トレイフィーダー用アジャストボルト(防振対策)
Tray feeder Vibration control kit
パーツレイアウト
Kit No.
キット品番
Kit Name
キット名称
MTKA015414AA
セクションNo.
PARTS LAYOUT
Section No.
--
O387
( KMTKA015414AA-03 )