N7202A047B00 - 第201页
Kit Name Rank Q'ty 番号 Part No. キット名 品 番 数量 ランク 頁 Page No. 42 NPM-W2 :プロダクション モジュラ ー NPM -W 2:Production Modular キットリスト 製品品番 Model No. 製品名称 Model Name NM-EJM 7D KIT LIST 1 173 MTKA002623AA Movable Cover Plumbing(Main…

42
NPM-W2:プロダクション モジュラー
NPM-W2:Production Modular
キットレイアウト
製品品番
Model No.
製品名称
Model Name
NM-EJM7D
KIT LAYOUT
--
U83
( KEJM7DS-00-42 )

Kit Name
RankQ'ty
番号
Part No.
キット名
品 番 数量 ランク
頁
Page
No.
42
NPM-W2:プロダクション モジュラー
NPM-W2:Production Modular
キットリスト
製品品番
Model No.
製品名称
Model Name
NM-EJM7D
KIT LIST
1
173
MTKA002623AA
Movable Cover Plumbing(Main Body Front
Side):NPM-W2
可動カバー 配管、配線(本体前側):NPM-W2
O557
1
174
MTKA002646AA
Movable Cover Plumbing(Main Body Rear
Side):NPM-W2
可動カバー 配管、配線(本体後側):NPM-W2
O559
U84
--
( KEJM7DS-00-42 )

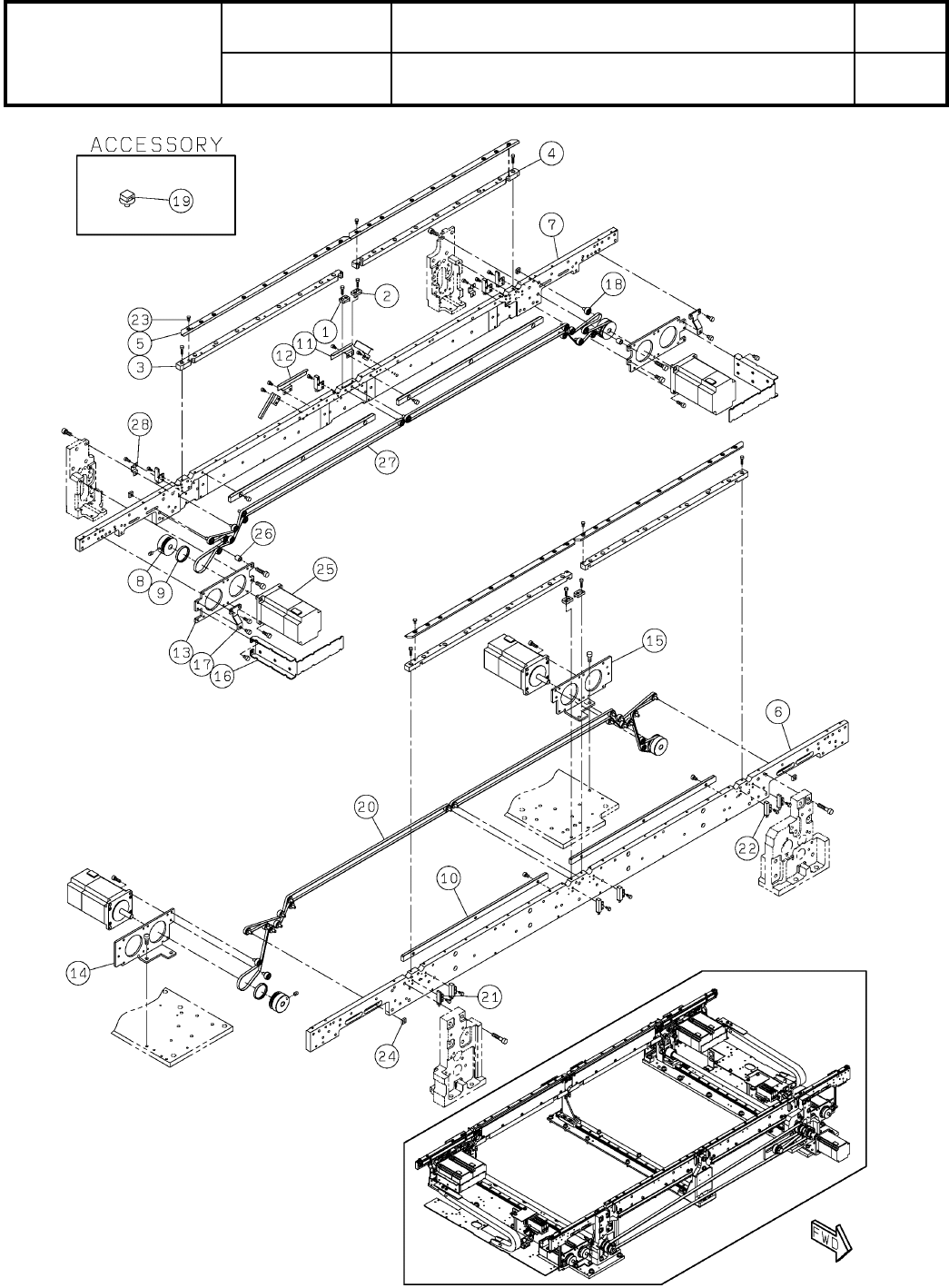
1-A
シングルコンベア:NPM-W2
Single Conveyor:NPM-W2
パーツレイアウト
Kit No.
キット品番
Kit Name
キット名称
N610164022AA
セクションNo.
PARTS LAYOUT
Section No.
--
O1
( KN610164022AA-09-1 )