N7202A047B00 - 第409页
Ref No. Remarks R 1 Q'ty 59-E 8ノズルヘッド:NPM 8 NOZZLE HEAD:NPM イラスト No. Part No. 品 名 品 番 数量 R 2 パーツリスト Kit No. キット品番 Kit Name キット名称 N610157742AA Part Nam e 備 考 セク ショ ンNo . PARTS LIST Section No. R 3 NUT 8 1 N210081879A…

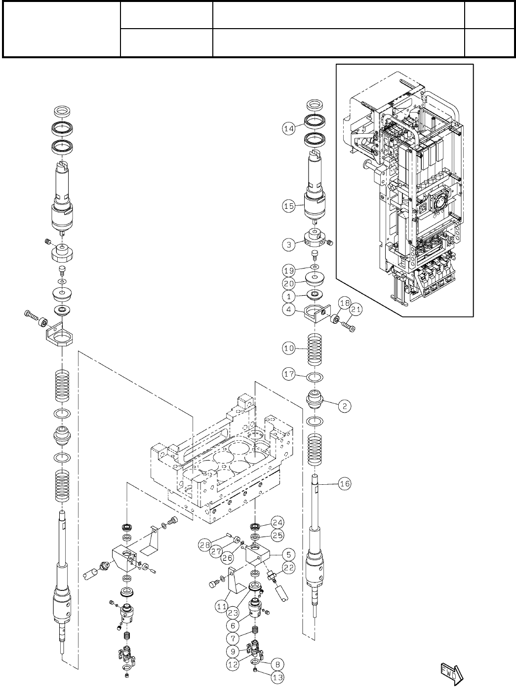
59-E
8ノズルヘッド:NPM
8 NOZZLE HEAD:NPM
パーツレイアウト
Kit No.
キット品番
Kit Name
キット名称
N610157742AA
セクションNo.
PARTS LAYOUT
Section No.
--
O207
( KN610157742AA-07-5 )

Ref
No.
Remarks R
1
Q'ty
59-E
8ノズルヘッド:NPM
8 NOZZLE HEAD:NPM
イラスト
No.
Part No.
品 名品 番 数量
R
2
パーツリスト
Kit No.
キット品番
Kit Name
キット名称
N610157742AA
Part Name
備 考
セクションNo.
PARTS LIST
Section No.
R
3
NUT
8
1 N210081879AA
COLLAR
4
2 N210081880AB
COLLAR
10
3 N210081881AC
COLLAR
4
4 KXFB02LXA00
NUT
8
5 N210005896AA
PIECE
24
6 N210110278AA
COLLAR
4
7 N210081883AC
SHIM
2
8 N510068965AA BRF010012100-C
PLATE
1
9 N210087079AA
BEARING
16
10 N510068997AA MT1510 AF2Q
BEARING
6
11 N510022701AA MR84ZZ
SPACER
1
12 N510021005AA CF-404E
PULLEY
8
13 N510034189AB P26-2GT-BLP(K0703-003)
PULLEY
4
14 KXF0DURAA00 P34-2GT-BLP-6-44(Delivery drawing available)
SHIM
2
15 N510033410AA RF010014050
T-BELT
2
16 N510034190AA 302-2GT-6(3F30N17)S-106358
WASHER
3
17 N510023371AA LLRB4-1.0
O208
--
( KN610157742AA-07-5 )

59-F
8ノズルヘッド:NPM
8 NOZZLE HEAD:NPM
パーツレイアウト
Kit No.
キット品番
Kit Name
キット名称
N610157742AA
セクションNo.
PARTS LAYOUT
Section No.
--
O209
( KN610157742AA-07-6 )