N7202A047B00 - 第426页
62- F 軽量16ノズ ルヘッド:N PM Light weight 16 Noz zle Head:NPM パーツレイアウト Kit No. キット 品番 Kit Name キット名称 N610159207AA セクションNo. PARTS LAYOUT Section No. - - O225 ( KN610159207AA-10-6 )

Ref
No.
Remarks R
1
Q'ty
62-E
軽量16ノズルヘッド:NPM
Light weight 16 Nozzle Head:NPM
イラスト
No.
Part No.
品 名品 番 数量
R
2
パーツリスト
Kit No.
キット品番
Kit Name
キット名称
N610159207AA
Part Name
備 考
セクションNo.
PARTS LIST
Section No.
R
3
MANIFOLD
1
1 N510067606AA VV3Q12-08-X437
MANIFOLD
1
2 N510067608AA VV3Q12-16-X439
MANIFOLD
1
3 N510067607AA VV3Q12-08-X438
VALVE
16
4 N510054843AA VQ111U-5MO-X479
SENSOR
1
5 N510068524AA PFMV530F-1-N-X920B
SENSOR
1
6 N510068525AA PFMV530F-1-N-X921B
ELEMENT
10
7 N510059928AA AXT1197-7A-03
JOINT
16
8 N510054845AA AXT1197-1A
O-RING
10
9 N510059867AA AXT1197-8A
SENSOR
1
10 N510068526AA PFMV530F-1-N-X922B
SENSOR
1
11 N510068527AA PFMV530F-1-N-X923B
VALVE
16
12 N510054844AA VQ111U-5LO-X480
O224
--
( KN610159207AA-10-5 )

62-F
軽量16ノズルヘッド:NPM
Light weight 16 Nozzle Head:NPM
パーツレイアウト
Kit No.
キット品番
Kit Name
キット名称
N610159207AA
セクションNo.
PARTS LAYOUT
Section No.
--
O225
( KN610159207AA-10-6 )

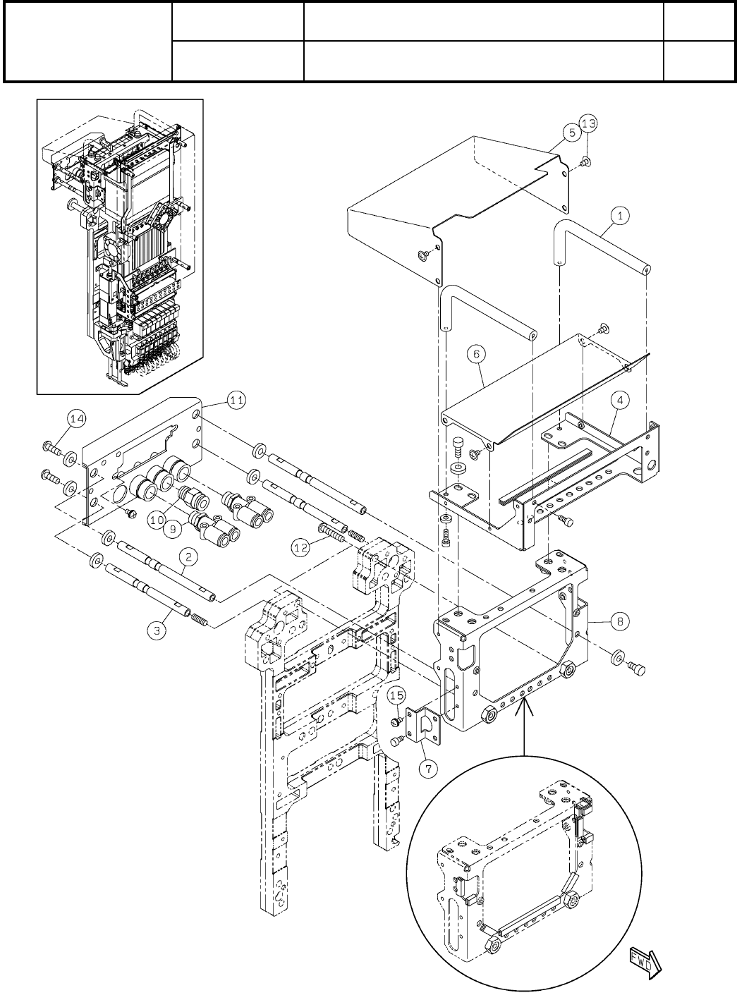
Ref
No.
Remarks R
1
Q'ty
62-F
軽量16ノズルヘッド:NPM
Light weight 16 Nozzle Head:NPM
イラスト
No.
Part No.
品 名品 番 数量
R
2
パーツリスト
Kit No.
キット品番
Kit Name
キット名称
N610159207AA
Part Name
備 考
セクションNo.
PARTS LIST
Section No.
R
3
HANDLE
2
1 N210188275AA
POST
2
2 N210188276AB
POST
2
3 N210188277AB
BRACKET
1
4 N210189131AB
COVER
1
5 N210188279AB
COVER
1
6 N210188280AC
BRACKET
1
7 N210189158AC
BRACKET
1
8 N610159301AD
JOINT
2
9 N510067530AA KQ2U06-01AS
JOINT
1
10 N510067913AA FR6-01M
COUPLER
1
11 N510068214AA MA-MS10PF-3LFT(CS38669-0)
BOLT
2
12 N510002013AA SRBS-M4X20
SCREW
8
13 N510045431AA
Cross recessed pan head machine screw with RPW M3X5-4.8 A2S
BOLT
4
14 N510001803AA SRBS-M4X12
SCREW
2
15 N510018675AA
Cross recessed Pan head machine screw with SW & SPW M3X6-4.8 A2J
O226
--
( KN610159207AA-10-6 )