N7202A047B00 - 第55页
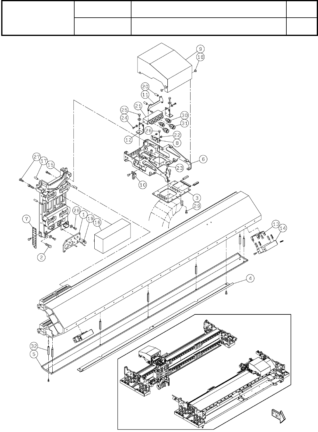
Ref No. Remarks R 1 Q'ty 9-B X軸:NPM-W2 X-Ax is:NPM-W 2 イラスト No. Part No. 品 名 品 番 数量 R 2 パーツリスト Kit No. キット品番 Kit Name キット名称 N610154663AA Part Nam e 備 考 セク ショ ンNo . PARTS LIST Section No. R 3 PLATE 1 1 N210093674AB B…

9-B
X軸:NPM-W2
X-Axis:NPM-W2
パーツレイアウト
Kit No.
キット品番
Kit Name
キット名称
N610154663AA
セクションNo.
PARTS LAYOUT
Section No.
--
S31
( KN610154663AA-09-2 )

Ref
No.
Remarks R
1
Q'ty
9-B
X軸:NPM-W2
X-Axis:NPM-W2
イラスト
No.
Part No.
品 名品 番 数量
R
2
パーツリスト
Kit No.
キット品番
Kit Name
キット名称
N610154663AA
Part Name
備 考
セクションNo.
PARTS LIST
Section No.
R
3
PLATE
1
1 N210093674AB
BOLT
1
2 N210184016AA
PLATE
1
3 N210140923AB
COVER
1
4 N210182047AB
PAN
1
5 N210182048AA
BRACKET
1
6 MTPB000964AB
PLATE
1
7 N210134648AC
BRACKET
1
8 N210103043AB
COVER
1
9 MTPB000807AB
BRACKET
1
10 N210151399AA
BRACKET
1
11 N210189803AA
BRACKET
2
12 N210189801AA
BRACKET
2
13 N210147157AB
COVER
2
14 N210147159AA
HEAD PLT
1
15 N610163870AC
MOTOR
1
16 N510069248AA
S
LM-LCP1A-34P-Z270
PIN
4
17 N510020608AA MMS5-15
SCREW
4
18 N510018278AA
Cross recessed Truss head machine screw M4X5-4.8 A2S (Trivalent)
PIN
4
19 N510020589AA MMS3-8
SPACER
2
20 N510026166AA CF-314E
COUPLER
1
21 N510067979AA MA-MS10SF-4(CS38518-0)
SPACER
6
22 N510036999AA ASF-2605E
SPACER
2
23 N510029513AA ASF-410E
BOLT
4
24 N510002760AA SRBS-M3X8
BOLT
2
25 N510000423AA SRBS-M4X8
BOLT
2
26 N510067791AA Low Head Cap Screw M4X6-8.8 SOB
BOLT
1
27 N510067779AA Low Head Cap Screw M5X12-8.8 A2J(Trivalent)
BOLT
2
28 N510067793AA Low Head Cap Screw M4X10-8.8 SOB
BOLT
2
29 MTNK000560AA
Hexagon socket head cap screw M4X8-10.9 A2J (Trivalent)(MEC process:T
JOINT
2
30 N510067913AA FR6-01M
JOINT
2
31 N510067914AA FR8-01M
SPACER
7
32 N510027348AA ASF-335E
S32
--
( KN610154663AA-09-2 )

9-C
X軸:NPM-W2
X-Axis:NPM-W2
パーツレイアウト
Kit No.
キット品番
Kit Name
キット名称
N610154663AA
セクションNo.
PARTS LAYOUT
Section No.
--
S33
( KN610154663AA-09-3 )