1OM-1750-003w_G5S.pdf - 第181页
1OM-1750 4-5 T1D1-4 項 目 内 容 12. 対象部品 高速ヘッド 多機能ヘッド (1) 対象部品 大きさ : 0.3 × 0.15 ∼ 44 × 44 mm 厚 さ : Max. 12.7 mm リードピッチ : 0.3 mm ピッチ以上 リード幅 : Min. 0.1 mm リード長さ : Min. 0.20 mm 注 : 機械的特性および形状などによ り 扱えない部品があります。 (1) 対象部品 大きさ : 1…

1OM-1750
4-4
T1D1-3
項 目 内 容
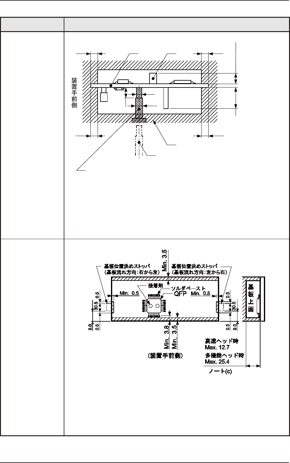
10. 装着前の基板条件
( 部品高さ制限 )
3 .0
基板
基板バックアップピン
(基板搬送時を示します)
先付部品装着不可能範囲
部品
3 .0
基板バックアップピン(数か所)
φ5
φ2
4.0
3 .0 3 .0
高速ヘッド時
M ax . 12 .7
多機能ヘッド時
M ax . 25 .4
M ax . 30
単位 : mm
F1D8
注 : (a) 基板バックアップピンの位置は、“10mm”ピッチで移動可能です。
(b) 基板バックアップピンを、装着済部品と触れない位置に設定します。
(c) 図は、基板をバックアップした状態を示します。
(d) 寸法は設計基準寸法を示します。余裕をみてください。
11. 装着可能範囲
単位 : mm
F1D9
注 : (a) 図は吸着ノズルが部品の外形から出ないときの状態を示します。
(b) 斜線部は装着不可能範囲を示します。
穴などの開口部周囲 “0.5 mm” の範囲は、装着不可能範囲となります。
(c) 装着部品を含む、基板からの最大装着可能高となります。
1302-001
1.1 SIGMA-G5 チップマウンタ仕様

1OM-1750
4-5
T1D1-4
項 目 内 容
12. 対象部品
高速ヘッド 多機能ヘッド
(1) 対象部品
大きさ : 0.3 × 0.15 ∼ 44 × 44 mm
厚 さ : Max. 12.7 mm
リードピッチ : 0.3 mm ピッチ以上
リード幅 : Min. 0.1 mm
リード長さ : Min. 0.20 mm
注 : 機械的特性および形状などによ
り 扱えない部品があります。
(1) 対象部品
大きさ : 1.0 × 0.5 ∼ 72 × 72 mm
厚 さ : Max. 25.4 mm
リードピッチ : 0.3 mm ピッチ以上
コネクタ : Max. 100 × 26 mm
注 : 機械的特性および形状などによ
り 扱えない部品があります。
対象参考部品
• 円筒部品
抵抗、コンデンサ、ダイオード、その他類似形状部品
• 角形部品
抵抗、積層コンデンサ、コイル、
チップセラミックフィルタ、その他類似形状部品
• 異形部品
半固定ボリューム、トリマコンデンサ、その他類似形状部品
• IC 部品
ミニフラット IC、リード付プラスチックチップキャリア、
その他類似形状部品
• リード付部品
ミニモールドトランジスタ、ミニパワートランジスタ、
フィルタ、LED、ダイオード、コイル、タンタルコンデンサ、
アルミ電解コンデンサ、その他類似形状部品
• コネクタ部品
FFC / FPC 用コネクタ、基板対基板用コネクタ、
電線対基板用コネクタ、PLCC ソケット、その他類似形状部品
• BGA / CSP 部品 ( オプション )
BGA、CSP、LGA、その他類似形状部品
大きさ : Max. 44 × 44 mm
ボール径 : Min. φ 0.13 mm
ボールピッチ : 0.25 mm ピッチ以上
(2) 荷姿規格
テーピング部品 JIS 規格および相当品
• 紙テーピング部 ( 幅 8 mm)
• エンボステーピング部品 ( 幅 8 ∼ 88 mm)
• リール外径 : φ 382 mm 以下
注 : テーピングの一部の寸法に制限があります。
また、機械的特性により扱えないテーピングがあります。
スティック部品
• キャリアスティック : 幅 8 ∼ 60 × 厚さ 3 ∼ 16 × 長さ 400 ∼ 600 mm
トレイ部品
• トレイ : 100 × 100 ~ 330 × 230 mm
注 : 100 × 100 未満のトレイについては当社営業部または
販売代理店にご相談ください
1302-001
1.1 SIGMA-G5 チップマウンタ仕様

1OM-1750
4-6
T1D1-5
項 目 内 容
13. 装着ヘッド
高速ヘッド 多機能ヘッド
2
ヘッド
/ 2
ビーム
装備可能
吸着ノズル
:
各ヘッド
Max. 15
本
参考:部品吸着数
:
部品サイズ 部品
持ち数
4.2
×
4.2 mm
以下
15
~
8
×
8 mm
以下
7
~
9
×
9 mm
以下
5
~
10
×
10 mm
以下
4
~
12
×
12 mm
以下
3
~
20
×
20 mm
以下
2
~
44
×
44 mm
以下
1
注
:
吸着ノズルは、高速ノズルと
中異形ノズルがあります。
高速ノズルと中異形ノズルは
混載して使用することができ
ますが、中異形ノズルは拡散
板により、取付けピッチが
2
個おきとなります。
高速ノズル
:
φ
6 mm
以下のノズルで、
部品サイズ
0402 ~ 20
× 20
mm
用
中異形ノズル
:
φ
12 mm
以下のノズルで、先端
を対象部品に合わせて加工した
もの部品サイズ
~ 44
× 44
mm
ま
で対応
2
ヘッド
/ 2
ビーム
装備可能
吸着ノズル
:
Max. 2
本
参考:部品吸着数:
部品サイズ
72
×
72 mm
以下
2
注
:
上記条件を満たさない場合
は、部品吸着数は
1
となりま
す。
(
コネクタ
100
×
26 mm
など
の場合
)
14. ノズルストック
数
高速ヘッド 多機能ヘッド
高速ノズルストッカ
Max. 15
本ストック可能
中異形ノズルストッカ
Max. 8
本ストック可能
注
: (a)
ノズルストッカの増設 ( オ
プション ) により、ストッ
ク数を増すことが可能です。
(b)
中異形ノズルを使用する場
合、中異形ノズルストッカ
が必要です。
(c)
ノズルストッカの標準配置
は装置手前に 2 列搭載です。
多機能ノズルストッカ
Max. 9
本ストック可能
注
: (a)
多機能ノズルストッカを
使用してください。
(b)
ノズルストッカの増設
( オプション ) により、
ストック数を増やすこと
が可能です。
1302-001
1.1 SIGMA-G5 チップマウンタ仕様