7OM-1602-004_w - 第177页
7OM-1602 5-16 4.2电路图料盘拉钩 M 电路图 料盘拉钩 M 电路图 1 103-002 D(M921WB---0001) 175218-2(AMP) 1-178129-6(AMP) 1318108-1(AMP) 1-13181 18-6(AMP) HIF3BA-16D-2.54R(HIROSE) T A841 1 5556-TL(MOLEX) 5557-02R(MOLEX) BM3RSB-004 SD-Q1 1 DC…

7OM-1602
5-15
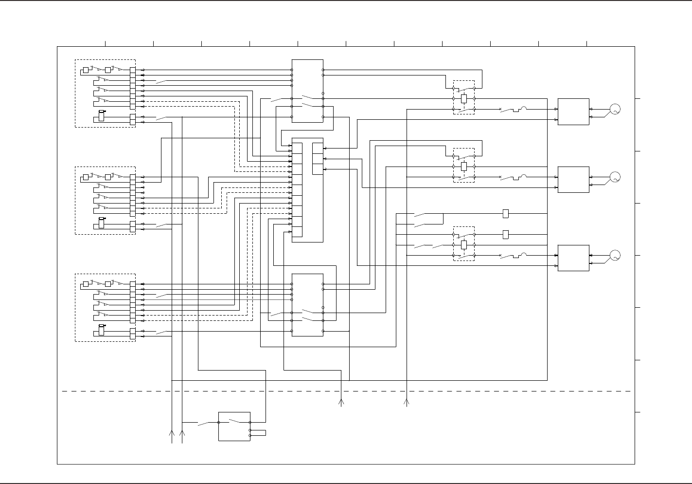
4.2电路图多段供料器安全电路模块图
多段供料器安全电路模块图
0910-001 -(M921WA---0002)
3
M
3
M
3
M
S0501(Lower)
51
52
A1
A2
Power To Lock
S0503(Magazine)
11
42
21
22
51
52
A1
A2
31
32
Power To Lock
1241
K301
CN1 CN3
CN5
M03
S0502(Upper)
51
52
A1
A2
Power To Lock
T11
T12
T21
T22
K201
CN1 CN3
CN5
M02
Q101
CN1 CN3
CN5
M01
K002
T31
T32
Q201
2423
K508
K509
K507
1413
A1
T11
T12
T21
T22
K001
T31
T32
2423
1413
A1
A2
K503
K502
K3
1413
T31
T32
K22
24A2
Input
Input
Input
Input
Input
Input
A2
Input
Input
10A
421
Emergency Stop Detection
CN7
CN7
CN7
AC200V(Single-Phase)
Input
Output
Output
Output
Main Machine Side
Multi-layer Tray
K101
Q301
11
42
21
22
31
32
1241
11
42
21
22
31
32
1241
K512
K513
K513
K513
K512
K508
K507
K504
Saftety Switch
Rock Contact
Saftety Switch
Open/Close Contact
Open/Close Contact
Open/Close Contact
Rock Contact
Rock Contact
EV2 Main Power ON
EV2(Upper)
A03
Saftety Switch
Rock Contact
EV1 Main Power ON
EV1(Lower)
A02
TV
A01
Safety Relay
Check the Solvent
I/O PCB
Safety Relay
Safety Relay
Check the Solvent
Check the Solvent
*The welding check for TV or EV is performed on the multi-layer tray side.
TV Main Power ON
Open/Close Contact
Open/Close Contact
Open/Close Contact
Rock Contact
Open/Close Contact
Open/Close Contact
Open/Close Contact
Rock Contact
For Check the Solvent
For Check the Solvent
1
2 3 4 5 6 7 8 9 10 11 12
A
B
C
D
E
F
G
H

7OM-1602
5-16
4.2电路图料盘拉钩 M 电路图
料盘拉钩 M 电路图
1103-002 D(M921WB---0001)
175218-2(AMP)
1-178129-6(AMP)
1318108-1(AMP)
1-1318118-6(AMP)
HIF3BA-16D-2.54R(HIROSE)
TA8411
5556-TL(MOLEX)
5557-02R(MOLEX)
BM3RSB-004
SD-Q11 DC24V 1b
(2.5-4A)
(3-phase 12A/single-phase 6A)
734-165(WAGO)
3
M
SSG
1
2
CN1
X0101
Q101
L110
:1
X300B
:2
:3
:4
4
5
CN2
X0102
2
3
1
CAN H
CAN L
GND
24V
SD
A3
A2
B2
A1
B1
W
V
(BK)
U
FG
CN3
X0103
B3
(BK)
M01
TV-Axis
A2
B1
A3
A1
B2
S1
S4
R1
S2
S3
CN5
X0105
B3
R2
A6
B5
NC
NC
B6
GND(SD)
M01
:A1
:A2
:A3
:B1
M01P
:A1
:B1
:A2
:B2
:A3
:B3
(MOTOR)
:B2
:B3
A5
B4
A4
NC
NC
NC
:B6
3
2
5
1
4
AIN
F-PLS+
GND(COM-)
R-PLS-
CN7
X0107
6
F-PLS-
8
7
AUX
GND
9
C-RST
10
12
11
F-LMT
R-LMT
13
SV-ON
15
14
ALM
INP
16
+24V(COM+)
R-PLS+
RST
(I/O)
Main Machine Side
EV Side
(MAIN PWR)
(SV-NET)
A01
Servo Motor Driver
(SV-NET)
Q201
[D-/12/4B]:(1)
L210 L250
L150
L350
L151
[B-/02/2B]
K201
X0202
[B-/02/2D]
:4
:5
:2
:3
:1
1
4
CN6
2
3
RG1
DB1
RG2
DB2
L110
L210
L310
E
X16302
:3
:5
:6
:SD
:1
X16301
:5
:6
10D
48D3
K101
1 2
3 4
L351
[B-/03/2B]
K301
U154(STLT ILB TR)
X15442(CN42):1
[B-/07/2B]
[D-/22/4B]:(2)
[D-/12/4B]:(1)
[D-/22/4B]:(2)
K52
14 13
24 23
824
B0102
B0101
48D4
10D
:4
:2
:1
+
OUT
-
BL
BK
BR
:4
:2
:1
+
OUT
-
BL
BK
BR
[B-/14/3A]
10B
X15431(CN31):1
[B-/06/7C]
X10107
:4
:5
:6
:1
:2
:3
X10107
External Unit Connecting Bundled Connector
X30
B module
(6Pins)
AC200V Power
AC200V Power
A02:For EV1(Lower)
A02:EV1
(Lower) Axis
A63:Cutter Axis
DC48V Power
A63:For CT
DC48V Power
AC200V Power
A03:For EV2(Upper)
Limit(+)
Limit(-)
1 2 3 4 5 6 7 8
A
B
C
D
E
F

7OM-1602
5-17
4.2电路图升降机 1( 下 )M 电路图
升降机 1( 下 )M 电路图
1103-002 B(M921WB---0002)
9
A
B
C
D
E
F
0
1
2
3
4
5
6
7
8
1
CS1:ID Setting
EV1 Axis
175218-2(AMP)
1-178129-6(AMP)
1318108-1(AMP)
1-1318118-6(AMP)
HIF3BA-16D-2.54R(HIROSE)
TA8411
5556-TL(MOLEX)
5557-02R(MOLEX)
5556-TL(MOLEX)
5557-04R(MOLEX)
BM3RSB-6P3
SD-Q11 DC24V 1b
(4-6.5A)
(3-phase 12A/single-phase 6A)
734-165(WAGO)
3
M
SSG
1
2
CN1
X0201
L110
4
5
CN2
X0202
CAN H
CAN L
GND
24V
SD
2
3
1
CAN H
CAN L
GND
24V
SD
A3
A2
B2
A1
B1
W
V
(BK)
U
FG
CN3
X0203
B3
(BK)
M02
EV1-Axis
A2
B1
A3
A1
B2
S1
S4
R1
S2
S3
CN5
X0205
B3
R2
A6
B5
NC
NC
B6
GND(SD)
M02
M02P
:A1
:B1
:A2
:B2
:A3
:B3
(MOTOR)
A5
B4
A4
NC
NC
NC
:B6
3
2
5
1
4
AIN
F-PLS+
GND(COM-)
R-PLS-
CN7
X0207
6
F-PLS-
8
7
AUX
GND
9
C-RST
10
12
11
F-LMT
R-LMT
13
SV-ON
15
14
ALM
INP
16
+24V(COM+)
R-PLS+
RST
(I/O)
(MAIN PWR)
(SV-NET)
A02
Servo Motor Driver
(SV-NET)
L210
X0302
[B-/03/3D]
:4
:5
:2
:3
:1
1
4
CN6
X0206
2
3
RG1
DB1
RG2
DB2
:4
:5
:2
:3
:1
X0102
[B-/01/4D]
80W 30Ω
[B-/01/3B]
Q201
L153
K201
1 2
3 4
L353
L252
L152
L352
:A1
:A2
:A3
:B1
:B2
:B3
X35
:1
:2
:3
:4
:5
:6
:13
:14
:15
:16
:17
:18
:25
XM02
:A1
:A2
:A3
:A4
:A5
:A6
XM02
:B1
:B2
:B3
:B4
:B5
:B6
:B7
A03
X10307: to 3
[B-/03/7F]
U154(STLT ILB TR)
X15444(CN44):1 [B-/07/2A]
X35
:61
:65
:63
:62
:3
X10207
:2
:4
OUT
-
L
+
:2
XB0202
:3
:1
B0202
OUT
-
L
+
:2
XB0201
:3
:1
B0201
:3:1XB0302
[B-/03/7E]
826
X10207
:1
10B
X15433(CN33):1 [B-/06/7D]
A03:EV2 (Upper) Axis
A01:TV Axis
Regenerative Resistor
AC200V Power
Limit(+)
Magazine Up/Down
Access Check
TV/EV Connecting Bundled Connector
TV/EV Connecting Bundled Connector
1 2 3 4 5 6 7 8
A
B
C
D
E
F