7OM-1602-004_w - 第178页
7OM-1602 5-17 4.2电路图升降机 1( 下 )M 电路图 升降机 1( 下 )M 电路图 1 103-002 B(M921WB---0002) 9 A B C D E F 0 1 2 3 4 5 6 7 8 1 CS1:ID Setting EV1 Axis 175218-2(AMP) 1-178129-6(AMP) 1318108-1(AMP) 1-13181 18-6(AMP) HIF3BA-16D-2.54R(H…

7OM-1602
5-16
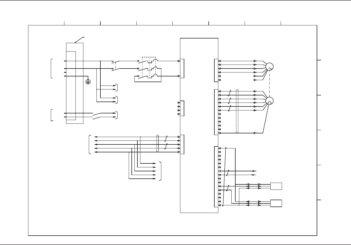
4.2电路图料盘拉钩 M 电路图
料盘拉钩 M 电路图
1103-002 D(M921WB---0001)
175218-2(AMP)
1-178129-6(AMP)
1318108-1(AMP)
1-1318118-6(AMP)
HIF3BA-16D-2.54R(HIROSE)
TA8411
5556-TL(MOLEX)
5557-02R(MOLEX)
BM3RSB-004
SD-Q11 DC24V 1b
(2.5-4A)
(3-phase 12A/single-phase 6A)
734-165(WAGO)
3
M
SSG
1
2
CN1
X0101
Q101
L110
:1
X300B
:2
:3
:4
4
5
CN2
X0102
2
3
1
CAN H
CAN L
GND
24V
SD
A3
A2
B2
A1
B1
W
V
(BK)
U
FG
CN3
X0103
B3
(BK)
M01
TV-Axis
A2
B1
A3
A1
B2
S1
S4
R1
S2
S3
CN5
X0105
B3
R2
A6
B5
NC
NC
B6
GND(SD)
M01
:A1
:A2
:A3
:B1
M01P
:A1
:B1
:A2
:B2
:A3
:B3
(MOTOR)
:B2
:B3
A5
B4
A4
NC
NC
NC
:B6
3
2
5
1
4
AIN
F-PLS+
GND(COM-)
R-PLS-
CN7
X0107
6
F-PLS-
8
7
AUX
GND
9
C-RST
10
12
11
F-LMT
R-LMT
13
SV-ON
15
14
ALM
INP
16
+24V(COM+)
R-PLS+
RST
(I/O)
Main Machine Side
EV Side
(MAIN PWR)
(SV-NET)
A01
Servo Motor Driver
(SV-NET)
Q201
[D-/12/4B]:(1)
L210 L250
L150
L350
L151
[B-/02/2B]
K201
X0202
[B-/02/2D]
:4
:5
:2
:3
:1
1
4
CN6
2
3
RG1
DB1
RG2
DB2
L110
L210
L310
E
X16302
:3
:5
:6
:SD
:1
X16301
:5
:6
10D
48D3
K101
1 2
3 4
L351
[B-/03/2B]
K301
U154(STLT ILB TR)
X15442(CN42):1
[B-/07/2B]
[D-/22/4B]:(2)
[D-/12/4B]:(1)
[D-/22/4B]:(2)
K52
14 13
24 23
824
B0102
B0101
48D4
10D
:4
:2
:1
+
OUT
-
BL
BK
BR
:4
:2
:1
+
OUT
-
BL
BK
BR
[B-/14/3A]
10B
X15431(CN31):1
[B-/06/7C]
X10107
:4
:5
:6
:1
:2
:3
X10107
External Unit Connecting Bundled Connector
X30
B module
(6Pins)
AC200V Power
AC200V Power
A02:For EV1(Lower)
A02:EV1
(Lower) Axis
A63:Cutter Axis
DC48V Power
A63:For CT
DC48V Power
AC200V Power
A03:For EV2(Upper)
Limit(+)
Limit(-)
1 2 3 4 5 6 7 8
A
B
C
D
E
F

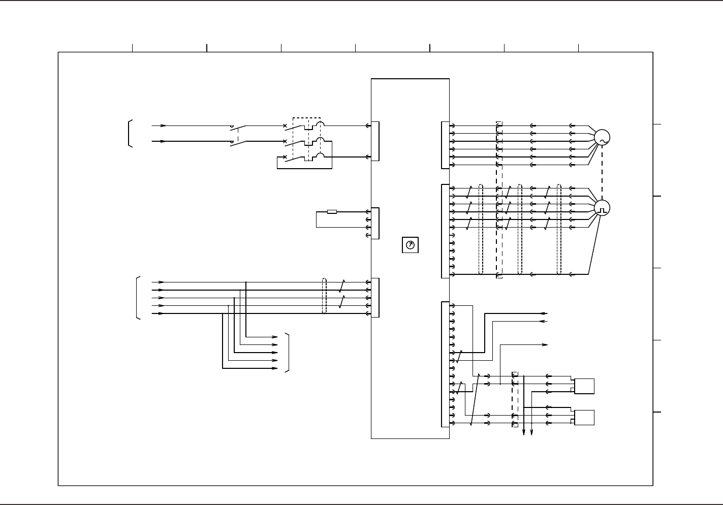
7OM-1602
5-17
4.2电路图升降机 1( 下 )M 电路图
升降机 1( 下 )M 电路图
1103-002 B(M921WB---0002)
9
A
B
C
D
E
F
0
1
2
3
4
5
6
7
8
1
CS1:ID Setting
EV1 Axis
175218-2(AMP)
1-178129-6(AMP)
1318108-1(AMP)
1-1318118-6(AMP)
HIF3BA-16D-2.54R(HIROSE)
TA8411
5556-TL(MOLEX)
5557-02R(MOLEX)
5556-TL(MOLEX)
5557-04R(MOLEX)
BM3RSB-6P3
SD-Q11 DC24V 1b
(4-6.5A)
(3-phase 12A/single-phase 6A)
734-165(WAGO)
3
M
SSG
1
2
CN1
X0201
L110
4
5
CN2
X0202
CAN H
CAN L
GND
24V
SD
2
3
1
CAN H
CAN L
GND
24V
SD
A3
A2
B2
A1
B1
W
V
(BK)
U
FG
CN3
X0203
B3
(BK)
M02
EV1-Axis
A2
B1
A3
A1
B2
S1
S4
R1
S2
S3
CN5
X0205
B3
R2
A6
B5
NC
NC
B6
GND(SD)
M02
M02P
:A1
:B1
:A2
:B2
:A3
:B3
(MOTOR)
A5
B4
A4
NC
NC
NC
:B6
3
2
5
1
4
AIN
F-PLS+
GND(COM-)
R-PLS-
CN7
X0207
6
F-PLS-
8
7
AUX
GND
9
C-RST
10
12
11
F-LMT
R-LMT
13
SV-ON
15
14
ALM
INP
16
+24V(COM+)
R-PLS+
RST
(I/O)
(MAIN PWR)
(SV-NET)
A02
Servo Motor Driver
(SV-NET)
L210
X0302
[B-/03/3D]
:4
:5
:2
:3
:1
1
4
CN6
X0206
2
3
RG1
DB1
RG2
DB2
:4
:5
:2
:3
:1
X0102
[B-/01/4D]
80W 30Ω
[B-/01/3B]
Q201
L153
K201
1 2
3 4
L353
L252
L152
L352
:A1
:A2
:A3
:B1
:B2
:B3
X35
:1
:2
:3
:4
:5
:6
:13
:14
:15
:16
:17
:18
:25
XM02
:A1
:A2
:A3
:A4
:A5
:A6
XM02
:B1
:B2
:B3
:B4
:B5
:B6
:B7
A03
X10307: to 3
[B-/03/7F]
U154(STLT ILB TR)
X15444(CN44):1 [B-/07/2A]
X35
:61
:65
:63
:62
:3
X10207
:2
:4
OUT
-
L
+
:2
XB0202
:3
:1
B0202
OUT
-
L
+
:2
XB0201
:3
:1
B0201
:3:1XB0302
[B-/03/7E]
826
X10207
:1
10B
X15433(CN33):1 [B-/06/7D]
A03:EV2 (Upper) Axis
A01:TV Axis
Regenerative Resistor
AC200V Power
Limit(+)
Magazine Up/Down
Access Check
TV/EV Connecting Bundled Connector
TV/EV Connecting Bundled Connector
1 2 3 4 5 6 7 8
A
B
C
D
E
F

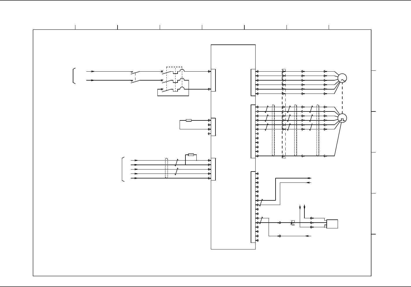
7OM-1602
5-18
4.2电路图升降机 2( 上 )M 电路图
升降机 2( 上 )M 电路图
1103-002 B(M921WB---0003)
175218-2(AMP)
1-178129-6(AMP)
1318108-1(AMP)
1-1318118-6(AMP)
HIF3BA-16D-2.54R(HIROSE)
TA8411
5556-TL(MOLEX)
5557-02R(MOLEX)
5556-TL(MOLEX)
5557-04R(MOLEX)
BM3RSB-6P3
SD-Q11 DC24V 1b
(4-6.5A)
(3-phase 12A/single-phase 6A)
734-165(WAGO)
3
M
SSG
1
2
CN1
X0301
4
5
CN2
X0302
2
3
1
CAN H
CAN L
GND
24V
SD
A3
A2
B2
A1
B1
W
V
(BK)
U
FG
CN3
X0303
B3
(BK)
M03
EV2-Axis
A2
B1
A3
A1
B2
S1
S4
R1
S2
S3
CN5
X0305
B3
R2
A6
B5
NC
NC
B6
GND(SD)
M03
M03P
:A1
:B1
:A2
:B2
:A3
:B3
(MOTOR)
A5
B4
A4
NC
NC
NC
:B6
3
2
5
1
4
AIN
F-PLS+
GND(COM-)
R-PLS-
CN7
X0307
6
F-PLS-
8
7
AUX
GND
9
C-RST
10
12
11
F-LMT
R-LMT
13
SV-ON
15
14
ALM
INP
16
+24V(COM+)
R-PLS+
RST
(I/O)
(MAIN PWR)
(SV-NET)
A03
Servo Motor Driver
(SV-NET)
1
4
CN6
X0306
2
3
RG1
DB1
RG2
DB2
:4
:5
:2
:3
:1
X0202
[B-/02/4E]
80W 30Ω
A02
X10207:from 3
R03
120Ω
[B-/02/7E]
L110
L210
[B-/01/3C]
Q301
L155
K301
1 2
3 4
L355
L254
L154
L354
X15443(CN43):1 [B-/07/2B]
:A1
:A2
:A3
:B1
:B2
:B3
X35
:7
:8
:9
:10
:11
:12
:19
:20
:21
:22
:23
:24
:36
XM03
:A1
:A2
:A3
:A4
:A5
:A6
XM03
:B1
:B2
:B3
:B4
:B5
:B6
:B7
X10307
:2
X35
:64
:3
OUT
-
L
+
:2
XB0302
:3
:1
B0302
+24V GND
[B-/02/7F]
825
U154(STLT ILB TR)
10B
X15432(CN32):1 [B-/06/7C]
A02:EV1 (Lower) Axis
Regenerative Resistor
Terminal Resistor
AC200V Power
Limit(-)
TV/EV Connecting Bundled Connector
TV/EV Connecting
Bundled Connector
1 2 3 4 5 6 7 8
A
B
C
D
E
F