7OM-1602-004_w - 第190页
7OM-1602 5-29 0910-001

7OM-1602
5-28
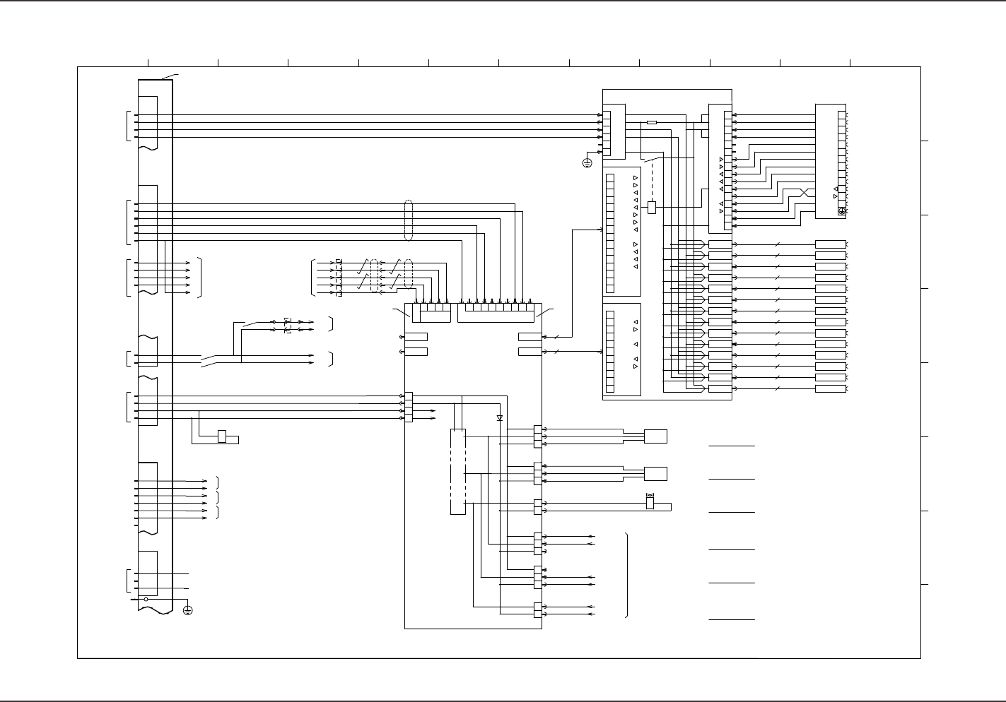
送料器安装台电路图
4.2电路图送料器安装台电路图
1008-002 C(M921WB---0013)
SSD-L-40-15-T3V D
SSD-L-40-15-T3V D
(HLS+RS232C)
9
8
5
6
7
4
1
2
3
+24V
+24v
GND
X01
GND
FG
13
10
11
12
S.GND
TXD
RXD
4GND
1
2
3
+24V
+24V
GND
9
8
5
6
7
13
10
11
12
S.GND
TXD
RXD 14
15
16FG
X01
14
X02
14
X03
14
X04
14
X05
OUT1
OUT2
IN1
IN2
IN3
14
X06
14
X07
14
X08
14
X09
14
X10
14
X11
14
X12
14
X13
14
X14
14
X15
X02
X03
X04
X05
X06
X07
X08
X09
X10
X11
X12
X13
X14
X15
4
3
2
1 GND
+24V
GND
+24V
X100
X68100
Connection P.C.B FB
-U68
6
5
FG
OUT1
OUT2
IN1
IN2
IN3
X01:
X01:
X01:
X01:
X01:
OUT1
OUT2
IN1
IN2
IN3
X02:
X02:
X02:
X15:
X15:
OUT2
IN1
X15:
X15:
…
X101
X01:
X01:
X01:
X02:
X02:
X15:
X15:
…
X102
S.GND
TXD
RXD
S.GND
TXD
TXD
RXD
24G5
10G
24G6
10G
:5
:8
:7
:6
X300C
U69
X6909
FG(コネクタケース
/TX
CN9
TX
/RX
RX
I/O P.C.B
STLT_FB
:3
:2
:4
:1
24G2
24G1
10G
10G
:6
:5
:10
:9
:8
:7
:34
:32
:33
:31
:35
FG
RTS
TxD
S.GND
RxD
CTS
φ6
:3
79 68
FG
RTS
CN6
CTS
5
S.GND
4 3
TXD
2
RXD
1
80X6901
CN1CN2
X6908
CN8
10B1
24VB1
X6801
X6802
X6803
X6804
X6805
X6806
X6807
X6808
X6809
X6810
X6811
X6812
X6813
X6814
X6815
X68101
X68102
X6906
X300F
X300A
1
2
3
4
10B2
24VB2
CN4
50X6903
CN3
3
7 5
9
X300C
:1
:6
:9
:10
:11
:12
X300E
+24V
GND
+24V
:1
:2
:1
:2
-X6911
-X6912
-X6915
:2
:3
77
80
79
78
73
76
75
74
9
8
7
6
1
5
…
…
47
50
49
48
46
8
7
1
6
…
…
:2
:7
:8
RLY
1Ω7W
Y6913
X6913
1
2
CN13
24VBO
24VBO
24VBO
[B-/13/3F]
B6914
-
OUT
+
BL
BK
BR
B6910
-
OUT
+
BL
BK
BR
24VBO
CN10
CN14
X6910
X6914
1
2
3
1
2
3
24VBO
1
2
3
1
2
3
2
1
X300E
:8
:9
:10
:11
:6
:7
+24V
GND
+24V
X6912
CN12
X6915
CN15
X6911
CN11
U157(STLT TR SW2)
[B-/12/6A]
[B-/08/3F] [B-/10/3F]
DC24V
[D-/12/4D]:(1)
[D-/22/4D]:(2)
RS232C
[D-/12/8D]:(1)
[D-/22/8D]:(2)
DC24V
[D-/12/4C]:(1)
[D-/22/4C]:(2)
[D-/12/4A]:(1)
[D-/22/4A]:(2)
:1
:2
:2
:6
[B-/05/3A]
:3
:4
:3
:7
:9
U154(STLT ILB TR)
X15403(CN3)
HLS
[D-/12/8C]:(1)
[D-/22/8C]:(2)
/RX
/TX
RX
TX
FG
24VBO
[B-/05/2F] [B-/07/3F]
K505
4 8
24B10
10B
A1 A2
K52
:2
X215501
:1
:60
X35
:59
X1572B(CN2B)
:3
X16909
:5
:7
:9
:2
115501
:1
24B11
10B
[B-/11/4F] [B-/12/4F]
X35
:9
:5
:7
:3
X26909
K52
44 43
34 33
:1
:2
X300C
10B
24B1
DC24V
[D-/12/4E]:(1)
[D-/22/4E]:(2)
C module
(12Pins)
F module
(12Pins)
A module
(3Pins)
C module
(12Pins)
E module
(12Pins)
X15402,X15401
U154(STLT ILB TR)
D module
(12Pins)
X30
1
2 3 4 5 6 7 8 9 10 11 12
A
B
C
D
E
F
G
H
Connector
Case
Connector
Case
Note 1
Connector:IL-S-3P-S2T2-EF
Pin:IL-S-C2-S-0001
Connector:IL-S-3P-S2T2-EF
Pin:IL-S-C2-S-0001
Connector:IL-S-2P-S2T2-EF
Pin:IL-S-C2-S-0001
Connector:IL-S-2P-S2T2-EF
Pin:IL-S-C2-S-0001
Connector:IL-S-3P-S2T2-EF
Pin:IL-S-C2-S-0001
Connector:IL-S-3P-S2T2-EF
Pin:IL-S-C2-S-0001
[B-/13/7H]
[B-/13/7G]
[B-/13/7G]
Internal I/O Circuit
Air Pressure Hose
Transfer Start 1
Transfer Start 2
Transfer Ready
Drawer Connector for Feeder
Communication
Ready
Feeder
Connectior Check
Drawer Connector for Feeder
Drawer Connector for Feeder
Drawer Connector for Feeder
Drawer Connector for Feeder
Drawer Connector for Feeder
Drawer Connector for Feeder
Drawer Connector for Feeder
Drawer Connector for Feeder
Drawer Connector for Feeder
Drawer Connector for Feeder
Drawer Connector for Feeder
Drawer Connector for Feeder
Drawer Connector for Feeder
Drawer Connector for Feeder
External Note (Clamp)
External Note (Unclamp)
External Command
(Feeder Clamp)
Extermal Command
(Feeder Clamping)
for Offline Control
10 Lane Feeder Clamp
Feeder Clamp Lower Limit
Outside Notification (Clamping)
for Offline Control
Feeder Clamp Lower Limit
Outside Notification (UnClamping)
for Offline Control
(Clamping)
(UnClamping)
10 Lane Feeder Clamp Upper Limit
10 Lane Feeder Clamp Lower Limit
DC Sensor and Load Power
TV/EV Connecting Bundled Connector
Elevator Section
TV/EV Connecting Bundled Connector
Offline Control
to U69(CN15)
Offline Control
to U69(CN12)
Offline Control
to U69(CN11)
to Solencid Valve
to Solencid Valve
External Unit Connecting Bundled Connector

7OM-1602
5-290910-001

2009 年 10 月 初版发行
2012 年 1 月 第 4 版发行
编辑以及发行处
不许复制
1201-004
7OM-1602
6, Menuma-nishi 1-chome, Kumagaya-shi, Saitama 360-0238, Japan
TEL : +81-48-506-6086 FAX : +81-48-567-0084