G310接线原理图总(中文)
全 自动印刷机 G 310 电气图纸

全自动印刷机
G310 电气图纸

4
后刮刀
M
马达驱动器
前刮刀
M
马达驱动器
J08
J09
J5
J4
L1
L2
L3
系统总图
G310\E\01-001
PCB停板气缸电磁阀
CAMERA接线板
平台吸板真空电磁阀
备用
网框压紧电磁阀
网框夹紧电磁阀
清洗架气缸电磁阀
J5
2
磁铁吸合检测sensor
型 别
J7
valve9±
平台y1原点sensor
4
4SENSOR_PCB
J2
CCDX正极限电眼
4
J3
CCDX负极限电眼
4SENSOR_PCB
6
6
J5 J2
J4
J4
6
4
4
4
4
J5
J3
J2
J5
J19
平台z负极限电眼
平台z正极限电眼
平台z原点电眼
CCDX原点电眼
ECN.NO.
设 计
调宽负极限sensor
调宽正极限sensor
调宽原点sensor
4
4
4
J10
J11
J9
工 艺
审 核
批 准
标准化
平台y2正极限sensor
平台y2负极限sensor
平台y2原点sensor
4
4
4
J5
J6
J12
J8
J1
4
4
平台y1正极限sensor
平台y1负极限sensor
标记
处数
名称:
阶段标记
A3
图 幅
共 张
代号:
重 量
1
1
比 例
第 张
材料:
valve13±
valve12±
valve11±
valve10±
签 名
日 期
2
2
2
2
32_SENSORS-HUB
4-7轴控制卡
J30
J20
Video
图像采集卡
PCI-7432
ACL-6126
开关量I/O
D/A接口卡
J22
J23
J21
37
100
J8
J7
8_AXES SENSORS
八轴传感器接线板
G310\E\01-009
37
6
6
6
6
刮刀
CCDY
Y1+Y2
J7
调宽+Y2
X+Y1
J6
J8
J3
J1
J17
16CH RELAYS
25
37
25
VALVE RELAYS
继电器板
32路输入集线板
电磁阀控制板
MAIN_PCB
动运控制卡
0-3轴控制卡
J25
J24
62
62
J6
J5
1对1
15
显示器
J27
J17
J26
J16
J15
4
10
马达驱动器
10
4
马达驱动器
SM
CCDy轴
CCDx轴
SM
马达驱动器
马达驱动器
马达驱动器
马达驱动器
马达驱动器
M
M
M
刮刀
平台Z
导轨调宽
平台Y2
平台Y1
M
M
POWER 指示灯
N014 C13
N015 C13
N013 C13
4
J9
CCDy原点sensor
J3
J4
J2
J1
J3
J2
4
4
4
4
4
4
4
平台x负极限sensor
平台x正极限sensor
刮刀正极限sensor
刮刀原点sensor
平台x原点sensor
刮刀负极限sensor
J11
J10
RESET 指示灯
START 指示灯
4
4
CCDy正极限sensor
CCDy负极限sensor
valve8±
valve7±
valve6±
valve5±
valve4±
valve3±
valve2±
valve1±
2
2
2
2
2
2
2
LED3开/关控制
LED2开/关控制
LED1开/关控制
N07COM7
valve0±
N011 C11
N010 C10
N09 C0M9
N06 COM6
N013 C13
2
向上位机发要板信号
2
2
2
红灯
绿灯
N01
N02
黄灯
N00
J2
6
向下位机发有板信号
磁力制
6
J6
6
J5
J4
3_point IF
Table_pcb
J20
6
J1
6
J2
J20
Table_pcb
J4
J1
J3
J5
J2
2
N05 COM5
3
上位机发送有板信号
M
转纸DC马达
START开关
2
3
2
下位机发送要板接口
RESET开关
3
J13
清洗液检测sensor
J1
J3
3
J15
清洗原点检测
CCD防撞前导轨
PCB右进sensor
4
4
J13
J14
2
2
J15
J16
2
3
清洗纸检测sensor
清洗架下限sensor
PCB左进sensor
J14
马达驱动器
平台X
M
J3
J4
6
6
8
J4
J2
J1
CCD_HUB
2
J3
J2
J1
J5
J9
J7
J6
J8
3
2
3
前盖安全sensor
紧急制
总气压检测sensor
3
3
3
2
平台吸板真空检测sensor
CCD电源+12V
PCB右进检测sensor
PCB左进检测sensor
停板气缸上限sensor
J3
J4
J5
2
照MARK点LED1
2
照网框LED3
2
同轴LED2
峰鸣器
N03
PCI-504
CN1
CN1
CN1
CN3
工控机
J9
J1
J1
J9
J19
CCDY/刮刀集线板
Table_pcb
J18
J17
Table_pcb
平台上的电气元件
G310\E\01-018
G310\E\01-015
G310\E\01-010
G310\E\01-012
G310\E\01-008
G310\E\01-016
3_point IF
3_point IF
G310\E\01-017
G310\E\01-014
G310\E\01-015
G310\E\01-015
G310\E\01-014
CCDY/刮刀集线板
平台上的电气元件
G310\E\01-008
G310\E\01-011
N00+N01+N02+N03/COM3
G310\E\01-016
2
2
CCD防撞后导轨
平台Z轴
CCDX
LEDC400
LED POWER
G310\E\01-013
CAMERA_PCB
L4
J2
16 CH RELAY
J3
J1
D/A接口卡
ACL-6126
CN1
J20
SQUEEGEE
CN1
4
前刮刀正极限电眼
4
前刮刀负极限电眼
4
前刮刀原点电眼
4
J6
后刮刀正极限电眼
4
J5
后刮刀负极限电眼
4
J4
后刮刀原点电眼
J1
J3
J2
4
10
4
4
10
4
10
4
10
4
10
CCD接口
J89
动运控制卡
J10
J3
8-11轴控制卡
动运控制卡
6
前/后导轨
M
马达驱动器
M
J10
J11
6
6
6
J2
2
备用
valve15±
valve14±
2
2
酒精泵继电器线圈
导轨压板电磁阀
导轨夹板电磁阀
导轨夹板锁紧电磁阀
清洗从动纸固定
Y向钢网定位电磁阀
3
J8
后刮刀接触检测
3
J7
前刮刀接触检测
3
J6
有否钢网检测
3
J5
钢网Y向定位上限位
6
J8
J18
备用
喷酒精
清洗真空泵固态继电器
清洗液喷射电磁阀
清洗架电磁铁
马达驱动器
谢银超
2011.8.10

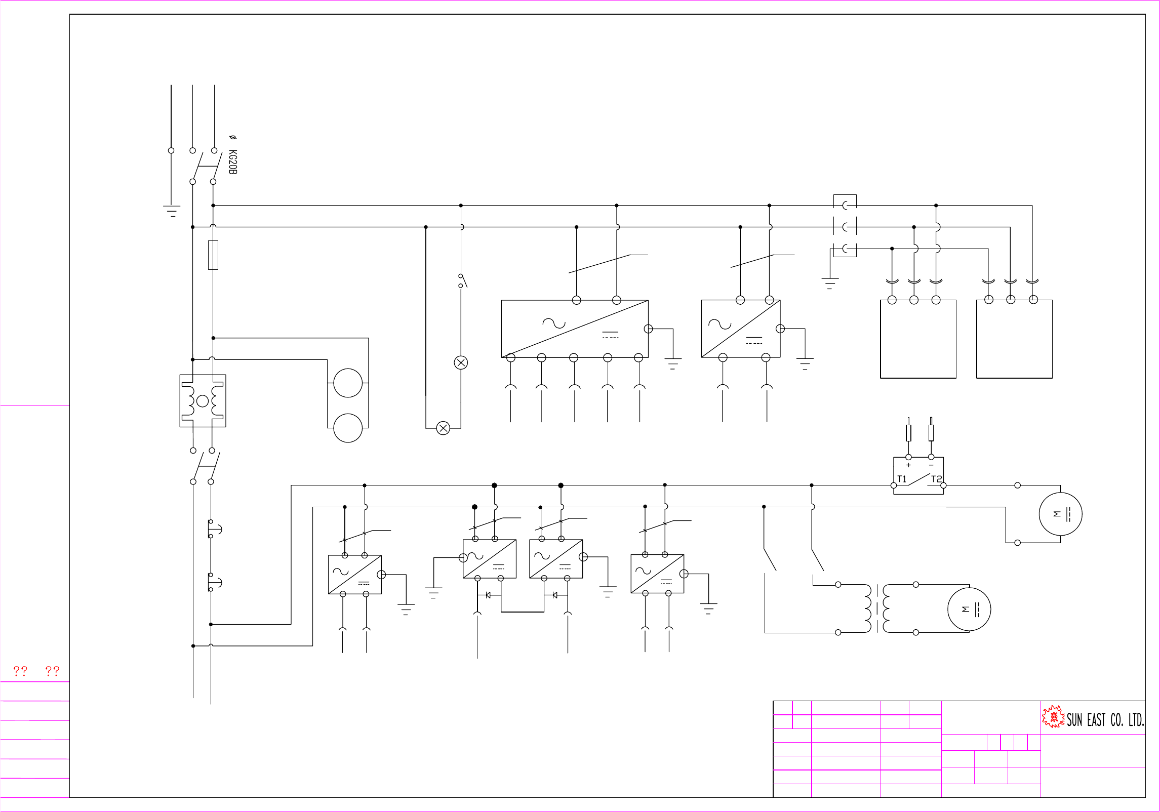
电源主电路图1
材料:
比 例
重 量
1
A3
1
第 张
阶段标记
图 幅
共 张
签 名
日 期
G310\E\01-002
名称:
代号:
设 计
审 核
批 准
标准化
工 艺
标记
处数
ECN.NO.
L(红2.0mm )
N(黑2.0mm )
PE(黄1.5mm )
L2
L1
N1
F1
MAIN SWITCH
SW1
T2(1.5mm )
T1(1.5mm )
LF0
Line filter
250V10A
F1A
N1A
L3A
N2
F-ES.1
L2A
L3
+5V
+12V+24V4G
-12V
Q-120D
L
N
PE
S-201-24
24V
+24V5
0V5
L
N
PE
工控机 显视器
三线扁角插座
-+
X,Y1,Y2轴及前导轨
switch power
NES-350-24
24V1
24V
0V1
+
前后刮刀/调宽/后导轨轴
-
switch power
NES-350-24
24V2
0V2
24V
L3
N3
PE
PE
L1
P/18W
L2
P/18W
红1mm2
黑1mm2
SW2
L1a L1b
L1c
FAN
SF12038
FAN
SF12038
2
2
2
2
(1.5mm )
2
2
2
1mm
2
(1.5mm )
(1.5mm )
2
2
(1.5mm )
(1.5mm )
2
1mm
2
1mm
1mm
2
2
MC0
LP1-K0910BD
Telemechanique
B-ES.1
技术说明:1.各接地线均用1.5mm 黄绿
线,并压接O型接地端子接至接地铜条。
接至端子排
酒
精
泵
AC220V
AC24V
固态继电器
2
Valve0-
L5
(1.5mm )
Valve0+
清
洗
真
空
泵
见图G310\E\01-010
T1
36V2-1
0V1
36V36V
0V1-1
72V1
印刷马达
switch power
NES-350-36
NES-350-36
36V1-1
0V2-1
+
+
-
-
1N4004 1N4004
1mm
2
1mm
2
K2-2
K2-1
K1-1
K1-2
谢银超
2011.8.10