G310接线原理图总(中文) - 第13页
J4 J5 4 J6 1 2 1 + 1 2V 1 2G 1 J11 8 1 J1 6 J2 1 6 6 J5 1 + 2 4V 1 6 J6 2 4G J3 J7 6 1 6 1 1 J8 6 J1 8 1 J11 1 8 8 *0. 3 ^2 5 950mm 网框 同 轴 LED4 网框 环 型 LED3 兰 2 - + 1 棕 J10 J2 1 8 2 1 J10 J2 1 J1 8 8 4 J3 2 6 1 1 1 G 310\…

RESET指示灯
START指示灯
N013+C13接主电源接
触器和Power ON 灯
跳线说明:
JP2 CLOSE
JP3 CLOSE
JP1 CLOSE
JP6 CLOSE
JP5 OPEN
JP9 OPEN
JP10 OPEN
JP7 OPEN
JP8 OPEN
JP4 CLOSE
JP12 OPEN
JP13 OPEN
JP15 CLOSE
JP16 CLOSE
JP14 CLOSE
JP19 OPEN
JP18 OPEN
JP22 OPEN
JP23 OPEN
JP20 OPEN
JP21 OPEN
JP17 OPEN
JP25 OPEN
JP26 CLOSE
JP28 CLOSE
JP29 CLOSE
JP27 CLOSE
JP32 OPEN
JP31 OPEN
JP35 CLOSE
JP34 CLOSE
JP33 CLOSE
JP30 OPEN
JP24 CLOSE
JP38 CLOSE
JP39 OPEN
JP41 OPEN
JP42 OPEN
JP40 OPEN
JP45 OPEN
JP44 OPEN
JP48 CLOSE
JP47 CLOSE
JP46 CLOSE
JP43 OPEN
JP37 OPEN
JP36 CLOSE
JP11 OPEN
-
主电源接触器
+24V
24G
NO15
NO14
C14
C15
+24V
24G
+
LP1-K0910BD
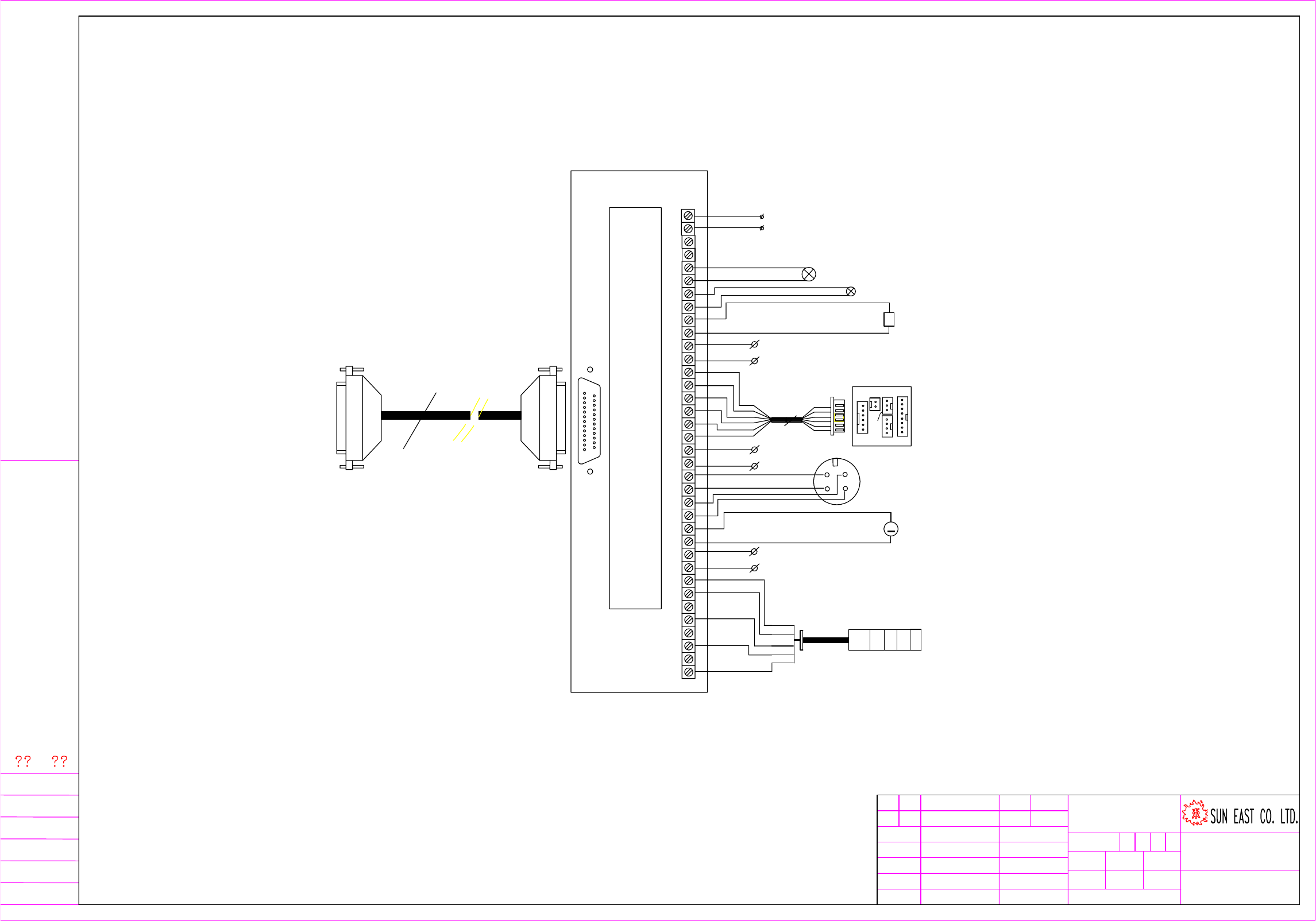
CAMERA ADAPTOR
1
1
8
J1
4
1
J5
J4
3
6
J2
1
1
J2
6
6
2
1
G310\E\01-013
NO13
NO12
C11
C12
6
1
继电器
区域
COM9
NO9
NO11
NO10
C10
0.2X6芯电缆
4
14
3
13
见图G310\E\01-019
SMEMA插座PLUG3
+
M12
-
转纸马达DC24V
COM7
NO7
COM8
NO8
M12+
M12-
COM4
COM5
NO5
NO6
COM6
J3
37
37芯电缆
G3 BACK J22
J1 D形
母插头
绿
黄
鸣
2
1
Y
4
R
3
三色灯塔
红
0
COM3
COM2
NO3
NO4
NO0
COM1
COM0
NO1
NO2
PCOM
G
BUZ
PRPB-24-3
MWNICS
C13
Telemecanicaque
MC0
签 名
日 期
材料:
处数
标记
ECN.NO.
名称:
继电器输出板
16 CH RELAYS
G310\E\01-011
代号:
图 幅 重 量
阶段标记
1
共 张
1
A3
第 张
比 例
设 计
审 核
工 艺
批 准
标准化
备用
备用
备用
谢银超
2011.8.10
2*0.5^2 800mm
2*0.5^2 5200mm
6*0.2^2 3900mm

J4
J5
4
J6
1
2
1
+12V
12G
1
J11
8
1
J1
6
J2
1
6 6
J5
1
+24V
1
6
J6
24G
J3J7
6
1
6
11
J8
6
J1
8
1
J11
1
8
8*0.3^2 5950mm
网框
同轴
LED4
网框
环型
LED3
兰
2
-
+
1
棕
J10
J2
1
8
2
1
J10
J2
1
J1
8
8
4
J3
2
6
1
1
1
G310\E\01-013
1
J1
CAMERA ADAPTOR
1
J1
8
8*0.3^2 5750mm
PH03
LS10
PH02
左进板到板电眼
右进板到板电眼
停板气缸上位
SMC D-A93L
BYD50-DDT-T
BYD50-DDT-T
计算机板卡PCI-504B
CCDx正向极限 P6
输入信号接线板32_sensors_HUB
G310\E\01-008
CCD摄像头
PCB定位气缸上限 LS10
模板光源 LED1
PCB光源LED2
PCB右进到板检测 PH03
PCB左进到板检测 PH02
CCD HUB接线板
PCB
同轴
LED1
0.3X2芯电缆
CCDx轴原点位置 H6
CCDx轴负向极限 N6
PCB
环型
LED2
兰
2
-
+
J2
2
1
J1
1
棕兰
1
2
1
兰
2 GND
1 +12V
棕
+
-
2
1
2
1
1
J4
J3
J9
1
8
9
PC-XC12 SONY
J3J9
棕
J4
小线用BNC插头
专用插头
8
2
1
J5
+V
GND
棕 兰
2
1
1
3
1
2
3
J5
J8
J7
J6
J7 J8
3
4
5
6
7
10
11
12
棕 黑
1
3
1
3
黑棕 兰兰棕
SIG
+V
GND
SIG
+V
GND
SIG
+V
1
2
1
2
3
电源地
+12VDC
信号地
兰
GND
焊线端
4 视频信号
射频线
Video
J6
2
CCD摄像头上的电气元件
CCD_HUB
签 名
日 期
材料:
处数
标记
ECN.NO.
名称:
G310\E\01-012
代号:
图 幅 重 量
阶段标记
1
共 张
1
A3
第 张
比 例
设 计
审 核
工 艺
批 准
标准化
2
1
J08
LS10
停板气缸上位
SMC D-A93L
J08
兰棕
GND
SIG
+V
1
2
谢银超
2011.8.10

4
CH1
CH2
CH4
CH3
J2
1
3
2
4
5
6
7
8
2*0.3^2 1000mm
网框同轴LED3
网框同轴LED4
PCB环型LED1
PCB环型LED2
2
J6
4
1
2
1
3
LED1-
LED1+
4
J3
1
LED2-
1
+
2
1
GND
J4
+
1
J5
GND
LED2+
2
8
1
4
1
J4
J5
2
1
J3
J1
1
J2
6
6
NO11
NO10
C10
6
1
NO9
COM9
6*0.2^2 600mm
J2
1
6
16 CH RELAY
G310\E\01-011
C11
材料:
名称:
第 张
1
代号:
G310\E\01-013
比 例
CAMERA线路转接板
CAMERA ADAPTOR
阶段标记
签 名
日 期
A3
共 张
1
图 幅
审 核
设 计
标记
处数
标准化
批 准
工 艺
ECN.NO.
重 量
2*0.3^2 1000mm
2*0.3^2 1000mm
谢银超
2011.8.10