RX-6_RX-6B_RX-6R-Rev12.PDFA - 第141页
- 136 - NOTE( 注記 ) #01....FOR EN EN 用 #02....UNTIL M/C REV.A(TROLL EY BANK) マシン REV.A 以前(トロリーバンク) #03....AFTER M/C REV.B(TROLLE Y BANK) マシン REV.B 以降(トロリーバンク) #04....UNTIL M/C REV.H マシン REV.H 以前 #05....AFTER M/C REV.I マシン…

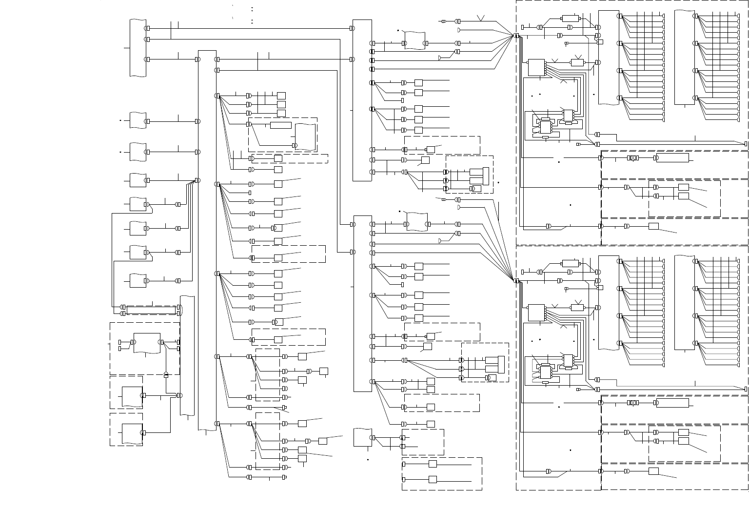
- 135 -
68.SYSTEM DIAGRAM(SAFETY & E BANK IF BLOCK)
SYSTEM DIAGRAM(SAFETY & E BANK IF BLOCK)
OPTION
OPTION
ROTARY FLUXER
OPTION
(REAR MONITOR)
CN2200
4-3B
4-3A
CN2008
CN8
LIGHT CONTROL
PCB(R)
CN2108
CN8
LIGHT CONTROL
PCB(F)
BK-CN5CN5
IP-X11
TRIG
BANK36-40
BANK31-35
BANK26-30
BANK21-25
BANK16-20
BANK11-15
BANK06-10
BANK01-05
CP OUT
AIR SW
AIR SW
CVLOCK
CVLOCK
5-1C
3-2B
3-1D
4-2D
3-5A
3-5A
4-1D
3-3C
3-3A
3-1B
3-3A
2-3B
3-3D
3-1B
1-1D
4-4B
2-3B
4-1A
2-3B
1-2C
1-2C
1-2A
1-2A
1-3D
OPTION
(REAR MONITOR)
OPTION
(SLIDE FL UXER FOR BANK)
OPTION
(ROTARY FLUXE R)
CN0060
BUP
BUP
BUP
BUP
RBUP
FBUP
OVERALL FEEDER EXCHANGE TROLLEY (EN)
FIXED BANK (EN)
BANK UP SW (R )
BANK UP SW (F )
(EN ONLY)
ELECTRICAL UNIT
<BOTTOM UNIT>
CN60
FLUXER2_B
OPTION (TROLLEY)
OPTION (TROLL EY)
XY BEAR
CABLES ASM1(R)
XY BEAR
CABLES ASM1(F)
CN1251
CN7
BK-CN7
COPLA LASER
KEY SW
COPLA CPU
BACKBOARD
OPTION (COPLANARITY)
CN3
CN0422
CN0421
COPLA CPU
BACKBOARD
ENCODER
IP-X11_ENC(9-10)
IP-X11_ENC(4-6)
IP-X11 PCB
X-ENC2
X-ENC2
E BANK TROLLEY UNIT(R)
CN1440
E BANK TROLL EY UNI T(F)
CN36-40
CN31-35
CN26-30
CN21-25
ELEC BAN K 10
PCB(F )
CN35
CN34
CN33
CN32
CN31
CN40
CN39
CN38
CN37
CN36
CN25
CN24
CN23
CN22
CN21
CN30
CN29
CN28
CN27
CN26
FLUX BANK
RT FLUXFLUX RLY1
SWITCH
MOTOR
SWITCH
MOTOR
SLIDE FLUXER UNIT
CN16-20
CN06-10
CN11-15
CN15
CN14
CN13
CN12
CN11
CN20
CN19
CN18
CN17
CN16
CN05
CN04
CN03
CN02
CN01
CN10
CN09
CN08
CN07
CN06
CN01-05
ANT
OUTINRFID
CN1758
PW01
CN1759
OUTIN24VOUTIN
PS UNIT
INOUT
CP
CN43
CN1743
CN41
CN1741
CN42
BK44
CN176 0
CN1756
RL1
FG
RFID ANTENNA
BK42
RLY
FG
FG
OPTION (RFID (F)
CN1757
ELEC BA NK 10
PCB(F)
CN0422
CN0421
CN0308
CN8
CN0304
CN4
CN1405
CN5
CN1301
CN1
CN6
CN1206
CN5
CN1205
CN4
CONSOLE SW( R)
CN1448
STOP SW(R)
START SW(R)
CN1447
CN1446
CN1445
CN1404
EMG SW(R)
CN1401
CN1
E BANK
RELAY PCB(R)
CN1441
OPTION (RFID)
5-5C (CN1757(R))
FG
CN1757
CN1442
CN15
CN1415
CN19
CN1419
CN9
CN1409
CN17
CN1417
CN7
CN1407
CN1343
SV
CLOSE
OPEN
CN12
CN0006
ELECTRICAL UNIT
<TOP UNIT>
CN6
CN6
CN1435
CN1406
AIR
PRESSURE
SENSOR(-)
CN8
CN1349
CN1408
BANK UP SENSOR(R)
E FEEDER DETECT
SENSOR REC(R)
CN12
CN1334
CN1333
CN1331
CN1412
E FEEDER FLOAT
SENSOR EMI(R)
E FEEDER DETECT
SENSOR EMI(R)
CN11
CN1328
CN1327
CN1325
CN1411
CN1305
CN5
E BANK
RELAY PCB(F)
CN1341
FG
CN17 57
CN13 42
CN0015
CN15
CN1315
CN19
CN1319
CN9
CN1309
CN17
CN1317
CN7
CN1307
CUTTER
CYLINDER
CUTTER
S.V.
CLOSE
SENSOR
OPEN
SENSOR
CN1343
SV
CLOSE
OPEN
CN15
CN0009
ELECTRICAL UNIT
<TOP UNIT>
CN9
CN6
CN1335
CN1306
AIR
PRESSURE
SENSOR(+)
BANK AIR DOWN SW(F)
CN8
CN1349
CN1308
BANK UP SENSOR(F)
E FEEDER DETECT
SENSOR REC(F)
CN12
CN1334
CN1333
CN1331
CN1312
E FEEDER FLOAT
SENSOR EMI(F)
CN11
CN1328
CN1327
CN1325
CN1311
E FEEDER FLOAT
SENSOR REC(F)
CN2
CN1
CN4
CN3
CN7
CN1210
CN10
CN1209
CN9
CN1208
CN8
KEY SW
CONSOLE SW( F)
CN1262
CN1261
STOP SW(F)
CN1260
START SW(F)
CN1259
CN1258
CN1263CN1207
EMG SW(F)
Y CLASH SENSOR
CN1202
CN1223
CN1237
CN1235
Y BEAR
CABLES
ASM(R)
CN1229
XPOSLMT
SENSOR(R)
CN1226
CN1230
X NEAR SENSOR(R)
CN1224
CN1222
CN1221
XNEGLMT
SENSOR(R)
CN1201
CN1223
CN1227
CN1225
YBEARCABLES
ASM(F)
CN1220
X POS LMT
SENSOR(F)
CN1226
CN1230
XNEAR
SENSOR(F)
CN1224
CN1222
CN1221
XNEGLMT
SENSOR(F)
MINI SIGNAL
TOWER(R)
CN1252
COVER LOCK
S.V.(R)
COVER
OPEN SW(R)
CN1250
Y NEA R
SENSOR(R)
CN1249
CN1248
CN1247CN1204
Y POS LMT1
SENSOR(R)
MINI SIGNAL
TOWER(F)
CN1246
SIGNAL
TOWER
CN1244
COVER LOCK
S.V.(F)
CN1243
COVER
OPEN SW(F)
CN1242
Y NEA R
SENSOR(F)
CN1241
CN1240
CN1239
CN1256
CN1255
CN1254
CN1253
RYL CN3
RX CN3
FYL CN3
FX CN3
CN3
X SERVO
DRIVER(R)
CN3
YL SERVO
DRIVER(R)
CN3
X SERVO
DRIVER(F)
CN0201
EMG
POSITION
BOARD
(EN ONLY)
CN0061
ELECTRICAL UNIT
<BOTTOM UNIT>
CN61
SAFETY PCB
CN0301
CN1211
CN3
YL SERVO
DRIVER(F)
CN0017
ELECTRICAL UNIT
<TOP UNIT>
CN17
CN1
IO CONTROL PCB
CN1203
YNEGLMT
SENSOR(F )
CN11
OPTION (COPLANARITY)
BK-CN3
2
3
1 1110111097 85 6
4
12 13 14
15
16
17
18
118
117117
114
112
113
115
119
20
19
21
23
24
22
120
115
26
25
28 29 30 32 28 293033
31
27
121 33
28
44
28
29
46
42 42
34
41 48
28
28
44
29
28
46
47
47
58
7
8
134
52
43
60
70
52
55
59
73
60
74
76
75
77
78
124
125
125
64
545356
72
5 6
CN001 2
71
51 135
65
66
67
64
62
59
55
5
6
50
69
87
81
89
129
CP1
123
94 95
96 97
98
99
101
100
102 103
133
104
106
107
111
109
35
80
110
105
86
84
40
45
49
57
85
37
38
39
FLUX RLY1
CN1756
104
107
111
109
80
39
38
37
85
57
49
45
40
84
86
35
106
133
102 103
100
101
99
98
94
95
89
81
ELEC BA NK 10
PCB(R)
CN1757
OPTION (RFID (R)
FG
FG
RLY
BK42
RFID ANTENNA
FG
CN176 0
BK44
CN42
CN41
CN1743
CN43
CP
OUT IN
PS UNIT
IN 24VO UT IN O UT
CN1759
PW01
CN1758
RFID IN OUT
ANT
CN01-05
CN06
CN07
CN08
CN09
CN10
CN01
CN02
CN03
CN04
CN05
CN16
CN17
CN18
CN19
CN20
CN11
CN12
CN13
CN14
CN15
CN11-15
CN06-10
CN16-20
MOTOR
SWITCH
MOTOR
SWITCH
RT FLUX
CN26
CN27
CN28
CN29
CN30
CN21
CN22
CN23
CN24
CN25
CN36
CN37
CN38
CN39
CN40
CN31
CN32
CN33
CN34
CN35
ELEC BAN K 10
PCB(R )
CN21-25
CN26-30
CN31-35
CN36-40
OPTION
(ROTARY FLUXE R)
3-5B
3-5C
CP OUT
BANK01-05
BANK06-10
BANK11-15
BANK16-20
BANK21-25
BANK26-30
BANK31-35
BANK36-40
ROTARY FLUXER
105
110
SLIDE FLUXER UNIT
FLUX BANKFLUXER2_B
OPTION
(SLIDE FL UXER FOR BANK)
108108
CP
IN
88
83
131 132
83
88
CP
IN
131 132
CUTTER
CYLINDER
CUTTER
S.V.
65
66
67
OPEN
SENSOR
CLOSE
SENSOR
E FEEDER FLOAT
SENSOR REC(R)
62
BANK AIR DOWN SW (R)
61
36
61
63
116
FLUXER2 FLUXER2_A FLUXER2
127 128
FLUXER2_AFLUXER2 FLUXER2
127 128
CP1
90 91
RL2
93
92
RL2
93
92
130
82 82
129
130
122
123
122
NOTE2
NOTE2
NOTE2
NOTE2
NOTE2
NOTE2
NOTE2
NOTE2
NOTE2
NOTE2
NOTE2
NOTE2
NOTE2
NOTE2
NOTE2
NOTE2
NOTE1
THESE P/N CHANG ES WITH MACHIN E REVISION (FIXED BA NK ONLY).
"[MR EV. C]"
RX-6 MACHINE REVI SION :BEFORE "C"
"[MR EV. D]"
RX-6 MACHINE REVI SION :"D"
NOTE2 THESE P/N CHANGES WITH TROLLEY REVISIO N (TROLLEY BANK ONLY).
"[TR EV. A]"
RX-6 TROLLEY REVI SION :BEFORE "A"
"[TR EV. B]"
RX-6 TROLLEY REVI SION :"B"
CUTTER UNIT OPT ION(F)
VCS OPTION (R)
VCS OPTION (F)
CUTTER UNIT OPT ION(F)
126126
5453
OPTION (IFS-NX(CAN))
7-5A (CN1451)
CN1451
CN1450
OPTION (IFS-NX(CAN))
7-5A (CN1351)
CN1351
CN1350
OPTION (IFS-NX(RFID))
5-5C (CN1757(F))
58
134
53
5354 5654
E FEEDER DETECT
SENSOR EMI(F)
68
CN1340
51
1
35
121
CN1741
79
87
79
96 97
90
91
RL1

- 136 -
NOTE( 注記 ) #01....FOR EN EN 用
#02....UNTIL M/C REV.A(TROLLEY BANK) マシン REV.A 以前(トロリーバンク)
#03....AFTER M/C REV.B(TROLLEY BANK) マシン REV.B 以降(トロリーバンク)
#04....UNTIL M/C REV.H マシン REV.H 以前
#05....AFTER M/C REV.I マシン REV.I 以降
#06....UNTIL M/C REV.A(TROLLEY BANK) マシン REV.A 以前(トロリーバンク)
UNTIL M/C REV.C(FIXED BANK) マシン REV.C 以前(固定バンク)
#07....AFTER M/C REV.B(TROLLEY BANK) マシン REV.B 以降(トロリーバンク)
AFTER M/C REV.D(FIXED BANK) マシン REV.D 以降(固定バンク)
REF.NO NOTE PART NO D E S C R I P T I O N
品 名
Qty
1 401-28871 IO CONTROL PCB ASM
IOコントロール基板組
1
2 401-29321 IO-F BKR SERIAL CABLE ASM
IO−F BKRシリアルケーブル組
1
3 401-29323 IO-R BKR SERIAL CABLE ASM
IO−R BKRシリアルケーブル組
1
4 401-29320 IO-SF SERIAL CABLE ASM
IO−SF シリアルケーブル組
1
5 401-27537 PSU_UNIT_B(ST)
PSU_ユニット_B(ST)
1
6
#01
401-27563 PSU_UNIT_B(EN)
PSU_ユニット_B(EN)
1
7 401-27536 PSU_UNIT_A(ST)
PSU_ユニット_A(ST)
1
8
#01
401-27558 PSU_UNIT_A(EN)
PSU_ユニット_A(EN)
1
9 401-29648 POSITION BOARD
ポジションボード
1
10 401-29652 X AXIS DRIVER
X軸ドライバ
1
11 401-29654 Y AXIS DRIVER
Y軸ドライバ
1
12 401-29011 EU TOP-SF PWR CABLE ASM
EU TOP−SF パワーケーブル組
1
13
#01
401-29012 EU BOTTOM-SF EN CABLE ASM
EU BOTTOM−SF ENケーブル組
1
14 401-29015 SF-XY AMP RELAY CABLE ASM
SF−XYアンプリレーケーブル組
1
15 401-33006 SF RELAY-FX AMP CABLE ASM
SFリレー−FXアンプケーブル組
1
16 401-29017 SF RELAY-FYL AMP CABLE ASM
SFリレー−FYLアンプケーブル組
1
17 401-33007 SF RELAY-RX AMP CABLE ASM
SFリレー−RXアンプケーブル組
1
18 401-29019 SF RELAY-RYL AMP CABLE ASM
SFリレー−RYLアンプケーブル組
1
19 401-29013 F BKR-SF CABLE ASM
F BKR−SF ケーブル組
1
20 401-29014 R BKR-SF CABLE ASM
R BKR−SF ケーブル組
1
21 401-29020 SF-OPSW RELAY WIRE ASM
SF−OPSW中継ワイヤー組
1
22 401-29025 EMG SW CABLE ASM
EMGスイッチケーブル組
1
23 401-29021 START SW CABLE ASM
スタートスイッチケーブル組
1
24 401-29022 STOP SW CABLE ASM
ストップスイッチケーブル組
1
25 401-29023 CONSOLE SW CABLE ASM
CONSOLEスイッチケーブル組
1
26 401-29024 KEY SW CABLE ASM
KEYスイッチケーブル組
1
27 401-29005 SF-YF TOP SENSR RELAY CABLE ASM
SF−YFトップセンサ中継ケーブル組
1
28 401-65028 XY LMT SENSOR ASM
XY LMTセンサ組
1
29 401-29002 NEAR SENSOR CABLE ASM
NEAR センサケーブル組
1
30 400-02254 COVER OPEN SW CABLE ASM
カバーオープンスイッチケーブル組
1
31 401-29007 COVER LOCK SV CABLE ASM
カバーロックSV ワイヤー組
1
32 401-29009 SIGNAL TOWER CABLE ASM
シグナルタワーケーブル組
1
33 401-29010 MINI SIGNAL TOWER CABLE ASM(OP)
ミニシグナルタワーケーブル組
1
34 401-29134 SF-YR TOP SENSR RELAY WIRE ASM
SF−YR トップセンサ中継ケーブル組
1
35 401-07113 AC_MOTOR_D5N
ACモータ_D5N
1
36 401-29080 AIR(N) SENSOR CABLE ASM
AIR(N) センサケーブル組
1
37 400-92648 EF IF CBL 6-10 ASM
電動フィーダーIF6−10組
1
38 400-92649 EF IF CBL 11-15 ASM
電動フィーダーIF11−15組
1
39 400-92650 EF IF CBL 16-20 ASM
電動フィーダーIF16−20組
1
40 400-92652 EF IF CBL 26-30 ASM
電動フィーダーIF26−30組
1
41 401-28999 SF-FXY BEAR CABLE ASM
SF−FXY ベアケーブル組
1
42 401-33057 Y BEAR CABLES ASM
YベアケーブルS組
1
43 401-29072 F BKR-AIR(P) RELAY CABLE ASM
F BKR−AIR(P)中継ケーブル組
1
44 401-29001 X LMT RELAY CABLE ASM
X LMT中継ケーブル組
1
45 400-92653 EF IF CBL 31-35 ASM
電動フィーダーIF31−35組
1
46 401-29003 XY BEAR RETURN WIRE ASM
XY ベアRETURN ワイヤ−組
1
47 401-33055 XY BEAR CABLES ASM1
XYベアケーブルS組1
1
48 401-29004 SF-RXY BEAR CABLE ASM
SF−RXY ベアケーブル組
1
49 400-92654 EF IF CBL 36-40 ASM
電動フィーダーIF36−40組
1
50 401-29247 F EBKR FG CABLE ASM
F EBKR FG ケーブル組
1
51
#04
401-29333 EBKR-OUT LOADER SERIAL CABLE ASM
EBKR−OUTローダーシリアルケーブル組
1
52 401-29269 BKR-FD FLOAT RIGHT E CABLE ASM
BKR−FDフロートライトEケーブル組
1
53 401-29057 SEPARATE SENSOR RECEIVER ASM
SEPARATE センサ受光組
1
54 401-29058 SEPARATE SENSOR EMISSION ASM
SEPARATE センサ投光組
1
55 401-29270 BKR-FD FLOAT LEFT E CABLE ASM
BKR−FDフロートレフトEケーブル組
1
56 401-29070 BANK UP SENSOR CABLE ASM
バンクUPセンサケーブル組
1
57 401-29292 PW01 WIRE ASM
PW01ワイヤー組
1
58 401-28876 E BANK RELAY PCB ASM
Eバンクリレー基板組
1
59 401-29280 BKR-BANK AIR SW RELAY CABLE ASM
BKR−BANKエアースイッチ中継ケーブル組
1
60 401-29271 BKR-E CUTTER RELAY CABLE ASM
BKR−Eカッター中継ケーブル組
1
61 401-29069 BKR-BANK AIR SW CABLE ASM
BKR−BANKエアースイッチケーブル組
1
62 PV-0151250-00 MANUAL VALVE
マニュアル バルブ
1
63 401-29071 AIR(P) SENSOR CABLE ASM
AIR(P) センサケーブル組
1
64 401-29075 BKR RELAY-E CUTTER IF CABLE ASM
BKRリレー−EカッターIFケーブル組
1
65 400-84835 CUT OPEN SENS ASM
CUTオープンセンサ組
1
66 400-84839 CUT CLOSE SENS ASM
CUTクローズセンサ組
1
67 400-84836 CUT SV CABLE ASM
CUT SVケーブル組
1
68 401-29073 F BKR-EU TOP PWR CABLE ASM
F BKR−EUトップパワーケーブル組
1
69 401-29322 EU TOP-F OUT LOADER PWR CABLE ASM
EU TOP−F OUTローダパワーケーブル組
1
70 401-29078 R BKR EU TOP PWR CABLE ASM
R BKR EUトップパワーケーブル組
1
71 401-29248 R EBKR FG CABLE ASM
R EBKR FG ケーブル組
1
72 401-29324 EU TOP-R OUT LOADER PWR CABLE ASM
EU TOP−R OUTローダパワーケーブル組
1
73 401-29151 R BKR-AIR(N) RELAY CABLE ASM
R BKR−AIR(N)中継ケーブル組
1
74 401-29082 R BKR-OPSW RELAY CABLE ASM
R BKR−OPSW中継ケーブル組
1
75 401-29021 START SW CABLE ASM
スタートスイッチケーブル組
1
76 401-29022 STOP SW CABLE ASM
ストップスイッチケーブル組
1
77 401-29023 CONSOLE SW CABLE ASM
CONSOLEスイッチケーブル組
1
78 401-29025 EMG SW CABLE ASM
EMGスイッチケーブル組
1
79 400-84841 EF ARRANGE CBL 1 BRACKET ASM
EFアレンジケーブル1ブラケット組
1
80 HA-0005900-00 POWER SWITCH
電源スイッチ
1
81 HA-0052400-00 CIRCUIT PROTECTOR
サーキットプロテクタ
1
82 401-29279 EF CP OUTPUT CABLE ASM
EF CP出力ケーブル組
1
83 400-92656 EF CP INPUT CABLE ASM
電動フィーダーCP出力束線組
1
84 400-71185 ELEC BANK 10 PCB ASM
電動バンク10基板組
1
85 400-92647 EF IF CBL 1-5 ASM
電動フィーダーIF1−5組
1
86 400-92651 EF IF CBL 21-25 ASM
電動フィーダーIF21−25組
1
87 401-29249 E BANK SERIAL CABLE ASM
Eバンクシリアルケーブル組
1
88 401-29294 E BANK SERIAL RELAY CABLE ASM
Eバンクシリアル中継ケーブル組
1
89 400-84840 ELEC BANK TOROLY FG WIRE ASM
ELECバンクトロリーFGワイヤー組
1
90
#06
HX-0069200-00 POWER SUPPLY
電源
1
91
#07
HX-0071800-00 POWER SUPPLY
電源
1
92
#02
HA-0052700-0A CIRCUIT PROTECTOR
サーキットプロテクタ
1
93
#03
HA-0052700-00 CIRCUIT PROTECTOR
サーキットプロテクタ
1
94
#02
401-29287 PS-RL2 WIRE2 ASM
PS−RL2ワイヤー2組
1
95
#03
401-58153 PS-RL2 WIRE2 ASM2
PS−RL2束線2組2
1
96 HB-0017900-00 TIMER
タイマー
1
97 HB-0012500-20 RELAY
リレーソケット
1
98 HB-0011000-00 RELAY
リレー
1
99 401-29288 RL1 WIRE-1 ASM
RL1 WIRE−1組
1
100 401-29289 RL1 WIRE-2 ASM
RL1 WIRE−2組
1
101 401-29290 RL1 WIRE-3 ASM
RL1 WIRE−3組
1
102
#02
401-29291 PS WIRE1 ASM
PS ワイヤー1組
1
103
#03
401-60151 PS WIRE1 ASM2
PSワイヤー1組2
1
104 401-33027 ROTARY FLUXER CABLE ASM
ロータリーフラクサケーブル組
1
105 401-33026 FLUXER BANK RELAY CABLE ASM
フラクサバンク中継ケーブル組
1
106 HK-0651200-60 CONNECTOR
コネクタ
1
107 401-22787 ROTARY FLUXER MOTOR CABLE ASM
ロータリーフラクサモーターケーブル組
1
108 400-90031 ANTENNA ARRAY 17MM PITCH /40 POSITION
アンテナアレイ17MM ピッチ/40ポジション
1
109 401-22789 ROTARY FLUXER SWITCH ASM
ロータリーフラクサスイッチ組
1
110 400-97610 FLUXER CYLINDER BANK UNIT ASM
フラクサシリンダバンクユニット組
1
111 401-22788 ROTARY FLUXER MOTOR ASM
ロータリーフラクサモーター組
1
112 401-33008 IPX X ENC RELAY CABLE ASM
IPX Xエンコーダ中継ケーブル組
1
113 401-33294 IP-X11 SET GEN ASM
IP−X11汎用機セット組図
1
114 401-33038 X ENC RLY CABLE ASM
Xエンコーダ中継ケーブル組
1
115 401-32990 COPLA CPU BACKBOARD PCB ASM
コプラCPUバックボード基板組
1
116 401-33044 IPX X-AXIS ENC CABLE ASM
IPX X軸エンコーダケーブル組
1
117 401-32991 LIGHT CONTROL PCB ASM
ライトコントロール基板組
1
118 401-33045 CAMERA TRIG CABLE ASM
カメラトリガケーブル組
1
119 401-28872 SAFETY PCB ASM
セーフティー基板組
1
120 401-33041 LASER CTRL CABLE ASM
レーザコントロールケーブル組
1
121 PV-1505380-00 5-PORT SOLENOID VALVE
5ポート電磁切換弁
1
122
#02
401-29286 PS-RL2 WIRE1 ASM
PS−RL2ワイヤー1組
1
123
#03
401-58152 PS-RL2 WIRE1 ASM2
PS−RL2束線1組2
1
124
#01
401-29083 EU BTM-BANK UP CABLE ASM(EN)
EU BTM−BANK UPケーブル組(EN)
1
125
#01
400-02344 BUP SHORT WIRE(EN) ASM
BUPショートケーブルEN組
1
126
#01
400-02287 B SW CABLE ASM(EN)
B スイッチケーブル組(EN)
1
127
#02
401-51640 PS-24VRTN WIRE ASM
PS−24VRTNワイヤー組
1
128
#03
401-60150 PS-24VRTN WIRE ASM2
PSー24VRTN束線組2
1
129
#02
401-29250 E BANK PWR WIRE2 ASM
Eバンクパワーワイヤー2組
1
130
#03
401-58150 E BANK PWR WIRE2 ASM2
Eバンクパワー束線2組2
1
131
#02
401-29278 E BANK PWR WIRE ASM
Eバンク電源ケーブル組
1
132
#03
401-58151 E BANK PWR WIRE ASM2
Eバンクパワー束線組2
1
133 400-79659 RFID JOINT CABLE ASM
RFIDジョイントケーブル組
1
134
#05
401-74561 EBKR SERIAL RELAY CABLE ASM
EBKRシリアル中継ケーブル組
1
135
#05
401-74562 OUT LOADER SERIAL RELAY CABLE ASM
OUT LOADERシリアルケーブル組
1

- 137 -
69.SYSTEM DIAGRAM(CONVEYOR & VCS IF BLOCK)
SYSTEM DIAGRAM(CONVEYOR & VCS IF BLOCK)
CN2
CN1
EXTCLINK
PCB
CN1
CN1
CN-2
CN-2
CN1
CN1072 CN1072
CN1065 CN1065
OPTION (CONVEYOR EXTENSION)
3-1D
3-1D
SMEMA
SMEMA
3-1D
5-3A
3-3C
3-1A
VCS SV
VCS SV
ATC SV
SOT SV
ATC SV
CAL VAC
CN1078-8 SMEMA
CN1078-7 DIR
CN1078-6 IDLE
CN1078-S5
CN1078-S4
BU LOCK
BU CNG(R)
BU CNG(L)
CN1078-3
CN1078-2
CN1078-1
CN1096
CN1095
CN3 OP
CN2
OPTION(HIGH RESOLUTION CAMERA [FRONT])
S COAXIAL
LIGHT PCB(R)
CN4
CN3
CN2
CN1
SIDE CN1
CN1
CN6
VCS CN9
CN1
SIDE CN1
CN1CN5
VCS CN9
BACK CN1
CN1
BACK LIGHT
PCB(R)
CN7
BOTTOM CN9
BOTTOM LIGHT
PCB(R)
VCS CN1
CN1
CN476
VCS S.V. (R)
CN474
VCS ST
SENS OR (R)
CN475
VCS OP
SENS OR (R)
CN4
CN2104
CN5
CN2105
CN7
CN11
VCS(STANDARD)
(REAR)
VCS(STANDARD)
(FRONT)
OPTION (SLIDE FLUXER FOR FRONT BASE)
FLUXER 2P
FLUXER 4P
SLIDE F LUXER
UNIT ASM
CN1020
FLUXER 2P
CN1021
FLUXER 4P
CN1012
LC AMP
OPTION(SOT CHECK)
OPTION(SLIDE FLUXER FOR REAR BASE)
OPTION(COMPONENT VERIFICATION SYSTEM)
LOADCELL
AMP
CN12
CN21
CN20
SLIDE FLUXER
UNIT ASM
CN4
CN0020
CN20
CN0018
CN18
LIGHT CONTROL
PCB( R)
CN2110
CN10
CN2101
CN1
CN3
CN2003
CN3
S COAXIAL
LIGHT PCB(F)
CN4
CN3
CN2
CN1
SIDE CN1
CN1
SIDE LIGHT ASM(F)
CN6
VCS CN9
CN1
SIDE CN1
CN1
SIDE LIGHT ASM(F)
CN5
VCS CN9
BACK CN1
CN1
BACK LIGHT
PCB(F)
CN7
BOTTOM CN9
BOTTOM
LIGHT
PCB(F)
VCS CN1
CN1
CN476
VCS S.V. (F)
CN474
VCS ST
SENS OR (F)
CN475
VCS OP
SENS OR (F)
CN4
CN2004
LIGHT CONTROL
PCB(F)
CN2010
CN10
CN5
CN2005
CN2001
CN1
CN1017
CN17
CN2
CVS02
CN27
CN1027
CONVEYOR PCB
CN0003
CN3
CN16
CN1016
CN19
CN1019
SMEMA R SIDE
SMEMA L SIDE
1-1C (MTS IF)
COVER
MTS IF
CN23
CN1023
CN1215
CN15
CN26
CN1026
CN1090A
CN1089A
CN1075A
CN1090B
CN1089B
BU CHANGE SENSOR(R)
CN10 75B
CN1074
CN1073
BU CHANGE SENSOR(L)
CN25
CN1025
ATC1 CLOSE SENSOR
CN1088
ATC1 OPEN SENSOR
CN1087
CN1089
ATC1 S.V.
CN24
CN1024
CN1088
CN1087
CN1083
SOT CHECK S.V.
CAL VACUUM S.V.
CN1082
CN1 CN2
CN1095
CAL LED PCB
CN1081
ATC2 S.V.
CN1077
STOP SENSOR
AMP(R)
CN1069
CN1068
STOP SENSOR
AMP(L)
CN1371
CN1370
CN1072
BU LOCK S.V.
BU CHANGE S.V.(R)
BU CHANGE S.V.(L)
CN1078
CN14
CN1014
CN1079
CN30
CN1030
CAL VACUUM SENSOR
ORG SENSOR(BU)
CN1029
CN29
SIDE SENSOR(R)
PROBE1(+)
PROBE1(-)
PROBE 2(+)
PROBE 2(-)
PROBE 3(+)
PROBE 3(-)
PROBE 4(+)
PROBE 4(-)
PROBE 5(+)
PROBE 5(-)
PROBE 6(+)
CVS03
CN3
CN1
CVS01
CVS PCB
CN2
CN1002
ORG SENSOR(AWC)
CN1066
CN658
AWC ENCODER
CN4
CN1004 CN1057
CN1 CN2
CN1058
5PHASE AWC DRIVER
CN1059
AWC MOTOR
BU MOTOR
CN1063
CN7
CN1007
CN11
CN1011
CN8
CN1008
BU SERVO DRIVER
CN5
CN3
CN1062
CN1062
CN8
CN1056
CN1
CN1055
CN2
CN1054
CN7
CN6
CN31
CN1006 CN1052
CN1 C N 2
CN1053
5PHASE R
DRIVER
CN1061
R MOTOR
CN1031 CN1050
CN1 C N 2
PROBE 6(-)
CN1018
CN18
CN1028
CN28
CN1051
5PHASE L
DRIVER
CN1060
L MOTOR
CN0303
CN0016
CN16
CN3
IO C ONTROL PCB
2
6
12 15
1
5
101
11
2119
33
33
OPTION (CONVEYOR EXTENSION)
BU PIN DETECT
SENSOR(REC)
BU PIN DETECT
SENSOR(EMI)
18
SIDE SE NSOR(L)
102 16 17
20
45
29 3031
32 32
34
34
35
CLAMP DETECTSENSOR
BU LOCK SENSO R
41 41 47
42 42
43 46
48
44
LOAD CELL
54
55
56
53
52
57
58
59
62
63 65
64
ELECTRICAL
UNIT
<TOP UNIT>
3
4
7 8
13 14
22
26
23
28
24 27
38
8
25
37 39 40
49
51
69
66
67
66
50
ATC2 CLOSE SENSOR
ATC2 OPEN SENSOR
68 68
71
74
76
75
75
68
68
70
SAFETY PCB
73
78
79
80
83
82 81
95
77
83
79
78
82
81
88 86
9292
89
89
91
90
87
93
94
94
88
89
86
OPTION(HIGH RESOLUTION CAMERA [REAR])
VCS
(OP)
89
90
91 92 92
87
93
94
SIDE LIGHT ASM(R)
SIDE LIGHT ASM(R)
94
60 61
96
3-1D
IP-X11
PCB
CN37
CN11
CN7
5-1A
4-4B
VCS(OPTION)
(FRONT)
EXTCLINK
PCB
CN4 OP
CN2
85
4-4B
85
VCS(OPTION)
(REAR)
72 84
6-2D
STOPPER SV
R-STOP SV
M STOPPER[R] S.V.
OPTION(MECHANICAL STOPPER[R-SIDE])
97
L-STOP SV
M STOPPER[L] S.V.
STOPPER SV
L-STOP SENS
97
OPTION(MECHANICAL STOPPER[L-SIDE])
M STOPPER SENSOR[L]
98
6-1A
CN1065
CN1067
R-STOP SENS
M STOPPER SENSOR[R]
OPTION
(MECHANICAL
STOPPER[R-SIDE])
98
9 10 9 10
36
99
100
99
100
NOTE1
NOTE1
NOTE1
NOTE1
NOTE1
NOTE1
NOTE1
THESE P/N CHANGES WITH MACHINE REVISION.
"[MREV.C]"
RX-6 MACHINE REVISION : BEFORE "C"
"[MREV.D]"
RX-6 MACHINE REVISION : "D"
NOTE2
THIS CONNECTION CHANGE WITH ONLY REAR SIDE VCS UNIT OPTION.
(CONNECT TO "LIGHT CTRL PCB(R)-CN1")
VCS OPTION(R)
VCS OPTION (F)
6-2A
LOAD CELL OPTION
NOTE2
CN2101CN1027
103