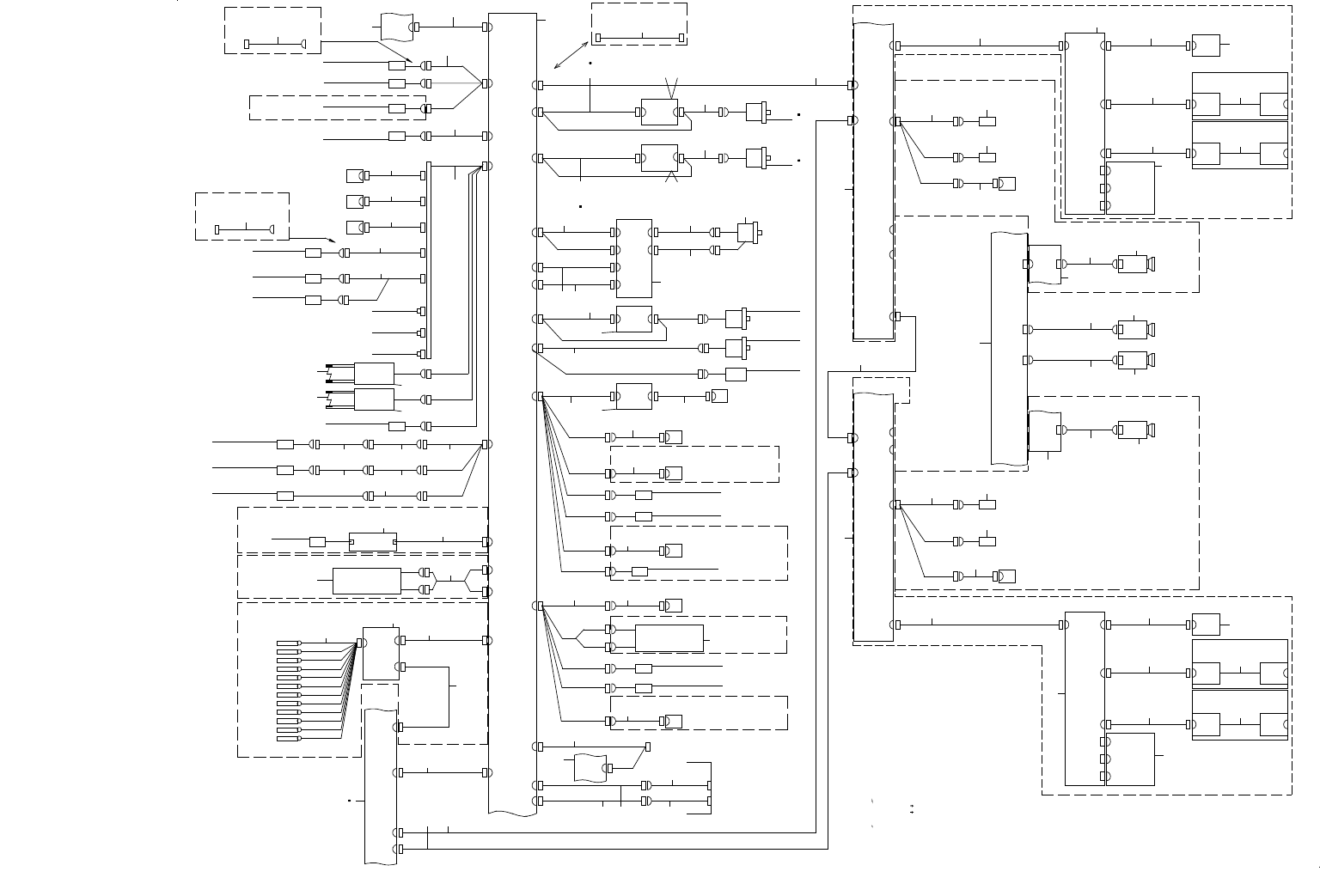
RX-6_RX-6B_RX-6R-Rev12.PDFA - 第143页
- 138 - NOTE( 注記 ) #01....FOR EN EN 用 #02....UNTIL M /C REV.C マシン REV.C まで #03....AFTER M/C R EV.D マシン R EV.D 以降 #04....VCS OPTION VCS オプション(フロ ント未装着時) (AT THE TIME OF FRONT NO N-WEARING) REF.NO NOTE PART NO D E S C R I …

- 137 -
69.SYSTEM DIAGRAM(CONVEYOR & VCS IF BLOCK)
SYSTEM DIAGRAM(CONVEYOR & VCS IF BLOCK)
CN2
CN1
EXTCLINK
PCB
CN1
CN1
CN-2
CN-2
CN1
CN1072 CN1072
CN1065 CN1065
OPTION (CONVEYOR EXTENSION)
3-1D
3-1D
SMEMA
SMEMA
3-1D
5-3A
3-3C
3-1A
VCS SV
VCS SV
ATC SV
SOT SV
ATC SV
CAL VAC
CN1078-8 SMEMA
CN1078-7 DIR
CN1078-6 IDLE
CN1078-S5
CN1078-S4
BU LOCK
BU CNG(R)
BU CNG(L)
CN1078-3
CN1078-2
CN1078-1
CN1096
CN1095
CN3 OP
CN2
OPTION(HIGH RESOLUTION CAMERA [FRONT])
S COAXIAL
LIGHT PCB(R)
CN4
CN3
CN2
CN1
SIDE CN1
CN1
CN6
VCS CN9
CN1
SIDE CN1
CN1CN5
VCS CN9
BACK CN1
CN1
BACK LIGHT
PCB(R)
CN7
BOTTOM CN9
BOTTOM LIGHT
PCB(R)
VCS CN1
CN1
CN476
VCS S.V. (R)
CN474
VCS ST
SENS OR (R)
CN475
VCS OP
SENS OR (R)
CN4
CN2104
CN5
CN2105
CN7
CN11
VCS(STANDARD)
(REAR)
VCS(STANDARD)
(FRONT)
OPTION (SLIDE FLUXER FOR FRONT BASE)
FLUXER 2P
FLUXER 4P
SLIDE F LUXER
UNIT ASM
CN1020
FLUXER 2P
CN1021
FLUXER 4P
CN1012
LC AMP
OPTION(SOT CHECK)
OPTION(SLIDE FLUXER FOR REAR BASE)
OPTION(COMPONENT VERIFICATION SYSTEM)
LOADCELL
AMP
CN12
CN21
CN20
SLIDE FLUXER
UNIT ASM
CN4
CN0020
CN20
CN0018
CN18
LIGHT CONTROL
PCB( R)
CN2110
CN10
CN2101
CN1
CN3
CN2003
CN3
S COAXIAL
LIGHT PCB(F)
CN4
CN3
CN2
CN1
SIDE CN1
CN1
SIDE LIGHT ASM(F)
CN6
VCS CN9
CN1
SIDE CN1
CN1
SIDE LIGHT ASM(F)
CN5
VCS CN9
BACK CN1
CN1
BACK LIGHT
PCB(F)
CN7
BOTTOM CN9
BOTTOM
LIGHT
PCB(F)
VCS CN1
CN1
CN476
VCS S.V. (F)
CN474
VCS ST
SENS OR (F)
CN475
VCS OP
SENS OR (F)
CN4
CN2004
LIGHT CONTROL
PCB(F)
CN2010
CN10
CN5
CN2005
CN2001
CN1
CN1017
CN17
CN2
CVS02
CN27
CN1027
CONVEYOR PCB
CN0003
CN3
CN16
CN1016
CN19
CN1019
SMEMA R SIDE
SMEMA L SIDE
1-1C (MTS IF)
COVER
MTS IF
CN23
CN1023
CN1215
CN15
CN26
CN1026
CN1090A
CN1089A
CN1075A
CN1090B
CN1089B
BU CHANGE SENSOR(R)
CN10 75B
CN1074
CN1073
BU CHANGE SENSOR(L)
CN25
CN1025
ATC1 CLOSE SENSOR
CN1088
ATC1 OPEN SENSOR
CN1087
CN1089
ATC1 S.V.
CN24
CN1024
CN1088
CN1087
CN1083
SOT CHECK S.V.
CAL VACUUM S.V.
CN1082
CN1 CN2
CN1095
CAL LED PCB
CN1081
ATC2 S.V.
CN1077
STOP SENSOR
AMP(R)
CN1069
CN1068
STOP SENSOR
AMP(L)
CN1371
CN1370
CN1072
BU LOCK S.V.
BU CHANGE S.V.(R)
BU CHANGE S.V.(L)
CN1078
CN14
CN1014
CN1079
CN30
CN1030
CAL VACUUM SENSOR
ORG SENSOR(BU)
CN1029
CN29
SIDE SENSOR(R)
PROBE1(+)
PROBE1(-)
PROBE 2(+)
PROBE 2(-)
PROBE 3(+)
PROBE 3(-)
PROBE 4(+)
PROBE 4(-)
PROBE 5(+)
PROBE 5(-)
PROBE 6(+)
CVS03
CN3
CN1
CVS01
CVS PCB
CN2
CN1002
ORG SENSOR(AWC)
CN1066
CN658
AWC ENCODER
CN4
CN1004 CN1057
CN1 CN2
CN1058
5PHASE AWC DRIVER
CN1059
AWC MOTOR
BU MOTOR
CN1063
CN7
CN1007
CN11
CN1011
CN8
CN1008
BU SERVO DRIVER
CN5
CN3
CN1062
CN1062
CN8
CN1056
CN1
CN1055
CN2
CN1054
CN7
CN6
CN31
CN1006 CN1052
CN1 C N 2
CN1053
5PHASE R
DRIVER
CN1061
R MOTOR
CN1031 CN1050
CN1 C N 2
PROBE 6(-)
CN1018
CN18
CN1028
CN28
CN1051
5PHASE L
DRIVER
CN1060
L MOTOR
CN0303
CN0016
CN16
CN3
IO C ONTROL PCB
2
6
12 15
1
5
101
11
2119
33
33
OPTION (CONVEYOR EXTENSION)
BU PIN DETECT
SENSOR(REC)
BU PIN DETECT
SENSOR(EMI)
18
SIDE SE NSOR(L)
102 16 17
20
45
29 3031
32 32
34
34
35
CLAMP DETECTSENSOR
BU LOCK SENSO R
41 41 47
42 42
43 46
48
44
LOAD CELL
54
55
56
53
52
57
58
59
62
63 65
64
ELECTRICAL
UNIT
<TOP UNIT>
3
4
7 8
13 14
22
26
23
28
24 27
38
8
25
37 39 40
49
51
69
66
67
66
50
ATC2 CLOSE SENSOR
ATC2 OPEN SENSOR
68 68
71
74
76
75
75
68
68
70
SAFETY PCB
73
78
79
80
83
82 81
95
77
83
79
78
82
81
88 86
9292
89
89
91
90
87
93
94
94
88
89
86
OPTION(HIGH RESOLUTION CAMERA [REAR])
VCS
(OP)
89
90
91 92 92
87
93
94
SIDE LIGHT ASM(R)
SIDE LIGHT ASM(R)
94
60 61
96
3-1D
IP-X11
PCB
CN37
CN11
CN7
5-1A
4-4B
VCS(OPTION)
(FRONT)
EXTCLINK
PCB
CN4 OP
CN2
85
4-4B
85
VCS(OPTION)
(REAR)
72 84
6-2D
STOPPER SV
R-STOP SV
M STOPPER[R] S.V.
OPTION(MECHANICAL STOPPER[R-SIDE])
97
L-STOP SV
M STOPPER[L] S.V.
STOPPER SV
L-STOP SENS
97
OPTION(MECHANICAL STOPPER[L-SIDE])
M STOPPER SENSOR[L]
98
6-1A
CN1065
CN1067
R-STOP SENS
M STOPPER SENSOR[R]
OPTION
(MECHANICAL
STOPPER[R-SIDE])
98
9 10 9 10
36
99
100
99
100
NOTE1
NOTE1
NOTE1
NOTE1
NOTE1
NOTE1
NOTE1
THESE P/N CHANGES WITH MACHINE REVISION.
"[MREV.C]"
RX-6 MACHINE REVISION : BEFORE "C"
"[MREV.D]"
RX-6 MACHINE REVISION : "D"
NOTE2
THIS CONNECTION CHANGE WITH ONLY REAR SIDE VCS UNIT OPTION.
(CONNECT TO "LIGHT CTRL PCB(R)-CN1")
VCS OPTION(R)
VCS OPTION (F)
6-2A
LOAD CELL OPTION
NOTE2
CN2101CN1027
103

- 138 -
NOTE( 注記 ) #01....FOR EN EN 用
#02....UNTIL M/C REV.C マシン REV.C まで
#03....AFTER M/C REV.D マシン REV.D 以降
#04....VCS OPTION VCS オプション(フロント未装着時)
(AT THE TIME OF FRONT NON-WEARING)
REF.NO NOTE PART NO D E S C R I P T I O N
品 名
Qty
1 401-28871 IO CONTROL PCB ASM
IOコントロール基板組
1
2 401-28026 CUTTER_RIB
カッタリブ
1
3 401-28875 CONVEYOR PCB ASM
搬送基板組
1
4
#04
401-33012 F CNV-F LTCTL SERIAL CABLE ASM
F CNV−F LTCTLシリアルケーブル組
1
5 401-29046 SIDE SENSOR CABLE ASM
サイドセンサケーブル組
1
6 401-56967 R-STOPPER RELAY2 CABLE ASM
Rストッパ中継2ケーブル組
1
7
#02
401-29032 L MOTOR CABLE ASM
Lモータケーブル組
1
8
#03
401-58142 L MOTOR DRIVER CABLE ASM
L モータドライバケーブル組
1
9
#02
401-29033 L/R MOTOR ASM
L/Rモータ組
1
10
#03
401-58136 2PHASE STEPPING MOTOR
2相ステッピングモータ
1
11 401-29080 AIR(N) SENSOR CABLE ASM
AIR(N) センサケーブル組
1
12 401-29256 CONVEYOR(F)-CAL VAC(S/R) CABLE ASM
搬送(F)−CAL VAC(S/R)ケーブル組
1
13
#02
401-29034 R MOTOR CABLE ASM
Rモータケーブル組
1
14
#03
401-58144 R MOTOR DRIVER CABLE ASM
R モータドライバケーブル組
1
15 401-29050 CNV-L RELAY CABLE ASM
CNV−L中継ケーブル組
1
16 401-29052 BU CHANGE R SV CABLE ASM
BUチェンジ R SV ケーブル組
1
17 401-29053 BU LOCK SV CABLE ASM
BUロックSV ケーブル組
1
18 401-29046 SIDE SENSOR CABLE ASM
サイドセンサケーブル組
1
19 401-29057 SEPARATE SENSOR RECEIVER ASM
SEPARATE センサ受光組
1
20 401-29135 BU PIN DETECT SENSOR RELAY(S) CABLE ASM
BUピン DETECTセンサ中継(S)ケーブル組
1
21 401-29058 SEPARATE SENSOR EMISSION ASM
SEPARATE センサ投光組
1
22 401-29035 BU AXIS CONTROL CABLE ASM
BU AXISコントロールケーブル組
1
23 401-29636 BU AXIS SERVO AMP
BU軸サーボドライバ
1
24 401-29038 BU MOTOR POWER(S)CABLE ASM
BUモータ電源(S)ケーブル組
1
25 401-29637 BU AXIS SERVO MOTOR
BU軸サーボモータ
1
26 401-29036 BU AXIS POWER CABLE ASM
BU AXIS電源ケーブル組
1
27 401-29645 BU MOTOR ENCODER CABLE ASM
BUモータエンコーダケーブル組
1
28 401-29037 BU AXIS ENCODER CABLE ASM
BU AXISエンコーダケーブル組
1
29 401-29056 CNV AUTO SET1 WIRE ASM
CNV AUTO SET1 ワイヤー組
1
30 401-29059 CNV AUTO SET2 WIRE ASM
CNV AUTO SET2 ワイヤー組
1
31 401-29060 CNV AUTO SET3 WIRE ASM
CNV AUTO SET3 ワイヤー組
1
32 HD-0010700-30 SENSOR
センサ
1
33 401-29139 CONVEYOR EXTENSION 150 CABLE ASM
搬送延長150ケーブル組
1
34 401-81868 STOP SENSOR CABLE ASM
ストップセンサケーブル組
1
35 401-29062 PHOTOMICRO SENSOR ASM
PHOTOMICRO センサ組
1
36 401-29039 AWC MOTOR(S)CABLE ASM
AWCモータ(S)ケーブル組
1
37 401-29040 AWC MOTOR ASM
AWCモータ組
1
38 401-29041 AWC ENC/ORG RELAY(S)CABLE ASM
AWC ENC/ORG中継(S)ケーブル組
1
39 E9433-729-0A0 BU ENC ASM.
BU ENC組
1
40 401-29042 AWC/BU ORG SENSOR CABLE ASM
AWC/BU原点センサワイヤー組
1
41 401-29048 BU CHANGE CABLE ASM
BUチェンジケーブル組
1
42 401-29140 CONVEYOR BU CHG SENSOR RELAY CABLE ASM
搬送BU CHGセンサ中継ケーブル組
1
43 401-29137 CONVEYOR BUCHG L RELAY CABLE ASM
搬送BU CHG L中継ケーブル組
1
44 401-29047 BU UNIT SENSOR RELAY CABLE ASM
BUユニットセンサ中継ケーブル組
1
45 401-29054 SIDE SENSOR(L) RELAY CABLE ASM
サイドセンサ(L)中継ケーブル組
1
46 401-29138 CONVEYOR BUCHG R RELAY CABLE ASM
搬送BUCHG R中継ケーブル組
1
47 401-29049 BU LOCK SENSOR CABLE ASM
BUロックセンサケーブル組
1
48 401-29152 CONVEYOR BULOCK RELAY CABLE ASM
搬送BUロック中継ケーブル組
1
49 401-56965 L-STOPPER RELAY CABLE ASM
Lストッパ中継ケーブル組
1
50 400-07376 CALBLOCK PCB ASM
CALブロック基板組
1
51 401-29260 CAL-VACUUM SV CABLE ASM
CAL−VACUUM SV ケーブル組
1
52 400-42180 FLUXER CYLINDER UNIT ASM
フラクサシリンダユニット組
1
53 401-33028 FLUXER BASE RELAY CABLE R ASM
フラクサベース中継ケーブルR組
1
54 401-33150 LOAD CELL
ロードセル
1
55 401-33151 LOAD CELL AMP
ロードセルアンプ
1
56 401-33019 LOAD CELL ANAROG CABLE ASM
ロードセルアナログケーブル組
1
57 401-01188 CVS PROBE CABLE ASM
CVSプローブケーブル組
1
58 400-95117 CVS PCB ASM
CVS基板組
1
59 401-29043 CNV-CVS SERIAL CABLE ASM
CNV−CVS シリアルケーブル組
1
60 401-27537 PSU_UNIT_B(ST)
PSU_ユニット_B(ST)
1
61
#01
401-27563 PSU_UNIT_B(EN)
PSU_ユニット_B(EN)
1
62 401-29044 EU TOP-CVS PWR CABLE ASM
EU TOP−CVS パワーワイヤー組
1
63 401-29027 EU TOP-F CNV PWR WIRE ASM
EU TOP−F CNV パワーケーブル組
1
64 401-33013 LIGHT CONTROL F POWER ASM
ライトコントロール F電源ケーブル組
1
65 401-33017 LIGHT CONTROL R POWER ASM
ライトコントロール R電源ケーブル組
1
66 401-29261 ATC SV CABLE ASM
ATC SV ケーブル組
1
67 401-29155 SOLENOID VALVE CABLE ASM
SOT SV ケーブル組
1
68 401-29062 PHOTOMICRO SENSOR ASM
PHOTOMICRO センサ組
1
69 401-56966 R-STOPPER RELAY1 CABLE ASM
Rストッパ中継1ケーブル組
1
70 400-42180 FLUXER CYLINDER UNIT ASM
フラクサシリンダユニット組
1
71 401-33009 MTC I/F CABLE ASM
MTC I/Fケーブル組
1
72
#03
401-58143 L MOTOR CABLE ASM2
L モータケーブル組2
1
73 401-28872 SAFETY PCB ASM
セーフティー基板組
1
74 401-29028 CNV-SMEMA L RELAY (F) CABLE ASM
CNV−SMEMA L中継(F)ケーブル組
1
75 401-29031 SMEMA CABLE ASM
スメマケーブル組
1
76 401-29029 CNV-SMEMA R RELAY (F) CABLE ASM
CNV−SMEMA R中継(F)ケーブル組
1
77 401-33018 VCS SENS CABLE R ASM
VCSセンサケーブルR組
1
78 401-32991 LIGHT CONTROL PCB ASM
ライトコントロール基板組
1
79 401-33024 VCS LIGHT CABLE ASM
VCSライトケーブル組
1
80 401-33014 VCS SENS CABLE F ASM
VCSセンサケーブルF組
1
81 400-02147 VCS OP SENS ASM
VCS OPセンサ組
1
82 400-02146 VCS ST SENS ASM
VCS STセンサ組
1
83 400-02148 VCS SV CABLE ASM
VCS SVケーブル組
1
84
#03
401-58145 R MOTOR CABLE ASM2
R モータケーブル組2
1
85 401-42095 EXTCLINK PCB ASM
EXTCLINK基板組図
1
86 401-33146 CAMERALINK CABLE SS 3M
カメラリンクケーブル SS 3M
1
87 401-08599 S-COAXIAL-LIGHT PCB ASM
S同軸ライト基板組
1
88 401-33145 CAMERALINK CABLE SS 1M
カメラリンクケーブル SS 1M
1
89 401-33149 VCS CAMERA
VCSカメラ
1
90 401-32987 BOTTOM LIGHT PCB ASM
ボトムライト基板組
1
91 401-09805 S_BACK LIGHT CABLE ASM
S_バックライトケーブル組
1
92 401-33015 SIDE LIGHT CABLE ASM
サイドライトケーブル組
1
93 401-32986 BACK LIGHT PCB ASM
バックライト基板組
1
94 401-32989 SIDE LIGHT ASM
サイドライト組
1
95 401-33016 F LTCTL-R LTCTL SERIAL CABLE ASM
F LTCTL−R LTCTLシリアルケーブル組
1
96 401-33294 IP-X11 SET GEN ASM
IP−X11汎用機セット組図
1
97 401-56969 STOPPER SV CABLE ASM
ストッパSVケーブル組
1
98 401-56968 STOPPER SENSOR ASM
ストッパセンサ組
1
99
#02
HW-0013200-00 SHEATH_CABLE
キャプタイヤケーブル
1
100
#03
401-54209 2PHASE DRIVER PCB ASM
2相ドライバ基板組
1
101 401-29042 AWC/BU ORG SENSOR CABLE ASM
AWC/BU原点センサワイヤー組
1
102 401-29051 BU CHANGE L SV CABLE ASM
BUチェンジ L SVケーブル組
1
103
#04
401-66447 F CNV-R LTCTL SERIAL CABLE ASM
F CNV−R LTCTLシリアルケーブル組
1

- 139 -
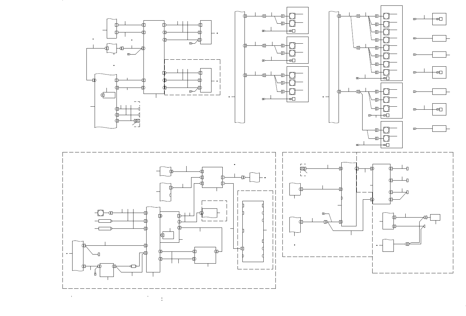
70.SYSTEM DIAGRAM(CPU & COPLA & IS IF BLOCK)
SYSTEM DIAGRAM(CPU & COPLA & IS IF BLOCK)
NOTE1 THIS CONNECTION CHANGE WITH IFS-NX RFID SPECIFICATION
FAN
CP-CPL-OUTCP-CPL-IN
FG
FG
IN-DC12V
5-4D
5-1A
5-3C
1-2D
5-4C
5-1D
5-4B
5-3B
5-4 A
4-1D
4-4B
5-4C
1-3D
5-3C
5-1B
5-2C
2-1A
CPU RS232C
RTR PWR
E
SHIELD
TUBE RR
E
FG
RBL-E
E
FG
RBL COVER
SHIELD
TUBE RL
E
FG
RBR-E
E
FG
RBR COVER
SHIELD
TUBE FR
E
FG
SHIELD
TUBE FL
E
FG
FBR-E
E
FG
FBR COVER
CTRL-FG
FAN
FAN
E
FG
CONTROL UNIT
TOP COVER
CTRL FAN2
CTRL FAN1
FAN
FAN
FAN4
FAN3
FAN
FAN
FAN2
FAN1
CN0061
FAN
FAN
FAN4
FAN3
TOP CV-FG
FAN
FAN
E
FG
TOP C OVER
FAN2
FAN1CN0062
CN0036
CN36
FAN
FAN3
RS CV-FG
FAN
FAN
E
FG
R SIDE
BOTTOM COVER
FAN2
FAN1
CN0058CN0022
CN22
FAN
DC FAN
FAN3
LS CV-FG
FAN
FAN
E
FG
LSIDEBOTTOM
COVER
DC FAN
FAN2
FAN1
CN0057
DC FAN
CN0021
CN21
FCV-FG
RCV-FG
FAN
FAN
E
FG
REAR BOTTOM
COVER
DC FAN
FAN2
FAN1
CN0056
DC FAN
CN0024
CN2 4
FAN
FAN
E
FG
FRONT BOTTOM
COVER
DC FAN
FAN2
FAN1CN0055
DC FAN
CN0023
CN2 3
ELECTRICAL UNIT
<TOP UNIT>
CN0054
FG
CP-CPL
(20A)
FAN
OPTION (REAR MONITOR)
AV2AV2
AV1AV1
CPU
CN5 4
SEE 5-2A
PSC-CN51
CN0011
PSC-CN1
CN1 CN51
COPLA PSU
CN11
BK-CN1
BK-CN11
CN1
CN11
MSPS
ATX-CN3
BK-CN4
BK-CN6
BK-CN9
BK-CN8
BK-CN2
PILOT LAMP R
PILOT LAMP F
CN8
CN9
COPLA
FAN
CN2
CN4
CN6
SUPER IMPOSE BOARD
AV2
12V IN
AV1
12V OUT
RS232 2
DVI OUT2
12V OUT
RS232 1
RS232PC
DVI OUT1
DVI IN
LAN3
LAN 2
COPLANARITY
SENSOR HEAD
ENCODER
POWER ETHERNET
DVI-DCN10
CN3
COPLA CPU
BOARD
DVI
CPU
BOARD
SIO3
RS232C
BOARD
CN8 RS232C
COPLA
MONI TOR
SWIT CH
BOARD
40097434
CN1
CN8
CN4
CN2
COVER
IS
LAN1
USB
NOTE1
USB CH2
USB CH1
SUPER IMPOSE
BOARD
COM 2
AV2
ATX-CN5
ATX UNIT
12V IN
AV1
CN8
NTSC1
NTSC0
IP-X11 PCB
E
12V OUT
OUT-DC12V RLCD-PWR
POWER
RLCD232C
RS232C
RS232 2
RSOUT2
LCD
MONITOR(R)
DVI OUT2
DVI OUT2 LCD R
DVI-D
E
12V OUT
OUT-DC12V FLCD-PWR
POWER
FLCD232C
RS232C
RS232 1
RSOUT1
LCD
MONITOR(F)
RS-PC1
RS232PC
CN0102
COM1
SSD
CPU BOARD
DVI OUT1
DVI OUT 1 LCD F
DVI-D
DVI IN
DVI IN
DVI-D
14
12
13
17
15
16
18 19
18 19
2
2
1
3 4
5 6
8
91 92
7
93
9
9
10
11
49
48
68 71 74
69
70
72
73
75
76
77
77
7777
77
77
77
31 32
31 32
78
79
ELECTRICAL UNIT
<TOP UNIT>
79
80
81
82
83
84
DC FAN
77
DC FAN
77
DC FAN
77
DC FAN
77
DC FAN
77
DC FAN
77
DC FAN
77
DC FAN
77
DC FAN
77
DC FAN
77
DC FAN
77
DC FAN
77
DC FAN
77
85 85 89
86 87 88 90
22
21
23
94 2020
ELECTRI CAL UNIT
<TOP UN IT>
31 32
OPTION (COPLANARITY)
26
25
29
27
COPLA CPU
BACKBOARD
35
36
40
46 47
24
45
28
33 34
38
41
43 44
42
ATX U NIT
50 66 67
64
51
52
58
60 61 62
54
57
53
55 56
59
65
63
96
30
3-2B
HUB BOX ASM OPTION
6-1C
5-1D
FG
CN0008
RFID_PWR
CN8
ELECTRICAL UNIT
<TOP UNI T>
5-2C
COVER
IS
CN1757(R)
CN1757(F)
CN1097
CH4
CH3
CH2
CH1
ETHERES-HUB
5-3C
5-2C
5-2C
X2LAN
BR(R)
BR(F)
1-1C (IS)
3-3B (CN1757)
3-3A (CN1757)
ATX-6CN6
SI02
SI01
BARCODE
READER
ATX UNIT
SIO2
SIO1
RS232C
BOARD
DC INPUT
DC INPUT
CH2
CH1
CH4
CH3
ETHERNET
MPC- 4C
X4
SWITCHING HUB
X2
X1 X5
LAN1
CPU BOARD
OPTION (IFS-NX RFID)
NOTE2 THESE P/N CHANGES WITH MACHINE REVISION.
"[MREV.C]"
RX-6 M ACHINE REVISION : BEF ORE "C"
"[MREV.D]"
RX-6 M ACHINE REVISION : "D"
X3
SWITCHING HUB
5-4C
LAN4
SSD
36
37
39
97
95
HUB BOX ASM OPTION