RX-6_RX-6B_RX-6R-Rev12.PDFA - 第145页
- 140 - NOTE( 注記 ) #01....FOR EN EN 用 #02....UNTIL M /C REV.I マシン REV .I 以前 #03....AFTER M/C R EV.J マシン REV.J 以降 REF.NO NOTE PART NO D E S C R I P T I O N 品 名 Qty 1 401-33294 IP-X11 SE T GEN ASM IP−X11汎用機セット組図 1 2 E9623-…

- 139 -
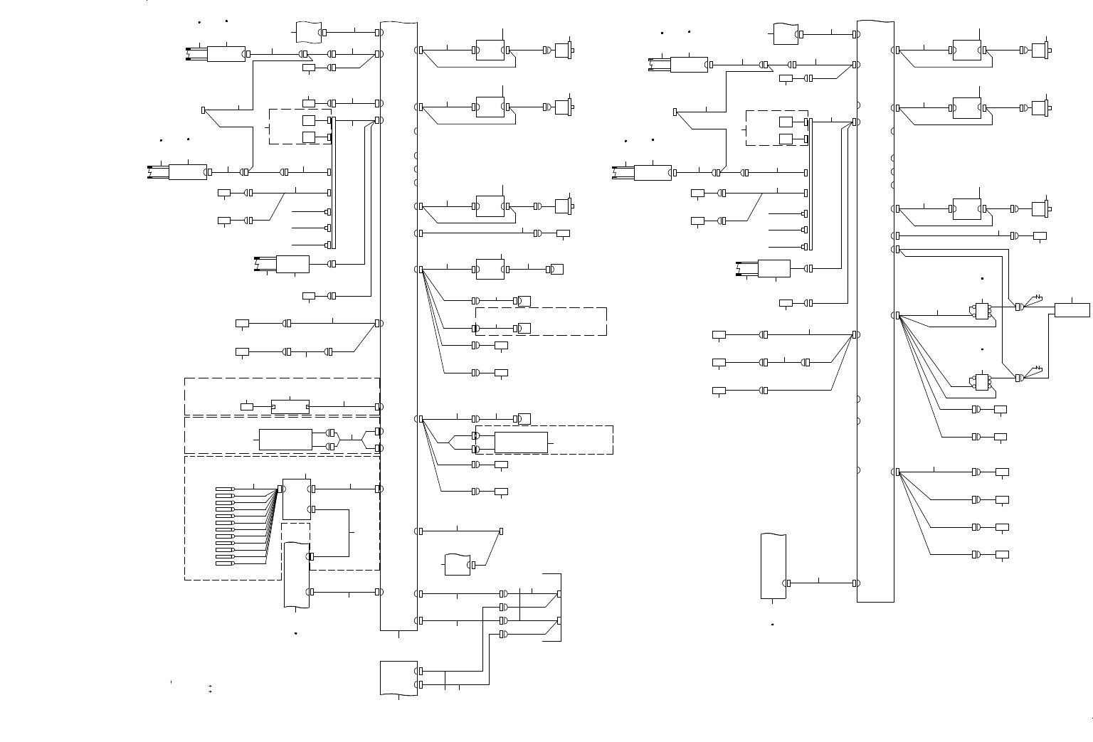
70.SYSTEM DIAGRAM(CPU & COPLA & IS IF BLOCK)
SYSTEM DIAGRAM(CPU & COPLA & IS IF BLOCK)
NOTE1 THIS CONNECTION CHANGE WITH IFS-NX RFID SPECIFICATION
FAN
CP-CPL-OUTCP-CPL-IN
FG
FG
IN-DC12V
5-4D
5-1A
5-3C
1-2D
5-4C
5-1D
5-4B
5-3B
5-4 A
4-1D
4-4B
5-4C
1-3D
5-3C
5-1B
5-2C
2-1A
CPU RS232C
RTR PWR
E
SHIELD
TUBE RR
E
FG
RBL-E
E
FG
RBL COVER
SHIELD
TUBE RL
E
FG
RBR-E
E
FG
RBR COVER
SHIELD
TUBE FR
E
FG
SHIELD
TUBE FL
E
FG
FBR-E
E
FG
FBR COVER
CTRL-FG
FAN
FAN
E
FG
CONTROL UNIT
TOP COVER
CTRL FAN2
CTRL FAN1
FAN
FAN
FAN4
FAN3
FAN
FAN
FAN2
FAN1
CN0061
FAN
FAN
FAN4
FAN3
TOP CV-FG
FAN
FAN
E
FG
TOP C OVER
FAN2
FAN1CN0062
CN0036
CN36
FAN
FAN3
RS CV-FG
FAN
FAN
E
FG
R SIDE
BOTTOM COVER
FAN2
FAN1
CN0058CN0022
CN22
FAN
DC FAN
FAN3
LS CV-FG
FAN
FAN
E
FG
LSIDEBOTTOM
COVER
DC FAN
FAN2
FAN1
CN0057
DC FAN
CN0021
CN21
FCV-FG
RCV-FG
FAN
FAN
E
FG
REAR BOTTOM
COVER
DC FAN
FAN2
FAN1
CN0056
DC FAN
CN0024
CN2 4
FAN
FAN
E
FG
FRONT BOTTOM
COVER
DC FAN
FAN2
FAN1CN0055
DC FAN
CN0023
CN2 3
ELECTRICAL UNIT
<TOP UNIT>
CN0054
FG
CP-CPL
(20A)
FAN
OPTION (REAR MONITOR)
AV2AV2
AV1AV1
CPU
CN5 4
SEE 5-2A
PSC-CN51
CN0011
PSC-CN1
CN1 CN51
COPLA PSU
CN11
BK-CN1
BK-CN11
CN1
CN11
MSPS
ATX-CN3
BK-CN4
BK-CN6
BK-CN9
BK-CN8
BK-CN2
PILOT LAMP R
PILOT LAMP F
CN8
CN9
COPLA
FAN
CN2
CN4
CN6
SUPER IMPOSE BOARD
AV2
12V IN
AV1
12V OUT
RS232 2
DVI OUT2
12V OUT
RS232 1
RS232PC
DVI OUT1
DVI IN
LAN3
LAN 2
COPLANARITY
SENSOR HEAD
ENCODER
POWER ETHERNET
DVI-DCN10
CN3
COPLA CPU
BOARD
DVI
CPU
BOARD
SIO3
RS232C
BOARD
CN8 RS232C
COPLA
MONI TOR
SWIT CH
BOARD
40097434
CN1
CN8
CN4
CN2
COVER
IS
LAN1
USB
NOTE1
USB CH2
USB CH1
SUPER IMPOSE
BOARD
COM 2
AV2
ATX-CN5
ATX UNIT
12V IN
AV1
CN8
NTSC1
NTSC0
IP-X11 PCB
E
12V OUT
OUT-DC12V RLCD-PWR
POWER
RLCD232C
RS232C
RS232 2
RSOUT2
LCD
MONITOR(R)
DVI OUT2
DVI OUT2 LCD R
DVI-D
E
12V OUT
OUT-DC12V FLCD-PWR
POWER
FLCD232C
RS232C
RS232 1
RSOUT1
LCD
MONITOR(F)
RS-PC1
RS232PC
CN0102
COM1
SSD
CPU BOARD
DVI OUT1
DVI OUT 1 LCD F
DVI-D
DVI IN
DVI IN
DVI-D
14
12
13
17
15
16
18 19
18 19
2
2
1
3 4
5 6
8
91 92
7
93
9
9
10
11
49
48
68 71 74
69
70
72
73
75
76
77
77
7777
77
77
77
31 32
31 32
78
79
ELECTRICAL UNIT
<TOP UNIT>
79
80
81
82
83
84
DC FAN
77
DC FAN
77
DC FAN
77
DC FAN
77
DC FAN
77
DC FAN
77
DC FAN
77
DC FAN
77
DC FAN
77
DC FAN
77
DC FAN
77
DC FAN
77
DC FAN
77
85 85 89
86 87 88 90
22
21
23
94 2020
ELECTRI CAL UNIT
<TOP UN IT>
31 32
OPTION (COPLANARITY)
26
25
29
27
COPLA CPU
BACKBOARD
35
36
40
46 47
24
45
28
33 34
38
41
43 44
42
ATX U NIT
50 66 67
64
51
52
58
60 61 62
54
57
53
55 56
59
65
63
96
30
3-2B
HUB BOX ASM OPTION
6-1C
5-1D
FG
CN0008
RFID_PWR
CN8
ELECTRICAL UNIT
<TOP UNI T>
5-2C
COVER
IS
CN1757(R)
CN1757(F)
CN1097
CH4
CH3
CH2
CH1
ETHERES-HUB
5-3C
5-2C
5-2C
X2LAN
BR(R)
BR(F)
1-1C (IS)
3-3B (CN1757)
3-3A (CN1757)
ATX-6CN6
SI02
SI01
BARCODE
READER
ATX UNIT
SIO2
SIO1
RS232C
BOARD
DC INPUT
DC INPUT
CH2
CH1
CH4
CH3
ETHERNET
MPC- 4C
X4
SWITCHING HUB
X2
X1 X5
LAN1
CPU BOARD
OPTION (IFS-NX RFID)
NOTE2 THESE P/N CHANGES WITH MACHINE REVISION.
"[MREV.C]"
RX-6 M ACHINE REVISION : BEF ORE "C"
"[MREV.D]"
RX-6 M ACHINE REVISION : "D"
X3
SWITCHING HUB
5-4C
LAN4
SSD
36
37
39
97
95
HUB BOX ASM OPTION

- 140 -
NOTE( 注記 ) #01....FOR EN EN 用
#02....UNTIL M/C REV.I マシン REV.I 以前
#03....AFTER M/C REV.J マシン REV.J 以降
REF.NO NOTE PART NO D E S C R I P T I O N
品 名
Qty
1 401-33294 IP-X11 SET GEN ASM
IP−X11汎用機セット組図
1
2 E9623-721-000 PORTRAIT MONITOR CABLE
画像モニタケーブル
1
3
#02
400-48030 UPS 232C CABLE ASM
UPS通信ケーブル組
1
4
#03
401-58157 ATX 232C CABLE ASM2
ATX 232C ケーブル組2
1
5
#02
401-29086 ATX-SPIMP PWR CABLE ASM
ATX−SPIMP パワーケーブル組
1
6
#03
401-58146 ATX-SPIMP PWR CABLE ASM2
ATX−SPIMP パワーケーブル組2
1
7 401-29881 ENVIRONMENT SYSTEM DISK ASM (RX6 SSD MES)
環境ディスク組(RX6 SSD MES)
1
8 401-29644 DVI CABLE 1M
DVIケーブル1M
1
9 HW-0022600-40 SHIELDED CABLE
シールドケーブル
1
10 HW-0018100-80 LAN CABLE
LANケーブル
1
11 401-97864 SUPER IMPOSE BOARD
スーパーインポーズボード
1
12 401-29642 DVI CABLE L2.5M
DVIケーブル2.5M
1
13 401-29084 SPIMP-F LCD SERIAL CABLE ASM
SPIMP−F LCDシリアルケーブル組
1
14 401-29085 SPIMP-F LCD PWR CABLE ASM
SPIMP−F LCDパワーケーブル組
1
15 401-29643 DVI CABLE L4.0M
DVIケーブル4.0M
1
16 401-29087 SPIMP-R LCD SERIAL CABLE ASM
SPIMP−R LCDシリアルケーブル組
1
17 401-29088 SPIMP-R LCD PWR CABLE ASM
SPIMP−R LCDパワーケーブル組
1
18
#02
401-22812 15INCH LCD MONITOR
15インチ LCDモニタ
1
19
#03
401-58158 15INCH LCD MONITOR
15インチ LCDモニタ
1
20 400-99903 PILOT LAMP
パイロットランプ
1
21 401-33049 FAN MOTOR RLY CABLE ASM
ファンモータ中継ケーブル組
1
22 401-33039 PILOT LAMP CABLE F ASM
パイロットランプケーブルF組
1
23 401-33040 PILOT LAMP CABLE R ASM
パイロットランプケーブルR組
1
24 400-97422 COPLANARITY SENSOR
コプラナリティセンサー
1
25 401-33037 OPTION PWR CABLE ASM
オプション電源ケーブル組
1
26 401-33065 COPLA INPUT RLY CABLE ASM
コプラインプット中継ケーブル組
1
27 HX-0070500-00 POWER SUPPLY
電源
1
28 401-60224 COPLA SSD ASM (WIN7)
コプラSSD組(Win7)
1
29 401-33066 COPLA CPU PWR CABLE ASM
コプラCPUパワーケーブル組
1
30 401-32990 COPLA CPU BACKBOARD PCB ASM
コプラCPUバックボード基板組
1
31 401-27537 PSU_UNIT_B(ST)
PSU_ユニット_B(ST)
1
32
#01
401-27563 PSU_UNIT_B(EN)
PSU_ユニット_B(EN)
1
33 401-29626 RS232C BOARD
RS232Cボード
1
34 401-23242 CPU BOARD
CPUボード
1
35 401-33047 MONITOR SW COM CABLE ASM
DVI切替器COMケーブル組
1
36 401-29644 DVI CABLE 1M
DVIケーブル1M
1
37 401-02830 LAN CABLE(CAT6)
LANケーブル(Cat6)
1
38 401-23242 CPU BOARD
CPUボード
1
39 401-02830 LAN CABLE(CAT6)
LANケーブル(Cat6)
1
40 401-33042 COPLA PWR CABLE ASM
コプラパワーケーブル組
1
41 401-33043 COPLA ENC CABLE ASM
コプラエンコーダケーブル組
1
42 401-29641 SUPER IMPOSE BOARD
スーパーインポーズボード
1
43
#02
400-48006 ATX PSU
ATX電源
1
44
#03
EZ-1468979-11 POWER (ENSP-300P-S20-11S)
電源(ENSP−300P−S20−11S)
1
45 400-97434 COPLA MONITOR SWITCH BOARD
コプラモニタ切替ボード
1
46
#02
401-33046 DVI CHANGER PWR CABLE ASM
DVI切替器電源ケーブル組
1
47
#03
401-58156 DVI CHANGER PWR CABLE ASM2
DVI 切替器パワーケーブル組2
1
48 HK-0651200-80 MODULAR KAPLA
モジュラーカプラ
1
49 401-29136 CPU-SP IMP SERIAL CABLE ASM
CPU−SP IMP シリアルケーブル組
1
50 401-23242 CPU BOARD
CPUボード
1
51 401-29282 RFID LAN CABLE (1.8M) ASM
RFID LANケーブル(1.8M)組
1
52 401-29125 EU TOP-HUB PWR WIRE ASM(IS)
EU トップ−HUB パワーワイヤー組(IS)
1
53 401-29626 RS232C BOARD
RS232Cボード
1
54 401-29129 BARCODE READER CABLE ASM
バーコードリーダーケーブル組
1
55
#02
400-48006 ATX PSU
ATX電源
1
56
#03
EZ-1468979-11 POWER (ENSP-300P-S20-11S)
電源(ENSP−300P−S20−11S)
1
57 400-73033 SWITCHING HUB
スイッチングハブ
1
58 400-72813 MPC RJ45 CABLE ASM
MPC用RJ45ケーブル組
1
59 400-73032 4 PORT MPC
4ポート MPC
1
60 401-29127 HUB-F RFID SERIAL WIRE ASM(IS)
HUB−F RFIDシリアルワイヤー組(IS)
1
61 401-29128 HUB-R RFID SERIAL WIRE ASM(IS)
HUB−R RFIDシリアルワイヤー組(IS)
1
62 401-29126 HUB-MTS SERIAL WIRE ASM(IS)
HUB−MTSシリアルワイヤー組(IS)
1
63 401-29283 MPC POWER CABLE ASM
MPC電源ケーブル組
1
64 HW-0018100-80 LAN CABLE
LANケーブル
1
65 HK-0651200-80 MODULAR KAPLA
モジュラーカプラ
1
66 401-27537 PSU_UNIT_B(ST)
PSU_ユニット_B(ST)
1
67
#01
401-27563 PSU_UNIT_B(EN)
PSU_ユニット_B(EN)
1
68 401-29089 EU TOP-F COVER FAN CABLE ASM
EU TOP−Fカバーファンケーブル組
1
69 401-29093 F COVER FAN CABLE ASM
Fカバーファンケーブル組
1
70
#01
401-29142 FRONT BOTTOM COVER FG WIRE ASM
フロントボトムカバーFGワイヤー組
1
71 401-29090 EU TOP-R COVER FAN CABLE ASM
EU TOP−Rカバーファンケーブル組
1
72 401-29154 R COVER FAN CABLE ASM
Rカバーファンケーブル組
1
73
#01
401-29143 REAR BOTTOM COVER FG WIRE ASM
リアボトムカバーFG ワイヤー組
1
74 401-29091 EU TOP-BASE L FAN CABLE ASM
EU TOP−BASE L ファンケーブル組
1
75 401-29094 BASE L FAN CABLE ASM
ベース L ファンケーブル組
1
76
#01
401-29144 L SIDE BOTTOM COVER FG WIRE ASM(EN)
LサイドボトムカバーFG ワイヤー組(EN)
1
77 401-29141 DC FAN ASM
DCファン組
1
78 401-29284 TOP COVER FAN RELAY CABLE ASM
トップカバーファン中継ケーブル組
1
79 401-29098 TOP COVER FAN CABLE ASM
トップカバーファンケーブル組
1
80
#01
401-29147 TOP COVER FG WIRE ASM (EN)
トップカバーFG ワイヤー組 (EN)
1
81 401-29092 EU TOP-BASE R FAN CABLE ASM
EU TOP−BASE R ファンケーブル組
1
82 401-29095 BASE R FAN CABLE ASM
ベース R ファンケーブル組
1
83
#01
401-29145 R SIDE BOTTOM COVER FG WIRE ASM(EN)
RサイドボトムカバーFG ワイヤー組 (EN)
1
84
#01
401-29146 CONTROL UNIT FG WIRE ASM (EN)
コントロールユニットFG ワイヤー組
1
85
#01
401-29300 FBR/RBR COVER E WIRE ASM(EN)
FBR/RBRカバーEワイヤー組(EN)
1
86
#01
401-29295 SHIELD TUBE FL WIRE ASM(EN)
シールドチューブFLワイヤー組(EN)
1
87
#01
401-29296 SHIELD TUBE FR WIRE ASM(EN)
シールドチューブFRワイヤー組(EN)
1
88
#01
401-29297 SHIELD TUBE RL WIRE ASM(EN)
シールドチューブRLワイヤー組(EN)
1
89
#01
401-29299 RBL COVER FG WIRE ASM(EN)
RBLカバーFGワイヤー組(EN)
1
90
#01
401-29298 SHIELD TUBE RR WIRE ASM(EN)
シールドチューブRRワイヤー組(EN)
1
91
#02
400-48006 ATX PSU
ATX電源
1
92
#03
EZ-1468979-11 POWER (ENSP-300P-S20-11S)
電源(ENSP−300P−S20−11S)
1
93 401-23242 CPU BOARD
CPUボード
1
94 401-33048 FAN MOTOR ASM
ファンモータ組
1
95 401-29642 DVI CABLE L2.5M
DVIケーブル2.5M
1
96 HX-0061000-00 BARCODE READER
バーコードリーダ
1
97 400-73033 SWITCHING HUB
スイッチングハブ
1

- 141 -
71.SYSTEM DIAGRAM(DUAL CONVEYOR)
SYSTEM DIAGRAM(DUAL CONVEYOR)
CN1165S
CN1172S
6-4A(CN1115)
NOTE1
CN1172P
CN1165P
CN1065S
NOTE1 THESE P/N CHANGES WITH MACHINE REVISION (DUAL LANE CONVEYOR ONLY).
"[MREV.K]"
MACHINE REVISION : BEFORE "K"
"[MREV.L]" MACHINE REVISION : "L"
CN15
NOTE1
6-2A(CN1015)
NOTE1
CN1068
STOP SENSOR
AMP(C)
NOTE1
CN1015
CN15
LOAD CELL OPTION
4-2D
CN1121
CN21
CLUTCH BRAKE
CN1177
CN1176
BU PIN DETECT SENSOR
RAIL3(EMI)
BU PIN DETECT SENSOR
RAIL3(REC)
CN1180
CN1178
STOPPER SENSOR RR(RAIL4)
STOPPER SENSOR RL(RAIL3)
STOPPER SENSOR FR(RAIL2)
CN1097
STOP PER SENSOR FL(RAIL1)
CN1062
CN1186
CN1175
CN1174
CN1173
CN1086CN1074
CN1073
RAIL LOCK
DETECT SENSOR
6-2D
CN116 4
RAIL4 OT+ SENSOR
6-1D
6-1A
CN1178-2
CN1178-1
CN12
CN20
CN17
CONVEYOR PCB(R)
CN26
CN1126
RAIL3 OT+
SENSOR
BOARD CLAMP
SENSOR(R)
CN25
CN1125
CN1197
CN1162
CN24
CN1124
BU +OT R
BU OT+ SENSOR
CN1168
BU PIN DETECT SE NSOR
RAIL4(EMI)
CN1199
BU PIN DETECT SE NSOR
RAIL4(REC)
CN1198
STOPPER L/R
S.V.(R)
BOARD CLAMP
S.V.(R)
CN1178
CN14
CN30
CN1130
BU ORG R
CN1129
CN29
CN2
CN1102
CN4
CN1104 CN1157
CN1 CN 2
CN1158 CN1159
AWC MOTOR(R)
CN7
CN11
CN8
CN6
CN31
CN1106 CN1152
CN1 CN 2
CN1153 CN1161
BU MOTOR(R)
CN1131 CN1150
CN1 CN 2
CN1118
CN18
CN1128
CN28
CN1151
CN1160
CNV MOTOR(R)
CN030 7
CN0013
ELECTRICAL UNIT
<TOP UNIT>
CN13
CN7
IO CONTROL PCB
CN1064
RAIL2 OT- SENSOR
CN1116
CN1119
6-4A
CN16
CN19
CONVEYOR PCB(R)
CN1196
CN1195
SMEMA
SMEMA
4-2D
6-4D
5-3D
ATC SV
SOT SV
ATC SV
CAL VAC
CN1078-8 SMEMA
CN1078-7 DIR
CN1078-6 IDLE
CN1078-5
CN1078-4
CN1078-2
CN1078-1
CN1096
CN1095
OPTION (SLIDE FLUXER FOR FRONT BASE)
FLUXER 2P
FLUXER 4P
SLIDE FLUXER
UNIT ASM
CN1020
FLUXER 2P
CN1021
FLUXER 4P
CN1012
LC AMP
OPTION(SOT CHECK)
OPTION(SLIDE FLUXER FOR REAR BASE)
OPTION(COMPONENT VERIFICATION SYSTEM)
LOAD CELL
LOADCELL
AMP
CN12
CN21
CN20
SLIDE FLUXER
UNIT ASM
CN1017
CN17
CN2
CVS02
CONVEYOR PCB(F)
CN0003
CN3
CN16
CN1016
CN19
CN1019
SMEMA R SIDE
SMEMA L SIDE
1-1C (MTS IF)
COVER
MTS IF
CN23
CN102 3
CN1215
CN15
SAFETY PCB
CN26
CN102 6
RAIL3 OT-
SENSOR
BOARD CLAMP
SENSOR(F)
CN25
CN102 5
ATC1 CLOSE SENSOR
CN108 8
ATC1 OPEN SENSOR
CN108 7
CN108 9
ATC1 S.V.
CN24
CN102 4
CN108 8
ATC2 CLOSE SENSOR
CN108 7
ATC2 OPEN SENSOR
CN108 3
SOT CHECK S.V.
CAL VACUUM S.V.
CN1082
CN1 C N2
CN1095
CAL LED
PCB
CN1081
ATC2 S.V.
BU +OT F
BU OT+ SENSOR
BU PI N DETECT S ENSOR
RAIL2(EMI)
CN1099
BU PI N DETECT S ENSOR
RAIL2(REC)
CN1098
CN1072P
STOPPER L/R
S.V.(F)
BOARD CLAMP
S.V.(F)
CN107 8
CN14
CN1014
CN1079
CN30
CN1030
CAL VACUUM S ENSOR
BU ORG F
BU ORG SENSOR
CN102 9
CN29
CN1065P
SIDE SENSOR(R)
PROBE1(+)
PROBE1(-)
PROBE2(+)
PROBE2(-)
PROBE3(+)
PROBE3(-)
PROBE4(+)
PROBE4(-)
PROBE5(+)
PROBE5(-)
PROBE6(+)
CVS03
C N3 CN1
CVS01
CVS PC B
CN2
CN1002
CN4
CN1004 CN105 7
CN1 C N2
CN1058
5PHASE AWC
DRIVER(F)
CN1059
AWC MOTOR(F)
CN7
CN11
CN8
CN6
CN31
CN1006 CN1052
CN1 C N2
CN1053
5PHASE BU
DRIVER(F)
CN1061
BU MOTOR(F)
CN1031 CN1050
CN1 C N2
PROBE6(-)
CN1018
CN18
CN28
CN1051
5PHASE CNV
DRIVER(F)
CN1060
CNV MOTOR(F)
CN0016
ELECTRICAL
UNIT
<TOP UNIT>
CN16
38
4 80
3
79
2
1
IO CONTROL PCB
CN3
CN0303 CN10284-1A
6-4A
5
81
6
82
7
8 9
SOLENOID VALVE ASSY 1/2
10
81
NOTE1
CN1072S
SIDE SENSOR(L)
4 80
3
79
13
14 15
16
171819
20
21
23
25
24
28
27
26
29
30
32
33
31
34
35 36
37
38
72
6361
73
62
62
59
60
55
55
56
53
29
50
52
51
53 54
55 55
48
46
23
47
42
44
41
4242
4543
3 79
4 80
SIDE SEN SOR(R)
NOTE1
81
66
1
65
BU ORG SENSOR
6
CN1115
83
67
10
SOLENOID VALVE ASSY 2/2
13 16
CN1178-5
CN1178-4
81
3 79
4
80
SIDE SENSOR(R)
6968
22
CN1078-8 SMEMA
CN1078-7 DIR
171819
CN1078-6 IDLE
84
20
84
STOP SENSOR
AMP(C)
21
70
22 23 39
71
35 36
74
42
75
43
5PHASE CNV
DRIVER(R)
45
42
5PHASE CNV
DRIVER(R)
76
78
42
5PHASE CNV
DRIVER(R)
77
49
23
RELAY
11 12
64
11
12
RELAY
14 15
57
40
58585858
NOTE1
NOTE1
NOTE1
NOTE1