RX-6_RX-6B_RX-6R-Rev12.PDFA - 第29页
- 24 - NOTE( 注記 ) #01....FOR EN EN 用 REF.NO NOTE PART NO D E S C R I P T I O N 品 名 Qty 1 401-2834 8 COVER_SWITCH_ASM カバースイッチ組 2 2 401-3419 8 SAFETY_COVER_SWI TCH_BRACKET セーフティカバースイッチブラケット (1) 3 NM-304052 0-SC FLANGE NUT …

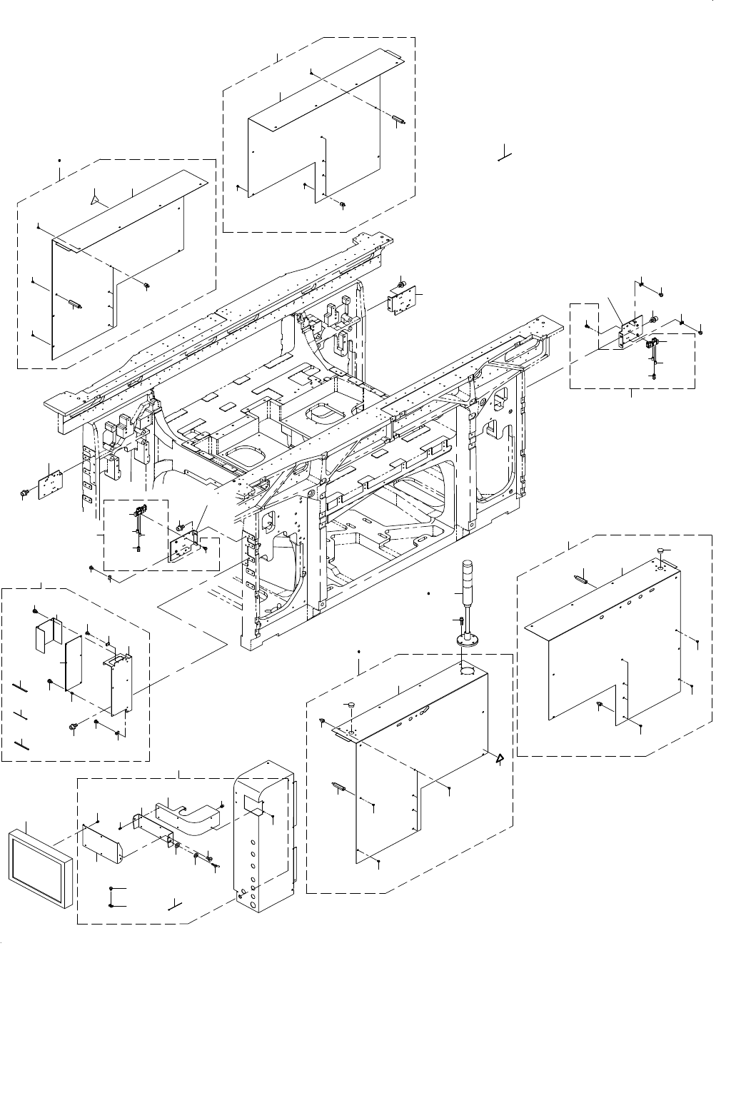
- 23 -
12.COVER COMPONENTS(5)
カバー関係(5)
2
2
3
3
4
4
5
6
6
1
5
8
10
11
9
12
11
12
9
10
8
8
10
9
12
11
40
13
16
16
17
18
19
21
21
22
22
23
24
24
25
26
26
27
27
27
27
14
15
15
33
33
33
33
33
33
33
34
34
34
34
34
37
37
37
37
36
36
38
38
38
38
38
38
38
34
B
38
38
B
37
33
25
37
7
7
7
7
43
44
42
45
46
48
43
48
A
A
47
41
35
32
2829
30
31
20
11
9
12
10
8
1
23
39

- 24 -
NOTE( 注記 ) #01....FOR EN EN 用
REF.NO NOTE PART NO D E S C R I P T I O N
品 名
Qty
1 401-28348 COVER_SWITCH_ASM
カバースイッチ組
2
2 401-34198 SAFETY_COVER_SWITCH_BRACKET
セーフティカバースイッチブラケット
(1)
3 NM-3040520-SC FLANGE NUT M4
フランジ付き ナット M4
(2)
4 SL-6042042-TN SCREW M4 L=20
座金付き六角穴ボルト M4 L=20
(2)
5 EA-9500B02-00 CABLE BAND
束線バンド
(2)
6 400-02254 COVER OPEN SW CABLE ASM
カバーオープンスイッチケーブル組
(1)
7 SL-3061232-TN SCREW M6 L=12
座金付きボタンボルト M6 L=12
8
8 401-28352 SAFETY_COVER_STOPPER_ASM
安全カバーストッパ組
4
9 400-92371 STOPPER_SUPPORT_C
ストッパサポートC
(1)
10 SL-6040892-TN SCREW M4 L=8
座金付き六角穴ボルト M4 L=8
(2)
11 SM-4030601-SN SCREW M3 X 6
なべ小ねじ M3X0.5 L=6
(1)
12 400-49671 COVER CUSHION
カバークッション
(1)
13 SL-4030691-SC SCREW M3 L=6
座金付きなべ小ねじ M3 L=6
1
14 HX-0067100-0A GROMMET
グロメット
0.09
15 401-28272 STUD_BOLT_B
スタッドボルトB
4
16 401-28274 COVER_FRAME_INSIDE
カバーフレームインサイド
2
17 401-28275 COVER_FRAME_FRONT_L
カバーフレームフロントL
1
18 401-28276 COVER_FRAME_FRONT_R
カバーフレームフロントR
1
19 401-28277 COVER_FRAME_REAR_L
カバーフレームリアL
1
20 401-28278 COVER_FRAME_REAR_R
カバーフレームリアR
1
21 401-28279 COVER_FRAME_C
カバーフレームC
2
22 401-28280 COVER_FRAME_S
カバーフレームS
2
23 401-28281 COVER_FRAME_SUL
カバーフレームSUL
2
24 401-28375 COVER_FRAME_SUR
カバーフレームSUR
2
25 401-28283 COVER_FRAME_LF
カバーフレームLF
2
26 401-28284 COVER_FRAME_RF
カバーフレームRF
2
27 401-28301 FRAME_SUPPORT
フレームサポート
4
28 HX-0066900-0A GROMMET
グロメット
0.22
29 HX-0067100-0A GROMMET
グロメット
0.39
30 EA-9500B00-00 CABLE BAND
束線バンド
2
31 EA-9500B02-00 CABLE BAND
束線バンド
22
32 HX-0029400-00 FIXED BASE
固定ベース
21
33 NM-3040520-SC FLANGE NUT M4
フランジ付き ナット M4
24
34 SL-3061232-TN SCREW M6 L=12
座金付きボタンボルト M6 L=12
12
35 SL-4030691-SC SCREW M3 L=6
座金付きなべ小ねじ M3 L=6
21
36 SL-6040892-TN SCREW M4 L=8
座金付き六角穴ボルト M4 L=8
2
37 SL-6061292-TN SCREW M6 L=12
座金付き六角穴ボルト M6 L=12
24
38 SM-3040652-TN SCREW M4 L=6
丸ねじ M4 L=6
16
39
#01
HX-0005500-0E RUBBER BUSHING
ゴムブッシュ E
1
40 HX-0029400-00 FIXED BASE
固定ベース
1
41 401-28336 COVER_CUC_ASM
カバーCUC組
1
42 SM-4040601-SC SCREW M4X0.7 L=6
なべ小ねじ M4X0.7 L=6
(14)
43 NM-3040520-SC FLANGE NUT M4
フランジ付き ナット M4
(16)
44 401-28285 COVER_CUC
カバーCUC
(1)
45 HX-0029400-00 FIXED BASE
固定ベース
(14)
46 EA-9500B00-00 CABLE BAND
束線バンド
(28)
47 SL-6040892-TN SCREW M4 L=8
座金付き六角穴ボルト M4 L=8
(8)
48 401-29141 DC FAN ASM
DCファン組
(8)

- 25 -
13.COVER COMPONENTS(6)
カバー関係(6)
7
6
3
6
4
5
6
1 2
9
11
12
10
11
8
67
67
13
13
16
20
20
17
18
19
20
14 15
21
27
26
24
23
26
25
26
22
41
33
38
39
29
30
31
32
34
35
35
36
37
40
28
54
43
44
45
46
47
48
49
50
51
51
52
52
53
42
59
56
57
57
58
68
55
56
57
57
59
58
55
68
61
61
62
63
64
64
64
65
65
65
60
66 69
11