RX-6_RX-6B_RX-6R-Rev12.PDFA - 第93页
- 88 - REF.NO NOTE PART NO D E S C R I P T I O N 品 名 Qty 1 401-32965 TR7_MONITOR_BRACKET_ASM TR7背面モニタ取付板金組 1 2 401-32970 TR7_MACHINE_FIX_BOX TR7背面モニタ用固定ボックス (1) 3 SL-6061692-TN SCREW M6 L=16 座金付き六角穴ボルト M6 L=16 (3) 4 401-…

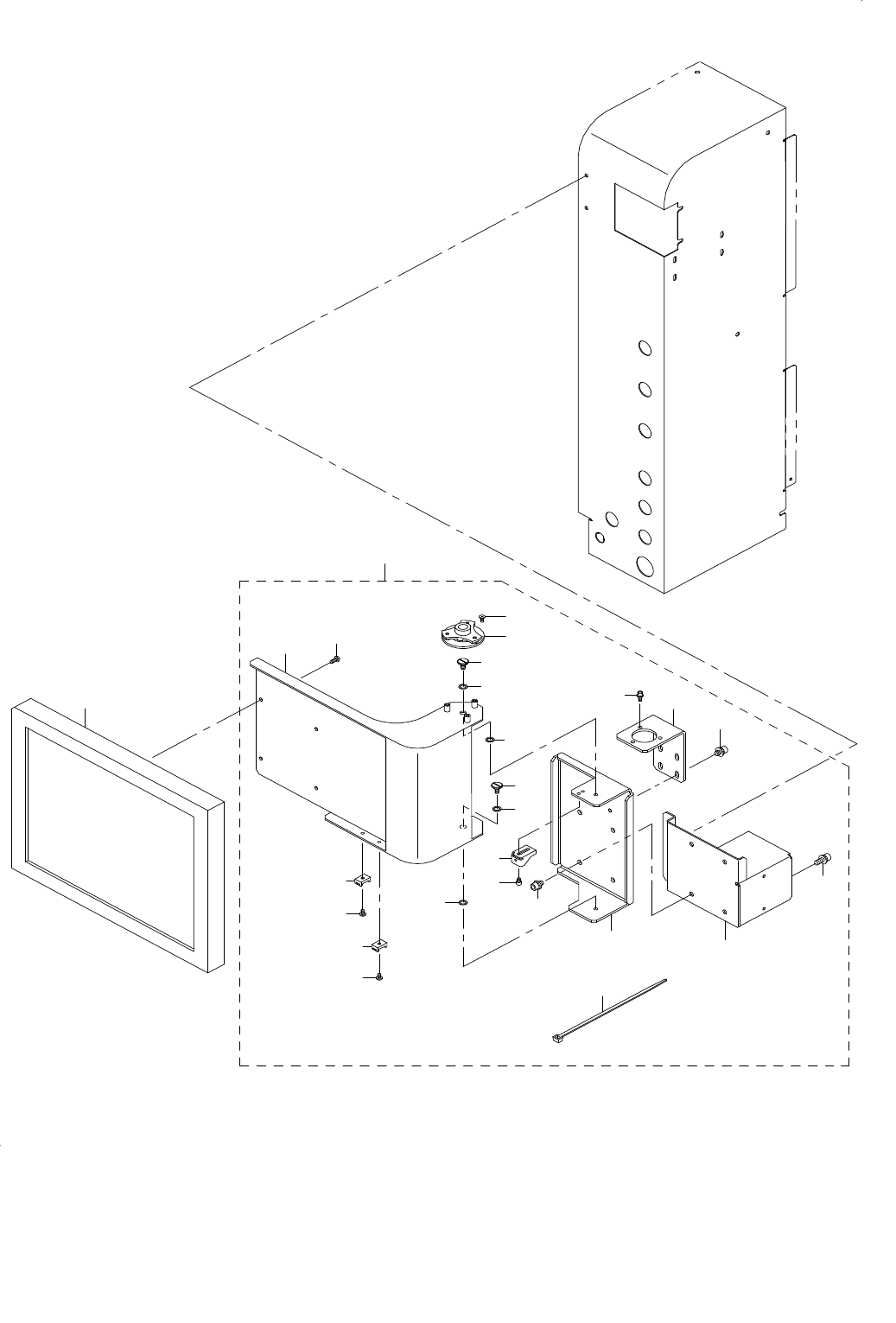
- 87 -
44.REAR MONITOR COMPONENTS
背面モニタ関係
17
4
3
9
5
1
20
11
14
12
10
8
13
13
15
16
12
13
13
16
15
6
7
2
18
19

- 88 -
REF.NO NOTE PART NO D E S C R I P T I O N
品 名
Qty
1 401-32965 TR7_MONITOR_BRACKET_ASM
TR7背面モニタ取付板金組
1
2 401-32970 TR7_MACHINE_FIX_BOX
TR7背面モニタ用固定ボックス
(1)
3 SL-6061692-TN SCREW M6 L=16
座金付き六角穴ボルト M6 L=16
(3)
4 401-32966 TR7_MONITOR_B
TR7モニタB
(1)
5 SL-6061692-TN SCREW M6 L=16
座金付き六角穴ボルト M6 L=16
(4)
6 401-32968 TR7_MONITOR_C
TR7モニタC
(1)
7 SL-6061092-TN SCREW M6 L=10
座金付き六角穴ボルト M6 L=10
(4)
8 401-32969 HINGE
ヒンジ
(1)
9 SL-6041092-TN SCREW M4 L=10
座金付き六角穴ボルト M4 L=10
(3)
10 SM-1040801-SN SCREW M4X0.7 L=8
皿ねじ M4 L=8
(3)
11 401-32971 TR-7_MONITOR_BRACKET
TR−7モニタブラケット
(1)
12 SD-0800327-TP SHOULDER SCREW D=8 H=3.2
段ねじ D=8 H=3.2
(2)
13 E3404-700-000 THRUST WASHER
スラストワッシャー
(4)
14 SM-3041052-TN SCREW M4 L=10
丸ねじ M4 L=10
(4)
15 HX-0029400-00 FIXED BASE
固定ベース
(2)
16 SM-4040601-SC SCREW M4X0.7 L=6
なべ小ねじ M4X0.7 L=6
(2)
17 EA-9500B01-00 CABLE BAND
束線バンド
(5)
18 400-92371 STOPPER_SUPPORT_C
ストッパサポートC
(1)
19 SM-6040502-TN SCREW
六角穴ボルト
(2)
20 401-58158 15INCH LCD MONITOR
15インチ LCDモニタ
1

- 89 -
45.MINI PAT, SOT CHECK TABLE & FIXTURE COMPONENTS
ミニパト・SOT 検査台・フィクスチャ関係
1
1
2
2
15 16
14
14
14
17
19
18
18
17
19
14
14
14
3
4
5
6
7
9
8
10
12
13
11
12