4OM-996-007 - 第127页
• Lubrication of Miniature Stroke Bearing (1) Apply "DAPHNE EPONEX GREASE No. 1" (0.01 cc) to the cage in the MSB outer cylin- der . (a) Use a metallic stick such as a hexa- gon wrench for the lubrication. Do n…

(2) Blow air to the MSB shaft and MSB outer
cylinder to blow off the internal dirt and
kerosene.
Fig. 4A76
0305-001 1-60
AIM01ETRP
1.4 Maintenance Method

• Lubrication of Miniature Stroke Bearing
(1) Apply "DAPHNE EPONEX GREASE No. 1"
(0.01 cc) to the cage in the MSB outer cylin-
der.
(a) Use a metallic stick such as a hexa-
gon wrench for the lubrication. Do
not use a cotton swab.
(b) "0.01 cc" is almost equivalent to the
size of "1005 Chip".
(2) Attach the MSB inserting jig (Standard Acces-
sory: 630 085 8846) to the MSB shaft and in-
sert it into the MSB outer cylinder.
Note that the combination of the MSB
shaft and the MSB outer cylinder should
not be changed.
(3) Apply "DAPHNE EPONEX GREASE No. 1"
thinly to the MSB shaft and smooth out the
grease by rotating or moving the outer cylin-
der.
It is also required to apply the same
grease to the upper area of the MSB
shaft for lubrication of the seals.
Note: Do not allow the grease to enter
into the hole of the MSB shaft.
(4) Pull out the MSB shaft from the MSB outer
cylinder with the MSB insertion jig being at-
tached.
MSB Inserting Jig
Apply "DAPHNE EPONEX GREASE
No. 1" thinly to the lower surface.
Fig. 4A77
Apply "DAPHNE EPONEX GREASE No. 1"
thinly to the upper surface.
Rotate the MSB outer cylinder
and move it right and left.
Do not allow the grease
to flow into the hole.
Fig. 4A78
1.4 Maintenance Method
0305-001 1-61 AIM01ETRP
Note
Note
Note

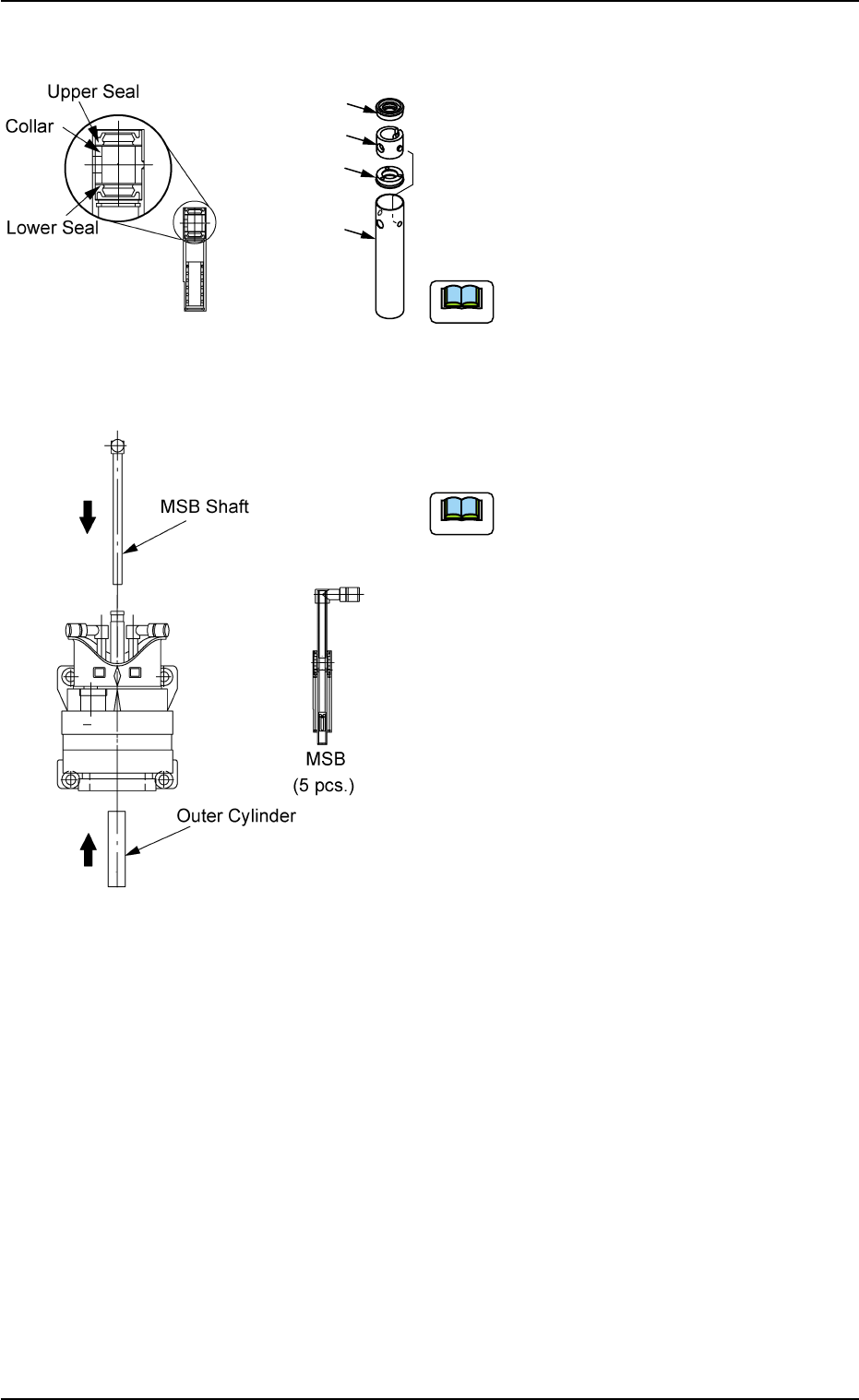
• Attachment of Miniature Stroke Bearing
(1) Attach the seals and the collar to the MSB
outer cylinder.
(1-1) Wipe the seals with a dry cloth and apply
"DAPHNE EPONEX GREASE No. 1" to
the internal side of the seals.
When the grease is not applied to the
seals, the smooth movement of the
MSB outer cylinder cannot be ex-
pected.
(1-2) Attach the lower seal, the collar, and the
upper seal to the MSB outer cylinder in
this order.
(a) When the seals are attached, do
not damage the seals by the MSB
outer cylinder.
(b) Do not make a mistake in deter-
mining the direction of the seals.
(c) After the lower seal is attached,
confirm that the lower seal is
affixed horizontally before the collar
attachment.
When the lower seal is not at-
tached horizontally, the smooth
movement of the MSB outer cylin-
der cannot be expected.
(d) When the collar is attached, con-
firm that the boss is neatly set in
the hole of the MSB outer cylinder.
Fig. 4A79
Fig. 4A80
1.4 Maintenance Method
Upper Seal
Collar
Lower Seal
MSB Outer
Cylinder
0305-001 1-62 AIM01ETRP
Note
Note