P-0295-004.pdf - 第11页
MODEL FP-G 200R 0801-002 Fig. ER エレベータ部 ELEV A TOR SECTION ER illust-1

MEMO

MODEL FP-G200R
0801-002
Fig. ER
エレベータ部
ELEV
ATOR SECTION
ER illust-1

MODEL FP-G200R
0801-002
エレベータ部
ELEV
ATOR SECTION
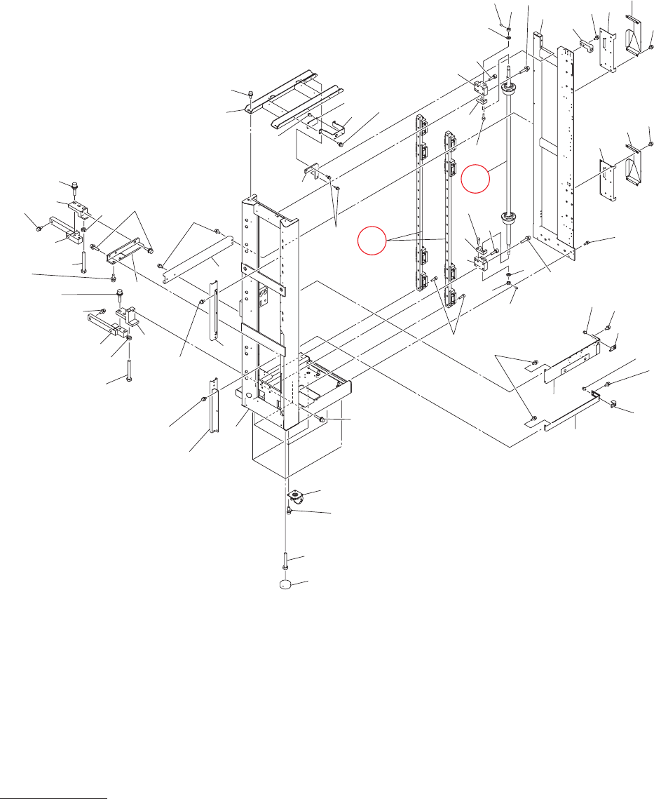
Fig. ER-1
フレーム部
Frame Section
82
81
.
64
.
80
79
.
62
.
80
79
.
62
.
80
79
.
62
.
74
73
.
54
.
80
79
.
60
.
82
81
.
64
.
74
73
.
53
.
74
73
.
53
.
78
77
.
58
.
80
79
.
63
.
72
71
.
52
.
76
75
.
56
.
74
73
.
54
.
80
79
.
63
.
74
73
.
54
.
74
73
.
53
.
74
73
.
53
.
76
75
.
56
.
80
79
.
63
.
61
29
66
49
27
26
66
49
28
17
1
16
22
23
21
1
1
25
76
75
.
57
.
4
61
3
12
65
55
5
34
24
35
44
47
47
45
65
12
3
59
55
6
4
33
41
42
46
13
30
43
15
14
74
73
.
54
.
74
73
.
.
74
73
.
54
.
72
71
.
51
.
74
73
.
54
.
72
71
.
51
.
注) Key No.33,34(○印)は重要保守部品となっております。交換方法については高度な
技術を要しますので、当社サービス員にご相談下さい。
Notice) The Key No. 33 and 34 (with a circle) is an important maintenance component.
Because high-grade technique is required for the replacement of this component,
consult our service personnel.
ER-1 illust-1