P-0295-004.pdf - 第15页
MEMO

MODEL FP-G200R
1004-004
Key No. PART No. PART NAME Q’ty REMARKS New Code
NOTE
72 4111413902 WASHER V 3X7X0.5 6 FW3 221H0312
73 4111412905 WASHER SPR 4 29 SW4 221H0284
74 4111414008 WASHER V 4X9X0.8 29 FW4 221H0315
75 4111416705 WASHER SPR 5 12 SW5 221H0287
76 4111414107 WASHER V 5X10X1 12 FW5 221H0318
77 4111413001 WASHER SPR 6 16 SW6 221H0289
78 4111414305 WASHER V 6X12.5X1.6 16 FW6 221H0320
79 4111413100 WASHER SPR 8 18 SW8 221H0291
80 4111414503 WASHER V 8X17X1.6 18 FW8 221H0323
81 4111413209 WASHER SPR 10 4 SW10 221H0293
82 4111414701 WASHER V 10X21X2 4 FW10 221H0325
ER-1
ER-1 list-2

MEMO

MODEL FP-G200R
0801-002
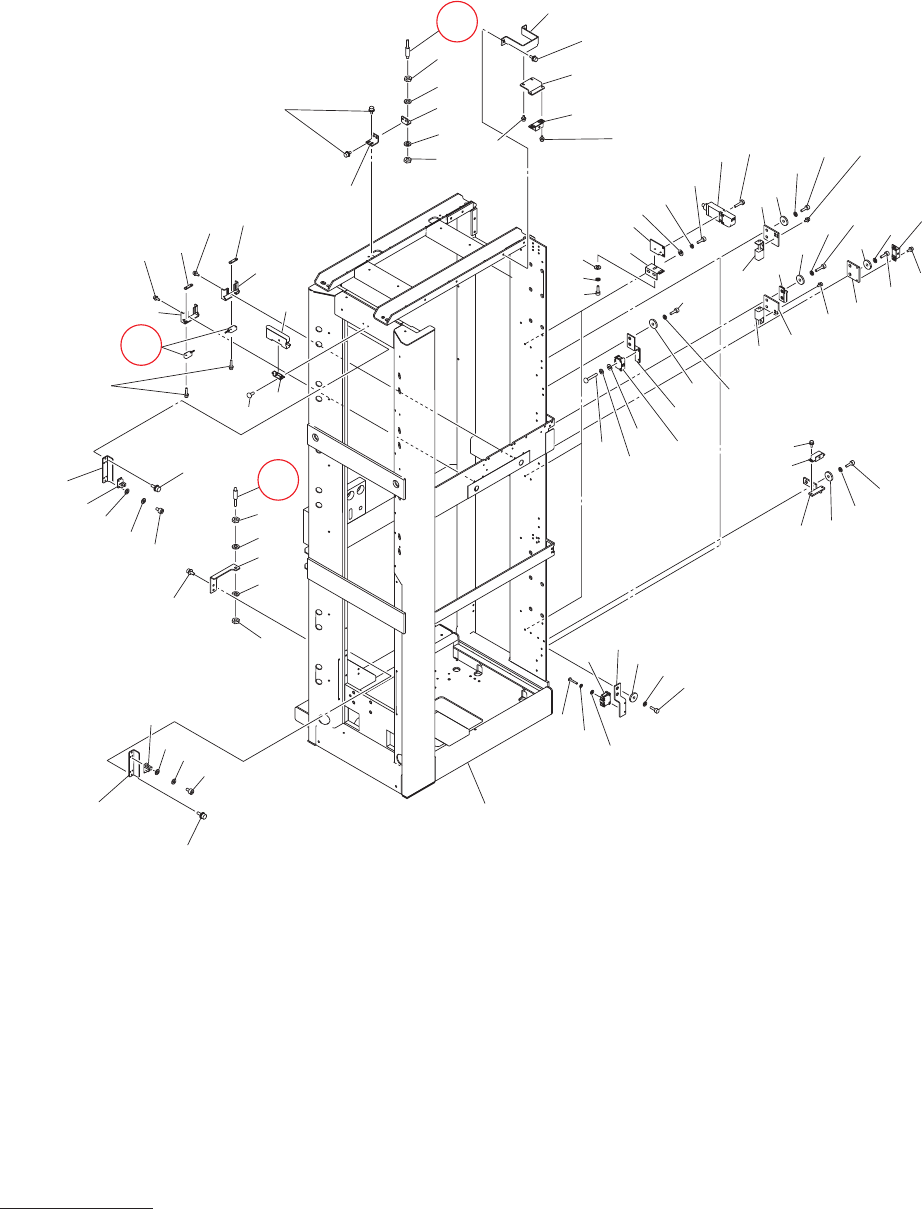
エレベータ部
ELEV
ATOR SECTION
Fig. ER-2
スイッチ、センサ部
Switch, Sensor Section
168
166
.
154
.
168
166
.
155
.
168
166
.
154
.
170
169
.
157
.
168
166
.
154
.
168
166
.
154
.
168
166
.
153
.
168
166
.
154
.
168
166
.
153
.
168
166
.
153
.
168
166
.
153
.
170
169
.
157
.
170
169
.
156
.
142
127
1
10
141
148
142
160
152
103
166
167
109
126
162
169
1
13
169
162
109
103
167
166
152
161
166
168
1
14
137
171
169
158
134
171
169
158
128
133
158
121
146
171
169
159
171
128
161
166
168
1
14
136
171
132
170
169
158
108
151
131
171
169
169
158
138
128
102
126
162
169
1
11
169
162
1
12
131
121
169
158
168
166
.
154
.
140
118
170
169
158
See Fig. ER-1
Key No.1
注) Key No.110,126(○印)は重要保守部品となっております。交換方法については
高度な技術を要しますので、当社サービス員にご相談下さい。
Notice) The Key No. 110 and 126 (with a circle) is an important maintenance component.
Because high-grade technique is required for the r
eplacement of this component,
consult our service personnel.
ER-2 illust-1