P-0295-004.pdf - 第27页

MODEL FP-G 200R 1004-004 Key No. P AR T No. P AR T NAME Q’ty REMARKS New Code NOTE 502 6301310244 BASE 1 806ER-510-002 210A2248 507 6301291550 ROTOR 1 806ER-510-007 213G0200 508 6301281902 BRACKET 1 806ER-510-008 21 1F84…

100%1 / 168
MODEL FP-G200R
0801-002
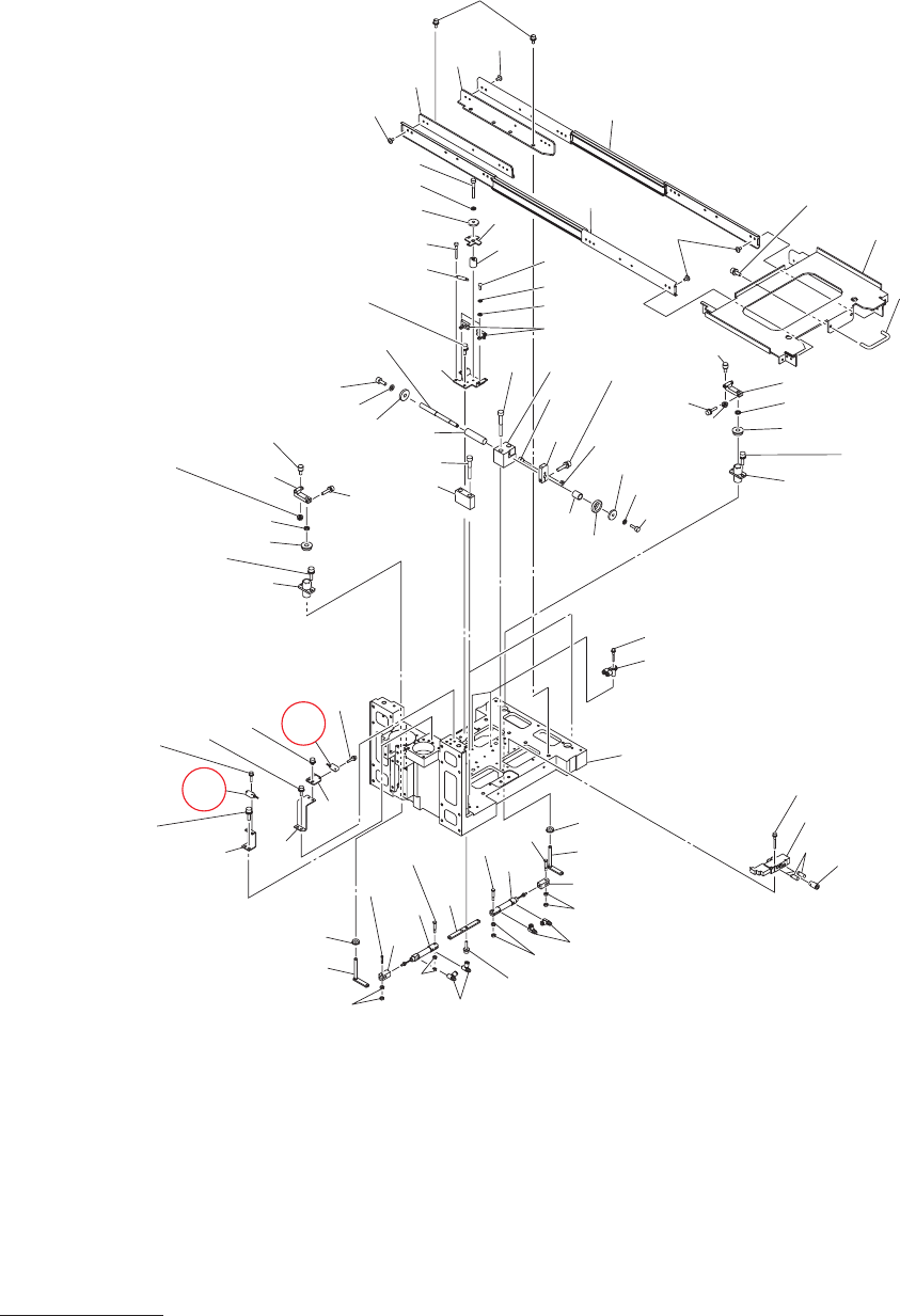
エレベータ部
ELEV
ATOR SECTION
Fig. ER-6
エレベータ駆動部2
Elevator Driving Section 2
567
566
See Fig. ER-1
Key No.33
572
571
.
559
.
568
566
.
552
.
572
571
.
561
.
570
569
.
555
.
572
571
.
559
.
570
569
.
557
.
570
569
.
556
.
570
569
.
554
.
572
571
.
560
.
570
569
.
558
.
572
571
.
559
.
524
553
536
544
573
574
543
514
508
567
566
551
See Fig. ER-1
Key No.34
512
507
559
535
537
511
545
525
513
564
531
538
546
562
563
564
518
563
See Fig. ER-1
Key No.17
502
ER-6 illust-1
MODEL FP-G200R
1004-004
Key No. PART No. PART NAME Q’ty REMARKS New Code
NOTE
502 6301310244 BASE 1 806ER-510-002 210A2248
507 6301291550 ROTOR 1 806ER-510-007 213G0200
508 6301281902 BRACKET 1 806ER-510-008 211F8492
511 6301291628 BLOCK 1 806ER-510-011 211G3646
512 6301291635 SHAFT 1 806ER-510-012 213A1090
513 6301281964 SHAFT 1 806ER-510-013 213A1068
514 6301291642 BRACKET 1 806ER-510-014 211F8648
518 6301474878 BRACKET 1 806ER-510-018 211FB070
524 6301620558 COVER 1 806ER-510-324 211AC662
525 6301292267 COVER 1 806ER-510-325 211A8875
531 6301280622 MOTOR,AC-SERVO 1 -M02 806ER-510-201 4M150212
535 6301280660 PULLEY,TIMING 1 806ER-510-205 223Q0575
536 6301280677 PULLEY,TIMING 1 806ER-510-206 223Q0576
537 6301280684 BELT,TIMING 1 806ER-510-207 223L0274
538 6300960808 COUPLING 1 806ER-510-208 223C0165
543 6300690545 SENSOR,PHOTO 1 -B0202 806ER-510-213 23G10056
544 6301282213 BOLT 2 806ER-510-214 221E0305
545 6301129679 BEARING,RADIAL 3 806ER-510-215 222D0380
546 6301501413 MECH PARTS(CABLEVEYOR) 1 806ER-510-216 226J2305
551 6300007503 BOLT,HEX-SCT 2 M3X6 221A0005
552 6300007527 BOLT,HEX-SCT 2 M3X10 221A0007
553 6300007589 BOLT,HEX-SCT 4 M3X30 221A0013
554 6300007619 BOLT,HEX-SCT 1 M4X8 221A0016
555 6300007633 BOLT,HEX-SCT 2 M4X12 221A0018
556 6300007640 BOLT,HEX-SCT 1 M4X14 221A0019
557 6300007657 BOLT,HEX-SCT 6 M4X16 221A0020
558 6300007664 BOLT,HEX-SCT 2 M4X20 221A0021
559 6300007763 BOLT,HEX-SCT 15 M5X16 221A0031
560 6300007770 BOLT,HEX-SCT 4 M5X20 221A0032
561 6300007794 BOLT,HEX-SCT 4 M5X30 221A0034
562 6300007909 BOLT,HEX-SCT 16 M6X25 221A0045
563 4110024307 SCR FLT 5X10 4 M5X10 FLT 221D0226
564 4111410604 NUT HEX 5 4 M5 221F0107
566 4111412806 WASHER SPR 3 8 SW3 221H0281
567 4111415807 WASHER F 3X6X0.5 6 FWS3 221H0338
568 4111413902 WASHER V 3X7X0.5 2 FW3 221H0312
569 4111412905 WASHER SPR 4 12 SW4 221H0284
570 4111414008 WASHER V 4X9X0.8 12 FW4 221H0315
571 4111416705 WASHER SPR 5 19 SW5 221H0287
572 4111414107 WASHER V 5X10X1 19 FW5 221H0318
573 4111413209 WASHER SPR 10 2 SW10 221H0293
574 4111414701 WASHER V 10X21X2 2 FW10 221H0325
ER-6
ER-6 list-1
MODEL FP-G200R
0801-002
エレベータ部
ELEV
ATOR SECTION
Fig. ER-7
マガジン搭載部2
Magagine Mounter 2
注) Key No.611(○印)は重要保守部品となっております。交換方法については高度な
技術を要しますので、当社サービス員にご相談下さい。 
Notice) The Key No. 611 (with a circle) is an important maintenance component.
Because high-grade technique is required for the r
eplacement of this component,
consult our service personnel.
672
671
.
651
.
674
673
.
654
.
674
673
.
654
.
674
673
.
653
.
672
671
.
651
.
677
676
.
659
.
674
673
.
666
.
674
673
.
666
.
674
673
.
657
.
672
671
.
652
.
677
676
.
660
.
680
679
.
663
.
677
676
.
658
.
623
614
601
601
622
614
657
673
675
633
634
652
613
677
676
.
658
.
664
671
672
612
632
640
662
637
656
675
636
661
631
639
603
666
673
654
609
635
678
676
658
621
615
611
641
642
611
643
602
628
665
625
625
604
665
605
624
665
605
625
604
625
665
610
628
602
610
614
638
674
673
.
655
.
606
607
608
602
629
630
626
602
629
630
627
603
674
673
.
655
.
677
676
.
659
.
674
673
.
655
.
See Fig. ER-6
Key No.502
ER-7 illust-1