P-0295-004.pdf - 第62页
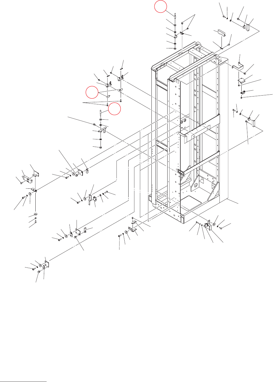
MODEL FP-G200L 0801-002 エレベータ部 ELEV A TOR SECTION Fig. EL-2 スイッチ、センサ部 Switch, Sensor Section 168 166 . 153 . 170 169 158 170 169 158 132 1 18 108 151 136 162 169 1 13 169 162 126 1 10 168 166 . 155 . 168 166 . 154 . 168 …

MEMO

MODEL FP-G200L
0801-002
エレベータ部
ELEV
ATOR SECTION
Fig. EL-2
スイッチ、センサ部
Switch, Sensor Section
168
166
.
153
.
170
169
158
170
169
158
132
1
18
108
151
136
162
169
1
13
169
162
126
1
10
168
166
.
155
.
168
166
.
154
.
168
166
.
154
.
170
169
.
157
.
168
166
.
153
.
168
166
.
154
.
168
166
.
154
.
168
166
.
153
.
168
166
.
153
.
170
169
.
157
.
170
169
.
156
.
140
142
142
141
121
131
171
169
158
161
121
131
171
169
158
146
168
1
14
171
134
171
169
158
128
169
158
159
169
171
161
166
168
1
14
137
171
169
158
128
138
102
160
148
127
1
12
126
162
169
1
11
169
162
000
128
See Fig. EL-1
Key No.1
133
166
168
166
.
154
.
167
166
152
109
103
167
166
152
109
103
168
166
.
154
.
注) Key No.110,126(○印)は重要保守部品となっております。交換方法については
高度な技術を要しますので、当社サービス員にご相談下さい。
Notice) The Key No. 110 and 126 (with a circle) is an important maintenance component.
Because high-grade technique is required for the r
eplacement of this component,
consult our service personnel.
EL-2 illust-1

MODEL FP-G200L
1004-004
Key No. PART No. PART NAME Q’ty REMARKS New Code
NOTE
102 6301292700 BRACKET 1 806EL-510-102 211F8663
103 6300690545 SENSOR,PHOTO 2 -B0201,-B0302
806EL-510-213 23G10056
108 6301282237 SWITCH,LIMIT 3 -S0501,-S0502,-S0503
806EL-510-218 4S1F0052
109 6301291567 BRACKET 2 806EL-510-009 211F8645
110 6301013794 SENSOR,PELEC 2 -B0518,-B0519
806EL-510-220 23G00198
111 6301297323 BRACKET 1 806EL-510-111 211F8747
112 6301297354 BRACKET 1 806EL-510-112 211F8750
113 6301297361 BRACKET 1 806EL-510-113 211F8751
114 6300838947 SWITCH,MICRO 2 -S0504,-S0505
806EL-510-224 4S1E0039
118 6301312514 BRACKET 3 806EL-510-048 211F8936
121 6301284552 ACCESSORY,SOL 3 -Y0101,-Y0102,-Y0103
806EL-510-231 23D00006
126 6300725773 SENSOR,PELEC 2 -B0420 806EL-510-241 23G00153
127 6301253954 SENSOR,PELEC 1 -B0420 Amp
806EL-510-242 23G00247
128 6300036107 MECH PARTS(MAGN 3 806EL-510-243 226J0001
131 6301345369 PLATE 3 806EL-510-031 211DA319
132 6301312507 BRACKET 3 806EL-510-032 211F8935
133 6301293783 BRACKET 1 806EL-510-033 211F8681
134 6301294230 BRACKET 1 806EL-510-034 211F8688
136 6301294247 BRACKET 1 806EL-510-036 211F8689
137 6301294254 BRACKET 1 806EL-510-037 211F8690
138 6301293806 BRACKET 1 806EL-510-038 211F8683
140 6301284798 BRACKET 1 806EL-510-040 211F8560
141 6301284804 BRACKET 1 806EL-510-041 211F8561
142 6301284774 PLATE 2 806EL-510-042 211D9743
146 6301294476 BRACKET 1 806EL-510-046 211F8694
148 6301056456 SENSOR,PELEC 1 806EL-510-248 23G00207
151 4111424304 BOLT HEX 4X16 6 M4X16 HEX
152 6300008500 BOLT,HEX-SCT 4 M3X5 221A0105
153 6300007503 BOLT,HEX-SCT 10 M3X6 221A0005
154 6300007510 BOLT,HEX-SCT 12 M3X8 221A0006
155 6300007541 BOLT,HEX-SCT 4 M3X14 221A0009
156 6300007619 BOLT,HEX-SCT 4 M4X8 221A0016
157 6300007626 BOLT,HEX-SCT 4 M4X10 221A0017
158 6300007633 BOLT,HEX-SCT 24 M4X12 221A0018
159 6300007657 BOLT,HEX-SCT 2 M4X16 221A0020
160 4110418908 SCR PAN 3X6 2 M3X6 PAN 221E0497
161 4111130700 SCR PAN 3X16 4 M3X16 PAN 221E0491
162 4111410406 NUT HEX 4 4 M4 221F0104
166 4111412806 WASHER SPR 3 34 SW3 221H0281
167 4111415807 WASHER F 3X6X0.5 4 FWS3 221H0338
168 4111413902 WASHER V 3X7X0.5 34 FW3 221H0312
169 4111412905 WASHER SPR 4 38 SW4 221H0284
170 4111414008 WASHER V 4X9X0.8 20 FW4 221H0315
171 6300010213 WASHER 14 BW4 221H0004
EL-2
EL-2 list-1