yv180xg_e - 第11页
PAGE 9 YV180Xg (KGD) Camera Unit DCAM1 J507 J508 CONTROL BOX(L.CTL1) CONTROL BOX(D_CAM1) CONNECTION BOARD(CNF41) CN1 CN6 1 2 3 O N J514 J515 DCAM2 CONTROL BOX(L.CTL2) CONTROL BOX(D_CAM2) 1 2 3 O N CN6 CN1 P81 P80 RS…

PAGE 8
YV180Xg (KGD)
Operation Panel Sel.
CRT1
MOUSE
KEYBOARD
A12
A10
FRONT OPERATION SWITCHES
MOUSE
KEYBOARD
CRT2
A11
A13
FRONT SIDEREAR SIDE
J112
J118
J49
J113
J261
J262
REAR OPERATION SWITCHES
P31
CONTROL BOX(VGA)
CONTROL BOX(KEY/MS)
SWITCHER BOARD
CRT2
KB2
MS2
RS2
EX
J50
RS PC CRT PC KB/MS PC
CRT1
KB1
MS1
RS1
AC100V IN
VGA
AC100V IN
VGA
See Page 2
See Page 2
QF22,XT21(U12,V10)
QF21,XT21(U11,V10)
MOUSE
KEYBOARD
A12
A10
FRONT OPERATION SWITCHES
FRONT SIDEREAR SIDE
LCD1
DC12V IN
SERIALVGA
DC12V IN
SERIAL VGA
LCD2
FRONT & REAR LCD TOUCH PANEL(OPTION)
LCD1
CONTROL BOX(SERIAL1)
J112
J118
CONTROL BOX(VGA)
J28
CONTROL BOX(KEY/MS)
J261
P31
REAR OPERATION SWITCHES
CONTROL BOX(EXT.PWR)
See Page 2
See Page 2
MOUSE
KEYBOARD
RS1
MS1
KB1
CRT1
CRT2
KB2
MS2
RS PC
KB/MS PC
RS2
EX
See Page 2
See Page 2
A11
A13
J262
CRT PC
FRONT & REAR CRT(STANDARD)
SWITCHER BOARD
See Page 10
J111
I/O CONVEYOR B(CN1,CN16)
J192
J192
I/O CONVEYOR B(CN1,CN16)
J111
J113
J223
J224
J225
See Page 7
See Page 7
See Page 10
NOTE1:In case of old system,See Part No KGD-000-CN0.
Oct./2003

PAGE 9
YV180Xg (KGD)
Camera Unit
DCAM1
J507
J508
CONTROL BOX(L.CTL1)
CONTROL BOX(D_CAM1)
CONNECTION BOARD(CNF41)
CN1
CN6
1
2
3
O
N
J514
J515
DCAM2
CONTROL BOX(L.CTL2)
CONTROL BOX(D_CAM2)
1
2
3
O
N
CN6
CN1
P81
P80
RS485IN
D-CAM1 ASSY
D-CAM2 ASSY
RS485OUT
24VIN
RS485IN
RS485OUT
24VIN
KV1 LED_DRIVER BOARD ASSY
KV1 LED_DRIVER BOARD ASSY
DIGITAL MULTI
D_CAM2
CAMERA 2
D_CAM1
DIGITAL MULTI
CAMERA 1
J506
J503
J505
J504
L.CTL1
+24VLDC1 +24V
+24VLDC2 +24V
J40
CN7
CN7
J509
J516
+24V
FAN
+24V
FAN
L.CTL2
See Page 2
See Page 2
See Page 3
See Page 2
See Page 2

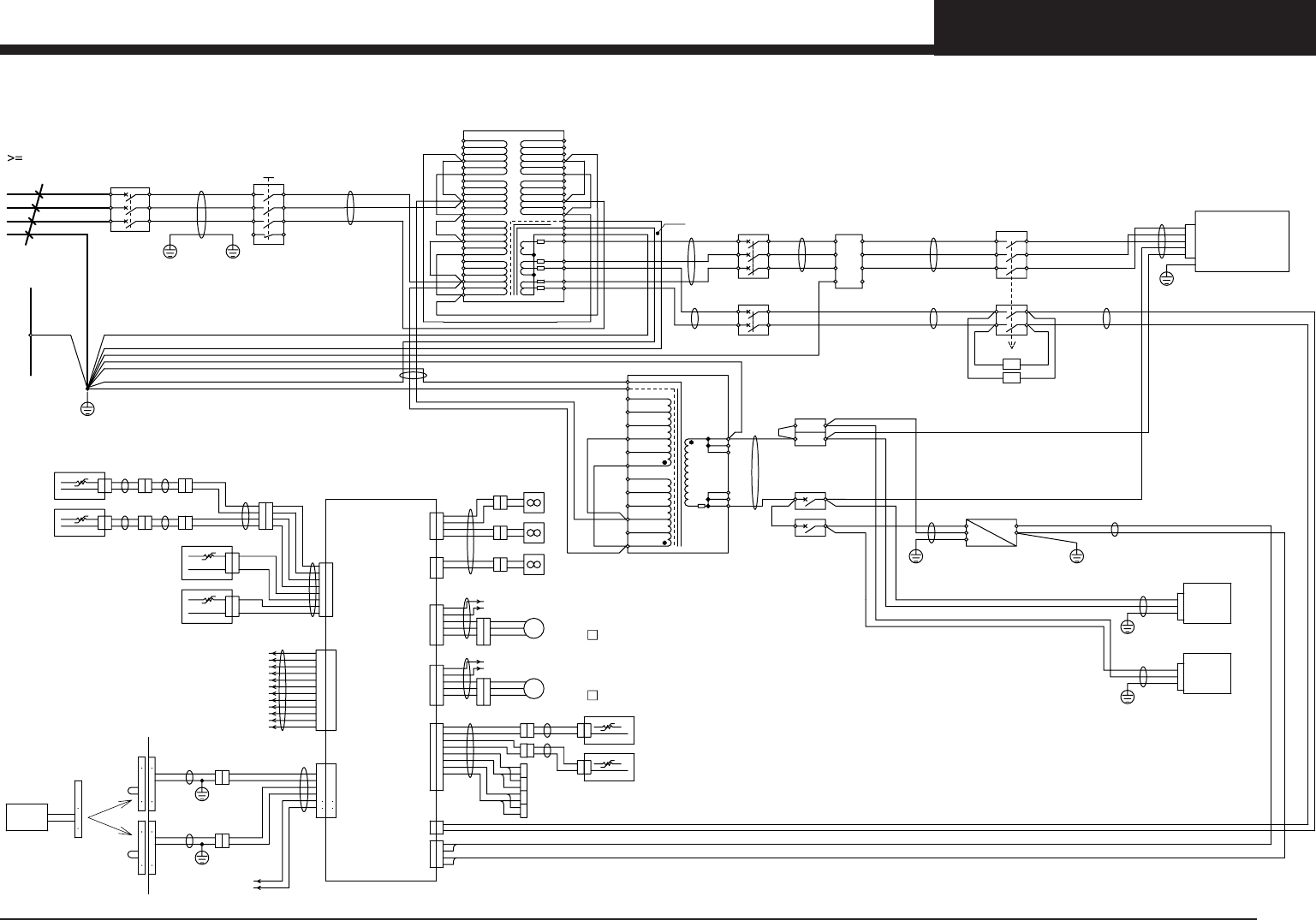
PAGE 10
YV180Xg (KGD)
Power Circuit
J79
J51
J78
NF11
N
W50
V50
V60
U60
U50
240V
220V
208V
200V
190V
0V
240V
220V
208V
200V
190V
0V
240V
220V
208V
200V
190V
0V
240V
220V
208V
200V
190V
0V
240V
220V
208V
200V
190V
0V
240V
220V
208V
200V
190V
0V
220V
220V
200V
220V
200V
W
V
U
TM11
J15
J16
J14
W52
V52
U52
W51
V51
U51
QF31 10A
V60
U60
V61
U61
QF32 2A
3
2
14
5
6
EE
MAX250V/10A
V64
U64
12
5
4
3
2
1
12
5
4
3
2
1
MM
A
E
F
G
H
A
E
F
G
H
M
A
E
F
G
H
M
A
E
F
G
H
2
1
2
1
+24V
2
1
2
1
+24V
J274
0V
+24VO
J271
0V
+24VO
0V
+24VO
0V
+24VO
J176
EMERGENCY CIRCUIT
J41
8
7
6
5
4
3
2
1
CNF16
8
7
6
5
4
3
2
1
1
2
3
4
1
2
3
4
HEAD
2
1
2
1
CN2 +24V
2
1
2
1
CN2 +24V
P21
1.85A
0V
+24V
2
1
2
1
I/O HEAD A
1.85A
0V
+24V
2
1
2
1
I/O HEAD B
P22
J45
J46
J44
J55
2
1
2
1
+24V
2
1
2
1
+24V
J42
0V
+24VF
0V
+24VF
0V
33
2
1
2
1
P23
1.85A
+24V
CN2
CN2
0V
33
1.85A
P22
+24V
2
1
2
1
I/O CONVEYOR A
I/O CONVEYOR B
0V
+24VG
0V
+24VG
SENSOR POWER
J30
0V
0V
0V
0V
0V
0V
12
1111
12
10 10
9
8
7
6
9
8
7
6
5
4
3
2
1
5
4
3
2
1
+24VJ
+24VJ
+24VJ
+24VJ
+24VJ
+24VJ
J47
J48
FG
V10
U12
0V
+24V
J50
CRT2
FG
V10
J49
FG
V10
CRT1
J80
J611
100V
100V
0V
0V
240V
0V
190V
200V
208V
220V
240V
0V
190V
200V
208V
220V
0V
100V
TC11
V10
V10
U11U10
QF21 5A
U12
J612
U10
XT21
MAX690V/15A
V10
V10
V10
V10
FAN
2
1
2
1
0V
0V
CNF29
4
3
2
1
4
3
2
1
FAN
FAN1
2
1
2
1
FAN
2
1
2
1
0V
3
2
1
3
2
1
CNF33
+24VJ
+24VJ
FAN2
FAN3
J22
J58
W(BLACK)
V(GRAY)
U(WHITE)
W01
V01
MTG2
MTG1
2
1
2
1
33
UCM
44
B1
A2
B2
A3
B3
A1
B1
A2
B2
A3
B3
A1
For Conveyor Motor
+24VI
M8
U62
CONVEYOR MOTOR 1
15W 70 MAX:1700rpm
W(BLACK)
V(GRAY)
U(WHITE)
W01
V01
U62
MTG2
MTG1
2
1
2
1
33
UCM
44
B1
A2
B2
A3
B3
A1
B1
A2
B2
A3
B3
A1
For Conveyor Motor
M16
J59
CONVEYOR MOTOR 2
15W 70 MAX:1700rpm
B1
A2
B2
A3
B3
A1
B1
A2
B2
A3
B3
A1
A4
B4
A5
B5 B5
A5
B4
A4
0V
0V
0V
0V
J40
+24VK
+24VK
+24VK
+24VK
2
1
2
1
2
1
2
1
2
1
2
1
2
1
2
1
J508
2
1
2
1
+24V
0V
4.0A
LDC1
CN1
P80
2
1
2
1
+24V
0V
4.0A
CN1
LDC2
P81
4
3
2
1
4
3
2
1
2
1
2
1
0V
+24V
U64
V64
CNF1
CNF4
CNF5
CNF21
KGA-M4550-xxx
P40
CONNECTION BOARD ASSY
CNF15
CNF41
CNF40
J515
3.77KVA
J81
AWG13(2.5sq)
W50
V50
U50
W51
V51
U51
BREAKER PANEL
J82
J77
J89
6
4
21
3
5
W54
V54
U54
W52
V52
U52
KM10A
KM10
V61
U61
J18
J19
73 74
83 84
J17
U11
U12
QF22 5A
MAX440V/12A
J4
J77
J4
S1
R1
J604
R1
T1
A
E
F
M
A8
MSP
(OPTION)
2T1
4T2
6T3
MAX690V/40A
QF11 Set13A
J3
N
N
1
6
2
3
4
5
1
3
5
2
4
6
QS11
MAX690V/40A
J3
1L1
3L2
5L3
R
S
T
U10
J11
0V
+24V
FG
N
L
GS21
DC24V 14A
A1
CONTROL BOX
AC220V:MOTOR DRIVER POWER
5
4
3
2
1
J21
ACIN
AC100V:CONTROL
J99
S21
S22
See Page 12
See Page 12
See Page 3
See Page 3
See Page 3
See Page 11
0.75KVA
See Page 11
See Page 2
J605
J610
J609
J608
S1
J607
J606
J602
J601
J603