yv180xg_e - 第4页
PAGE 2 YV180Xg (KGD) Control Box PE AC IN AC IN AC100/220V FRONT PANEL Pendant Support Maintenance A8 J272 MSP J271 REAR MSP J275 J274 HA1 BUZZER FDD 1.44MB A4 J108 FDD CONNECTION BOARD(CNF15) J29 D.MAN +24V USB1 USB MSP…

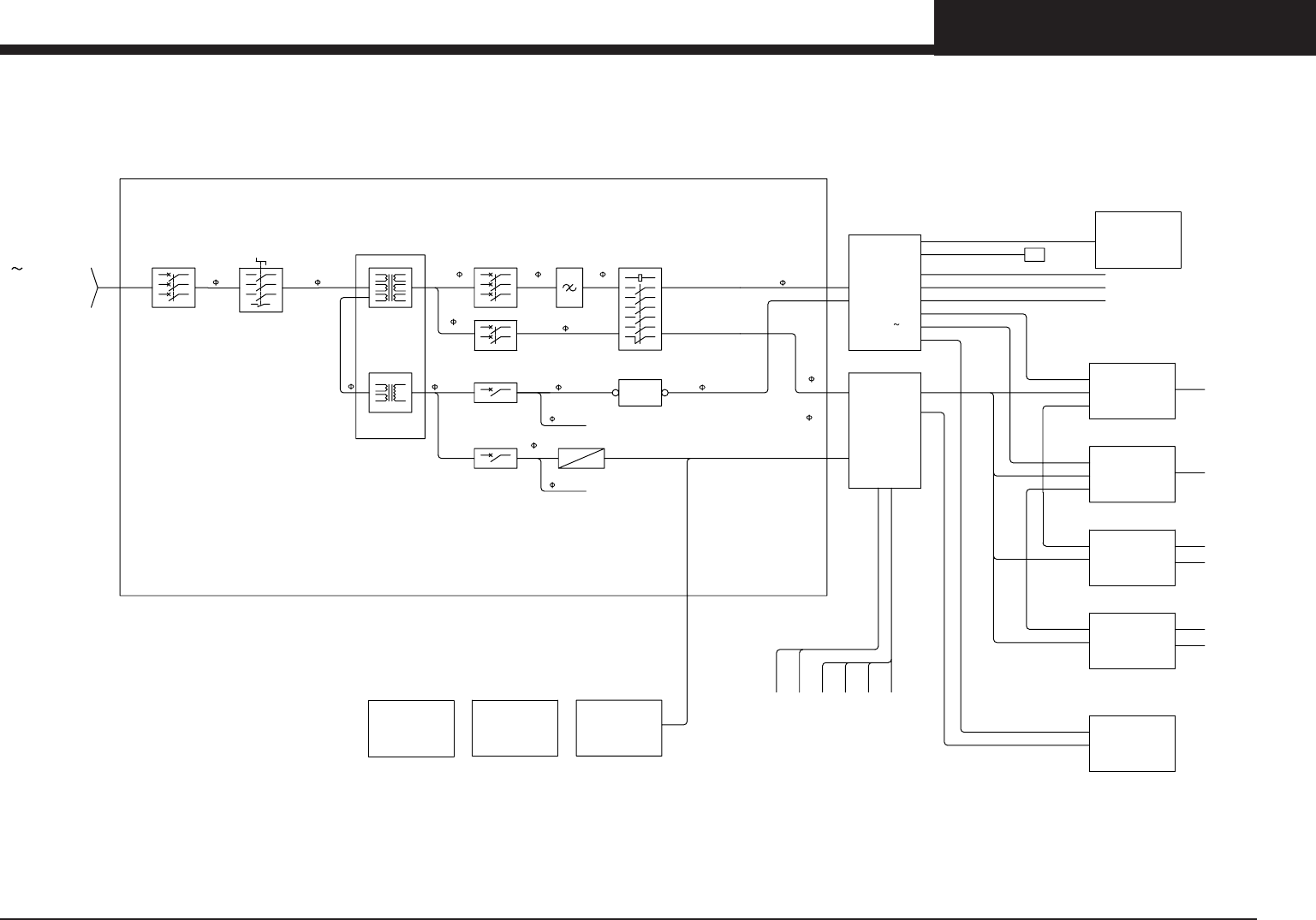
PAGE 1
YV180Xg (KGD)
Over View
Filter
Noise
Protector
Circuit
NF11
QF31 10A
1
AC220V
AC200V
1 AC200V
A1
3 AC220V
QF21 5A
AC100V
QF32 2A
P40
XT21
Terminal
COVER S/W
EMG S/W
Transformer
Transformer
TC11 1KVA
SIGNAL TOWER
FRONT PANEL
POWER TRANSFORMER
TERMINAL
CONNECTION BOARD
DC24V
Power Supply
380/400/416V
200/208/220/240
3 50/60Hz
P21
COMU
DC24V
P22
COMU
DC24V
COMU
COMU
DC24V
P23
INPUT:
AC50/60Hz 4.0A(MAX)
AC50/60Hz 13A(MAX)
CONTROL:1PH 100V
MOTOR:3PH 220V
OUTPUT:
1A:0.24KW(TOTAL)
1B:3.48KW(TOTAL)
DRIVER
CONTROL BOX
FRONT PANEL
Each Cameras
Each Motors
CAMERA UNIT
TM11 3.77KVA
15W
15W
CONVEYOR MOTOR 1
CONVEYOR MOTOR 2
COMU
DC24V
I/O CONVEYOR B
P24
HEAD A SENSOR,VALVE
HEAD B SENSOR,VALVE
I/O HEAD A
I/O HEAD B
I/O CONVEYOR A
CONVEYOR VALVE
CONVEYOR SENSOR
CONVEYOR SENSOR
FIXED CONVEYOR SENSOR
B-TABLE ORG/OT
A-TABLE ORG/OT
TRANSFER HOOK SENSOR
OPERETION PANEL
COMU
FDD
A4
3PH 200V 0 150Hz
1C:4.00KW(TOTAL)
Contactor
KM10/KM10A
3
Main Breaker
QF11
CRT2
CRT1
Main Switch
QS11
QF22 5A
GS21 DC24V 14A
Set 13A
Rating 4.4KVA MAX.
OPERATION PANEL SEL.
FES20 FEEDER STRUCTURE
EMERGENCY CIRCUIT
FEEDER STRUCTURE
See Page 11
See Page 13,14
See Page 15
See Page 10
See Page 12
See Page 2
See Page 3
See Page 8
See Page 4
See Page 5
See Page 6
See Page 9
See Page 7
3
3
1
1
AC200V
1
AC200V
AC200V
1 AC200V 1 AC200V
1 AC200V
1 AC200V
1 AC200V
AC220V
3
AC220V
3

PAGE 2
YV180Xg (KGD)
Control Box
PE
AC IN
AC IN
AC100/220V
FRONT PANEL
Pendant
Support
Maintenance
A8
J272
MSP
J271
REAR
MSP
J275
J274
HA1
BUZZER
FDD
1.44MB
A4
J108
FDD
CONNECTION BOARD(CNF15)
J29
D.MAN
+24V
USB1 USB
MSP F
MSP
D.MAN
+24V
USB2 USB
MSP
MSP R
SERVO 1C
PI1C
PI2C
KGA-M4100-7xx
I/O2
I/O1
EMG
I/O2
I/O1
APPL
EMG/C/R
VISION
A_CAM1
A_CAM2
L.CTL2
V.OUT
A_CAM3
D_CAM2
D_CAM3
L.CTL1
(VICS3200)
A CAM1
PI1C
PI2C
J283
SERVO 1B
PI1B
PI2B
J124
J123
PI2B
PI1B
SERVO 1A
PI1A
PI2A
PI2A
J122
PI1A
J121
DRIVER 1A
MO2A
J142
J144
MO2B
DRIVER 1B
DRIVER 1C
MO2B
MO2A
J143
MO1B
MO1B
MO1C
MO1C
MO1A
J141
MO1A
J152
M1
100
MAX 3333rpm
X1-AXIS 2KW
WP
WM
WBK
42 MAX 750rpm
PUBK
PUP
PUM
54 MAX 500rpm
WW
PU PU
PU PU
WW
BK
FLEXIBLE
M11
M12
W2-AXIS 60W
PU2-AXIS 200W
J136
J148
J207
J282
J154
PU2
W2
86 MAX 4500rpm
M3
Y2-AXIS 1KW
YP
YM
Y2
WBK
M17
X2-AXIS 2KW
100 MAX 3333rpm
X2P
J125
X1P
WP
WM
WBK
W3-AXIS 60W
42 MAX 750rpm
PUBK
PUP
PUM
M4
PU1-AXIS 200W
54 MAX 500rpm
M13
J137
J149
WW
PU PU
J281
PU PU
J155
WW
J206
FLEXIBLE
DUCT Y1
M2
YP
YM
86 MAX 4500rpm
Y1-AXIS 1KW
PU1
Y1
W3
M14
W4-AXIS 60W
WP
WM
WBK BK
J133
W4
J126
R
R
R
R
RP
RM
MAX 4500rpm
FLEXIBLE
ZP
ZM
MAX 4500rpm
FLEXIBLE
A_CAM2
DUCT X2
M10
M9
Z2-AXIS 60W
R2-AXIS 60W
DUCT Z2
J160
J151
Z2
Z2
R2
R2
J135
ZR2
J147
ZR2
R1
R1
R
R
J159
J150
R
R
RP
RM
42
MAX 4500rpm
R1-AXIS 60W
M6
FLEXIBLE
DUCT Z1
ZP
ZM
Z1
Z1
Z1-AXIS 60W
42 MAX 4500rpm
M5
A_CAM1
FLEXIBLE
DUCT X1
J510
J134
ZR1
J146
ZR1
ZR1
J127
J130
J128
ZR2
X2
X1
ZR2
W2
PU2
W4
W3
J152
J152
J143
J143
J143
J144
J144
Y2
PU1
Y1
J141
J141
ZR1
J142
W3
W4
T
X1
Y1
Y2
PU1
Z2
R2
W2
PU2
X2 X2P
J126
Y1
PU1
W3
J125
X1P
J133
W4
J131
T
J130
J128
Z2P
R2P
Y2
J138
Y2
Y2
M7
WP
WM
W1-AXIS 60W
42
MAX 750rpm
W1
J132
W1
J142
J129
J129
J141
J220
CONNECTION BOARD(CNF39)
J220
J220
A CAM2
A CAM1A CAM1
J501
J502
J511
A CAM2A CAM2
D_CAM1
J99
DUCT Y2
(OPTION)
J21
J280
J501
J502
VE1
VE2
MAX 4500rpm
M15
LTP
LTM
T-AXIS 60W
42
J131
T
T
J144
Z1
R1
W1
Z1P
R1P
J127
J132
W1
J101
J167
J102
LDC1
I/O CONVEYOR A(CNX1)
CONNECTION BOARD(CNF48)
I/O CONVEYOR B(CNX1)
D_CAM1
D_CAM2
LDC2
J504
J506
J505
J503
EXT.PWR
SERIAL2
PARALLEL
EXT.PWR
CD-ROM
CONTROL BOX A1
UPS
J28
FDD
FDD
SYSTEM
KEY/MS
VGA
SERIAL1
USB2
USB1
KEY/MS
J273
J270
USB2
USB1
LAN
J112
J118
COM
MONITOR SELECTION.
J225
J110
See Page 10
See Page 3
BUZZER
TK01/-24C
See Page 3
See Page 8
See Page 9
See Page 9
See Page 9
See Page 9
See Page 3
See Page 6
See Page 7
42 MAX 750rpm
42
42
Oct./2003

PAGE 3
YV180Xg (KGD)
Connection Board
CNF50
ADJUSTMENT
CONVEYOR SPEED
CONVEYOR1 H
J167
CNF48
J30
CNF40
J168
CNF35
T1822
PREVB
PREVA
NEXTB
NEXTA
J224
J223
J222
J201
BUSY OUT/LR OUT
BA IN/UR IN
COUNT RESET
BA OUT/UR OUT
BUSY IN/LR IN
PREVIOUS INTERFACE
NEXT INTERFACE
CNF30
CNF37
CNF39
CNF29
CNF47
CNF24
I/O HEAD,CONVEYOR POWER
J41
CNF16
CNF15
J170
CNF10
CNF13
CNF8
CNF38
CNF12
J52
CNF6
J58
CNF4
J51
CNF1
CONNECTION BOARD ASSY P40
3 5 6
ON
OFF
12
DIP SW(S3:EMG)
4
3 5 6
ON
OFF
12
DIP SW(S4:TF)
4
KGA-M4550-xxx
OPTION +24V
CNF60
WAFFLE TF
CNF59
COVER LIGHT
CNF58
READY
CNF57
R AREA DO
F AREA DI
R AREA SENSOR
F AREA SENSOR
CNF56
CNF55
CNF54
CNF53
CONV VR
CNF50
TF4
CNF49
EMG
CNF48
BUZZER
CNF47
OP FEEDER PWR
CNF46
EMG SPARE
CNF45
TF6
CNF44
TF5
CNF43
FEEDER PWR
CNF42
LED DRIVER
CNF41
SENSOR PWR
CNF40
BRAKE
CNF39
I/O CVA3
CNF38
UR OUT
CNF37
Y1 OT
CNF35
EPW3
CNF34
EPW2
CNF33
EPW1
CNF32
FAN2
CNF31
FRONT PANEL
CNF30
FAN1
CNF29
TF3
CNF28
TF2
CNF27
TF1
CNF26
EMG OP
CNF25
PATLITE
CNF24
+24V IN
CNF21
OPTION +24V
CNF19
I/O PWR TF
CNF18
I/O PWR
CNF16
YPU/HHK
CNF15
SERVICE KEY
CNF14
CONTACTOR1
CNF13
I/O CVA2
CNF12
I/O H2OT
CNF11
I/O H1OT
CNF10
CONTACTOR2
CNF9
I/O CVA1
CNF8
C2
CNF7
C1
CNF6
CMTR2
CNF5
CMTR1
CNF4
CV JP2
CNF3
CV JP1
CNF2
CV ACIN
CNF1
CNF21
J48
CNF57
CNF33
CNF41
J40
F/R MSP
GS21
KM12A(AC200V)
CONTROL BOX(EMG)
I/O CONVEYOR B(CN4)
J203
J24
DV120202
DV120202
A2
A6
NOTE1
CONV1 FG
CNF5
J59
CNF7
J53
V01/W01
VA1/WA1
TG TG
TG
1 C/M CM1
TG
M8
M16
CM22 C/M
CONVEYOR MOTOR 1
CONVEYOR MOTOR 2
C1
C2
1.5 F
1.5 F
I/O CONVEYOR A(CN6,CN15,CN16)
CNF9
J29
I/O HEAD A/B
FAN
FAN
FAN
FAN
FAN
EV1
FAN1
EV2
FAN2
EV3
FAN3
J22
J220
J190
I/O CONVEYOR B(CN6)
CNF46
J31
TRANSIT CONV. SENSOR POWER
J65
CONVEYOR1 L
CONVEYOR2 H
CONVEYOR2 L
H1
L1
H2
L2
CONV1 H
CONV1 L
CONV2 H
CONV2 L
J61
J62
J63
J64
J65
SQ150
COVER
TOP COVER LIMIT SW
J163
J164
TABLE COVER LIMIT SW
SQ151
T.COVER
SB11
EMG
EMG
EMG SWITCH RIGHT
EMG SWITCH LEFT
J165
J166
SB12
FRONT SIDE
COVER
TOP COVER LIMIT SW
TABLE COVER LIMIT SW
T.COVER
EMG
EMG
EMG SWITCH RIGHT
EMG SWITCH LEFT
REAR
SB13
SB14
SQ152
SQ153
J175
J176
J177
J178
COVER
COVER
TOP F
TBL F
J179
STOP
RGHT F
STOP
LFT F
158
COVER
COVER
STOP
STOP
J169
J180
TOP R
TBL R
RGHT R
LFT R
STOP F
COVER F
COVER R
STOP R
J167
J167
I/O CONVEYOR B(CN16)
J192
W/PU BRAKE
HL11
T1830
T1822
T1820
T1821B
BUZZER
HL11
HL11
J93
J94
CONV2 FG
CONV3 FGCONV4 FG
J95
J96
D
C
B
A
S1 S2
15W 70 MAX:1700rpm
15W 70 MAX:1700rpm
RUN(GREEN)
CNF53
CNF54
J174
J175
KM10
ALARM(RED)
ERROR(YELLOW)
J220
N1015
KEY R I/O
I/O CONVEYOR A(CN7)
KEY F I/O
J220
N1014
S2
C
S2
CR L
L R
Transportation
A
B
B
A
S1 S1
PCB'S
D
D
COVER EARTH
REAR LEFT
FRONT LEFT
FRONT RIGHT
REAR RIGHT
J88
FRONT CENTER-R FRONT CENTER-L
J89 J90 J91
REAR CENTER-R REAR CENTER-L
J84 J85 J86 J87
Front side Rear side
CNF45
J780
J219
J220
CNF19
SQ163A
SQ163B
AREA +24V
R.AREA EMG
R AREA SENSOR (OPTION)
R AREA EMG
AREA24V
SQ153A
AREA +24V
F.AREA EMG
SQ153B
F AREA SENSOR(OPTION)
F AREA EMG
AREA24V
J39
+24V
+24V
F3 FEEDER FLOAT SENSOR
R3 FEEDER FLOAT SENSOR
(OPTION)
CNF42
J771
F FEEDER_FLOAT/AREA SENSOR
R FEEDER_FLOAT/AREA SENSOR
LED DRIVER POWER
CNF42
J701
FES BOARD(CN8)
FES BOARD(CN1)
(OPTION)
+24V
+24V
+24V
(OPTION)
STACK STICK FEEDER
NOTE1: Set the direction of the conveyor motor by S1 and S2.
SIDE
See Page 7
See Page 5
See Page 10
See Page 6
See Page 11
See Page 4,5
See Page 2
See Page 10
See Page 6
See Page 7
See Page 10
See Page 7
See Page 7
See Page 6
See Page 9
See Page 6
See Page 2
See Page 15
See Page 15
See Page 7
See Page 2