yv180xg_e - 第7页
PAGE 5 YV180Xg (KGD) I/O Head B CN6 DO1,2 CN7 CN7 DO4 CN8 CN8 VACUUM SEN CN9 CN9 CN10 DI3 CN10 DI4 CN11 CN11 DI5 CN12 CN12 KV8-M4570-xxx CN13 LIGHT CN13 DO0,3 CN6 ON OFF 12 DIP SW(S1) 8 7 COMU2 COMU1 CNX2 CNX1 TEST CNX5 …

PAGE 4
YV180Xg (KGD)
I/O Head A
CN6
J311
DO1,2
CN7
CN7
J305
DO4
CN8
CN8
J315
VACUUM SEN
CN9
CN9
J313
CN10
DI3
CN10
DI4
CN11
CN11
DI5
CN12
CN12
KV8-M4570-xxx
CN13
LIGHT
CN13
DO0,3
CN6
ON
OFF
12
DIP SW(S1)
87
COMU2
COMU1
CNX2
CNX1
TEST
CNX5
RS232C
CNX4
I/O BOARD CORE ASSY
ON
OFF
12
DIP SW(S1)
543
CONNECTION BOARD(CNF10)
CONNECTION BOARD(CNF16)
J41
FLEXIBLE
+24V
CNX1
J115
J114
J44
CN4
CN5
CN2
EMG
ORG/OT
DC24V IN
CN5
CN4
CN2
J173
J303
J45
NOZZLE DOWN
SQ204A
SQ204B
NOZZLE DOWN
SAFETY1
SAFETY1
SAFETY1
AMP1
SQ203A
SQ203B
SAFETY2
SAFETY2
SAFETY2
A TABLE FLYING
NOZZLE UP
SQ205A
SQ205B
AMP2
AMP3
R ORG
ORG
SQ202
1
2
3
4
5
6
7
8
DOWN
DOWN
DOWN
DOWN
DOWN
DOWN
DOWN
DOWN
2
4
6
8
FNC
FNC
FNC
FNC
YV311
YV312
YV313
YV314
YV315
YV316
YV317
YV318
YV341
YV342
YV343
YV344
1
2
3
4
5
6
7
8
SL.DOWN
SL.DOWN
SL.DOWN
SL.DOWN
SL.DOWN
SL.DOWN
SL.DOWN
SL.DOWN
YV321
YV322
YV323
YV324
YV325
YV326
YV327
YV328
1
2
3
4
5
6
7
8
VAC.SENSOR
x8
P41 P48
DOWN
DOWN
DOWN
DOWN
DOWN
DOWN
DOWN
DOWN
SQ211
DOWN1
N2230
SQ212
N2231
DOWN2
SQ213
N2232
DOWN3
SQ214
N2233
DOWN4
SQ215
N2234
DOWN5
SQ216
N2235
DOWN6
SQ217
N2236
DOWN7
SQ218
N2237
DOWN8
P1-2
FNC POS1
FNC POS2
FNC POS1
FNC POS1
FNC POS1
FNC POS2
FNC POS2
FNC POS2
P2-2
P2-4
P2-6
P1-4
P1-6
P1-8
SQ221
SQ222
SQ223
SQ224
SQ225
SQ226
SQ227
P2-8
SQ228
SQ231
CLUTCH
CLUTCH2
CLUTCH
CLUTCH
CLUTCH
CLUTCH4
CLUTCH6
CLUTCH8
SQ232
SQ233
SQ234
N UP
N UP
+24V
PLATE
XORG
X OT
SQ201
SQ206
ORG
OT
FLEXIBLE
X-AXIS
J318
LIGHT
LIGHT
FIDUCIAL
LIGHT
J75
I/O I/O A
I/O A
H CN5
J171
HCN5 A
HCN5 A
J71
I/O CONVEYOR A(CNX2)
J103
J42
HEAD +24V
J170
CN5 HA
I/O HEAD B
DUCT Z1 DUCT X1
J303
R1-AXIS
1
2
3
4
5
6
7
8
YV302
YV303
YV301
VACUUM
YV304
YV305
YV306
YV307
YV308
VACUUM
VACUUM
VACUUM
VACUUM
VACUUM
VACUUM
VACUUM
1
2
3
4
5
6
7
8
YV331
YV332
YV333
YV334
YV335
YV336
YV337
YV338
BLOW
BLOW
BLOW
BLOW
BLOW
BLOW
BLOW
BLOW
T2A00 HEAD1A
T2A01 HEAD2A
T2A02 HEAD3A
T2A03 HEAD4A
T2A04 HEAD5A
T2A05 HEAD6A
T2A06 HEAD7A
T2A07 HEAD8A
T2A30 HEAD1A
T2A31 HEAD2A
T2A32 HEAD3A
T2A33 HEAD4A
T2A34 HEAD5A
T2A35 HEAD6A
T2A36 HEAD7A
T2A37 HEAD8A
T2A10
HEAD1A
T2A11
HEAD2A
T2A12
HEAD3A
T2A13
HEAD4A
T2A14
HEAD5A
T2A15
HEAD6A
T2A16
HEAD7A
T2A17
HEAD8A
T2A22
HEAD2A
T2A23
HEAD4A
T2A24
HEAD6A
T2A25
HEAD8A
T2A40
T2A41
T2A42
HEAD1A
HEAD2A
HEAD3A
T2A43 HEAD4A
T2A44 HEAD5A
T2A45 HEAD6A
T2A46 HEAD7A
T2A47 HEAD8A
HEAD1A
HEAD2A
HEAD3A
HEAD4A
HEAD5A
HEAD6A
HEAD7A
HEAD8A
N2240
HEAD2A
N2241
HEAD4A
N2242
HEAD6A
N2243
HEAD8A
N2244
HEAD2A
N2245
HEAD4A
N2246
HEAD6A
N2247
HEAD8A
SENSOR,5 ASSY(NOZZLE POS)
SENSOR,3 ASSY(CLUTCH)
SENSOR,4 ASSY(HEAD DOWN)
N2250
HEAD2A
N2251
HEAD4A
N2252
HEAD6A
N2253
HEAD6A
6
X1-AXIS
X1-AXIS
N2220
N2226
J318
I/O HEAD UNIT ASSY A P21
J310
For FNC HEAD Version
For FNC HEAD Version
See Page 5
See Page 6
See Page 3
See Page 3

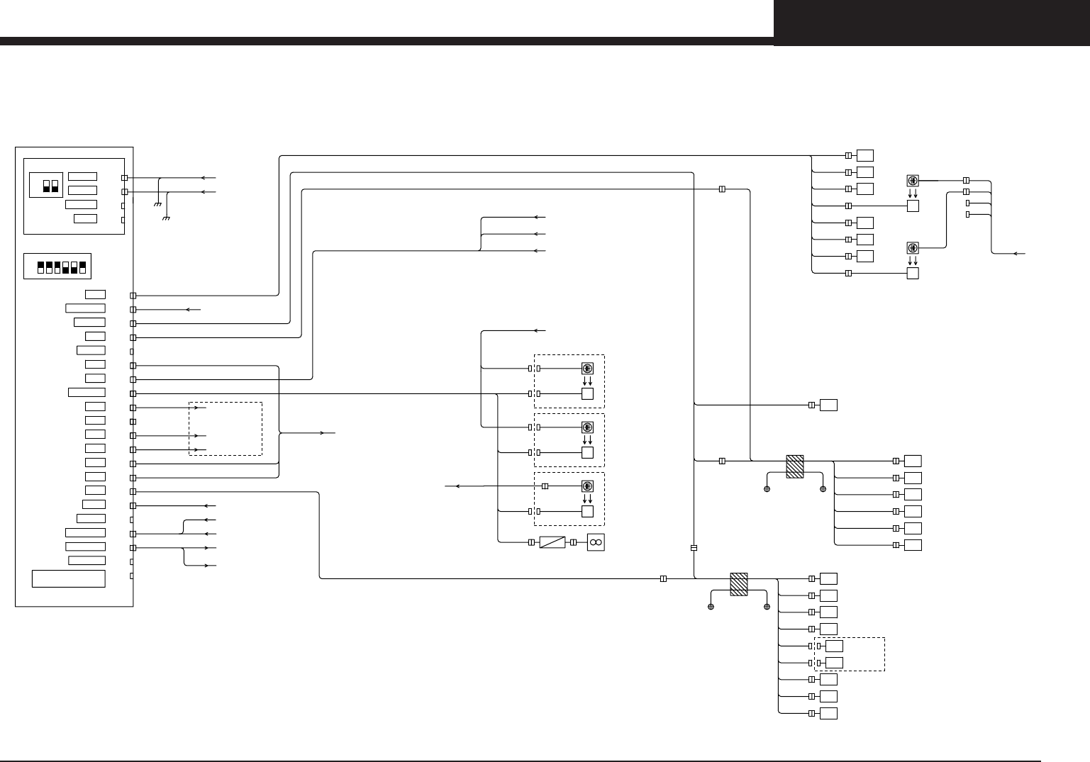
PAGE 5
YV180Xg (KGD)
I/O Head B
CN6
DO1,2
CN7
CN7
DO4
CN8
CN8
VACUUM SEN
CN9
CN9
CN10
DI3
CN10
DI4
CN11
CN11
DI5
CN12
CN12
KV8-M4570-xxx
CN13
LIGHT
CN13
DO0,3
CN6
ON
OFF
12
DIP SW(S1)
87
COMU2
COMU1
CNX2
CNX1
TEST
CNX5
RS232C
CNX4
I/O BOARD CORE ASSY
ON
OFF
12
DIP SW(S1)
53
CONNECTION BOARD(CNF10)
CONNECTION BOARD(CNF16)
J41
FLEXIBLE
+24V
CNX1
CN4
CN5
CN2
EMG
ORG/OT
DC24V IN
CN5
CN4
CN2
NOZZLE DOWN
NOZZLE DOWN
SAFETY1
SAFETY1
SAFETY1
SAFETY2
SAFETY2
SAFETY2
A TABLE FLYING
NOZZLE UP
R ORG
ORG
1
2
3
4
5
6
7
8
DOWN
DOWN
DOWN
DOWN
DOWN
DOWN
DOWN
DOWN
2
4
6
8
FNC
FNC
FNC
FNC
1
2
3
4
5
6
7
8
SL.DOWN
SL.DOWN
SL.DOWN
SL.DOWN
SL.DOWN
SL.DOWN
SL.DOWN
SL.DOWN
DOWN
DOWN
DOWN
DOWN
DOWN
DOWN
DOWN
DOWN
P1-2
FNC POS1
FNC POS2
FNC POS1
FNC POS1
FNC POS1
FNC POS2
FNC POS2
FNC POS2
P2-2
P2-4
P2-6
P1-4
P1-6
P1-8
P2-8
CLUTCH
CLUTCH2
CLUTCH
CLUTCH
CLUTCH
CLUTCH4
CLUTCH6
CLUTCH8
N UP
N UP
+24V
PLATE
N2320
N2326
XORG
X OT
ORG
OT
FLEXIBLE
X-AXIS
LIGHT
LIGHT
FIDUCIAL
LIGHT
I/O
H CN5
J42
HEAD +24V
J170
SENSOR,5 ASSY(NOZZLE POS)
SENSOR,3 ASSY(CLUTCH)
SENSOR,4 ASSY(HEAD DOWN)
64
J117
I/O B
J46
J174
J353
J76
J348
HCN5 B
X2-AXIS
X2-AXIS
SQ251
SQ256
J116
J55
J172
J72
DUCT Z2
DUCT X2
HCN5 B CN5 HB
I/O B
J104
I/O HEAD A
I/O CONVEYOR B(CNX2)
J348
J361
J355
J365
J363
J353
AMP5
AMP4
AMP6
R2-AXIS
SQ252
SQ253A
SQ253B
SQ254A
SQ254B
SQ255A
SQ255B
1
2
3
4
5
6
7
8
YV352
YV353
YV351
VACUUM
VACUUM
VACUUM
VACUUM
VACUUM
VACUUM
VACUUM
VACUUM
1
2
3
4
5
6
7
8
YV381
YV382
YV383
YV384
YV385
YV386
YV387
YV388
BLOW
BLOW
BLOW
BLOW
BLOW
BLOW
BLOW
BLOW
T2B00
HEAD1B
T2B01
HEAD2B
T2B02
HEAD3B
T2B03
YV354
HEAD4B
T2B04
YV355
HEAD5B
T2B05
YV356
HEAD6B
T2B06
YV357
HEAD7B
T2B07
YV358
HEAD8B
T2B30
HEAD1B
T2B31
HEAD2B
T2B32
HEAD3B
T2B33
HEAD4B
T2B34
HEAD5B
T2B35
HEAD6B
T2B36
HEAD7B
T2B37
HEAD8B
T2B10
YV361
HEAD1B
T2B11
YV362
HEAD2B
T2B12
YV363
HEAD3B
T2B13
YV364
HEAD4B
T2B14
YV365
HEAD5B
T2B15
YV366
HEAD6B
T2B16
YV367
HEAD7B
T2B17
YV368
HEAD8B
T2B22
YV391
HEAD2B
T2B23
YV392
HEAD4B
T2B24
YV393
HEAD6B
T2B25
YV394
HEAD8B
T2B40
YV371
HEAD1B
T2B41
YV372
HEAD2B
T2B42
YV373
HEAD3B
T2B43
YV374
HEAD4B
T2B44
YV375
HEAD5B
T2B45
YV376
HEAD6B
T2B46
YV377
HEAD7B
T2B47
YV378
HEAD8B
1
2
3
4
5
6
7
8
VAC.SENSOR
x8
P51 P58
SQ261
DOWN1
N2330 HEAD1B
SQ262
DOWN2
N2331 HEAD2B
SQ263
DOWN3
N2332 HEAD3B
SQ264
DOWN4
N2333 HEAD4B
SQ265
DOWN5
N2334 HEAD5B
SQ266
DOWN6
N2335 HEAD6B
SQ267
DOWN7
N2336 HEAD7B
SQ268
DOWN8
N2337 HEAD8B
N2340
SQ271
HEAD2B
N2341
SQ272
HEAD4B
N2342
SQ273
HEAD6B
N2343
HEAD8B
SQ274
N2344
SQ275
HEAD2B
N2345
SQ276
HEAD4B
N2346
SQ277
HEAD6B
N2347
SQ278
HEAD8B
N2350
SQ281
HEAD2B
N2351
SQ282
HEAD4B
N2352
SQ283
HEAD6B
N2353
SQ284
HEAD6B
I/O HEAD UNIT ASSY B P22
J320
For FNC HEAD Version
For FNC HEAD Version
See Page 4
See Page 7
See Page 3
See Page 3

PAGE 6
YV180Xg (KGD)
I/O Conveyor A
KM5-M4580-xxx
J203
J220
J41
CONNECTION BOARD(CNF16)
J101
12V,24V OPEN
GATE IN 5V SHORT
GATE IN
DO SPARE
DI SPARE
CN25
CN24
CN23
CN22
SPARE
CN21
DI36
CN19
DI4
CN18
DO6
DO5
CN16
CN15
DO4
DO3
DO2
DO1
CN14
CN13
CN12
CN11
EMG/INT
CN8
DI3
CN1
DI1
CN7
EMG
CN6
POWER
CN5
DI2
CN4
CN3
ORG/OT
DC24V IN
CN2
ON
OFF
12
DIP SW(S1)
654
ON
OFF
12
DIP SW(S1)
3
COMU2
COMU1
CNX2
CNX1
TEST
CNX5
RS232C
CNX4
I/O BOARD CORE ASSY
CONTROL BOX(I/O1)
J161
J211
J253
J251
I/O CONVEYOR UNIT ASSY A P23
J103
I/O HEAD A(CNX1)
J189
CN2 A
J181
CN3 A
CN4 A
J188
J204
CN23 A
CN22 A
CN19 A
CN18 A
J183
CONNECTION BOARD(CNF8,12,38)
J203
J203
CN16 A
CN15 A
CN6 A
CN14 A
J213
J212
CN13 A
F FEEDER
F.FDR1
N1005
F1.FEEDER FLOAT SENSOR
N1006
FDR +24V
N1005
FDR +24V
F.FDR2
N1006
N1007
SQ11A
SQ11B
SQ12A
SQ12B
SQ13A
SQ13B
N1007
(OPTION)
(OPTION)
F2.FEEDER FLOAT SENSOR
F3.FEEDER FLOAT SENSOR
EV5
FAN X2
N1010
J161
FLEXIBLE
DUCT Y2
SQ01
Y2-AXIS
ORG
SQ03
W2-AXIS
ORG
Y2-AXIS
OT
SQ05
SQ71
B TABLE
SET POSITOIN
SQ75
B TABLE
TRANSIT 1
SQ76
B TABLE
TRANSIT 2
SQ77
PU2-AXIS
ORG
B TABLE
B TABLE
LOCATE PIN 1
LOCATE PIN 2
SQ73
SQ74
J74
N1000
N1002
N1003
N1050
N1051
N1052
N1053
N1054
N1055
SET P.1
PU ORG
TRNS1
TRNS2
L.PIN1
L.PIN2
Y ORG
J185
SQ21
SQ22
SQ24
SQ25
SQ26
T-AXIS
ORG
HOOK
UP/DOWN
HOOK
TOP1
HOOK
TOP2
HOOK
TOP3
FLEXIBLE
J187
J92
DUCT T
TORG
ORG
W1-AXIS
SQ02
W1ORG
N1001
J181
SQ23
T-AXIS
OT
TORG
UP/DOWN
TOT
HOOK1
HOOK2
HOOK3
N1004
N1020
N1022
N1023
N1024
N1003
(OPTION)
W2ORG
ORG/OT
TABLE
J183
TABLE B
CNX1 A
CNX2 A
CN1 A
Y OT
W ORG
CN11 A
CN8 A
CN7 A
(OPTION, FOR CARRIAGE)
HOOK
J181
N1037
N1036
N1035
N1034
N1033
N1032
N1031
N1030
EXIT2
CONV
EXIT1
CONV
OUT
WORK
POS.2
SUB
POS.1
SUB
ENT.
CONV
SQ31
SQ32
SQ33
SQ35
SQ36
SQ37
N1033
N1037
SQ34B
SQ34A
TRANS
CONV.1
TRANS
SQ38B
SQ38A
CONV.2
J189
CONNECTION
BOARD(CNF46)
J31
+24V
+24V
+24V
+24V
J188
J187
SERVO ON
SERVICE KEY FRONT
SERVICE KEY REAR
CONNECTION BOARD(CNF30)
N1014
N1015
N1016
J220
U2
PNP
NPN
CONNECTION BOARD(CNF40)
J30
DUMP STATION(OPTION)
DUMP STATION(OPTION)
F FEEDER (OPTION)
R FEEDER (OPTION)
J39
FDR +24V
CONNECTION BOARD(CNF19)
F.FDR3
See Page 3
See Page 3
See Page 3
See Page 3
See Page 3
See Page 3
See Page 3
See Page 13,14
See Page 13,14
See Page 15
See Page 15
See Page 13,14
See Page 2
See Page 4
See Page 3