yv180xg_e - 第9页
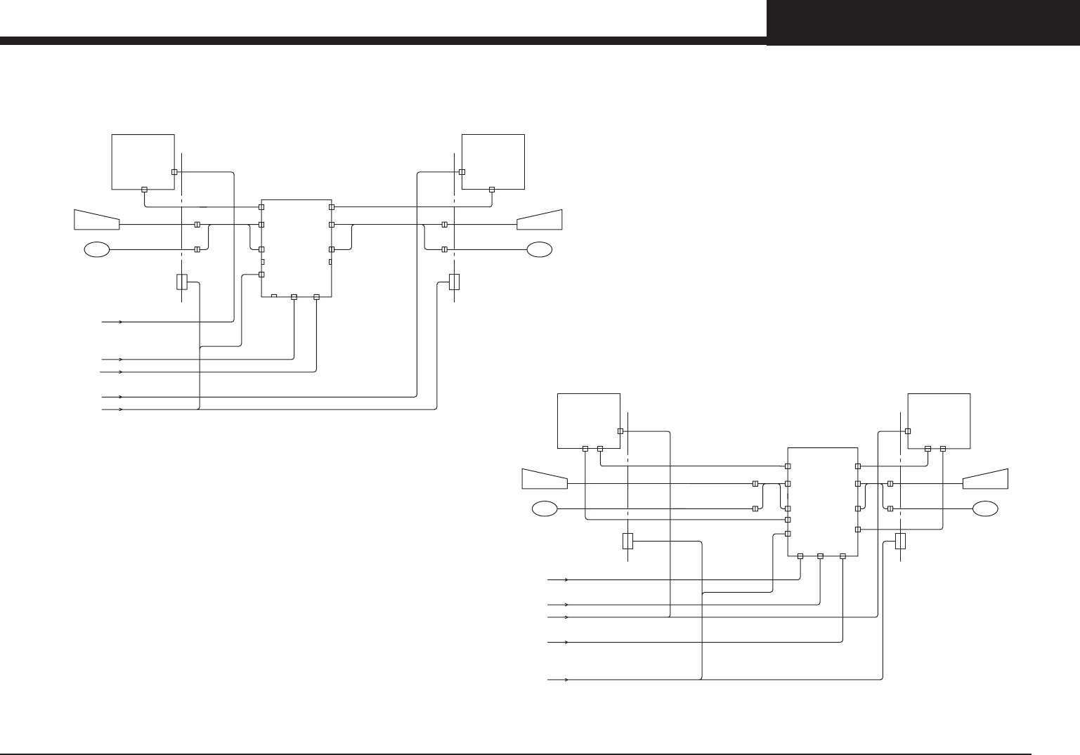
PAGE 7 YV180Xg (KGD) I/O Conveyor B KM5-M4580-xxx J41 CONNECTION BOARD(CNF16) 12V,24V OPEN GATE IN 5V SHORT GATE IN DO SPARE DI SPARE CN25 CN24 CN23 CN22 SPARE CN21 DI36 CN19 DI4 CN18 DO6 DO5 CN16 CN15 DO4 D…

PAGE 6
YV180Xg (KGD)
I/O Conveyor A
KM5-M4580-xxx
J203
J220
J41
CONNECTION BOARD(CNF16)
J101
12V,24V OPEN
GATE IN 5V SHORT
GATE IN
DO SPARE
DI SPARE
CN25
CN24
CN23
CN22
SPARE
CN21
DI36
CN19
DI4
CN18
DO6
DO5
CN16
CN15
DO4
DO3
DO2
DO1
CN14
CN13
CN12
CN11
EMG/INT
CN8
DI3
CN1
DI1
CN7
EMG
CN6
POWER
CN5
DI2
CN4
CN3
ORG/OT
DC24V IN
CN2
ON
OFF
12
DIP SW(S1)
654
ON
OFF
12
DIP SW(S1)
3
COMU2
COMU1
CNX2
CNX1
TEST
CNX5
RS232C
CNX4
I/O BOARD CORE ASSY
CONTROL BOX(I/O1)
J161
J211
J253
J251
I/O CONVEYOR UNIT ASSY A P23
J103
I/O HEAD A(CNX1)
J189
CN2 A
J181
CN3 A
CN4 A
J188
J204
CN23 A
CN22 A
CN19 A
CN18 A
J183
CONNECTION BOARD(CNF8,12,38)
J203
J203
CN16 A
CN15 A
CN6 A
CN14 A
J213
J212
CN13 A
F FEEDER
F.FDR1
N1005
F1.FEEDER FLOAT SENSOR
N1006
FDR +24V
N1005
FDR +24V
F.FDR2
N1006
N1007
SQ11A
SQ11B
SQ12A
SQ12B
SQ13A
SQ13B
N1007
(OPTION)
(OPTION)
F2.FEEDER FLOAT SENSOR
F3.FEEDER FLOAT SENSOR
EV5
FAN X2
N1010
J161
FLEXIBLE
DUCT Y2
SQ01
Y2-AXIS
ORG
SQ03
W2-AXIS
ORG
Y2-AXIS
OT
SQ05
SQ71
B TABLE
SET POSITOIN
SQ75
B TABLE
TRANSIT 1
SQ76
B TABLE
TRANSIT 2
SQ77
PU2-AXIS
ORG
B TABLE
B TABLE
LOCATE PIN 1
LOCATE PIN 2
SQ73
SQ74
J74
N1000
N1002
N1003
N1050
N1051
N1052
N1053
N1054
N1055
SET P.1
PU ORG
TRNS1
TRNS2
L.PIN1
L.PIN2
Y ORG
J185
SQ21
SQ22
SQ24
SQ25
SQ26
T-AXIS
ORG
HOOK
UP/DOWN
HOOK
TOP1
HOOK
TOP2
HOOK
TOP3
FLEXIBLE
J187
J92
DUCT T
TORG
ORG
W1-AXIS
SQ02
W1ORG
N1001
J181
SQ23
T-AXIS
OT
TORG
UP/DOWN
TOT
HOOK1
HOOK2
HOOK3
N1004
N1020
N1022
N1023
N1024
N1003
(OPTION)
W2ORG
ORG/OT
TABLE
J183
TABLE B
CNX1 A
CNX2 A
CN1 A
Y OT
W ORG
CN11 A
CN8 A
CN7 A
(OPTION, FOR CARRIAGE)
HOOK
J181
N1037
N1036
N1035
N1034
N1033
N1032
N1031
N1030
EXIT2
CONV
EXIT1
CONV
OUT
WORK
POS.2
SUB
POS.1
SUB
ENT.
CONV
SQ31
SQ32
SQ33
SQ35
SQ36
SQ37
N1033
N1037
SQ34B
SQ34A
TRANS
CONV.1
TRANS
SQ38B
SQ38A
CONV.2
J189
CONNECTION
BOARD(CNF46)
J31
+24V
+24V
+24V
+24V
J188
J187
SERVO ON
SERVICE KEY FRONT
SERVICE KEY REAR
CONNECTION BOARD(CNF30)
N1014
N1015
N1016
J220
U2
PNP
NPN
CONNECTION BOARD(CNF40)
J30
DUMP STATION(OPTION)
DUMP STATION(OPTION)
F FEEDER (OPTION)
R FEEDER (OPTION)
J39
FDR +24V
CONNECTION BOARD(CNF19)
F.FDR3
See Page 3
See Page 3
See Page 3
See Page 3
See Page 3
See Page 3
See Page 3
See Page 13,14
See Page 13,14
See Page 15
See Page 15
See Page 13,14
See Page 2
See Page 4
See Page 3

PAGE 7
YV180Xg (KGD)
I/O Conveyor B
KM5-M4580-xxx
J41
CONNECTION BOARD(CNF16)
12V,24V OPEN
GATE IN 5V SHORT
GATE IN
DO SPARE
DI SPARE
CN25
CN24
CN23
CN22
SPARE
CN21
DI36
CN19
DI4
CN18
DO6
DO5
CN16
CN15
DO4
DO3
DO2
DO1
CN14
CN13
CN12
CN11
EMG/INT
CN8
DI3
CN1
DI1
CN7
EMG
CN6
POWER
CN5
DI2
CN4
CN3
ORG/OT
DC24V IN
CN2
COMU2
COMU1
CNX2
CNX1
TEST
CNX5
RS232C
CNX4
I/O BOARD CORE ASSY
J205
J102
ON
OFF
12
DIP SW(S1)
4
ON
OFF
12
DIP SW(S1)
653
J257
J255
J162
N1120-N1125
I/O CONVEYOR UNIT ASSY B P24
CNX2 B
CNX1 B
J104
I/O HEAD B(CNX1)
CONTROL BOX(I/O2)
CN1 B
CN2 B
J192
CN3 B
J182
CN4 B
J190
J168
CONNECTION BOARD(CNF35)
CN6 B
CN8 B
CN11 B
CN13 B
CN14 B
J215
J216
J217
R FEEDER
CN15 B
CN16 B
J192
CN18 B
J184
CN19 B
CN22 B
FLEXIBLE
ORG/OT
TABLE
J186
DUCT Y1
J73
ORG
ORG
OT
SET POSITOIN
TRANSIT 1
TRANSIT 2
ORG
LOCATE PIN 1
LOCATE PIN 2
SET P.1
PU ORG
TRNS1
TRNS2
L.PIN1
L.PIN2
Y ORG
(OPTION)
N1100
N1102
N1103
N1150
N1151
N1152
N1153
N1154
N1155
SQ51
SQ53
SQ55
SQ41
SQ43
SQ44
SQ45
SQ46
SQ47
Y1-AXIS
W3-AXIS
Y1-AXIS
A TABLE
A TABLE
A TABLE
A TABLE
A TABLE
PU1-AXIS
TABLE A
J184
ORG
W4-AXIS
W4ORG
N1101
SQ52
J182
W3ORG
T1930
T1932
T1933
T1934
T1935
T1936
T1937
T1931
BOARD CLAMP B
BOARD CLAMP A
MAIN STOPPER
PUSH UP
EDGE CLAMP
PUSH IN
T-HOOK DOWN
LOCATE PIN
(OPTION)
B-TABLE
J205
T1926
T1927
YV37
STOPPER OF EXIT
COVER LOCK VALVE
STOPPER OF ENTRANCE
T1925
YV36
YV31
T1920
T1921
T1922
T1923
T1924
MAIN STOPPER
EDGE CLAMP
PUSH UP
LOCATE PIN
(OPTION)
PUSH IN
A-TABLE
YV33
YV34
YV35
YV41
YV43
YV44
YV45
YV46
J205
Y OT
W ORG
FDR +24V
FDR +24V
(OPTION)
(OPTION)
N1105
N1106
N1107
SENSOR
PRESSURE
AIR
P
N1111
SP11
N1111
N1110
EV4
FAN X1
R.FDR1
R.FDR2
N1105
N1106
N1107
SQ81A
SQ81B
R1.FEEDER FLOAT SENSOR
SQ82A
SQ82B
R2.FEEDER FLOAT SENSOR
SQ83A
SQ83B
R3.FEEDER FLOAT SENSOR
(OPTION, FOR CARRIAGE)
N1130/T1940
N1131/T1941
N1132/T1942
N1133/T1943
N1134/T1944
N1135/T1945
ACTIVE
START
STOP
ERR.CLR.
F.ACTIVE(WHITE)
F.START(GREEN)
F.READY(WHITE)
F.RESET(WHITE)
SB31
SB32
SB33
SB34
SB35
SB36
J231
J233
J234
J235
J232
J236
CONNECTION BOARD(CNF57)
SB41
SB42
SB43
SB44
SB45
SB46
R.ACTIVE(WHITE)
R.START(GREEN)
R.READY(WHITE)
R.RESET(WHITE)
J237
J239
J240
J241
J238
J242
ACTIVE
START
STOP
ERR.CLR.
N1140/T1950
N1141/T1951
N1142/T1952
N1143/T1953
N1144/T1954
N1145/T1955
J192
T1956(READY OUT)
T1957(ACTIVE CHANGE)
REAR OPERATION PANEL FRONT OPERATION PANEL
SWITCHER BOARD(CN8S)
RESET
READY
RESET
READY
F.STOP(RED)
F.ERROR CLEAR(YELLOW)
R.STOP(RED)
R.ERROR CLEAR(YELLOW)
CONNECTION BOARD(CNF19)
DUMP STATION(OPTION)
DUMP STATION(OPTION)
R FEEDER CARRIAGE(OPTION)
U1
PNP
NPN
CONNECTION BOARD(CNF40)
J30
FDR +24V
J39
R.FDR3
See Page 3
See Page 9
See Page 13,14
See Page 13,14
See Page 15
See Page 13,14
See Page 3
See Page 3
See Page 3
See Page 2
See Page 5
See Page 3
See Page 3

PAGE 8
YV180Xg (KGD)
Operation Panel Sel.
CRT1
MOUSE
KEYBOARD
A12
A10
FRONT OPERATION SWITCHES
MOUSE
KEYBOARD
CRT2
A11
A13
FRONT SIDEREAR SIDE
J112
J118
J49
J113
J261
J262
REAR OPERATION SWITCHES
P31
CONTROL BOX(VGA)
CONTROL BOX(KEY/MS)
SWITCHER BOARD
CRT2
KB2
MS2
RS2
EX
J50
RS PC CRT PC KB/MS PC
CRT1
KB1
MS1
RS1
AC100V IN
VGA
AC100V IN
VGA
See Page 2
See Page 2
QF22,XT21(U12,V10)
QF21,XT21(U11,V10)
MOUSE
KEYBOARD
A12
A10
FRONT OPERATION SWITCHES
FRONT SIDEREAR SIDE
LCD1
DC12V IN
SERIALVGA
DC12V IN
SERIAL VGA
LCD2
FRONT & REAR LCD TOUCH PANEL(OPTION)
LCD1
CONTROL BOX(SERIAL1)
J112
J118
CONTROL BOX(VGA)
J28
CONTROL BOX(KEY/MS)
J261
P31
REAR OPERATION SWITCHES
CONTROL BOX(EXT.PWR)
See Page 2
See Page 2
MOUSE
KEYBOARD
RS1
MS1
KB1
CRT1
CRT2
KB2
MS2
RS PC
KB/MS PC
RS2
EX
See Page 2
See Page 2
A11
A13
J262
CRT PC
FRONT & REAR CRT(STANDARD)
SWITCHER BOARD
See Page 10
J111
I/O CONVEYOR B(CN1,CN16)
J192
J192
I/O CONVEYOR B(CN1,CN16)
J111
J113
J223
J224
J225
See Page 7
See Page 7
See Page 10
NOTE1:In case of old system,See Part No KGD-000-CN0.
Oct./2003