MIL- STD-883F 2004 TEST METHOD STANDARD MICROCIRCUITS - 第160页
MIL-STD-883F METHOD 1023.2 19 August 1994 12 This page i ntenti onally lef t blank

MIL-STD-883F
METHOD 1023.2
19 August 1994
11
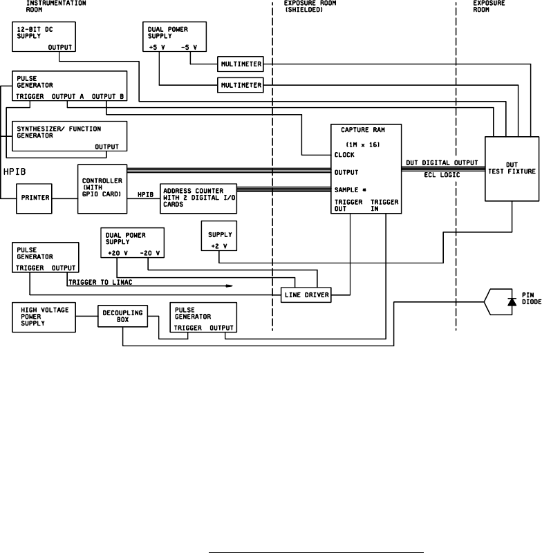
FIGURE 1023-3. Schematic of example test setup for ADC
.
MIL-STD-883F
METHOD 1023.2
19 August 1994
12
This page intentionally left blank

MIL-STD-883F
METHOD 1030.2
18 June 2004
1
METHOD 1030.2
PRESEAL BURN-IN
1. PURPOSE
. The purpose of preseal burn-in is to identify marginal devices or stabilize monolithic, hybrid, or multichip
microcircuits prior to the sealing of packages so that rework or retrimmings can be performed. Standard or sealed-lid
burn-in testing (see method 1015) is designed to screen or eliminate marginal devices by stressing microcircuits at or above
maximum rated operating conditions or by applying equivalent screening conditions which will reveal time and stress failure
modes with equal or greater sensitivity. Performance of a portion of the standard burn-in testing prior to sealing will identify
marginal devices or those requiring retrimming at a point where rework or retrimming can readily be performed. Use of
preseal burn-in is optional and should be a function of the complexity of the microcircuit in question coupled with, if available,
actual sealed-lid burn-in failure rates.
2. APPARATUS
. Details for the required apparatus and compensation for air velocity, when required, shall be as
described in method 1005. In addition, the oven used for preseal burn-in shall be so equipped to provide a dry (less than
100 ppm moisture, at the supply point) nitrogen at class 100,000 maximum environment. Suitable equipment shall be
provided to control the flow of dry nitrogen and to monitor the moisture content of the dry nitrogen flowing into the oven.
3. PROCEDURE
. All microcircuits shall be subjected to the specified preseal burn-in test condition (see 3.1) for the time
and temperature and in the environment specified after all assembly operations, with the exception of lid sealing, have been
completed (see method 5004 herein, MIL-PRF-38534 or MIL-PRF-38535); internal visual inspection shall be performed prior
to sealing. The microcircuits shall be mounted by the leads, stud, or case in their normal mounting configuration, and the
point of connection shall be maintained at a temperature not less than the specified ambient temperature. Measurements
before and after preseal burn-in shall be made as specified.
3.1 Test conditions
. Basic test conditions are as shown below. Details of each of these conditions shall be as described
in method 1005.
a. Test condition C: Steady-state dc voltages.
b. Test condition D: Series or parallel excitation with ac conditions as applicable to exercise the device under test to
normal operating conditions.
3.1.1 Test time
. Unless otherwise specified, preseal burn-in shall be performed for a minimum of 48 hours. It shall be
permissible to divide the total minimum burn-in time between preseal and postseal burn-in provided that the total burn-in
time equals or exceeds the specified burn-in time of 160 hours and that the postseal burn-in time equals or exceeds 96
hours.
3.1.2 Test temperature
. Unless otherwise specified, the preseal burn-in test temperature shall be 125°C. If a lower
temperature is used, a corresponding increase in time is necessary as shown on figure 1015-1.
3.1.3 Test environment
. Preseal burn-in shall be performed in a dry nitrogen (less than 100 ppm moisture, at the supply
point), 100,000 (5 m or greater) particles/cubic foot controlled environment (class 8 of ISO 14644-1). Prior to heat-up, the
oven shall be purged with dry nitrogen and then the bias shall be applied. Testing shall not commence until the specified
environment has been achieved.
3.2 Measurements
. Measurements before preseal burn-in, shall be conducted prior to applying preseal burn-in test
conditions. Unless otherwise specified, measurements after preseal burn-in shall be completed within 96 hours after
removal of the microcircuits from the specified pre-seal burn-in test condition and shall consist of all 25°C dc parameter
measurements (subgroup A-1 of method 5005) and all parameters for which delta limits have been specified as part of
interim electrical measurements. Delta limit acceptance, when applicable, shall be based upon these measurements. If
these measurements cannot be completed within 96 hours, the microcircuits shall be subjected to the same specified test
conditions (see 3.1) previously used for a minimum of 24 additional hours before measurements after pre-seal burn-in are
made.
*
*