MIL- STD-883F 2004 TEST METHOD STANDARD MICROCIRCUITS - 第42页
MIL-STD-883F METHOD 1005.8 1 June 1993 8 This page i ntenti onally lef t blank

MIL-STD-883F
METHOD 1005.8
1 June 1993
7
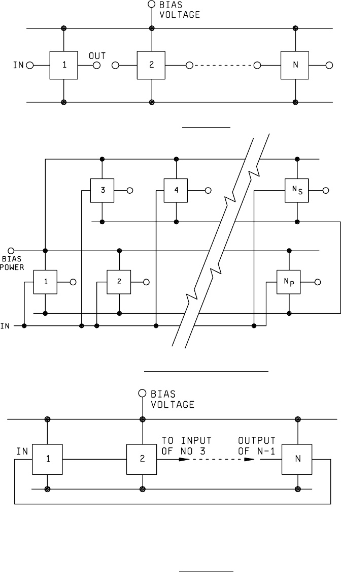
FIGURE 1005-1. Steady-state
.
FIGURE 1005-2. Typical parallel, series excitation
.
NOTE: For free running counter, N is an odd number and the output of N is connect to the input of 1.
FIGURE 1005-3. Ring oscillator
.
MIL-STD-883F
METHOD 1005.8
1 June 1993
8
This page intentionally left blank

MIL-STD-883F
METHOD 1006
1 May 1968
1
METHOD 1006
INTERMITTENT LIFE
1. PURPOSE
. The intermittent life test is performed for the purpose of determining a representative failure rate for
microelectronic devices or demonstrating quality or reliability of devices subjected to the specified conditions. It is intended
for applications where the devices are exposed to cyclic variations in electrical stresses between the "on" and "off" condition
and resultant cyclic variations in device and case temperatures.
2. APPARATUS
. See method 1005 of this standard.
3. PROCEDURE
. The device shall be tested in accordance with all the requirements of method 1005 except that all
electrical stresses shall be alternately applied and removed. The "on" and "off" periods shall be initiated by sudden, not
gradual, application or removal of the specified electrical inputs (including signal and bias).
4. SUMMARY
. In addition to the requirements of method 1005 of this standard, the following detail shall be specified in
the applicable acquisition document:
Frequency and duration of "on" and "off" cycles