MIL- STD-883F 2004 TEST METHOD STANDARD MICROCIRCUITS - 第449页
MIL-STD-883F METHOD 2032.2 18 June 2004 43 Cla ss H Class K 3.2.1 .3 Meta llization corrosion . a . Any me tallizatio n corrosio n. a. Same as cla ss H. 3.2.1 .4 Metalliz ation adherence . a . Any meta llization lifting,…

MIL-STD-883F
METHOD 2032.2
18 June 2004
42
Class H Class K
3.2.1.2 Metallization voids
.
a. Void(s) in the metallization, excluding a. Same as Class H.
bonding pads, that leaves less than 50 percent
of the original metallization width
undisturbed (see figure 2032-40h).
FIGURE 2032-40h. Class H metallization void criteria
.
b. Void(s) in the bonding pad area that reduces b. Less than 75 percent.
the metallization path width, where it enters
the bonding pad, to less than 50 percent
of
its original metallization width. If two or
more metallization paths enter a bonding pad,
each shall be considered separately.
NOTE: Figures 2032-39h and 2032-39k
illustrate metallization width reduction at
bonding pad criteria for scratches. Void
criteria are similar.
c. Void(s) in the bonding pad area that expose c. Same as class H.
underlying material over more than 25 percent
of the original metallization area.
NOTE: For RF microwave elements on nonconductive
substrates, a void created in the bonding pad
area as a result of wire bond removal for
performance optimization or tuning, is not
rejectable provided that the void remains
entirely visible.

MIL-STD-883F
METHOD 2032.2
18 June 2004
43
Class H Class K
3.2.1.3 Metallization corrosion
.
a. Any metallization corrosion. a. Same as class H.
3.2.1.4 Metallization adherence
.
a. Any metallization lifting, peeling, or a. Same as class H.
blistering.
NOTE: Nodules are acceptable. In order
to determine if a bump in the metallization
is a blister or a nodule, attempt to
flatten the bump with a nonmetallic
instrument. If the bump flattens, then
it is a blister.
NOTE: These criteria are not applicable to
separation induced anomalies (for example,
metallization lifting due to scribe and
break or diamond sawing) since these are not
indicative of adhesion problems.
3.2.1.5 Metallization protrusion
.
a. More than 50 percent reduction of the original a. Same as class H.
design separation, between any protruding
metallization and adjacent metallization paths
(see figure 2032-41h).
FIGURE 2032-41h. Class H metallization protrusion criterion
.

MIL-STD-883F
METHOD 2032.2
18 June 2004
44
Class H Class K
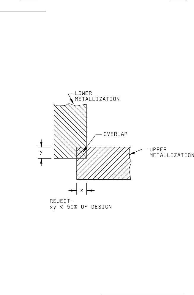
3.2.1.6 Metallization overlap
.
a. Contact overlap between the upper and lower a. Same as class H.
metallizations that is less than 50 percent
of the designed contact overlap area (see
figure 2032-42h).
NOTE: The overlap area is that area in which
the upper metallization actually contacts
the lower metallization.
FIGURE 2032-42h. Class H metallization overlap criterion
.