MIL- STD-883F 2004 TEST METHOD STANDARD MICROCIRCUITS - 第526页
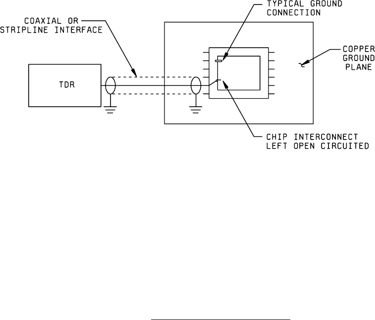
MIL-STD-883F METHOD 3017 29 May 1987 4 FIGURE 3017-1. Ti me domain ref lectomet er tes t set up .
MIL-STD-883F
METHOD 3017
29 May 1987
3
h. C
L
(min).
i. L
L
(max).
j. L
L
(min).
k. R
M
(max).
l. R
M
(min).
m. R
L
(max).
n. R
L
(min).
o. Package pins to be tested.
p. Package ground configuration.

MIL-STD-883F
METHOD 3017
29 May 1987
4
FIGURE 3017-1. Time domain reflectometer test setup
.

MIL-STD-883F
METHOD 3017
29 May 1987
5
FIGURE 3017-2. Test setup for dc resistance using a milliohmmeter
.