N7202A008B - 第53页
Ref No. Remark s R 1 Q'ty 9-B X軸:NP M-D X- Ax i s : NP M-D イラスト No. Part No. 品 名 品番 数量 R 2 パーツリスト Kit N o . キット品 番 Kit Name キット名称 N610109604AA Part Name 備 考 セクションNo. PARTS LIST Section No. R 3 BLOCK 4 1 N210145659AA…

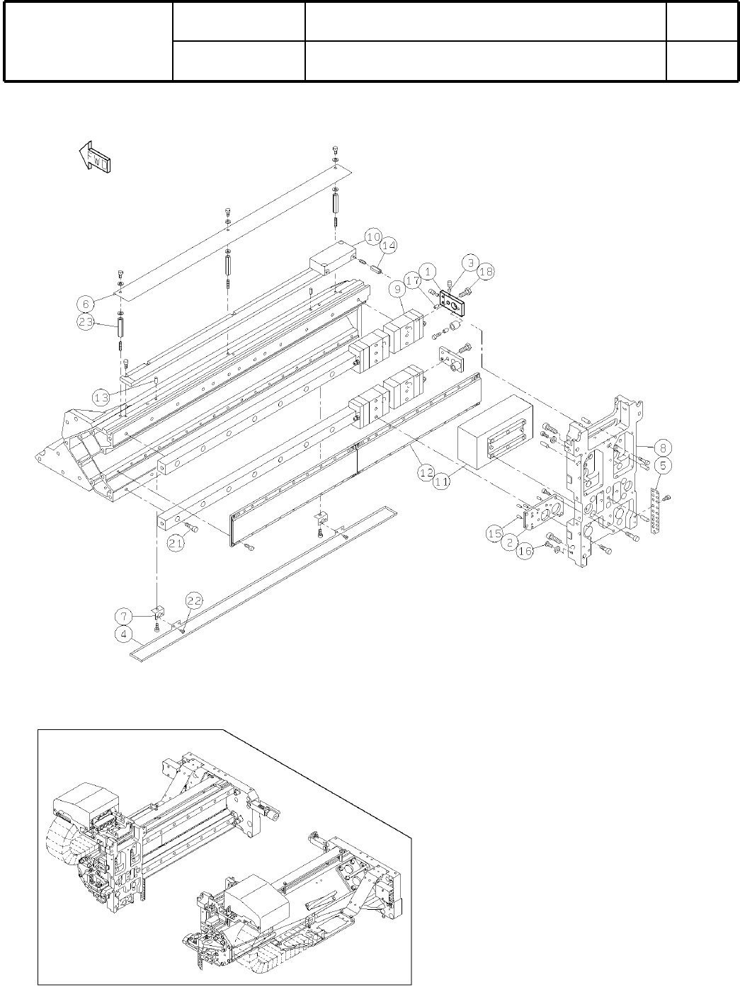
9-B
X軸:NPM-D
X-Axis:NPM-D
パーツレイアウト
Ki
t
N
o
.
キット
品番
Kit Name
キット名称
N610109604AA
セクションNo.
PARTS LAYOUT
Section No.
--
S31
( KN610109604AA-08-2 )

Ref
No.
Remarks
R
1
Q'ty
9-B
X軸:NPM-D
X-Axis:NPM-D
イラスト
No.
Part No.
品 名品番 数量
R
2
パーツリスト
Kit N
o
.
キット品
番
Kit Name
キット名称
N610109604AA
Part Name
備 考
セクションNo.
PARTS LIST
Section No.
R
3
BLOCK
4
1 N210145659AA
PLATE
2
2 N210093674AB
PIECE
8
3 N210109406AA
PAN
2
4 N210134643AA
PLATE
2
5 N210134648AC
COVER
2
6 N210134649AB
BRACKET
4
7 N210134655AB
PLATE
2
8 N610110948AB
LINEAR-WAY
4
9 N510056709AA LRXSC20C2R594E103
LINEAR-SCALE
2
10 N510054904AA ST773A-440PF3
MOTOR
2
11 N510055028AA
S
DS3045C1B1AA5B6
MOTOR
4
12 N510053955AA
S
DS045M288B04B
PIN
4
13 N986MMS410 MMS4-10
SPACER
4
14 N510029509AA ASF-418E
PIN
8
15 N510020589AA MMS3-8
BOLT
2
16 N510036670AA CCBS4-10
PIN
4
17 KXF0CXHAA00 1017003-40008
BOLT
4
18 N510045097AA
Hexagon head bolt Best class M6X16-6g 10T A2J (Trivalent) (MEC process:
BOLT
40
21 N510018819AA
Hexagon socket head cap screw M6X18-10.9 A2J (Trivalent)
BOLT
8
22 N510023522AA LH0305 Trivalent chromeite
SPACER
6
23 N510020146AA ASF-435E
S32
--
( KN610109604AA-08-2 )

9-C
X軸:NPM-D
X-Axis:NPM-D
パーツレイアウト
Ki
t
N
o
.
キット
品番
Kit Name
キット名称
N610109604AA
セクションNo.
PARTS LAYOUT
Section No.
--
S33
( KN610109604AA-08-3 )