RL131維修手冊 - 第69页
RL131 维修手册 4. 控制系统 DA8MCC-14-000-A 0 4-2 DA8MCC-14-000-A0 4. 控制系统 本章用图解对控制系统 进行说明。

RL131
维修手册
4. 控制系统
DA8MCC-14-000-A0
4-1
4. 控制系统

RL131
维修手册
4. 控制系统
DA8MCC-14-000-A0
4-2
DA8MCC-14-000-A0
4. 控制系统
本章用图解对控制系统进行说明。

RL131
维修手册
4.1 控制系统配置
DA8MCC-14-020-A0
4.1-1
4.1. 控制系统配置
DA8MCC-14-020-A0
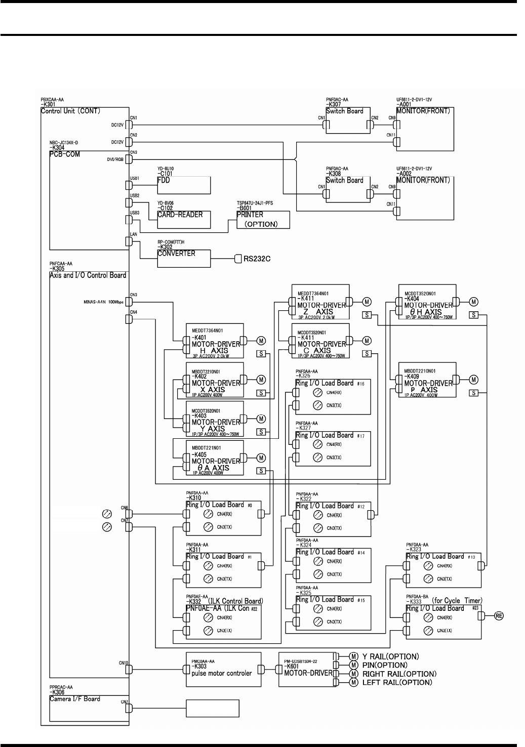
4.1.1 控制系统框图
孔位置照相
环状 I/O 的发送
环状 I/O 的接收