文档中心
/
Schmtic_XP242_XN48-152
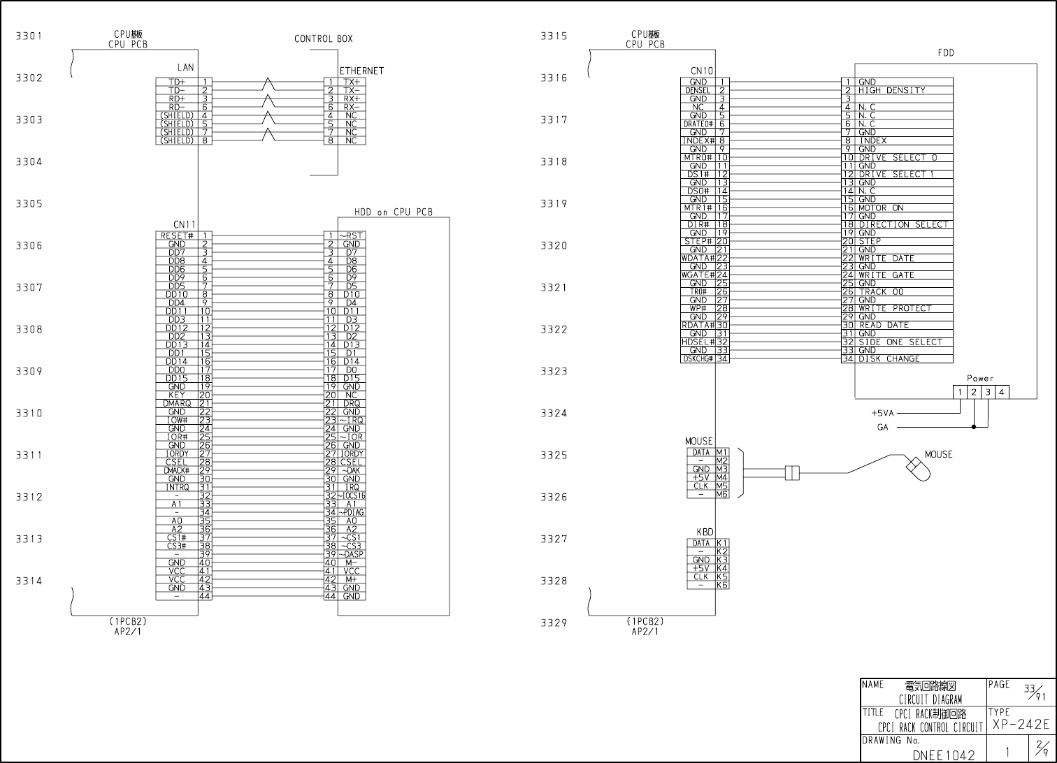
Schmtic_XP242_XN48-152 - 第38页
在线预览 Schmtic_XP242_XN48-152 PDF 文档。
目录
100%
显示:宽度
宽度
1 / 173
回到旧版
旧版
?
该页面需要启用 JavaScript 才能进行交互式预览。