MPM125电路图 - 第12页
1 1 2 2 3 3 4 4 5 5 6 6 7 7 8 8 A A B B C C D D E E FIGURE 5 REAR CONTROL MODULE P18-1 P18-2 P18-3 P18-4 1016699 ORG BLK YEL RED CAN NETWORK SIGNALS TO VISION X CONTROL MODULE RED BLK 2001578 TO SHEET 13, B1 FIGURE 6 700…

1
1
2
2
3
3
4
4
5
5
6
6
7
7
8
8
A A
B B
C C
D D
E E
CENTER CONTROL MODULE
FIGURE 4
DSUB-25
DSUB-7
DSUB-1
DSUB-14
DSUB-2
DSUB-15
DSUB-3
DSUB-16
(OPTION)
BRNP22-2
(PASTE DISPENSER OPTION)
(OPTION)
DSUB-4
25 PIN
D-SUB
CONNECTOR
BLKP22-1
DSUB-17VIOP22-8
BLUP22-7
P22-10
P22-12
P22-11
GRY
WHT/BLK
WHT
WHT/BRN
P22-9
VALVE STACK VS1
WHT/REDP22-14
P22-16
WHT/YEL
WHT/ORG
P22-15
DSUB-5
DSUB-18
PCB ASSEMBLY 1019701PART E
DSUB-6
DSUB-19
P22-4
P22-6
P22-5
RED
YEL
ORG
GRN
P22-3
1014765
DSUB-13
-EXTENDED I/O
-PNEUMATIC VALVE STACK
VALVE IS ON
1019843 SHEET 1, A4
SPARE
VALVE IS ON
1019843 SHEET 2, A7
VALVE IS ON
1019843 SHEET 1, B4
VALVE IS ON
1019843 SHEET 1, A7
SPARE
VALVE IS ON
1019843 SHEET 2, A2
VALVE IS ON
1019843 SHEET 1, B7
VALVE IS ON
1019843 SHEET 2, B2
VALVE IS ON
1019843 SHEET 2, D2
VALVE IS ON
1019843 SHEET 2, D2
VALVE IS ON
1019843 SHEET 1, B7
VALVE IS ON
1019843 SHEET 2, B7
......FROM SHEET 9, D4........
......END OF CENTER CONTROL MODULE........
SCHEMATIC 1019703
ON
123
456
7
8
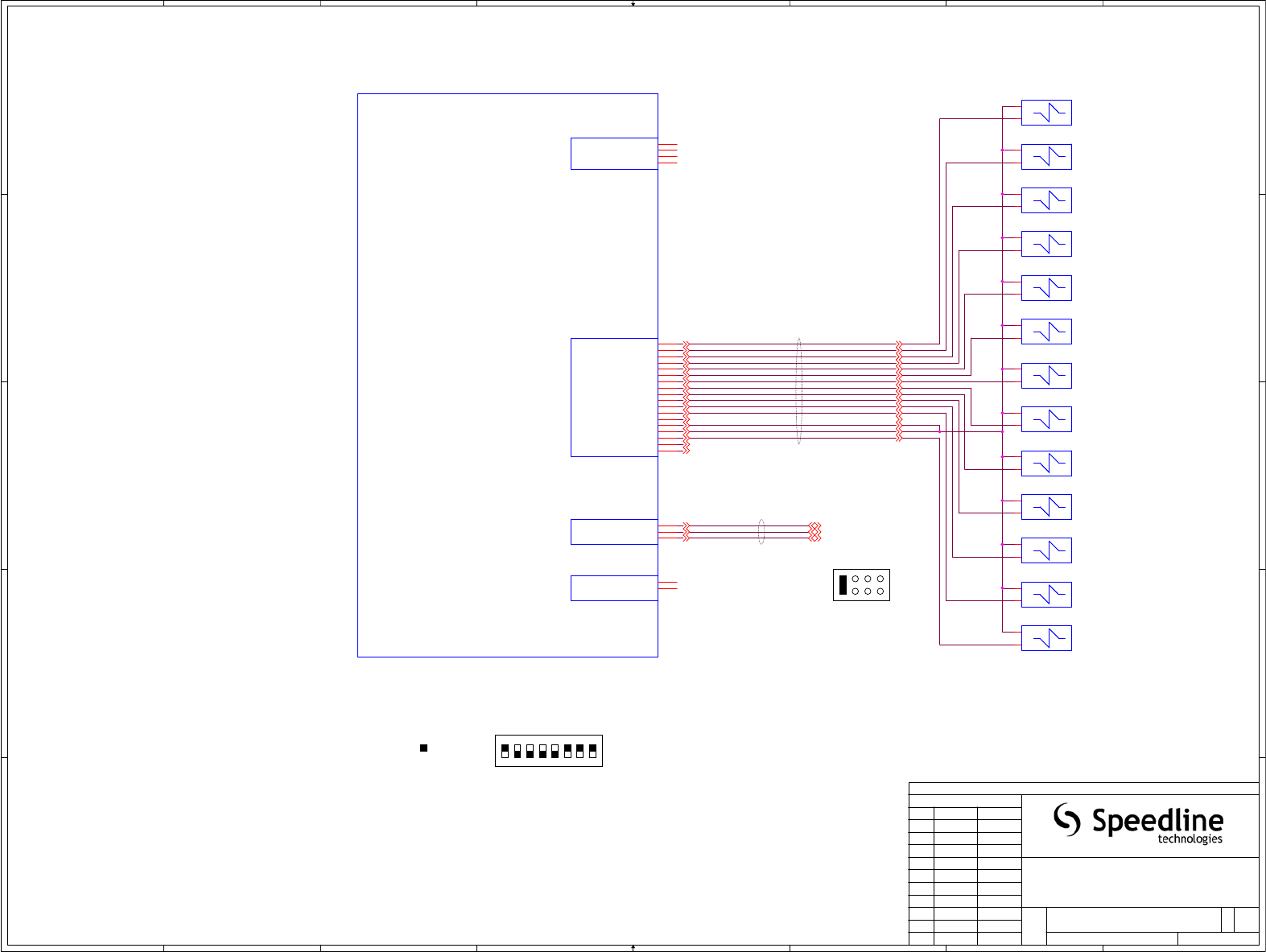
DIP Switch Setting
for CENTER CONTROL
INTERFACE, E7
PHYTEC - CANopen ChipF40 I/O CONFIGURATION
= switch position
(PASTE DISPENSER OPTION)
P36-1
PART OF 1016051
P36-2
P36-3
BLU
WHT
BRN
(OPTION)
TO SHEET 17, C1-D1
EDGELOC
SIGNALS
JP4 JUMPER SETTING
1357
2
WHEN EDGELOC
OPTION IS INSTALLED
684
CONFIDENTIAL PROPERTY DO NOT DUPLICATE WITHOUT PRIOR WRITTEN CONSENT
APPROVALS
INITIAL DATE
DRN
ENG
CHK
DQA
MFE
PGM
REG
TITLE
SIZE
C
SCALE:
DWG NO.
SHEETS:
R
16 Forge Park, Franklin Ma. 02038 U.S.A.
E
V
2001770
SCHEMATIC,MACHINE ELECTRICAL
MOMENTUM COMPACT,BTB
A
NONE 10 OF 18
02/28/14
02/28/14
SWH
02/28/14
/ /
/ /
/ /
/ /
SWH
REN
---
---
---
---
CONFIDENTIAL PROPERTY DO NOT DUPLICATE WITHOUT PRIOR WRITTEN CONSENT
APPROVALS
INITIAL DATE
DRN
ENG
CHK
DQA
MFE
PGM
REG
TITLE
SIZE
C
SCALE:
DWG NO.
SHEETS:
R
16 Forge Park, Franklin Ma. 02038 U.S.A.
E
V
2001770
SCHEMATIC,MACHINE ELECTRICAL
MOMENTUM COMPACT,BTB
A
NONE 10 OF 18
02/28/14
02/28/14
SWH
02/28/14
/ /
/ /
/ /
/ /
SWH
REN
---
---
---
---
CONFIDENTIAL PROPERTY DO NOT DUPLICATE WITHOUT PRIOR WRITTEN CONSENT
APPROVALS
INITIAL DATE
DRN
ENG
CHK
DQA
MFE
PGM
REG
TITLE
SIZE
C
SCALE:
DWG NO.
SHEETS:
R
16 Forge Park, Franklin Ma. 02038 U.S.A.
E
V
2001770
SCHEMATIC,MACHINE ELECTRICAL
MOMENTUM COMPACT,BTB
A
NONE 10 OF 18
02/28/14
02/28/14
SWH
02/28/14
/ /
/ /
/ /
/ /
SWH
REN
---
---
---
---
YV10
DISPENSER DOWN
YV10
DISPENSER DOWN
.
1
.
2
YV12
VACUUM GATE
YV12
VACUUM GATE
.
1
.
2
YV9
WIPER PLENUM UP
YV9
WIPER PLENUM UP
.
1
.
2
YV11
DISPENSER PASTE AIR
YV11
DISPENSER PASTE AIR
.
1
.
2
YV8
STENCIL LOAD PIN
YV8
STENCIL LOAD PIN
.
1
.
2
YV7
STENCIL FRAME CLAMPS
YV7
STENCIL FRAME CLAMPS
.
1
.
2
YV6
SPARE
YV6
SPARE
.
1
.
2
YV2
SPARE
YV2
SPARE
.
1
.
2
YV5
BOARD STOP
YV5
BOARD STOP
.
1
.
2
YV4
HOOD FRONT LOCK
YV4
HOOD FRONT LOCK
.
1
.
2
YV3
TABLE HARD STOP
YV3
TABLE HARD STOP
.
1
.
2
YV13
TOOLING VACUUM
YV13
TOOLING VACUUM
.
1
.
2
PART OF CENTER CONTROL INTERFACE PCB ASSEMBLY 1019701
J22
PNEUMATIC
VALVE STACK
J36
SNUGGER FORCE
J40
SPARE ANALOG
OUTPUT
J03
TOOLING INDEX
MOTOR
PCB1-E
PART OF CENTER CONTROL INTERFACE PCB ASSEMBLY 1019701
J22
PNEUMATIC
VALVE STACK
J36
SNUGGER FORCE
J40
SPARE ANALOG
OUTPUT
J03
TOOLING INDEX
MOTOR
PCB1-E
DCOM
J22-18
DCOM
J22-17
YROUT4
J22-16
P24M
J22-15
P24M
J22-14
P24M
J22-13
EOUT7
J22-12
EOUT15
J22-11
EOUT14
J22-10
EOUT13
J22-9
EOUT12
J22-8
EOUT11
J22-7
EOUT10
J22-6
EOUT9
J22-5
EOUT6
J22-4
EOUT5
J22-3
EOUT4
J22-2
EOUT1
J22-1
AOUT2
J40-2
DCOM
J40-1
P24M
J36-3
AOUT1
J36-2
DCOM
J36-1
IDXM-
J03-1
N/C
J03-2
N/C
J03-3
IDXM+
J03-4
YV1
TABLE PRE-LOAD
YV1
TABLE PRE-LOAD
.
1
.
2

1
1
2
2
3
3
4
4
5
5
6
6
7
7
8
8
A A
B B
C C
D D
E E
FIGURE 5
REAR CONTROL MODULE
P18-1
P18-2
P18-3
P18-4
1016699
ORG
BLK
YEL
RED
CAN NETWORK SIGNALS
TO VISION X CONTROL
MODULE
RED
BLK
2001578
TO SHEET 13, B1
FIGURE 6
7002
7003
7005
P10253
7001
P18-5
37SKA-2
GRN/YEL
1014700
PCB ASSEMBLY 1019704 PART A
1014655
WHT/BLU
WHT/BLU
P1-1
P1-2
BLU
P1-3BLU
P1-4
BLU
P1-5
BLU
P1-6
P1-7GRN/YEL
37PLA-1
DC POWER TO
POWER CONTROL MODULE
XT4 11B - 19B
7002
TO SHEET 3, A7
FIGURE 2
7003
7005
P10253
7001
37PLA-2
TO SHEET 6, B1
FIGURE 4
CAN NETWORK SIGNALS
TO CENTER CONTROL
MODULE
P15-2
P15-4
1012812
RED
BLK
37SKA-1
BLK
RED
1014695
-PRINT Y
-DC POWER
-CAN NETWORK
......Beginning of Rear Control Interface Module........
......Continues on sheet 12, A4........
SCHEMATIC 1019706
1015078
1014836
P8-1
P8-2
P8-3BRN
BLK
BLU
BLK
P7-1
P6-1
P7-2
P7-3
P6-2
P6-3
J16-1
J16-2
J16-3
1015856
BRN
BLK
BLU
BRN
RED
RED
J143-3 P43-1
(CAPACITIVE)
(OPTICAL)
BLK
J143-1
WHT
BLK
BLU
P43-3
P12-1
P12-2
P12-3
2001579
J18-1
J18-2
BLU
BLK
J18-3
BRN
2001577
1014848
BLK
RED
J17-1
J17-2
P17-1
P17-2
J17-3P17-3
1015079
P18-1
P18-2
BRN
BLK
BLU
P18-3
P16-1
P16-2
P16-3
1015855
BLU
BLK
BRN
9.9 Arms full load
ORG
RED
BLK
BRN
P16-2
P16-4
P17-2
P17-4
TO QUIK-TOOL TOOLING (OPTION)
TO SHEET 15, D7
FIGURE 5.2
1017732
(PINS)
(LOCK)
2001244
P18A-1
P18A-2
P18A-3
P18A-4
P18A-5
2001570 EXTENSION
BLK
RED
GRN
WHT
GRN/YEL
J18A-1
J18A-2
J18A-3
J18A-4
J18A-5
BLK
RED
2001525
BLK
RED
2001525 2001244
BLK
RED
P43A-1 P43-1
P43A-3 P43-3
NOTE:2001598,2001525 ARE INSTALLED ON
MOMENTUM HIE BTB.(THE TWO FANS MOUNT ON TWO SIDES.)
J43-1
J43-3
REAR CONTROL PCB J43
J43A-1
J43A-3J43B-3
J43B-1
J43C-3
J43C-1
2001598
NOTE:2001244,1014848 ARE INSTALLED ON MOMENTUM COMPACT.
PR2-3
PR2-2
PR2-1
PR2-5
2019
2000
0000
2012
2018
2014
2000
PR1-3
PR1-2
PR1-1
PR1-5
CONFIDENTIAL PROPERTY DO NOT DUPLICATE WITHOUT PRIOR WRITTEN CONSENT
APPROVALS
INITIAL DATE
DRN
ENG
CHK
DQA
MFE
PGM
REG
TITLE
SIZE
C
SCALE:
DWG NO.
SHEETS:
R
16 Forge Park, Franklin Ma. 02038 U.S.A.
E
V
2001770
SCHEMATIC,MACHINE ELECTRICAL
MOMENTUM COMPACT,BTB
A
NONE 11 OF 18
02/28/14
02/28/14
SWH
02/28/14
/ /
/ /
/ /
/ /
SWH
REN
---
---
---
---
CONFIDENTIAL PROPERTY DO NOT DUPLICATE WITHOUT PRIOR WRITTEN CONSENT
APPROVALS
INITIAL DATE
DRN
ENG
CHK
DQA
MFE
PGM
REG
TITLE
SIZE
C
SCALE:
DWG NO.
SHEETS:
R
16 Forge Park, Franklin Ma. 02038 U.S.A.
E
V
2001770
SCHEMATIC,MACHINE ELECTRICAL
MOMENTUM COMPACT,BTB
A
NONE 11 OF 18
02/28/14
02/28/14
SWH
02/28/14
/ /
/ /
/ /
/ /
SWH
REN
---
---
---
---
CONFIDENTIAL PROPERTY DO NOT DUPLICATE WITHOUT PRIOR WRITTEN CONSENT
APPROVALS
INITIAL DATE
DRN
ENG
CHK
DQA
MFE
PGM
REG
TITLE
SIZE
C
SCALE:
DWG NO.
SHEETS:
R
16 Forge Park, Franklin Ma. 02038 U.S.A.
E
V
2001770
SCHEMATIC,MACHINE ELECTRICAL
MOMENTUM COMPACT,BTB
A
NONE 11 OF 18
02/28/14
02/28/14
SWH
02/28/14
/ /
/ /
/ /
/ /
SWH
REN
---
---
---
---
STEPPER
MOTOR
M8
PRINT Y
STEPPER
MOTOR
M8
PRINT Y
A
A-
B-
B
GND
FN7
RIGHT PANEL FAN
FN7
RIGHT PANEL FAN
1
+
2
-
ES10
PRINT Y LIMIT
ES10
PRINT Y LIMIT
VCC +
1
L
2
OUT
3
GND -
4
JR4
PRINT Y
RS-232
J1
DC
POWER
J2
DC POWER
JR1
CAN
NETWORK
JR2
CAN
NETWORK
JR3
CAN
NETWORK
PART OF REAR OPTION CONTROL INTERFACE PCB ASSEMBLY 1019704
J3
CAN NETWORK
TERMINATION
J12
PRINT Y LIMIT
J5
SPARE INPUT
J43
SPARE INPUT
J7
WIPER SOLVENT
AVAILABLE
J8
WIPER SOLVENT
LEAKING
J9
SPARE INPUT
J10
SPARE INPUT
J11
SPARE INPUT
J13
SPARE INPUT
J18
PRINT Y
MOTOR
J15
INTERIOR LIGHT
J16
SPARE OUTPUT
J17
SPARE OUTPUT
J14
SPARE OUTPUT
J4
COOLING FAN 1
J41
COOLING FAN 2
J44
INHIBIT PULL
DOWN RESISTORS
J6
WIPER PAPER
ENCODER
PCB2-A
JR4
PRINT Y
RS-232
J1
DC
POWER
J2
DC POWER
JR1
CAN
NETWORK
JR2
CAN
NETWORK
JR3
CAN
NETWORK
PART OF REAR OPTION CONTROL INTERFACE PCB ASSEMBLY 1019704
J3
CAN NETWORK
TERMINATION
J12
PRINT Y LIMIT
J5
SPARE INPUT
J43
SPARE INPUT
J7
WIPER SOLVENT
AVAILABLE
J8
WIPER SOLVENT
LEAKING
J9
SPARE INPUT
J10
SPARE INPUT
J11
SPARE INPUT
J13
SPARE INPUT
J18
PRINT Y
MOTOR
J15
INTERIOR LIGHT
J16
SPARE OUTPUT
J17
SPARE OUTPUT
J14
SPARE OUTPUT
J4
COOLING FAN 1
J41
COOLING FAN 2
J44
INHIBIT PULL
DOWN RESISTORS
J6
WIPER PAPER
ENCODER
PCB2-A
P24M
J1-1
P24C
J1-2
P80M1
J1-3
P80M2
J1-4
DCOM
J1-5
DCOM
J1-6
GND
J1-7
P24M
J2-1
P24C
J2-2
P80M1
J2-3
P80M2
J2-4
DCOM
J2-5
DCOM
J2-6
GND
J2-7
CAN-H
JR1-1
CAN-L
JR1-2
CCOM & SHIELD
JR1-3
INH
JR1-5
CAN-H
JR2-1
CAN-L
JR2-2
CCOM & SHIELD
JR2-3
INH
JR2-5
CAN-H
JR3-1
CAN-L
JR3-2
CCOM & SHIELD
JR3-3
INH
JR3-5
CAN-H
J3-1
CAN-L
J3-2
DCOM
J12-1
PRINT Y IN2
J12-2
P24C
J12-3
DCOM
J5-1
PRINT Y IN3
J5-2
P24C
J5-3
DCOM
J6-1
PRINT Y IN5
J6-2
P24C
J6-3
DCOM
J43-1
PRINT Y IN6
J43-2
P24C
J43-3
DCOM
J7-1
PRINT Y IN7
J7-2
P24C
J7-3
DCOM
J8-1
PRINT Y IN8
J8-2
P24C
J8-3
P24C
J9-3
PRINT Y IN9
J9-2
DCOM
J9-1
DCOM
J10-1
PRINT Y IN10
J10-2
P24C
J10-3
DCOM
J11-1
PRINT Y IN11
J11-2
P24C
J11-3
DCOM
J13-1
PRINT Y IN12
J13-2
P24C
J13-3
N/C
JR4-1
PRINT Y RxD
JR4-2
DCOM
JR4-3
DCOM
JR4-4
PRINT Y TxD
JR4-5
N/C
JR4-6
MOTOR A+
J18-1
MOTOR A-
J18-2
MOTOR B+
J18-3
MOTOR B-
J18-4
GND
J18-5
DCOM
J14-1
PRINT Y OUT1
J14-2
DCOM
J14-3
P24M
J14-4
DCOM
J15-1
PRINT Y OUT2
J15-2
DCOM
J15-3
P24M
J15-4
DCOM
J16-1
PRINT Y OUT3
J16-2
DCOM
J16-3
P24M
J16-4
DCOM
J17-1
PRINT Y OUT4
J17-2
DCOM
J17-3
P24M
J17-4
P24C
J4-1
DCOM
J4-1
P24C
J41-1
DCOM
J41-1
INHIBIT
J44-1
DCOM
J44-2
INHIBIT
J44-3
DCOM
J44-4
180 Ohm
R6
180 Ohm
R6
FN8
REAR PANEL FAN 1
FN8
REAR PANEL FAN 1
1
+
2
-
FN8
LEFT PANEL FAN
FN8
LEFT PANEL FAN
1
+
2
-
ES22
WIPER PAPER ENCODER
ES22
WIPER PAPER ENCODER
VCC +
1
L
2
OUT
3
GND -
4
FN7
REAR PANEL FAN 2
FN7
REAR PANEL FAN 2
1
+
2
-
LIQUID
LEVEL
SWITCH
SL1
SOLVENT LEAKING
LIQUID
LEVEL
SWITCH
SL1
SOLVENT LEAKING
VCC
CTRL
GND
FN3
RCM COOLING FAN 1
FN3
RCM COOLING FAN 1
+
1
-
2
PROXIMITY
SENSOR
SQ2
SOLVENT AVAILABLE
PROXIMITY
SENSOR
SQ2
SOLVENT AVAILABLE
V +
1
OUT N.C.
2
OUT N.O.
3
V -
4
EL1
FLOURESCENT WORKLIGHT
EL1
FLOURESCENT WORKLIGHT

1
1
2
2
3
3
4
4
5
5
6
6
7
7
8
8
A A
B B
C C
D D
E E
FIGURE 5
REAR CONTROL MODULE
-STENCIL WIPER I/O
-VISION Y
P23-1
P23-2
P23-3
1017919
BLU
BLK
PCB ASSEMBLY 1019704 PART B
BRN
P24-1
P24-2
P24-3
1014703
BLU
BLK
BRN
2001582
P25-1
P25-2
P25-3
RED
WHT
P26-1
P26-2
P26-3
1014865
BLU
BLK
BRN
BLK
1015738
BRN
BLK
BLU J125-1
J125-2
J125-3
P125-1
P125-2
P125-3
P29-1
P29-2
P29-3
P29-4
1014373-02
ORG
BLK
YEL
RED
P29-5
GRN/YEL
HA1
1016503
RED
P35-1
P35-2
BLU
P135-1
P135-2
P136-1
P136-2
1014404
RED
BLK
1015137
RED
BLK
J135-1
RED
BLUE
J135-2
AMBER
GREEN
ALARM (OPTION)
P138-2
P138-1
P38-2
P38-4
BRN
BLU J138-1
J138-2
1015077
P36-1
P36-2
J136-2
J136-1
1014754
P40-2
RED
P40-3
GRN
P40-4
WHT
P40-5
BLU
P40-6
BRN
P40-9
BLK
......FROM SHEET 11, E4........
......END OF REAR CONTROL MODULE........
SCHEMATIC 1019706
DIP Switch Setting
for REAR CONTROL
INTERFACE, E4
PHYTEC - CANopen ChipF40 I/O CONFIGURATION
= switch position
ON
123
456
7
8
1015581
BRN
GRY
WHT
P30-1
P30-2
P30-3
P30-6
P30-7
P30-8
P30-9
P30-10
P30-11
GRN
GRN/BLK
BLU
BLU/BLK
BLK
RED
NOTE: WHEN SERVO MOTOR IS
INSTALLED, M9 STEPPER MOTOR IS
REMOVED AND REPLACED WITH M9
SERVO MOTOR. THE MOTOR
CONNECTIONS ON J29 ARE DUAL
FUNCTION. MOTOR DETAILS ARE ON
SHEET 16.
VIO
BRN
BLU
GRN/YEL
TO SHEET 16, C3-D3
SERVO ENCODER
SIGNALS
STANDARD MACHINE CONFIGURATION
WITH STEPPER MOTOR
P42-4 TO SHEET 16, D3
SERVO ENCODER
POWER
2001575
BLK
BRN
ORG
P42-1
P42-2
P42-3
RED
SERVO MOTOR
SIGNALS
TO SHEET 16, C3
8.6 Arms full load
1.2 Adc full load
24 Vdc
24 Vdc
1.2 Adc full load
24 Vdc
0.46 Adc full load
SOLVENT PUMP REFERENCE IS ON
1015943 DOCUMENT
2001576
TO SHEET 19, E1
FIGURE 5.4
(PASTE HEIGHT
MONITOR OPTION)
1018397
1018383
BLU
WHT
BRN
1
2
3
1
2
3
P32-1
P32-2
P32-4
BLU
WHT
BRN
BLK
P33-1
P33-2
P39-4
TO SHEET 18, D6
FIGURE 5.3
TO ENCLOSED FLOW PUMP
CONTROL MODULE
1018989
BLK
BLU
BRN
(ENCLOSED FLOW PUMP OPTION)
J29A-4
J29A-1
J29A-2
J29A-3
P29A-4
P29A-1
P29A-2
P29A-3
2001271 EXTENSION
1019393 EXTENSION
J30A-6
J30A-1
J30A-2
J30A-3
P30A-6
P30A-1
P30A-2
P30A-3
J30A-7 P30A-7
J30A-8 P30A-8
J30A-9 P30A-9
J30A-10 P30A-10
J30A-11 P30A-11
BRN
GRY
WHT
GRN
WHT/BRN
BLU
WHT/BLK
BLK
RED
WHT
BLK
RED
GRN
P40A-5
P40A-2J40A-2
J40A-5
P40A-3
P40A-4J40A-4
J40A-3
P40A-9
P40A-6J40A-6
J40A-9
2001580 EXTENSION
P19-1
P19-2
P19-3
TO SHEET 18, C1
FIGURE 5.4
(ENCLOSED FLOW
PRINT Y LIMIT)
BLU
BLK
BRN
1017768
JP1 JUMPER SETTING
1357
2
WHEN ENCLOSED FLOW
OPTION IS INSTALLED
684
WHEN VARIABLE SPEED
WORKNEST VACUUM
BLOWER IS INSTALLED
C
TO SHEET 2, D6
FIGURE 2.2
TO 0-10V BLOWER
SPEED CONTROL
(0-10V BLOWER SPEED OPTION)
1020381
BLK
WHT
P34-1
P34-2
2001270 EXTENSION
GRN
BLK
RED
WHT
GRN/YEL
CONFIDENTIAL PROPERTY DO NOT DUPLICATE WITHOUT PRIOR WRITTEN CONSENT
APPROVALS
INITIAL DATE
DRN
ENG
CHK
DQA
MFE
PGM
REG
TITLE
SIZE
C
SCALE:
DWG NO.
SHEETS:
R
16 Forge Park, Franklin Ma. 02038 U.S.A.
E
V
2001770
SCHEMATIC,MACHINE ELECTRICAL
MOMENTUM COMPACT,BTB
A
NONE 12 OF 18
02/28/14
02/28/14
SWH
02/28/14
/ /
/ /
/ /
/ /
SWH
REN
---
---
---
---
CONFIDENTIAL PROPERTY DO NOT DUPLICATE WITHOUT PRIOR WRITTEN CONSENT
APPROVALS
INITIAL DATE
DRN
ENG
CHK
DQA
MFE
PGM
REG
TITLE
SIZE
C
SCALE:
DWG NO.
SHEETS:
R
16 Forge Park, Franklin Ma. 02038 U.S.A.
E
V
2001770
SCHEMATIC,MACHINE ELECTRICAL
MOMENTUM COMPACT,BTB
A
NONE 12 OF 18
02/28/14
02/28/14
SWH
02/28/14
/ /
/ /
/ /
/ /
SWH
REN
---
---
---
---
CONFIDENTIAL PROPERTY DO NOT DUPLICATE WITHOUT PRIOR WRITTEN CONSENT
APPROVALS
INITIAL DATE
DRN
ENG
CHK
DQA
MFE
PGM
REG
TITLE
SIZE
C
SCALE:
DWG NO.
SHEETS:
R
16 Forge Park, Franklin Ma. 02038 U.S.A.
E
V
2001770
SCHEMATIC,MACHINE ELECTRICAL
MOMENTUM COMPACT,BTB
A
NONE 12 OF 18
02/28/14
02/28/14
SWH
02/28/14
/ /
/ /
/ /
/ /
SWH
REN
---
---
---
---
HL3
LAMP
HL3
LAMP
LIGHT TOWERLIGHT TOWER
LAMP
HL1
LAMP
HL1
JR5
VISION Y
RS-232
PART OF REAR OPTION CONTROL INTERFACE PCB ASSEMBLY 1019704
J29
VISION Y
MOTOR
J30
VISION Y SERVO
MOTOR FEEDBACK
J42
SPEED
ENHANCEMENT
SERVO POWER
J27
SPARE OUTPUT
J28
SPARE OUTPUT
J23
VISION Y LIMIT
POSITIVE
J24
VISION Y LIMIT
NEGATIVE
J19
PRINT Y LIMIT
J20
WIPER PLENUM
UP
J21
SPARE INPUT
J22
WIPER LATCHED
J25
WIPER PAPER
OUT
J26
WIPER PARK
J32
PASTE HEIGHT
INPUT
J31
WIPER PAPER
ROLL DIAMETER
J39
SPARE OUTPUT
J34
SPARE ANALOG
OUTPUT
J35
WIPER PAPER
MOTOR
J33
CARTRIDGE FILL
OUTPUT
J36
SOLVENT ROLLER
MOTOR
J40
LIGHT TOWER
J37
SPARE OUTPUT
J38
SOLVENT PUMP
MOTOR
Vision Y axis drive module
Extended I/O Stencil Wiper
PCB2-B
JR5
VISION Y
RS-232
PART OF REAR OPTION CONTROL INTERFACE PCB ASSEMBLY 1019704
J29
VISION Y
MOTOR
J30
VISION Y SERVO
MOTOR FEEDBACK
J42
SPEED
ENHANCEMENT
SERVO POWER
J27
SPARE OUTPUT
J28
SPARE OUTPUT
J23
VISION Y LIMIT
POSITIVE
J24
VISION Y LIMIT
NEGATIVE
J19
PRINT Y LIMIT
J20
WIPER PLENUM
UP
J21
SPARE INPUT
J22
WIPER LATCHED
J25
WIPER PAPER
OUT
J26
WIPER PARK
J32
PASTE HEIGHT
INPUT
J31
WIPER PAPER
ROLL DIAMETER
J39
SPARE OUTPUT
J34
SPARE ANALOG
OUTPUT
J35
WIPER PAPER
MOTOR
J33
CARTRIDGE FILL
OUTPUT
J36
SOLVENT ROLLER
MOTOR
J40
LIGHT TOWER
J37
SPARE OUTPUT
J38
SOLVENT PUMP
MOTOR
Vision Y axis drive module
Extended I/O Stencil Wiper
PCB2-B
DCOM
J23-1
VISION Y IN2
J23-2
P24C
J23-3
DCOM
J24-1
VISION Y IN3
J24-2
P24C
J24-3
DCOM
J19-1
VISION Y IN5
J19-2
P24C
J19-3
DCOM
J20-1
VISION Y IN6
J20-2
P24C
J20-3
DCOM
J21-1
VISION Y IN7
J21-2
P24C
J21-3
DCOM
J22-1
VISION Y IN8
J22-2
P24C
J22-3
P24C
J25-3
VISION Y IN9
J25-2
DCOM
J25-1
DCOM
J26-1
VISION Y IN10
J26-2
P24C
J26-3
N/C
JR5-1
PRINT Y RxD
JR5-2
DCOM
JR5-3
DCOM
JR5-4
PRINT Y TxD
JR5-5
N/C
JR5-6
MOTOR A+
J29-1
MOTOR A-/W
J29-2
MOTOR B+/V
J29-3
MOTOR B-/U
J29-4
GND
J29-5
VISION Y OUT1
J42-1
VISION Y OUT2
J42-2
P5C
J42-3
P5C
J42-4
DCOM
J27-1
VISION Y OUT1
J27-2
DCOM
J27-3
P24M
J27-4
DCOM
J28-1
VISION Y OUT2
J28-2
DCOM
J28-3
P24M
J28-4
HALL U
J30-1
HALL V
J30-2
HALL W
J30-3
ENCOD X
J30-4
ENCOD /X
J30-5
ENCOD B
J30-6
ENCOD /B
J30-7
ENCOD A
J30-8
ENCOD /A
J30-9
DCOM
J30-10
P5C
J30-11
DCOM
J30-12
P5C
J30-13
N/C
J30-14
DCOM
J31-1
AINBO
J31-2
P5C
J31-3
DCOM
J32-1
AINB1
J32-2
P5C
J32-3
PWMB2
J33-1
DCOM
J33-2
PWMB3
J34-1
DCOM
J34-2
P24M
J35-1
PWMB0
J35-2
P24M
J36-1
PWMB1
J36-2
DCOM
J37-1
DOB0
J37-2
DCOM
J37-3
P24M
J37-4
DCOM
J38-1
DOB1
J38-2
DCOM
J38-3
P24M
J38-4
DCOM
J39-1
DOB2
J39-2
DCOM
J39-3
P24M
J39-4
DCOM
J40-1
DOB3
J40-2
DOB4
J40-3
DOB5
J40-4
DOB6
J40-5
DOB7
J40-6
DCOM
J40-7
P24M
J40-8
P24M
J40-9
N/C
J40-10
P24C
J32-4
-+
M14
SOLVENT ROLLER MOTOR
-+
M14
SOLVENT ROLLER MOTOR
ES14
WIPER PARK
ES14
WIPER PARK
VCC +
1
L
2
OUT
3
GND -
4
LAMP
HL2
LAMP
HL2
ES11
VISION Y LIMIT POSITIVE
ES11
VISION Y LIMIT POSITIVE
VCC +
1
L
2
OUT
3
GND -
4
-
+
M15
SOLVENT PUMP MOTOR
-
+
M15
SOLVENT PUMP MOTOR
LAMP
HL4
LAMP
HL4
-
+
M13
WIPER PAPER MOTOR
-
+
M13
WIPER PAPER MOTOR
SOLID
STATE
SWITCH
ES13
WIPER PAPER EMPTY
SOLID
STATE
SWITCH
ES13
WIPER PAPER EMPTY
DC -
OUT
DC +
STEPPER
MOTOR
M9
VISION Y
STEPPER
MOTOR
M9
VISION Y
A
A-
B-
B
GND
ES12
VISION Y LIMIT NEGATIVE
ES12
VISION Y LIMIT NEGATIVE
VCC +
1
L
2
OUT
3
GND -
4