444CEMMB-CM202 - 第101页
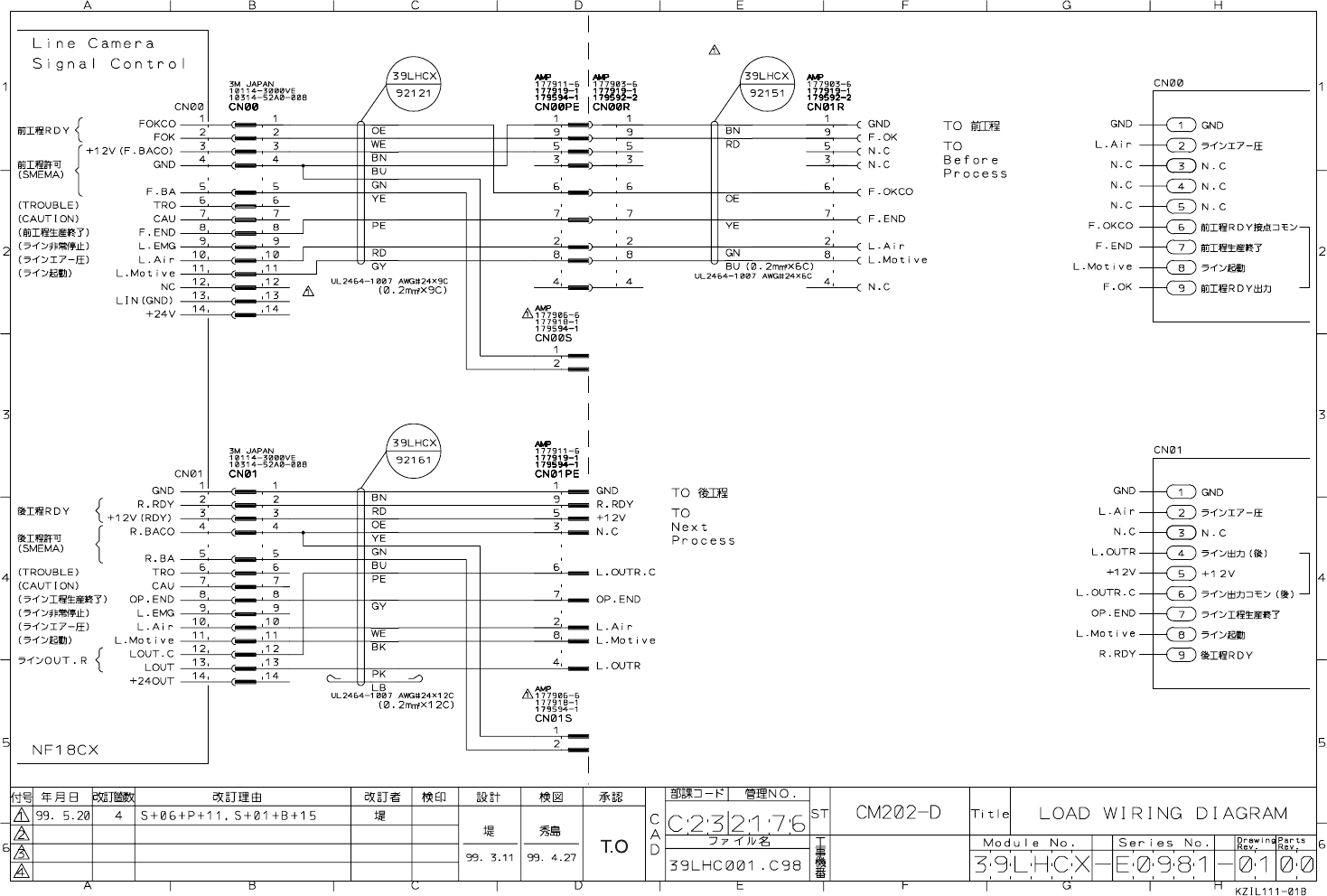
444C-E-MMA0A-A00-00 Appendix B LOAD WIRING DIAGRAM B-3 LOAD WIRING DIAGRAM (ONL Y FOR DU SPECIFICA TIONS)

444C-E-MMA0A-A00-00
Appendix B
LOAD WIRING DIAGRAM
B-3 LOAD WIRING DIAGRAM (ONLY FOR DU SPECIFICATIONS)

T.O
444C-E-MMA0A-A00-00 Appendix B LOAD WIRING DIAGRAM B-3 LOAD WIRING DIAGRAM (ONL Y FOR DU SPECIFICA TIONS)

