CTF-Rev07.pdf - 第4页

- 2 - NOTE( 注記 ) #01....FOR CF05HP,C N05HP CF 05 HP,CN 05 H P 用 #02....FOR CF08HE, CN08HE CF 08 HE,CN 08 H E 用 #03....FOR CF08 1E,CF081P,CN081E, CF 08 1 E, CF 081 P, CN 081 E, C N 0 8 1 P , C * 8 L 1 E / P C N0 8 1P , C*…

100%1 / 7
- 1 -
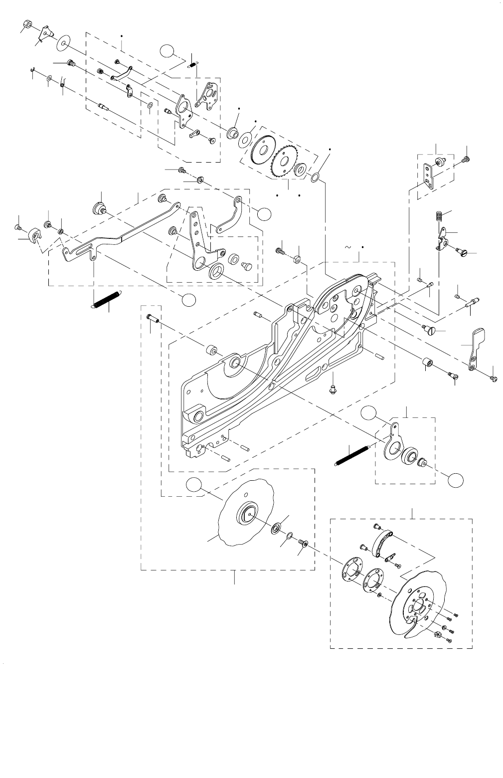
1. CTF(1)
55
35
37
C
B
C
12
33
32
7
5
6
41
20
21
34
40
39
15
48
22
10
11 45
16
38
14
47
36
B
A
17
44
28
18
25
19
A
29
8
9
23
24
26
27
30
31
1
4 46
43
49
50
52
53
51
54
13
42
57
56
58
- 2 -
NOTE( 注記 ) #01....FOR CF05HP,CN05HP CF 05 HP,CN 05
#02....FOR CF08HE,CN08HE CF 08 HE,CN 08
#03....FOR CF081E,CF081P,CN081E, CF 08 E,CF 081 P,CN 081 E,
CN081P,C*8L1E/P N01PC*8L1E/P用
#04....FOR CF* CF *用
#05....FOR CF05HP,CN05HP, CF 05 HP,CN 05 P,
CF08HE,CN08HE CF 08 HE,CN 08 HE
#06....FOR CN081C,CN8L1C CN 081 C,CN
#07....FOR CF03HP CF 03 HP
#08....FOR CF081E,CF081P, CF 081 E,CF 081 P,
CN081E,CN081P,CN081C, CN 081 E,CN 081 P,CN 081 C,
C*8L1E/P/C C*8L1E/P/C用
REF.NO NOTE PART NO D E S C R I P T I O N
品 名
Qty
1
#01
E1001-706-CA0-A FEEDER BASE 05 ASM.
フィーダベース05組
1
2
#02
E2002-706-CA0-A FEEDER BASE 08H2 ASM.
フィーダベース08 2組
1
3
#03
E2001-706-CA0-A FEEDER BASE 08H3 ASM.
フィーダベース08 3組
1
4
#06
E2003-706-CA0-A FEEDER BASE 081C ASM.
フィーダベース081
1
5 SL-5030635-SN SCREW
なべ小ねじ
2
6
#04
E1002-706-000 X-AXIS POSITIONING PIN B
軸基準ピン
1
7
#04
SM-8030402-TP SCREW M3X0.5 L=4
止めねじ
1
8 E1006-706-C00 X-AXIS ADJUSTING SHAFT
軸調整シャフト
1
9 SM-8030402-TP SCREW M3X0.5 L=4
止めねじ
1
10
#05
E1103-706-CA0 WHEEL 2MM ASM.
ホイール 2 MM
1
11
#08
E2103-706-CA0 WHEEL 4MM ASM.
ホイ−ル 4 MM(組)
1
12 E1100-706-000 WHEEL SHAFT
ホイールシャフト
1
13 NM-6040001-SC NUT M4
六角ナット M
1
14
#07
E1104-706-C00 WHEEL COLLAR 03
ホイールカラー03
1
15 E1105-706-000 POLY SLIDER
ポリスライダー
1
16 400-50673 WHEEL RING
ホイールリング
1
17 E1106-706-0A0-A SWING PLATE ASM.
スイングプレート組
1
18 E6386-705-000 SHUTTER LEVER SCREW
シャッターレバー段ねじ
1
19 E4901-760-000 POLY SLIDER THRUST WASHER
ポリスライダスラストワッシ
1
20 E1111-706-000 RACHET HOOK STOPPER
ラチェット爪ストッパー
1
21 SL-5030831-SN SCREW
止めねじ
1
22 E1115-706-CB0 KNOCK LEVER LINK ASM.
ノックレバーリンク組
1
23 E1119-706-C00 FREE LINK CAP
フリーリンクキャップ
1
24 SM-1030501-SC SCREW M3 L=5
皿小ねじ M 3 L =5
1
25 E1116-706-C00 KNOCK LEVER SHAFT
ノックレバー軸
1
26 E1120-706-C00 JOINT SCREW
ジョイントスクリュウ
1
27 E1121-706-C00 COLLAR
ジョイントカラー
1
28 E6490-705-000 COLLAR
ラチェット爪調整偏芯カラー
1
29 400-55254 SCREW M3X5 MEC
メックねじ M
1
30 E1211-706-C00-A UPPER COVER HOOK
アッパーカバーフック
1
31 E1212-706-000 HOOK SHAFT
フックシャフト
1
32 E1213-706-000 HOOK SP
フック SP
1
33 E1214-706-000-A FRONT BRACKET
フロントブラケット
1
34 SM-5030555-SC SCREW
バインドねじ
2
35 E1303-706-0A0 SHAKE ARM ASM.
揺動アーム(組)
1
36 E1300-706-000 RETURN SP
リターン SP
1
37 E1301-706-C00 REEL SP
巻取り SP
1
38
#07
E1109-706-C00 WHEEL RING 03
ホイールリング03
1
39 E1335-706-000 FEED GUIDE ROLLER
繰り出しガイドローラー
1
40 E1336-706-000 FEED GUIDE SH
繰り出しガイド SH
1
41 E1005-706-CA0 X-AXIS ADJUSTING BRACKET ASM.
軸調整ブラケット組
1
42
#07
E1130-706-C00 WHEEL PLATE 03
ホイール押え板 03
1
43
#07
E1131-706-C00 SWING PLATE SP 03
スイングプレート SP 0
1
44
#07
E1106-706-CB0 SWING PLATE 03 ASM.
スイングプレート03組
1
45
#07
E1103-706-CB0 WHEEL 2MM 03 ASM.
ホイール 2 MM 03組
1
46
#07
E1001-706-CAA-A FEEDER BASE 03 ASM.
フィーダベース03組
1
47 E1104-706-000 WHEEL COLLAR
ホイールカラー
1
48
#07
E1108-706-C00 WHEEL BUSH SPACER 03
ホイールブッシュスペーサ0
1
49 E1304-706-CB0-A EEL HOUSING ASM.
巻取りハウジング組
1
50 E1304-706-CA0 HOUSING ASM.
ハウジング組
(1)
51 E1321-706-C00 TAPE HOLDER PLATE
テープホルダ押え板
(1)
52 E1306-706-C00 TAPE HOLDER WASHER
テープホルダ押え波座金
(1)
53 E1322-706-C00-A SCREW
巻取りシャフト止めねじ
(1)
54 E1307-706-C00 REEL SHAFT 05-08
巻取りシャフト05−08
(1)
55 E1310-706-CA0-A TAPE HOLDER ASM.
テープホルダー組
1
56 RE-0200000-K0 E-RING
形止め輪 2
1
57 E6350-705-000 RATCHET SP
ラチェット SP
1
58 WP-0320501-SC WASHER M3
平座金 3.2 0.5
1
- 3 -
2. CTF(2)
14
20
28
23
25
9
26
10
29
27
31
22
21
31
30
15
30
8
6
7
19
13
16
11
12
34
32
33
35
37
36
93 98
40
43
44
45
46
95
55
3
4
99
100
63
5
A
47
48
A
49
54
17
57
56
70
92
18
73
74
75
76
77
78
79
80
84
85
86
88
87
89
90
91
1
2
69
68
66
67
64
65
38
39
94
62
60
58
71
61
81
83
82
72
59
97
41
42
96
38
39