STICK-FEEDER(MB)-Rev01.pdf - 第7页
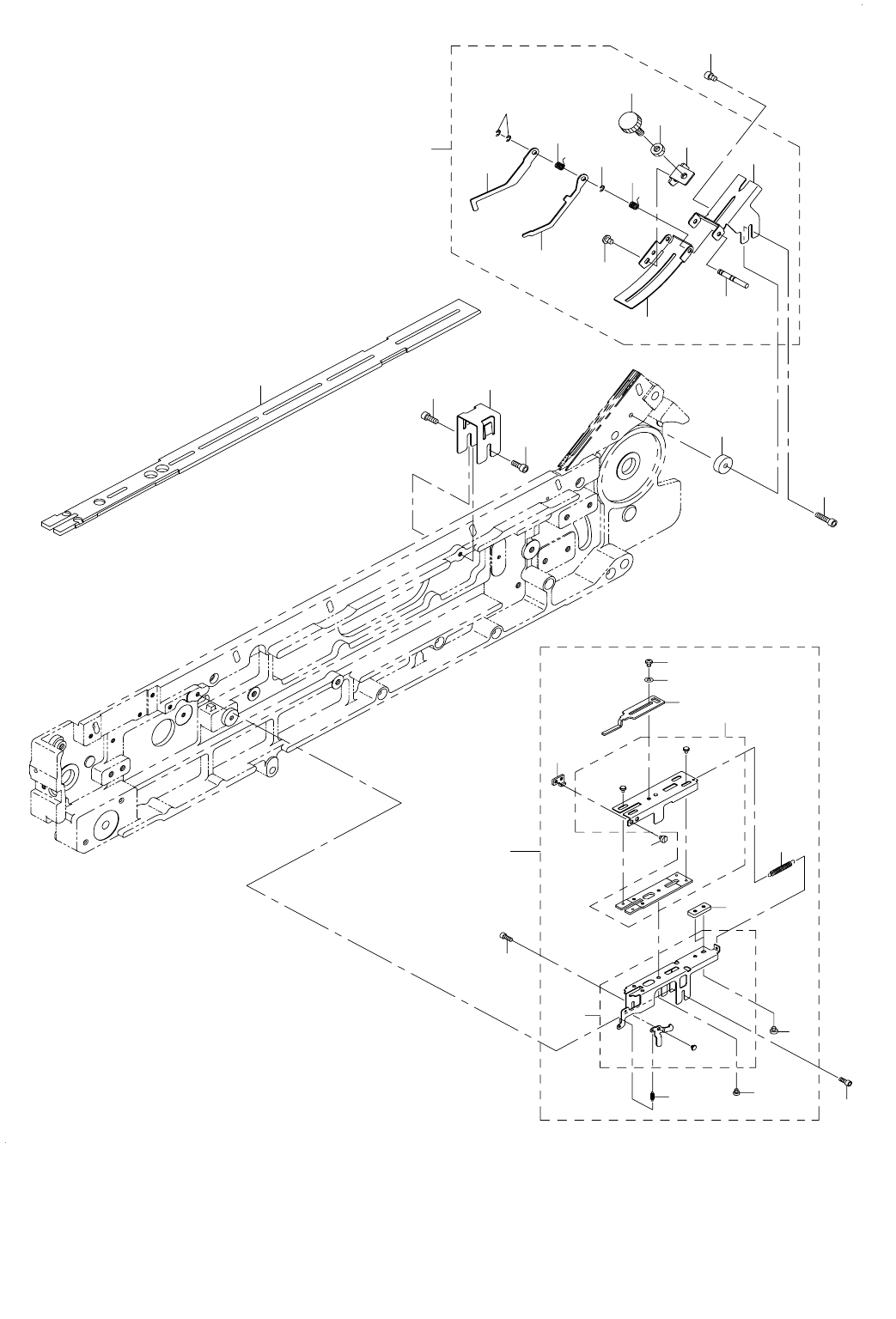
- 4 - NOTE( 注記 ) #01....WITH CLUTCT クラッチあり REF.NO NOTE PART NO D E S C R I P T I O N 品 名 Qty 1 E1004-71 9-0A0-A LOCK LINK ASM. ロックリンク組 1 2 SD-0600906- SN SCREW D=6 H=9 段ねじ D =6 H =9 1 3 WP-0450 816-SC WASHER 平座金 1 4 E130…

- 3 -
2. STICK FEEDER(N TYPE)(2)
スティックフィーダ(N タイプ)(2)
36
5
13
14
15
16
17
35
6
7
9
28
11
12
19
10
27
8
36
1
46
2
37
33
20
29
30
45
3
25
24
34
B
A
B
32
18
C
C
31
21
39
26
A
40
43
42
41
22
23
38
4
44

- 4 -
NOTE( 注記 ) #01....WITH CLUTCT クラッチあり
REF.NO NOTE PART NO D E S C R I P T I O N
品 名
Qty
1 E1004-719-0A0-A LOCK LINK ASM.
ロックリンク組
1
2 SD-0600906-SN SCREW D=6 H=9
段ねじ D =6 H =9
1
3 WP-0450816-SC WASHER
平座金
1
4 E1304-719-0A0 ROCKING LINK ASM.
揺動リンク組
1
5 E1005-719-000 LOCK RELEASE LEVER
ロックリリースレバー
1
6 SD-0450177-TN SCREW D=4.5 H=1.7
段ねじ D =4.5 H =1.7
1
7 E6372-705-000 LINKSCREW
リンクスクリュ
1
8 E1009-719-000 LOCK SPRING
ロックスプリング
1
9 SM-4041255-SN SCREW
なべ小ねじ
1
10 NM-6040001-SC NUT M4
六角ナット M 4
1
11 SM-6040502-TN SCREW
六角穴ボルト
1
12 WS-0410002-KN SPRING WASHER
ばね座金 M 4
1
13 E1011-719-000 COVER
カバ−
1
14 SM-1030801-SN SCREW M3X0.5 L=8
皿小ねじ M 3 X 0.5 L =8
5
15 E1203-719-000 DRIVING LINK R
駆動リンク R
1
16 E1223-719-000 MUNUAL LEVER
マニュアルレバ−
1
17 SM-7030450-SC SCREW M3X0.5 L=4
丸平小ねじ M 3 X 0.5 L =3.5
2
18 SD-0450178-TN SCREW D=4.5 H=1.7
段ねじ D =4.5 H =1.7
1
19 E6372-705-000 LINKSCREW
リンクスクリュ
1
20
#01
E1205-719-0B0 ROCKING ARM R COMPL.
揺動ア−ム R 総組
1
21 E1309-719-000 ROCKING LINK SPRING
揺動リンクスプリング
1
22 SD-0450177-TN SCREW D=4.5 H=1.7
段ねじ D =4.5 H =1.7
1
23 WP-0320516-KP WASHER 3.2X10X0.5
平座金 3.2 X 10 X 0.5
1
24 SM-6040802-TN SCREW
六角穴ボルト M 4 X 0.7 L =8
1
25 WP-0430800-SC WASHER M4
平座金小形丸 M 4
1
26 A3130-008-00A STOPPER LEVER SPRING
ストッパ−レバ−スプリング
1
27 SM-4041255-SN SCREW
なべ小ねじ
1
28 NM-6040001-SC NUT M4
六角ナット M 4
1
29 WP-0410316-RZ POLYSLIDER
ポリスライダ−
1
30 RE-0300000-K0 E RING 3
E 形止め輪 3
1
31 E1218-719-0A0 PULLEY BRACKET R ASM.
プ−リブラケット R 組
1
32 SM-5041055-SN SCREW M4X10
バインドねじ
2
33 E1208-719-0A0 PULLEY R ASM.
プーリ R 組
1
34 NM-6040001-SC NUT M4
六角ナット M 4
1
35 E6420-705-000 LOCK LEVER PIN B
ロックレバーピン B
1
36 RE-0400000-K0 E-RING 4
E 形止め輪 4
2
37 RE-0300000-K0 E RING 3
E 形止め輪 3
1
38 E1214-719-000 CONVEYOR ROUND BELT
搬送丸ベルト
2
39 E1216-719-0A0 IDLER BASE ASM.
アイドラベース組
1
40 E1305-719-000 STOPPER
ストッパ−
1
41 SM-6030402-TN SCREW M3X4
六角穴付きボルト
2
42 WS-0310002-KN SPRING WASHER M3
ばね座金 3.1 X 5.9 X 0.7
2
43 WP-0320501-SC WASHER M3
平座金 3.2X7X0.5
2
44 E2203-719-000 DRIVING LINK TUBE
駆動リンクスミチューブ
1
45 SM-5040655-SN SCREW
バインドねじ
2
46 E1215-719-000 TENSION IDLER
テンションアイドラ
1

- 5 -
3. STICK FEEDER(N TYPE)(3)
スティックフィーダ(N タイプ)(3)
3
4
11
10
7
8
5
2
13
13
1
9
10
12
6
18
21
20
27
22
23
26
23
26
24
19
25
17
29
28
30
14
15
15
31
16