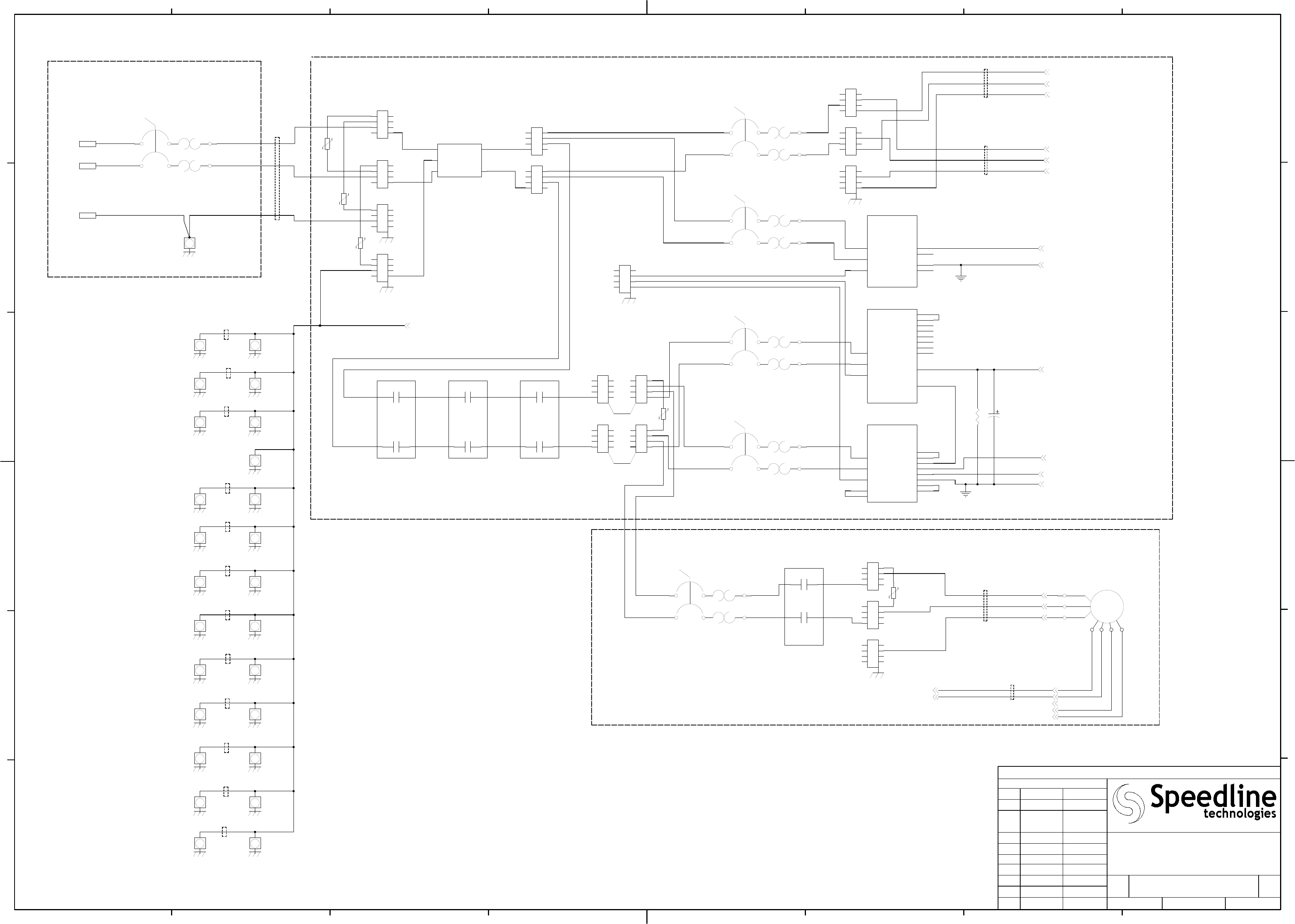
1021368_13 Edison Schematic 6 Feb 2017
THIS DOCUMENT SERVES AS A REFERENCE FOR THE FOLLOWING EDISON PRINTER MODELS: EDISON REFERENCE DOCUMENTS 1021209 - SCHEMATIC, MAIN CONTROL INTERFACE PCB 1021212 - SCHEMATIC, SINGLE CONTROL INTERFACE PCB 1021369 - SCHEMATI…

THIS DOCUMENT SERVES AS A REFERENCE FOR THE FOLLOWING EDISON PRINTER MODELS:
EDISON
REFERENCE DOCUMENTS
1021209 - SCHEMATIC, MAIN CONTROL INTERFACE PCB
1021212 - SCHEMATIC, SINGLE CONTROL INTERFACE PCB
1021369 - SCHEMATIC, MACHINE PNEUMATICS
1021370 - SCHEMATIC, MACHINE FLUID
1019026 - SCHEMATIC, PUMPHEAD INTERCONNECT PCB
1021215 - SCHEMATIC, WIPER DRIVER INTERFACE
WIRE NUMBERS:
0000 - 1999 AC Power
2000 - 3999 DC Power
4000 - 9999 Control Signals
LAST USED SINGLE WIRES
0024
2024
4008
LINE FILTER
CIRCUIT PROTECTOR
TERMINAL BLOCK
DISCONNECTING DEVICE
VACUUM MOTOR
Z1
FR11
XT3
QS1
MV1
CELL
MOTOR
PRESSURE LOAD CELL CELL1
N
M16
MB
FERRITE
MOTOR BRAKE
-----
MB1
GS POWER SUPPLY GS3
FN FAN FN4
YV VALVE SOLENOID YV31
S SWITCH S2
SK KEY SWITCH SK1
SB PUSHBUTTON SWITCH SB2
SL LIQUID LEVEL SENSOR SL2
SP PRESSURE SENSOR SP4
SQ POSITION SWITCH SQ18
ES OPTO-ELECT SENSOR ES32
EL LAMP EL1
HL INDICATOR LAMP HL5
HA AUDIBLE SIGNAL DEVICE HA1
CM CAMERA CM1
REFERENCE DESIGNATION TABLE
AL LASER -----
REF.
DES.
DESCRIPTION
LAST
USED
NOT
USED
R
C
D
V
K
Z
FR
XT
QS
MV
M
RESISTOR R16
CAPACITOR C1
DIODE
DIODE/SUPPRESSOR
RELAY/CONTACTOR
D5
V5
K13 K5,7,8,
9,10,11,12
SHEET INDEX:
SHEET 1 SYSTEM INTERCONNECT DIAGRAM
SHEET 2 POWER CONTROL MODULE, AC/DC POWER DISTRIBUTION
SHEET 3 POWER CONTROL MODULE, DC POWER DISTRIBUTION
SHEET 4 POWER CONTROL MODULE, SAFETY MONITORING
SHEET 5 COMPUTER MODULE, VISION MODULE, BAR CODE OPTIONS
SHEET 6 MAIN CONTROL MODULE, E-STOP/SUPERVISORY CONTROL
SHEET 7 MAIN CONTROL MODULE, WORKNEST Z, STENCIL X, EDGELOC + , HOOD INTERLOCK
SHEET 8 MAIN CONTROL MODULE, STENCIL Y LEFT/ Y RIGHT & SMEMA, ADJUSTABLE STENCIL SHELF
SHEET 9 MAIN CONTROL MODULE, CONVEYOR SEGMENT 2
SHEET 10 MAIN CONTROL MODULE, EXTENDED I/O / VALVE STACK
SHEET 11 MAIN CONTROL MODULE, PRINT Y
SHEET 12 MAIN CONTROL MODULE, VISION Y, STENCIL WIPER I/O
SHEET 13 MAIN CONTROL MODULE, VISION X
SHEET 14 SINGLE CONTROL MODULE, PRINT Z
SHEET 15 PASTE DISPENSER OPTION
SHEET 16 ENCLOSED FLOW PUMP OPTION
SHEET 17 SERVO AXES OPTION
DOCUMENT REFERENCE PAGE
CAN NODE ID REFERENCE TABLE
STANDARD MACHINE
NODE 1 STENCIL X
NODE 2 STENCIL Y LEFT
NODE 3 STENCIL Y RIGHT
NODE 4 WORKNEST Z
NODE 6 CONVEYOR SEGMENT 2
NODE 65 WORKNEST EXTENDED I/O
NODE 11 VISION X
NODE 12 VISION Y
NODE 14 PRINT Y
NODE 66 MACHINE EXTENDED I/O
NODE 15 PRINT Z
(NODE 28 STENCIL SHUTTLE Y ) NOT USED
MACHINE OPTIONS
NODE 17 PASTE DISPENSER
NODE 27 ENCLOSED FLOW PUMP
CHK
ENG
DRN
INITIAL DATE
APPROVALS
CONFIDENTIAL PROPERTY, DO NOT DUPLICATE WITHOUT PRIOR WRITTEN CONSENT
16 FORGE PARK, FRANKLIN, MA 02038 USA
SCHEMATIC,MACHINE
TITLE
SIZE
C
DWG NO.
1021368
SCALE: NONE WEIGHT:
SHEET
PULSONIX
1021368.pcb
1
REV
ENGINEERING RELEASE
DESCRIPTION ZONE
-- 01/17/14
DATE DWN
REN -------
PCO#
A
B
C
D
E
F
A
B
C
D
E
F
1 2 43 8765
87
6
5
4
3
2
1
+
ELECTRICAL,EDISON
REV
REN/JGK 01/17/14
INDEX
13
2
UPDATE TERMINAL BLOCK REFERENCES
-- 03/12/14 REN -------
JGK -------
UPDATE TERMINAL BLOCK CONNECTIONS
04/30/14
3
--
4
ADD CABLE PART NUMBERS, UPDATE NODE DETAILS
-- 08/08/14 REN -------
REN/JGK
REN/JGK
01/17/14
01/17/14
-------REN12/03/14--
ADD VISION X, VISION Y TRIGGER OUTPUTS
5
ADD CABLE PART NUMBERS FOR PASTE DISPENSER
& ENCLOSED FLOW PUMP OPTIONS
6
--
01/05/15
REN
-------
7
REVISE TOOLING CRASH SENSOR WIRING, SHT 9 ;
REVISE PASTE HEIGHT MONITOR WIRING, SHT 12
REVISE VISION HARD STOP WIRING, SHT 13
-------
REN04/09/15
--
8
REVISE PRINT Z FRONT/REAR CYLINDER WIRING (SHT 14)
GENERAL WIRE COLOR UPDATES BASED ON BETA BUILD
--
06/08/15 REN
-------
9
--
09/23/15 REN
-------
ADD TEMP & HUMIDITY REFERENCE, REVISE CABLE
PART NUMBERS (SHT 12, 15, 16), REMOVE YV16 (SHT 5)
10
ADD FAN EXTENSION CABLE 2001598 SHT 11
ADD LIGHT TOWER EXTENSION CABLE 2005493 SHT 12
-- 03/28/16 SWH -------
CORRECTED EDGELOC + CONNECTIONS.
ADDED YV16 (SHEET 7)
11
04/02/16 PAM
12
STENCIL SHELF LOCK ADDED YV26 (SHEET 8)
04/07/16 PAM
SM001861
B5
PAM09/27/16
RE-ASSIGNED ES30 (SHEET 11),
ADDED SUPPORT FOR WIPER PAPAER TENSION (SHEET 10),
SUPPORT FOR RAIL VACUUM (SHEET 12)
13
SM008353
PPRO-040
D6
C1,E6
C6

JR1
J2
ENCLOSED FLOW PUMP
FIGURE 5.3
FIGURE 4
FMI SMEMA PANEL
PMV1
WORKNEST VACUUM BLOWER
DC OUT AC IN
AC POWER ADAPTER
24 VDC
QUIK-TOOL
XT4_26A - 31A
J1
JR1
JR2
J2
KEYBOARD
MONITOR VGA
MONITOR POWER
TRACKBALL
J1
JR1
JR2
J2
GND
QS1-LINE
GND
QS1-LOAD
FIXED MOUNT BAR CODE SCANNER
MONITOR
REAR USB
VGA
MONITOR POWER
POE ETHERNET
REAR USB
COM PORT 1
REAR USB
REAR USB
ETHERNET
FRONT USB
FRONT USB
ETHERNET
DATA
TEMPERATURE AND HUMITY SENSOR
USB TO CAN CONTROLLER
J1
J3
JR1
J6
PASTE HEIGHT
QUIK-TOOL I/O
EXTENDED I/O
WIPER CONTROL
JR2
J9
10
EDGELOC+
11
ADJ, STENCIL SHELF
ADJUSTABLE STENCIL SHELF (OPTION)
ADJUSTABLE
STENCIL SHELF
(SHEET 8)
(OPTION)
EDGELOC + (OPTION)
EDGELOC +
(SHEET 7,10)
(OPTION)
PASTE HEIGHT MONITOR (OPTION)
PASTE HEIGHT
FIGURE 5.4
(SHEET 12,18)
(OPTION)
QUIK-TOOL CONTROL (OPTION)
QUICK-TOOL
FIGURE 5.2
(SHEET 15)
(OPTION)
STENCIL WIPER
FIGURE 5
(SHEET12)
CLOSED LOOP CONTROL
CLOSED LOOP
SQUEEGEE
(SHEET 14)
(OPTION)
HAND-HELD
BAR CODE
SCANNER
VIDEO
USB KEYBOARD
AC POWER
STENCIL X (NODE 1)
STENCIL Y LEFT (NODE 2)
STENCIL Y RIGHT (NODE 3)
WORKNEST Z (NODE 4)
CONVEYOR SEGMENT 2 (NODE 6)
WORKNEST EXTENDED I/O (NODE 65)
AC and DC POWER DISTRIBUTION
DC POWER SUPPLIES
CIRCUIT PROTECTION
SAFETY MONITORING
DC POWER
DC POWER (OPTION)
VISION X (NODE 11)
VISION Y (NODE 12)
PRINT Y (NODE 14)
MACHINE EXTENDED I/O (NODE 66)
STENCIL SHUTTLE (NODE 28)
CAN NETWORK
DC POWER
CAN NETWORK
MAIN INPUT POWER
200 - 240 VAC
1 PHASE, 50/60 Hz
15 AMPERE
12 or 10 AWG WIRE
(4 or 6 mm^2)
SMEMA CONTROL
HOST
COMPUTER
LEFT AND RIGHT
FOREIGN MACHINE
INTERFACE
SUPERVISORY CONTROL
CAN NETWORK MASTER
AC POWER
PRINT Z
(NODE 15)
EARTH GROUND
FIGURE 1
SYSTEM INTERCONNECT DIAGRAM
CAMERA SIGNALS
CAMERA
AC POWER
(OPTION)
(SHEET 2)
(SHEET 2)
(SHEET 2)
(SHEET 5)
(SHEETS 6,7,8,9,10,11,12)
(SHEET 14)
(SHEET 8)
(SHEET 5)
(OPTION)
(SHEET 11)
DC POWER
(SHEET 16)
(SHEET 17)
PASTE DISPENSER
(NODE 17)
ENCLOSED FLOW
(NODE 27)
AC POWER
(OPTION)
(OPTION)
HAND-HELD BAR CODE
CHK
ENG
DRN
INITIAL DATE
APPROVALS
CONFIDENTIAL PROPERTY, DO NOT DUPLICATE WITHOUT PRIOR WRITTEN CONSENT
16 FORGE PARK, FRANKLIN, MA 02038 USA
SCHEMATIC,MACHINE
TITLE
SIZE
C
DWG NO.
1021368
SCALE: NONE WEIGHT:
SHEET
PULSONIX
1021368.pcb
A
B
C
D
E
F
A
B
C
D
E
F
1 2 43 8765
87
6
5
4
3
2
1
+
ELECTRICAL,EDISON
REV
REN/JGK 01/17/14
13
FIGURE 2.1
FIGURE 2
FIGURE 2.2
FIGURE 7.2
AC MAIN DISCONNECT
POWER CONTROL MODULE
FIGURE 3
COMPUTER MODULE
USB TRACKBALL
FIGURE 3
HUMAN MACHINE INTERFACE (MONITOR/KEYBOARD)
FIGURE 10
MAIN CONTROL MODULE
PRINT Z
PASTE DISPENSER
FIGURE 7.1
CAN NETWORK
DC POWER (OPTION)
FIGURE 7
1 OF 17
UPSTREAM
DOWNSTREAM
REN/JGK
REN/JGK
01/17/14
01/17/14
XT1-14C
XT1-15C
XT1-1B, 2B, 3B
XT1-1D, 2D, 3D
XT3-10 thru 18 & XT3-20
XT3-27 thru 34
XT3-13,16,18, 21
XT1-4B, 5B, 6B
DATA
(OPTION)
9
DATA
DC IN
(OPTION)
(OPTION)XZ1
(OPTION)XZ2
EMPTY41
EMPTY41XZ1
EMPTY41XZ1
EMPTY41XZ2
EMPTY41XZ3
EMPTY601
EMPTY601XZ1
EMPTY602
EMPTY602XZ1
EMPTY603
EMPTY603XZ1
EMPTY604
EMPTY604XZ1
EMPTY605
EMPTY605XZ1
EMPTY606
EMPTY606XZ1
EMPTY607
EMPTY607XZ1
EMPTY7002
EMPTY7002XZ1
EMPTY7003
EMPTY7003XZ1
FIGURE 2.2
FIGURE 2.2XZ1
FIGURE 2.3
FIGURE 2.3XZ1
FIGURE 2.4
FIGURE 2.4XZ1
FIGURE 2.4XZ2
FIGURE 4
FIGURE 4XZ1
FIGURE 4XZ2
FIGURE 9
FIGURE 9XZ1
FIGURE 9XZ2
MAIN POWER1
MAIN POWER1XZ1
MAIN POWER1XZ2
MAIN POWER1XZ3
MAIN POWER1XZ4
MAIN POWER1XZ5
MAIN POWER1XZ6
MAIN POWER1XZ7
MAIN POWER1XZ8
MAIN POWER1XZ9
U1
U1XZ1
U1XZ2
U1XZ3
U1XZ4
U2
U2XZ1
U2XZ1 U2XZ2
U2XZ2
U2XZ3
U2XZ3
U2XZ4
U2XZ5
U2XZ6
U2XZ7
U2XZ8
U2XZ9
U2XZ10
U3
U3XZ1
U3XZ2
U3XZ3
U3XZ4
U3XZ5
U3XZ6
U3XZ7
U3XZ8
U3XZ9
U3XZ10
U3XZ11
U4
U4XZ1
U4XZ2
U4XZ3
U4XZ4
U4XZ5
U5
U5XZ1
U5XZ2
U5XZ3
U5XZ4

0000
.
1
0005
2
0007
K1a
3
0006
4
0008
K1b
A
B
C
D
J
XT1-11
A
B
C
D
J
XT1-12
V1
.
0004
A
B
C
D
J
XT1-16
.
FRONT TOP COVER HOOD
.
.
CONVEYOR 2 REAR MOVING RAIL
R2
4K0
A
B
C
D
J
XT1-13
MV1
1
0011
2
K4a
3
0012
4
K4b
.
.
REAR LOWER PANEL
GND
LN N
LN P
0003
LD P
0005
LD N
0006
Line
Filter
Z1
LINE FILTER, 20A
. .
1
0011
2
2019
4
0020
3
0012
FR3
CIRCUIT BREAKER, 5A, 2 POLE
V4
V2
1
0011
2
0021
4
0022
3
0012
FR1
CIRCUIT BREAKER, 5A, 2 POLE
V3
.
.
STENCIL WIPER
.
FRONT LOWER DOOR
C1
24,000 uF
.
A
B
C
D
J
XT1-10
1 2
0023
K3a
3 4
0024
K3b
GND
N (AC)
L (AC)
RCG
RC
+S
+V
+V
+V
-V
-V
-V
-S
DC
Power
Supply
GS3
500W, 24 VDC
(320W, 24 VDC)
.
.
REAR UPPER PANEL
0000
A
B
C
D
J
XT1-17
1
0005
2
4
0402
3
0006
FR5
CIRCUIT BREAKER, 5A, 2 POLE
GND
0000
AC/N
AC/L
- V
+ V
RC-
RC+
G
+S
-S
PF
NC
NC
DC
Power
Supply
GS1
750W, 56 VDC
(480W, 56 VDC)
.
AC DISCONNECT COVER PLATE
.
RIGHT SIDE LOWER PANEL
1 2
0009
K2a
3 4
0010
K2b
.
A
B
C
D
J
XT1-15
A
B
C
D
J
XT1-9
A
B
C
D
J
XT1-14
1
0005
2
0015
4
0016
3
0006
FR4
CIRCUIT BREAKER, 3A, 2 POLE
.
.
CONVEYOR 2 FRONT FIXED RAIL
A
B
C
D
J
XT1-8
0003
0004
CIRCUIT BREAKER, 15A, 2 POLE
.
LEFT SIDE LOWER PANEL
.
0000
PE GND
.
WORKNEST TABLE
GND
0000
0000
N
L
- V
+ V
- V
+ V
DC
Power
Supply
GS2
150W, 24 VDC
.
A
B
C
D
J
XT1-7
V5
1
0011
2
0017
4
0018
3
0012
FR2
CIRCUIT BREAKER, 7A, 2 POLE
0401
A
B
C
D
J
XT1-1
A
B
C
D
J
XT1-3
A
B
C
D
J
XT1-2
0000
A
B
C
D
J
XT1-6
0023
A
B
C
D
J
XT1-4
0024
A
B
C
D
J
XT1-5
.
.
VISION GANTRY
DCOM
DCOM
2002
2001
2003
2000
2000
0401
0402
0000
0401
0402
0000
0002
0001
0000
2000
DC COMMON
80 VDC, MACHINE
SWITCHED POWER
24 VDC, CONTROL
CONSTANT POWER
VACUUM BLOWER
MACHINE POWER,
52 VDC SUPPLY
CONTROL POWER,
24 VDC SUPPLY
MACHINE POWER,
24 VDC SUPPLY
AC LINE FILTER
DC COMMON
COMPUTER POWER
TO SHEET 3, A1
FIGURE 2
WORKNEST VACUUM MOTOR, OPTION
24 VDC, MACHINE
SWITCHED POWER
GRN/YEL 14
JMP8
JMP9
WORKNEST VACUUM
BLOWER MOTOR
adjust power supply
for 56 VDC
AC POWER FOR
COMPUTER &
MONITOR
L1
L2
EARTH GND
MAIN DISCONNECT SWITCH
AND CIRCUIT BREAKER
AC DISCONNECT MODULE
FIGURE 2.1
AC DISCONNECT MODULE
POWER CONTROL MODULE
CA-319-4
1015228
1013495
1013495
1015228
1013495
CA-1184-1
CA-1184-1
1015370
1015370
JMV1-1
JMV1-2
JMV1-3
BRAID
GRN/YEL
GRN/YEL
GRN/YEL
GRN/YEL
GRN/YEL
GRN/YEL
GRN/YEL
GRN/YEL
BLK
BLK
GRN
1021493
BLK 14
BLK 14
BLK 14
BLK 14
BLK 14
BLK 14
BLK 14
BLK 14
BLK 16
BLK 16
BLK 16
BLK 16
BLK 16
BLK 16
BLK 16
BLK 16
BLK 16
BLK 16
BLK
BLK
GRN/YEL
BLK 14
BLK 14
BLK 14
BLK 14
BLK 16
BLK 16
BLK 16
BLK 16
BLK 16
BLK 16
BLK 16
BLK 16
WHT/BLU 18
WHT/BLU 14
BLU 14
BLU 14
GRN/YEL 16
GRN/YEL 16
GRN/YEL 16
BLU 18
BLU 14
TO SHEET 3, C1
FIGURE 2
TO SHEET 3, D1
FIGURE 2
TO SHEET 3, D1
FIGURE 2
TO SHEET 3, E1
FIGURE 2
TO SHEET 3, F1
FIGURE 2
EGND
MAIN INPUT POWER
200 - 240 VAC
1 PHASE, 50/60 Hz
15 AMPERE
12 or 10 AWG WIRE
(4 or 6 mm^2)
TO SHEET 5, C2
FIGURE 3
1015371
GRN/YEL
GRN/YEL
FIGURE 2.1
POWER CONTROL MODULE
FIGURE 2
FIGURE 2
SHEET 4, D2
SHEET 4, C4
SHEET 4, D6
SHEET 4, D3
SHEET 4, C5
SHEET 4, D6
SHEET 4, C2
SHEET 4, D5
SHEET 4, B2
FIGURE 2.2
VACUUM MOTOR OPTION
FIGURE 2.2
NOTE:
Measured Output of power supply
is factory adjusted for 80 VDC
1 phase
3.0 AAC full load @ 230 VAC
1023074
AC POWER FOR
HAND-HELD BAR
CODE READER
OPTION
BLK
BLK
GRN/YEL
TO SHEET 5, D2
FIGURE 3
(C1 NOT INSTALLED ON
STEPPER MACHINES)
CHK
ENG
DRN
INITIAL DATE
APPROVALS
CONFIDENTIAL PROPERTY, DO NOT DUPLICATE WITHOUT PRIOR WRITTEN CONSENT
16 FORGE PARK, FRANKLIN, MA 02038 USA
SCHEMATIC,MACHINE
TITLE
SIZE
C
DWG NO.
1021368
SCALE: NONE WEIGHT:
SHEET
PULSONIX
1021368.pcb
A
B
C
D
E
F
A
B
C
D
E
F
1 2 43 8765
87
6
5
4
3
2
1
+
ELECTRICAL,EDISON
REV
REN/JGK 01/17/14
13
2 OF 17
GRN/YEL
0 - 10 V VACUUM
SPEED CONTROL
SHEET 12, F6
FIGURE 5
JMV2-1
JMV2-2
JMV2-3
JMV2-4
JMV2-5
BLK 14
BLK 14
GRN/YEL 14
WHT/BLU 14
DCOM
DCOM
P24M
P80M
P24C
DCOM
L1
L2
GND
L1
L2
GND
GND
SPEED +
1021488
1021491
BLK
YEL
WHT
RED
XXXXXX
BASE FRAME
BASE FRAME
BASE FRAME
BASE FRAME
BASE FRAME
BASE FRAME
BASE FRAME
BASE FRAME
BASE FRAME
BASE FRAME
BASE FRAME
BASE FRAME
BASE FRAME
1021518
BLK
WHT
EARTH GROUND
EARTH GROUND
EARTH GROUND
EARTH GROUND
REN/JGK
REN/JGK
01/17/14
01/17/14
QS1
AC DISCONNECT COVER PLATE
AC DISCONNECT COVER PLATEXZ1
BASE FRAME
BASE FRAMEXZ1
BASE FRAME1
BASE FRAME1XZ1
BASE FRAME4
BASE FRAME4XZ1
BASE FRAME5
BASE FRAME5XZ1
BASE FRAME7
BASE FRAME7XZ1
BASE FRAME8
BASE FRAME8XZ1
BASE FRAME9
BASE FRAME9XZ1
BASE FRAME10
BASE FRAME10XZ1
BASE FRAME11
BASE FRAME11XZ1
BASE FRAME13
BASE FRAME13XZ1
BASE FRAME14
BASE FRAME14XZ1
BASE FRAME17
BASE FRAME17XZ1
BASE FRAME19
BASE FRAME19XZ1
C1
C1XZ1C1XZ2
CONVEYOR 2 FRONT FIXED RAIL
CONVEYOR 2 FRONT FIXED RAILXZ1
CONVEYOR 2 REAR MOVING RAIL
CONVEYOR 2 REAR MOVING RAILXZ1
FR1
FR1XZ1
FR1XZ2
FR1XZ3
FR1XZ4
FR2
FR2XZ1
FR2XZ2
FR2XZ3
FR2XZ4
FR3
FR3XZ1
FR3XZ2
FR3XZ3
FR3XZ4
FR4
FR4XZ1
FR4XZ2
FR4XZ3
FR4XZ4
FR5
FR5XZ1
FR5XZ2
FR5XZ3
FR5XZ4
FRONT LOWER DOOR
FRONT LOWER DOORXZ1
FRONT TOP COVER HOOD
FRONT TOP COVER HOODXZ1
GS1
GS1XZ1a
GS1XZ1b
GS1XZ1c
GS1XZ2a
GS1XZ2b
GS1XZ2c
GS1XZ3a
GS1XZ3c
GS1XZ4c
GS1XZ5c
GS1XZ6c
GS1XZ7c
GS1XZ8c
GS2
GS2XZ1
GS2XZ2
GS2XZ3
GS2XZ4
GS2XZ5
GS2XZ6
GS2XZ7
GS3
GS3XZ1a
GS3XZ1b
GS3XZ2a
GS3XZ2b
GS3XZ3a
GS3XZ3b
GS3XZ4b
GS3XZ5b
GS3XZ6a
GS3XZ6b
GS3XZ7a
GS3XZ7b
GS3XZ8b
K1XZa
K1XZaXZ1
K1XZaXZ2
K1XZb
K1XZbXZ3
K1XZbXZ4
K2XZa
K2XZaXZ1
K2XZaXZ2
K2XZb
K2XZbXZ3
K2XZbXZ4
K3XZa
K3XZaXZ1
K3XZaXZ2
K3XZb
K3XZbXZ3
K3XZbXZ4
K4XZa
K4XZaXZ1
K4XZaXZ2
K4XZb
K4XZbXZ3
K4XZbXZ4
LEFT SIDE LOWER PANEL
LEFT SIDE LOWER PANELXZ1
MV1
MV1XZ1
MV1XZ2
MV1XZ3
PE GND
PE GNDXZ1
QS1XZa
QS1XZaXZ1
QS1XZaXZ2
QS1XZaXZ3
QS1XZaXZ4
R2
R2XZ1
R2XZ2
REAR LOWER PANEL
REAR LOWER PANELXZ1
REAR UPPER PANEL
REAR UPPER PANELXZ1
RIGHT SIDE LOWER PANEL
RIGHT SIDE LOWER PANELXZ1
STENCIL WIPER
STENCIL WIPERXZ1
V1
V1XZ1
V1XZ2
V2
V2XZ1
V2XZ2
V3
V3XZ1
V3XZ2
V4
V4XZ1
V4XZ2
V5
V5XZ1
V5XZ2
VISION GANTRY
VISION GANTRYXZ1
WORKNEST TABLE
WORKNEST TABLEXZ1
XT1-1
XT1-1XZ1
XT1-1XZ2
XT1-1XZ3
XT1-1XZ4
XT1-1XZ5XT1-1XZ6XT1-1XZ7
XT1-1XZ8
XT1-1XZ9
XT1-1XZ10
XT1-2
XT1-2XZ1
XT1-2XZ2
XT1-2XZ3
XT1-2XZ4
XT1-2XZ5XT1-2XZ6XT1-2XZ7XT1-2XZ8
XT1-2XZ9
XT1-2XZ10
XT1-3
XT1-3XZ1
XT1-3XZ2
XT1-3XZ3
XT1-3XZ4
XT1-3XZ5XT1-3XZ6XT1-3XZ7XT1-3XZ8
XT1-3XZ9
XT1-3XZ10
XT1-4
XT1-4XZ1XT1-4XZ2XT1-4XZ3XT1-4XZ4
XT1-4XZ5
XT1-4XZ6
XT1-4XZ7
XT1-4XZ8
XT1-4XZ9
XT1-4XZ10
XT1-5
XT1-5XZ1XT1-5XZ2XT1-5XZ3XT1-5XZ4
XT1-5XZ5
XT1-5XZ6
XT1-5XZ7
XT1-5XZ8
XT1-5XZ9
XT1-5XZ10
XT1-6
XT1-6XZ1XT1-6XZ2XT1-6XZ3XT1-6XZ4
XT1-6XZ5
XT1-6XZ6
XT1-6XZ7
XT1-6XZ8
XT1-6XZ9
XT1-6XZ10
XT1-7
XT1-7XZ1
XT1-7XZ2
XT1-7XZ3
XT1-7XZ4
XT1-7XZ5
XT1-7XZ6
XT1-7XZ7XT1-7XZ8
XT1-7XZ9
XT1-7XZ10
XT1-8
XT1-8XZ1
XT1-8XZ2
XT1-8XZ3
XT1-8XZ4
XT1-8XZ5
XT1-8XZ6
XT1-8XZ7
XT1-8XZ8
XT1-8XZ9
XT1-8XZ10
XT1-9
XT1-9XZ1
XT1-9XZ2
XT1-9XZ3
XT1-9XZ4
XT1-9XZ5
XT1-9XZ6
XT1-9XZ7
XT1-9XZ8
XT1-9XZ9
XT1-9XZ10
XT1-10
XT1-10XZ1
XT1-10XZ2
XT1-10XZ3
XT1-10XZ4
XT1-10XZ5
XT1-10XZ6
XT1-10XZ7
XT1-10XZ8
XT1-10XZ9
XT1-10XZ10
XT1-11
XT1-11XZ1
XT1-11XZ2
XT1-11XZ3
XT1-11XZ4
XT1-11XZ5XT1-11XZ6XT1-11XZ7XT1-11XZ8
XT1-11XZ9
XT1-11XZ10
XT1-12
XT1-12XZ1
XT1-12XZ2
XT1-12XZ3XT1-12XZ4
XT1-12XZ5
XT1-12XZ6
XT1-12XZ7
XT1-12XZ8
XT1-12XZ9
XT1-12XZ10
XT1-13
XT1-13XZ1XT1-13XZ2XT1-13XZ3XT1-13XZ4
XT1-13XZ5
XT1-13XZ6
XT1-13XZ7
XT1-13XZ8
XT1-13XZ9
XT1-13XZ10
XT1-14
XT1-14XZ1XT1-14XZ2XT1-14XZ3
XT1-14XZ4
XT1-14XZ5XT1-14XZ6XT1-14XZ7
XT1-14XZ8
XT1-14XZ9
XT1-14XZ10
XT1-15
XT1-15XZ1XT1-15XZ2XT1-15XZ3
XT1-15XZ4
XT1-15XZ5XT1-15XZ6XT1-15XZ7
XT1-15XZ8
XT1-15XZ9
XT1-15XZ10
XT1-16
XT1-16XZ1
XT1-16XZ2
XT1-16XZ3
XT1-16XZ4
XT1-16XZ5
XT1-16XZ6
XT1-16XZ7
XT1-16XZ8
XT1-16XZ9
XT1-16XZ10
XT1-17
XT1-17XZ1
XT1-17XZ2
XT1-17XZ3
XT1-17XZ4
XT1-17XZ5
XT1-17XZ6
XT1-17XZ7
XT1-17XZ8
XT1-17XZ9
XT1-17XZ10
Z1
Z1XZ1
Z1XZ2
Z1XZ3
Z1XZ4Z1XZ5