JM-10维修调整要领书 - 第148页
维修调整要 领书 13-8 AC L1 (B ) AC N1 (B ) TB 5 RL 1 G7 L- 2A -B UB J( 24 V) +2 4V RT N CA RR Y_ SV _O N CN 03 6 D1 AC L1 (C ) AC N1 (C ) TB 5 PO WE R- UN IT F AN +2 4V RT N SV _O N1 1 +2 4V RT N SV _O N1 1 RL 4 D4 G7 J- 4A -T …

维修调整要领书
13-7
表
13
‐
3
‐
1
‐
2-1 DC
电源装置
<
零件表
>
No.
货号
英文品名
中文品名
数量
备考
1
HX00543000A
POWER SUPPLY 24V
电源(
+24V/300W
)
1
PS1
2
HX00542000C
POWER SUPPLY 5V
電源(
5V/100W
)
1
PS2
3
HX00542000B
POWER SUPPLY 24V
電源(
24V/100W
)
1
PS3 (
仅
EN
规格
)
4
HX00494000B
POWER SUPPLY 12V
電源(
12V/50W
)
1
PS4
5
HX00494000A
POWER SUPPLY 3.3V
電源(
3.3V/50W
)
1
PS5
6
HX00494000C
POWER SUPPLY 24V
電源(
24V/50W
)
1
PS6
7
HX005420000
POWER SUPPLY 12V
電源(
12V/100W
)
1
PS7
8
HX006750000
POWER SUPPLY 24V
電源(
24V/600W
)
1
PS8
9
HA00525000A
CIRCUIT PROTECTOR
电路保护器
20A
1
CP1
10
HA00526000A
CIRCUIT PROTECTOR
电路保护器
15A
1
CP2
11
HA00524000E
CIRCUIT PROTECTOR
电路保护器
12
A
2
CP3
、
CP4
12
HA00527000E
CIRCUIT PROTECTOR
电路保护器
12A
2
CP5
、
CP6
13 HA005420000
CIRCUIT PROTECTOR
电路保护器 3A
4
CP7
、
CP8
、
CP10
、
CP12 (
仅
EN
规格
)
14
HA00542000B
CIRCUIT PROTECTOR
电路保护器
8A
1
CP9
15
HA00542000D
CIRCUIT PROTECTOR
电路保护器
15A
1
CP11
16
HA00524000H
CIRCUIT PROTECTOR
电路保护器
6A
1
CP13
、
CP14
17
HA00527000C
CIRCUIT PROTECTOR
电路保护器
25A
1
CP15
18
HB001100000
RELAY
继电器
1
RL1 (
仅标准规格
)
19
HB00128000C
RELAY
继电器
1
RL2 (
仅标准规格
)
20
HB001280000
RELAY
继电器
1
RL4 (
仅标准规格
)
21
HB00110000B
RELAY
继电器
1
RL5
22
40076937
Z/θ POWER PCB ASM
Z/θ POWER
基板组
1
23
40001945
POWER PCB ASM
POWER PCB
基板组
1
24
40046562
PSU BRACKET
PSU
托架
1
25
40107745
PSU BASE
PSU
座
1
26
40107736
PS BRACKET A
PS
托架
A
1
27
40107738
PS BRACKET B
PS
托架
B
1
28
40012183
PSU BRACKET S
PSU
托架
S
1
29
40107740
PS CNTR BR
PS
插接器托架
1
30
40000475
PCB BRACKET (EN)
PCB
托架
(EN)
1
(
仅
EN
规格
)
31
40000477
PSU SLIDE BAR
PSU
滑轴
1
32
40116727
PS BRACKET
PS
托架
1

维修调整要领书
13-8
ACL1(B )
ACN1(B )
TB5
RL1
G7L-2A -B UB J(24 V)
+24VRT N
CARRY_ SV _O N
CN036
D1
ACL1(C )
ACN1(C )
TB5
POWER- UN IT FAN
+24VRT N
SV_ON1 1
+24VRT N
SV_ON1 1
RL4
D4
G7J-4A -T (2 4V)
+48UN( B)
+48UN( B)
+24VRT N
SV_ON1 1
CN035
+48UN( A)
+48UN( A)
TB7
FAN_ST OP
+24VRT N
+24V
CN037
+48UN
+48UN
+48UNR TN (C )
+48UNR TN (A )
TB7
+48UNR TN (B )
CP5 20A
FUJI CP51BS/020
AC34V_ L
TB1
AC34V_ N
TB2
Z/T POWE R PC B
002:2C
POWER-UNIT INSIDE
POWER- PC B( 1/2)
TF1
RL2
L12
L11
ACR2
ACS2
ACT2
ACR2
ACS2
ACT2
(XY-DR V PO WE R)
LOAD
LOAD
CP8 3A
IDEC N RW 10 -3A
+24VZ
+24VZ
+24VZR TN
+24VZR TN
+24VZ
+24VZR TN
(ZT-DRIVER POWER)
(VOLTAGE CHECK)
AWG20
L12
L11
Y SERVO AM P MA IN POWER
X SERVO AM P MA IN POWER
AC(L)
AC(N)
N.C.
N.C.
FG
CN1
COSEL LCA50S-24Y
AWG20
AWG20
AWG20
AWG22
AWG22
AWG22
G7J-4A -B (D C24V )
401072 59
400453 22
400453 23
400453 24
400453 26
400453 25
400453 27
002:2C
400453 39
400453 57 ( 2/2)
400453 64
400453 65
401072 71 ( 1/3)
401072 63
401072 56
401072 58
400453 16
400453 17
400453 18
400453 19
AC100L
N.C.
N.C.
(VACUU M PU MP )
AC100N
N.C.
N.C.
401072 73
401072 74
401072 75 (1 /2)
401072 78 (2 /2)
CP13 6A
P&B W28X Q1 A- 6
CP14 6A
P&B W28X Q1 A- 6
CP1 7.5A
FUJI CP53BS/020
CP2 7.5A
FUJI C P5 2B S/01 5
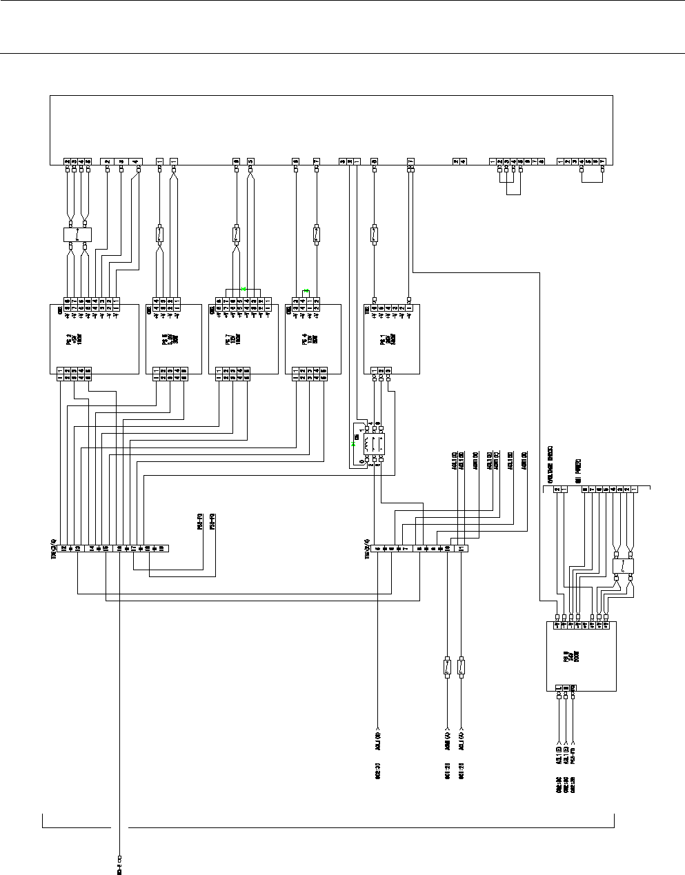
图 13-3-1-2-3 电源装置的连接图(1/2)

维修调整要领书
13-9
AC(L)
AC(N)
N.C.
N.C.
FG
CN1
AC(L)
AC(N)
N.C.
N.C.
FG
CN1
COSEL LC A1 00 S-12Y
AC(L)
AC(N)
N.C.
N.C.
FG
CN1
AC(L)
FG
AC(N)
TB1
COSEL LD A3 00 W-24
TB4
TB3
TB3
TB4
TB3
TB4
TB4
TB3
TB4
TB3
+3.3V
GND
CP7 3A
IDEC N RW 10 -3A
CP6 20A
FUJI C P5 1B S/020
COSEL LC A5 0S -3
+5V
+5V
+5V
+5V
GND
GND
GND
+12V
+12VRT N
CP9 8A
IDEC N RW 10 -8A
CP10 3 A
IDEC N RW 10 -3A
-12V
-12VRT N
COSEL LC A5 0S -12Y
CP11 1 5A
IDEC N RW 10 -15A
+24V
+24VRT N
CN034
N.C.
+12VRT N
+24VON 12
RL5
G7L-2A -B UB J(12V)
002:2C
001:2B
001:2D
001:2D
001:2D
POWER-UNIT INSIDE
POWER- PC B( 2/2)
001:2B
AC(L)
AC(N)
N.C.
N.C.
FG
CN1
COSEL LC A1 00 S-5Y
TB1
+3.3V
+5V
+5V
+5VR
+5VR
+12V
-12V
+24V
400255 79
400255 78
TB2
GND(B)
GND(A)
GND(A)
GND(A)
+12VRT N
-12VRT N
+24VRT N
400767 77
TB6
+24VS
+24VSR TN
(SAFET Y UN IT POW ER )
401072 60
400453 33
400453 34
400453 35
400453 36
400453 54
401072 61
400453 68
400453 42
400453 44
400453 46
400453 48
400453 50
400453 52
400453 37
400453 57 ( 2/2)
401072 71 ( 3/3)
401072 71 ( 2/3)
401072 65
401072 64
401072 75 (2 /2)
401072 76
401072 78 (2 /2)
401072 77 (1 /2)
401072 77 (2 /2)
001:2D
002:2D
401163 15 ( 1/3)
002:2D
002:2D
401163 15 ( 2/3)
COSEL AD A6 00 F-24
401163 15 ( 3/3)
CN094
CN095
+24VM
+24VMR TN
401163 16
401163 17
CP3 12A
P&B W28X Q1 A- 12
CP4 12A
P&B W28X Q1 A- 12
+24VMR TN
+24VMR TN
+24VMR TN
+24VMR TN
CP15 2 5A
FUJI C P5 1B S/025
+24VM
+24VM
+24VM
+24VM
401163 18
401163 20
401163 19
图 13-3-1-2-4 电源装置的连接图(2/2)