JM-10维修调整要领书 - 第150页
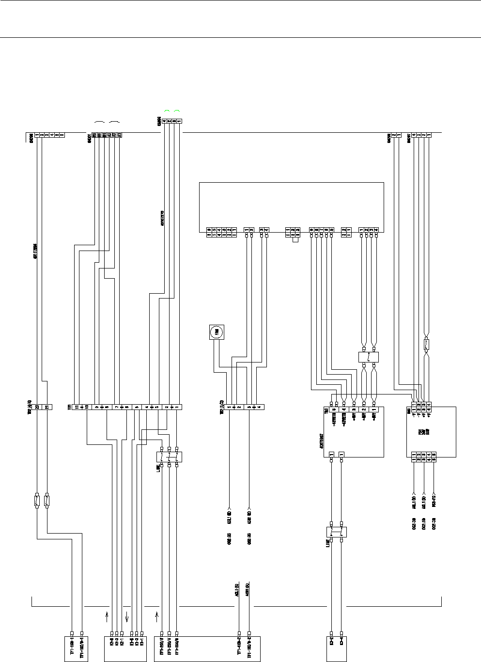
维修调整要 领书 13-10 AC L1 (B ) AC N1 (B ) TB 5 +2 4V RT N CA RR Y_ SV _O N CN 03 6 AC L1 (C ) AC N1 (C ) TB 5 PO WE R- UN IT F AN +2 4V RT N SV _O N1 1 +2 4V RT N SV _O N1 1 +4 8U N( B) +4 8U N( B) +2 4V RT N SV _O N1 1 CN 03…

维修调整要领书
13-9
AC(L)
AC(N)
N.C.
N.C.
FG
CN1
AC(L)
AC(N)
N.C.
N.C.
FG
CN1
COSEL LC A1 00 S-12Y
AC(L)
AC(N)
N.C.
N.C.
FG
CN1
AC(L)
FG
AC(N)
TB1
COSEL LD A3 00 W-24
TB4
TB3
TB3
TB4
TB3
TB4
TB4
TB3
TB4
TB3
+3.3V
GND
CP7 3A
IDEC N RW 10 -3A
CP6 20A
FUJI C P5 1B S/020
COSEL LC A5 0S -3
+5V
+5V
+5V
+5V
GND
GND
GND
+12V
+12VRT N
CP9 8A
IDEC N RW 10 -8A
CP10 3 A
IDEC N RW 10 -3A
-12V
-12VRT N
COSEL LC A5 0S -12Y
CP11 1 5A
IDEC N RW 10 -15A
+24V
+24VRT N
CN034
N.C.
+12VRT N
+24VON 12
RL5
G7L-2A -B UB J(12V)
002:2C
001:2B
001:2D
001:2D
001:2D
POWER-UNIT INSIDE
POWER- PC B( 2/2)
001:2B
AC(L)
AC(N)
N.C.
N.C.
FG
CN1
COSEL LC A1 00 S-5Y
TB1
+3.3V
+5V
+5V
+5VR
+5VR
+12V
-12V
+24V
400255 79
400255 78
TB2
GND(B)
GND(A)
GND(A)
GND(A)
+12VRT N
-12VRT N
+24VRT N
400767 77
TB6
+24VS
+24VSR TN
(SAFET Y UN IT POW ER )
401072 60
400453 33
400453 34
400453 35
400453 36
400453 54
401072 61
400453 68
400453 42
400453 44
400453 46
400453 48
400453 50
400453 52
400453 37
400453 57 ( 2/2)
401072 71 ( 3/3)
401072 71 ( 2/3)
401072 65
401072 64
401072 75 (2 /2)
401072 76
401072 78 (2 /2)
401072 77 (1 /2)
401072 77 (2 /2)
001:2D
002:2D
401163 15 ( 1/3)
002:2D
002:2D
401163 15 ( 2/3)
COSEL AD A6 00 F-24
401163 15 ( 3/3)
CN094
CN095
+24VM
+24VMR TN
401163 16
401163 17
CP3 12A
P&B W28X Q1 A- 12
CP4 12A
P&B W28X Q1 A- 12
+24VMR TN
+24VMR TN
+24VMR TN
+24VMR TN
CP15 2 5A
FUJI C P5 1B S/025
+24VM
+24VM
+24VM
+24VM
401163 18
401163 20
401163 19
图 13-3-1-2-4 电源装置的连接图(2/2)

维修调整要领书
13-10
ACL1(B )
ACN1(B )
TB5
+24VRT N
CARRY_ SV _O N
CN036
ACL1(C )
ACN1(C )
TB5
POWER- UN IT FAN
+24VRT N
SV_ON1 1
+24VRT N
SV_ON1 1
+48UN( B)
+48UN( B)
+24VRT N
SV_ON1 1
CN035
+48UN( A)
+48UN( A)
TB7
FAN_ST OP
+24VRT N
+24V
CN037
+48UN
+48UN
+48UNR TN (C )
+48UNR TN (A )
TB7
+48UNR TN (B )
CP5 20A
FUJI CP51BS/020
AC34V_ L
TB1
AC34V_ N
TB2
Z/T POWE R PC B
002:2C
POWER-UNIT INSIDE
POWER- PC B( 1/2)
CP2 7.5A
FUJI C P5 2B S/01 5
LOAD
CP8 3A
IDEC NRW10-3A
+24VZ
+24VZ
+24VZR TN
+24VZR TN
+24VZ
+24VZR TN
(ZT-DR IV ER POW ER )
(VOLTA GE C HECK )
AC(L)
AC(N)
N.C.
N.C.
FG
CN1
COSEL LC A5 0S -24Y
AWG22
401072 67
400453 22
400453 23
400453 24
002:2C
400453 39
400453 57 ( 2/2)
401072 71 ( 1/3)
401072 63
CP1 7.5A
FUJI CP53BS/020
LOAD
400453 16
400453 19
SAFETY -U NI T
(XY-DR V PO WE R)
TF1
ACR2
ACS2
ACT2
ACR2
ACS2
ACT2
Y SERVO AM P MA IN POWER
X SERVO AM P MA IN POWER
L12
L11
L12
L11
Y SERVO AM P CT RL POWER
Y SERVO AM P CT RL POWER
SAFETY -U NI T
401072 72
400453 58
401072 68
401072 69
400453 55
401072 56
400453 74
AC100L
N.C.
N.C.
(VACUU M PU MP )
AC100N
N.C.
N.C.
CP13 6A
P&B W28X Q1 A- 6
TF1
401072 75 (1 /2)
CP14 6A
P&B W28X Q1 A- 6
401072 73
401072 74
401072 78 (2 /2)
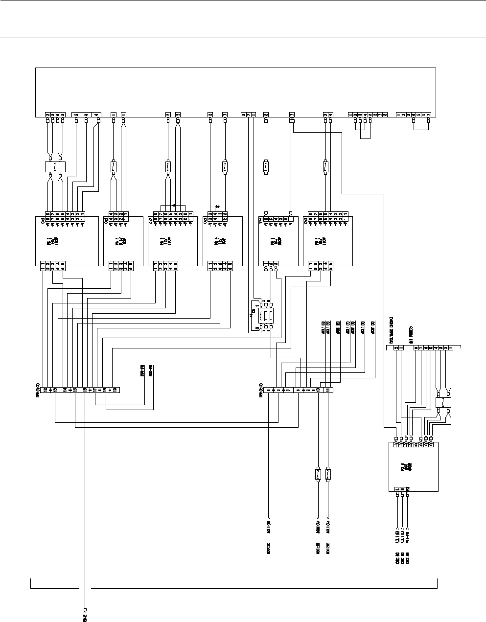
图 13-3-1-2-5 电源装置的连接图 (EN) (1/2)

维修调整要领书
13-11
AC(L)
AC(N)
N.C.
N.C.
FG
CN1
AC(L)
AC(N)
N.C.
N.C.
FG
CN1
COSEL LC A1 00 S-12Y
AC(L)
AC(N)
N.C.
N.C.
FG
CN1
AC(L)
FG
AC(N)
TB1
COSEL LD A3 00 W-24
TB4
TB3
TB3
TB4
TB3
TB4
TB4
TB3
TB4
TB3
+3.3V
GND
CP7 3A
IDEC N RW 10 -3A
CP6 20A
FUJI C P5 1B S/020
COSEL LC A5 0S -3
+5V
+5V
+5V
+5V
GND
GND
GND
+12V
+12VRT N
CP9 8A
IDEC N RW 10 -8A
CP10 3 A
IDEC N RW 10 -3A
-12V
-12VRT N
COSEL LC A5 0S -12Y
CP11 1 5A
IDEC N RW 10 -15A
+24V
+24VRT N
CN034
N.C.
+12VRT N
+24VON 12
RL5
G7L-2A -B UB J(12V)
002:2C
001:2B
001:2D
001:2D
001:2D
POWER- UN IT INSID E
POWER- PC B( 2/2)
001:2B
AC(L)
AC(N)
N.C.
N.C.
FG
CN1
COSEL LC A1 00 S-5Y
TB1
+3.3V
+5V
+5V
+5VR
+5VR
+12V
-12V
+24V
400255 79
400255 78
TB2
GND(B)
GND(A)
GND(A)
GND(A)
+12VRT N
-12VRT N
+24VRT N
400767 77
TB6
+24VS
+24VSR TN
(SAFET Y UN IT POW ER )
401072 60
400453 33
400453 34
400453 35
400453 36
400453 54
401072 61
400453 68
400453 42
400453 44
400453 46
400453 48
400453 50
400453 52
400453 37
400453 57 ( 2/2)
401072 71 ( 3/3)
(40107 27 1 2/ 3)
AC(L)
AC(N)
N.C.
N.C.
FG
CN1
COSEL LC A1 00 S-24Y
CP12 3 A
IDEC N RW 10 -3A
401072 65
400453 62
400453 63
401072 64
CP3 12A
P&B W28X Q1 A- 12
CP4 12A
P&B W28X Q1 A- 12
401072 75 (2 /2)
401072 76
401072 78 (2 /2)
401072 77 (1 /2)
401072 77 (2 /2)
COSEL AD A6 00 F-24
401163 15 ( 3/3)
CN094
CN095
+24VM
+24VMR TN
002:2D
401163 15 ( 1/3)
002:2D
002:2D
401163 15 ( 2/3)
401163 16
401163 17
+24VMR TN
+24VMR TN
+24VMR TN
+24VMR TN
CP15 2 5A
FUJI C P5 1B S/025
+24VM
+24VM
+24VM
+24VM
401163 18
401163 20
401163 19
图 13-3-1-2-6 电源装置的连接图 (EN) (2/2)