P-0275-005.pdf - 第11页
MODEL HH-G300 1004-004 Key No. P AR T No. P AR T NAME Q’ty REMARKS New Code NOTE M-2 104 6301273648 MOTOR,AC-SER VO 1 -M34 860M--100-004 4M150205 1 12 6301393834 BALL SCREW 1 860M--100-012 223B0376 1 13 6301252926 GUIDE,…

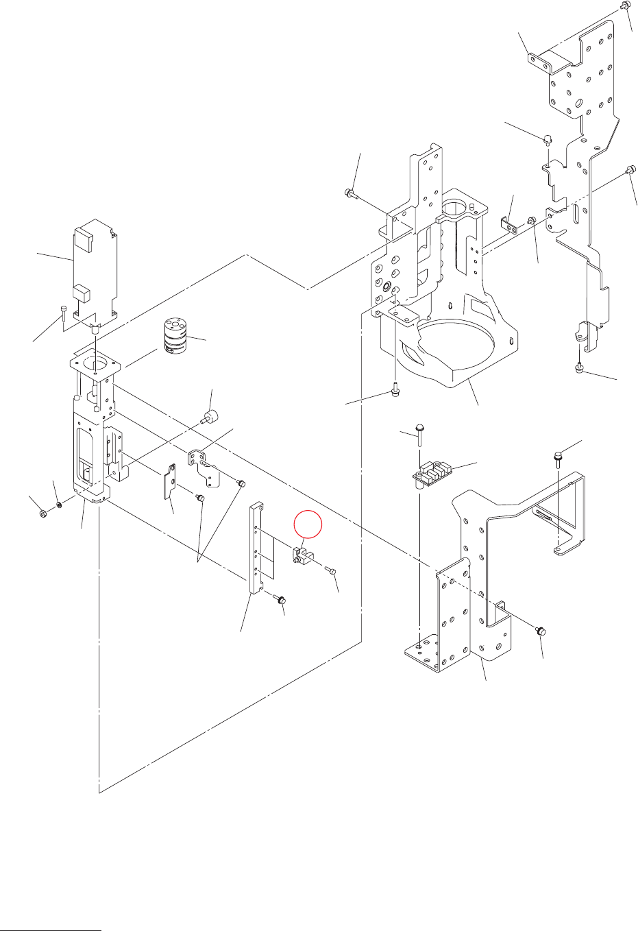
MODEL HH-G300
0712-002
ヘッド部
HEAD SECTION
Fig. M-2
ヘッド上下部
Head Leveller
104
113
See Fig.M-6
Key No.521
135
118
112
134
See Fig.M-1
Key No.20
133
125
147
163
163
163
162
.
176
.
181
162
.
176
.
181
159
160
163
.
176
.
181
185
.
178
.
183
163
.
176
.
181
注)
Key No.133(○印)は重要保守部品となっております。交換方法については高度な
技術を要しますので、当社サービス員にご相談下さい。
Notice) The Key No. 133 (with a circle) is an important maintenance component.
Because high-grade technique is required for the r
eplacement of this component,
consult our service personnel.
M-2 illust-1

MODEL HH-G300
1004-004
Key No. PART No. PART NAME Q’ty REMARKS New Code
NOTE
M-2
104 6301273648 MOTOR,AC-SERVO 1 -M34 860M--100-004 4M150205
112 6301393834 BALL SCREW 1 860M--100-012 223B0376
113 6301252926 GUIDE,LINEAR(GUIDE SLIDE) 1 860M--100-013 222L0687
118 6301250342 BEARING,UNIT 1 860M--100-018 222F0090
125 6301486093 COUPLING 1 860M--100-025 223C0238
133 6301250878 SENSOR,PHOTO 2 -B3103,3106
860M--100-033 23G10087
134 6301250885 MECH PARTS(STOPPER) 1 860M--100-034 226J1880
135 6301495354 MECH PARTS 1 860M--100-035 226J2298
147 6301598789 BRACKET 1 860M--100-147 211FC842
159 6300876659 BOLT,HEX-SCT 2 M2X10 860M--100-209 221A0245
160 6300108996 BOLT,HEX-SCT 2 M2.5X6 860M--100-210 221A0145
162 6300007510 BOLT,HEX-SCT 4 M3X8 860M--100-212 221A0006
163 6300007527 BOLT,HEX-SCT 34 M3X10 860M--100-213 221A0007
176 4111412806 WASHER SPR 3 24 860M--100-226 221H0281
178 4111416705 WASHER SPR 5 4 860M--100-228 221H0287
181 4111413902 WASHER V 3X7X0.5 24 860M--100-231 221H0312
183 4111414107 WASHER V 5X10X1 4 860M--100-233 221H0318
185 6301549477 BOLT,HEX-SCT 4 860M--100-405 221A0377
GXH-3J 2Unit/1Machine
GXH-3
4Unit/1Machine
M-2 list-1

MODEL HH-G300
0712-002
ヘッド部
HEAD SECTION
Fig. M-3
ノズル上下部
Nozzle Leveller
203
235
228
243
215
215
220
217
239
225
See Fig.M-6
Key No.521
229
260
233
246
260
.
275
.
285
253
261
.
276
.
281
262
.
276
.
281
262
.
276
.
281
262
.
276
.
281
264
.
276
.
281
260
.
275
.
280
263
.
276
.
281
263
.
276
.
281
272
253
.
275
.
285
261
.
276
.
281
276
.
281
注)
Key No.233(○印)は重要保守部品となっております。交換方法については高度な
技術を要しますので、当社サービス員にご相談下さい。
Notice) The Key No. 233 (with a circle) is an important maintenance component.
Because high-grade technique is required for the r
eplacement of this component,
consult our service personnel.
M-3 illust-1