1OM-1505-004_w - 第186页
1OM-1505 3. PCB Backup Jig (PCB Width W "250<=W<=460") : Chap.6 6-3 W 460 to 250 P W – 41 V W/2 – 43.5 L 510 to 420 420 to 332 332 to 262 262 to 204 204 to 142 142 to 92 92 to 50 A 416 L - 4 200 C 360 290…

1OM-1505
6-2
2. Assembling Table : Chap.6
1103-002
2. Assembling Table
The backup jig consists of the following parts. When the jig is created, use the
Part Drawing referring to the assembling table.
PCB Backup Jig
PCB Backup Jig (PCB Width W "250<=W<=460")
-(M900-ZI-001)
-(M900-ZI-001PA)
PCB Backup Jig (PCB Width W "65<=W<250")
-(M900-ZI-003)
-(M900-ZI-003PA)
PCB Backup Jig (PCB Width W "50<=W<65")
-(M900-ZI-005)
-(M900-ZI-005PA)
PCB Vacuum Jig
PCB Vacuum Jig (PCB Width W "250<=W<=460")
-(M900-ZI-002)
-(M900-ZI-002PA)
PCB Vacuum Jig (PCB Width W "65<=W<250")
-(M900-ZI-004)
-(M900-ZI-004PA)
PCB Vacuum Jig (PCB Width W "50<=W<65")
-(M900-ZI-006)
-(M900-ZI-006PA)

1OM-1505
3. PCB Backup Jig (PCB Width W "250<=W<=460") : Chap.6
6-3
W 460 to 250
P W – 41
V W/2 – 43.5
L 510 to 420 420 to 332 332 to 262 262 to 204 204 to 142 142 to 92 92 to 50
A 416 L - 4 200
C 360 290 230 166 120 56 30
D 28
L/2 – 147 L/2 – 117 L/2 – 85
40 7
2 85
E L/2 – 182 L/2 – 62 L/2 – 37 L/2 – 17
S 14
8 L/2 – 62 40
X 43 L/2 – 132 L/2 – 102 L/2 – 41 61
T 330
260 200 78 78
U L/2 – 1
7
Q 6 4
Z 193 L/2 – 1
7
Y L/2 – 17
R L/2 – 210
G 416
T1F1
W : PCB Width
L : PCB Length
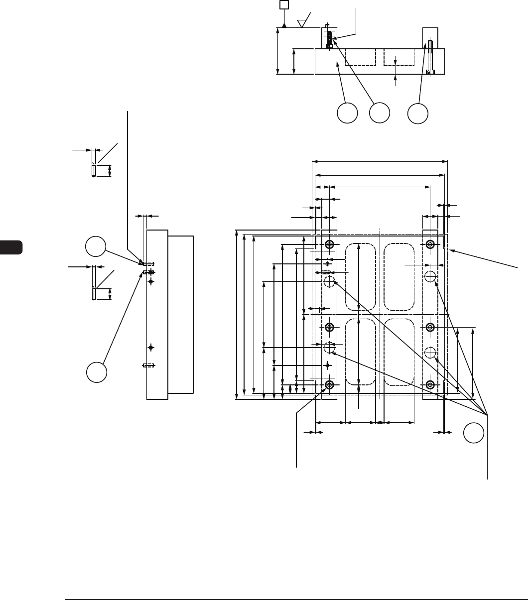
3. PCB Backup Jig (PCB Width W "250<=W<=460")
3.1 Dimension Table
1103-002

1OM-1505
6-4
3. PCB Backup Jig (PCB Width W "250<=W<=460") : Chap.6
3.2 Assembly Diagram
Magnets HXU13(MISUMI)
X4
Q-M5L35
The two-dot chain line shows the state that the PCB is positioned.
*
4-M4L15
44 4
21-5
1.6
21-2
21-1
21-3
S-1
R
Positioning Pin (2 locations) Bonding with LOCTITE
Notes : (a) The part with the P/N S-1 is a part to be purchased.
(b) After assembling each component, process the R-surface so that
the * marked dimensions are met.
(c) The part with the P/N 21-4 and 21-5 are attached after
the processing of R-surface.
(d) The part No. 21-5 is not used for model PXH-1, TPM-100 series,
TPM-200 or TPM-5000.
21-4
8 18
17P
W-7
W
9
6.5
8.5
18
8±0.05
55±0.03
1.0
9
10 Y
U
Z
Y
10
9
3510V V
5
4
11
1
30
10
2-C0.5
2-C0.5
F3.9g6
F3.9
0
-0.1
Material : SUS304
Processing : None
Material : SUS304
Processing : None
A
L
L-4
T
CD
E
R
G
L/2-2 L/2-2
X
S 120±0.03
12
12
Note d
F1F2
1103-002