1OM-1505-004_w - 第192页
1OM-1505 4. PCB Backup Jig (PCB Width W "65<=W<250") : Chap.6 6-9 4.2 Assembly Diagram b b T ransfer Reference Side Magnets HXU10(MISUMI) X4 Q-M5L35 The two-dot chain line shows the state that the PCB is …

1OM-1505
6-8
4. PCB Backup Jig (PCB Width W "65<=W<250") : Chap.6
4. PCB Backup Jig (PCB Width W "65<=W<250")
4.1 Dimension Table
1103-002
W 250 to 150 150 to 65
P W – 41
V W
– 77
L 510 to 420 420 to 332 332 to 262 262 to 204 204 to 142 142 to 92 92 to 50
A 416 L - 4 200
C 360 290 230 166 120 56 30
D 28
L/2 – 147 L/2 – 117 L/2 – 85
40 7
2 85
E L/2 – 182 L/2 – 62 L/2 – 37 L/2 – 17
S 14
8 L/2 – 62 40
X 43 L/2 – 132 L/2 – 102 L/2 – 41 61
T 330
260 200 78 78
U L/2 – 1
7
Q 6 4
Z 193 L/2 – 1
7
Y L/2 – 17
R L/2 – 210
G 416
T1F2
W : PCB Width
L : PCB Length

1OM-1505
4. PCB Backup Jig (PCB Width W "65<=W<250") : Chap.6
6-9
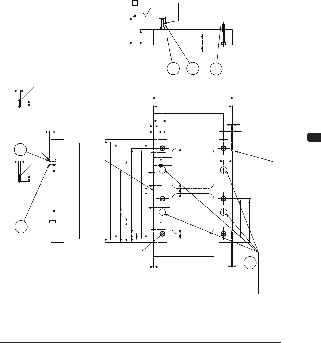
4.2 Assembly Diagram
bb
Transfer Reference Side
Magnets HXU10(MISUMI)
X4
Q-M5L35
The two-dot chain line shows the state that the PCB is positioned.
*
4-M4L15
4 44
1.6
22-2
22-1
22-3
S-1
R
Engraved mark for center position
Notes : (a) The part with the P/N S-1 is a part to be purchased.
(b) After assembling each component, process the R-surface so that
the * marked dimensions are met.
(c) The part with the P/N 21-4 and 21-5 are attached after
the processing of R-surface.
(d) The part No. 21-5 is not used for model PXH-1, TPM-100 series,
TPM-200 or TPM-5000.
4
A
L
L-4
TX
120±0.03
1
36
9
8.5
6.5
18
9
1.0
8±0.05
17
P
W-7
W
1
8 18
9
5
V
S
D
E
R
10 10Y
U
Z
Y
C
G
L/2-2 L/2-2
55±0.03
30
10
21-5
Positioning Pin (2 locations) Bonding with LOCTITE
21-4
2-C0.5
2-C0.5
F3.9g6
F3.6
0
-0.1
Material : SUS304
Processing : None
Material : SUS304
Processing : None
12
12
1
Note d
F1F6
1103-001

1OM-1505
6-10
4. PCB Backup Jig (PCB Width W "65<=W<250") : Chap.6
4.3 Variant Drawing for the Component Section (P/N 22-1).
Engraved mark for center position
4-C1
0.03 A
A
0.03
Material : A5052
Processing : None
22-1
1.6
1.6
Q-F6 F9.5 Counterbore Depth 6
b
L/2-2 L/2-2
30
10
L-4
CE
GR
1010 Y
U
Y
36
17P
1
W-7
1
5
V
1
1
b
View b-b
90°
1
F1F7
1103-002