1OM-1505-004_w - 第196页
1OM-1505 5. PCB Backup Jig (PCB Width W "50<=W<65") : Chap.6 6-13 5. PCB Backup Jig (PCB Width W "50<=W<65") 5.1 Dimension T able 1 103-002 W 65 to 50 L 510 to 420 420 to 332 332 to 262 26…

1OM-1505
6-12
4. PCB Backup Jig (PCB Width W "65<=W<250") : Chap.6
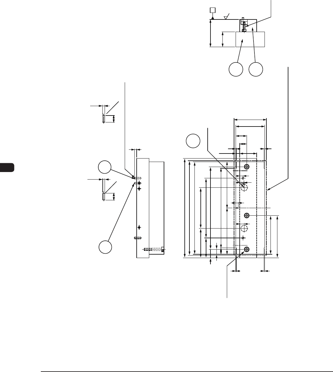
4.5 Variant Drawing for the Component Section (P/N 22-3).
22-3
1.6
Material : A5052
Processing : None
Q-M5 Depth 15
A
TX
Z
2-13.2
C
9
14.7
5
0
-0.1
25.5
0
+0.3
0
+0.2
9
18
D
2-M4
2-F5 F8 Counterbore Depth 5
F1F9
1103-002

1OM-1505
5. PCB Backup Jig (PCB Width W "50<=W<65") : Chap.6
6-13
5. PCB Backup Jig (PCB Width W "50<=W<65")
5.1 Dimension Table
1103-002
W 65 to 50
L 510 to 420 420 to 332 332 to 262 262 to 204 204 to 142 142 to 92 92 to 50
A 416 L - 4 200
C 360 290 230 166 120 56 30
D 28
L/2 – 147 L/2 – 117 L/2 – 85
40 7
2 85
E L/2 – 182 L/2 – 62 L/2 – 37 L/2 – 17
S 14
8 L/2 – 62 40
X 43 L/2 – 132 L/2 – 102 L/2 – 41 61
T 330
260 200 78 78
U L/2 – 1
7
Q 3 2
Z 193 L/2 – 1
7
R L/2 – 210
G 416
T1F3
W : PCB Width
L : PCB Length

1OM-1505
6-14
5. PCB Backup Jig (PCB Width W "50<=W<65") : Chap.6
5.2 Assembly Diagram
Magnets
Q-M5L35
X2
S-1
*
23-2
23-1
2-M4L15
HXU13 (MISUMI)
4 4 4
1.6
R
Notes : (a) The part with the P/N S-1 is a part to be purchased.
(b) After assembling each component, process the R-surface so that
the * marked dimensions are met.
(c) The part with the P/N 21-4 and 21-5 are attached after
the processing of R-surface.
(d) The part No. 21-5 is not used for model PXH-1, TPM-100 series,
TPM-200 or TPM-5000.
4
11
A
L
L-4
TX
120±0.03
55±0.03
30
8±0.0534
6.5
8.5
5
9
14
22
W-7
W
11
S
D
E
R
C
G
L/2-2
U
Z
L/2-2
21-5
Positioning Pin (2 locations) Bonding with LOCTITE
21-4
2-C0.5
2-C0.5
F3.9g6
F3.6
0
-0.1
Material : SUS304
Processing : None
Material : SUS304
Processing : None
12
12
The two-dot chain line shows the state that the PCB is positioned.
Note d
F1F10
1103-001