1OM-1505-004_w - 第213页
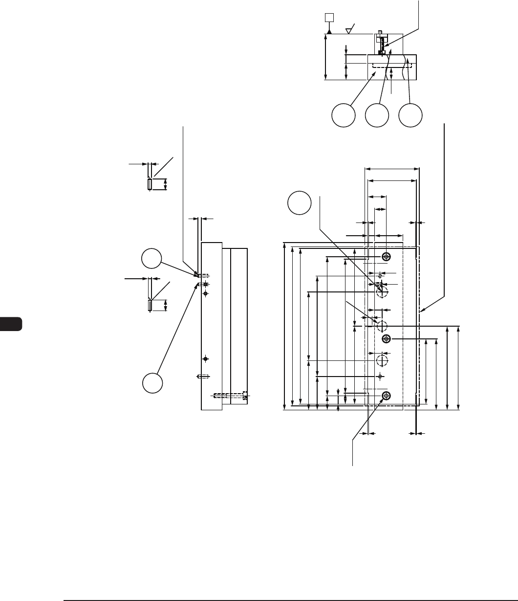
1OM-1505 6-30 8. PCB V acuum Jig (PCB Width W "50<=W<65") : Chap.6 8.2 Assembly Diagram HXU13(MISUMI) F 12 X2 S-1 Q-M5L35 * 55±0.03 120±0.03 20 10 15 13-2 13-3 13-1 2-M4L15 4 4 4 R 1.6 E D C S X T L-4 L A…

1OM-1505
8. PCB Vacuum Jig (PCB Width W "50<=W<65") : Chap.6
6-29
8. PCB Vacuum Jig (PCB Width W "50<=W<65")
8.1 Dimension Table
1103-002
W 65 to 50
L 510 to 420 420 to 332 332 to 262 262 to 204 204 to 142 142 to 92 92 to 50
A 416 L - 4 200
C 360 290 230 166 120 56 30
D 28
L/2 – 147 L/2 – 117 L/2 – 85
40 7
2 85
E L/2 – 182 L/2 – 62 L/2 – 37 L/2 – 17
F 20
8 L/2 – 2 100
S 148 L/2 – 62 40
X 43
L/2 – 132 L/2 – 102 L/2 – 41 61
T 330
260 200 78 78
U L/2 – 1
7
Q 3 2
Z 193 L/2 – 1
7
R L/2 – 210
G 416
T1F6
W : PCB Width
L : PCB Length

1OM-1505
6-30
8. PCB Vacuum Jig (PCB Width W "50<=W<65") : Chap.6
8.2 Assembly Diagram
HXU13(MISUMI)
F12
X2
S-1
Q-M5L35
*
55±0.03
120±0.03
20 10
15
13-2
13-3
13-1
2-M4L15
4
4 4
R
1.6
E
D
C
S
X T
L-4
L
A
U
Z
L/2-2
F
6.5
22
14
34
1
11
1
8±0.05
4
8.5
9
5
9
W
L/2-2L/2-2
W-7
R
G
Note : (a) The part with the P/N S-1 is a part to be purchased.
(b) After assembling each component, process the R-surface so that
the * marked dimensions are met.
(c) The part with the P/N 21-4 and 21-5 are attached after
the processing of R-surface.
(d) The part No. 21-5 is not used for model PXH-1, TPM-100 series,
TPM-200 or TPM-5000.
21-5
Positioning Pin (2 locations) Bonding with LOCTITE
21-4
2-C0.5
2-C0.5
F3.9g6
F3.6
0
-0.1
Material : SUS304
Processing : None
Material : SUS304
Processing : None
12
12
Magnets
The two-dot chain line shows the state that the PCB is positioned.
Note d
F1F23
1103-001

1OM-1505
8. PCB Vacuum Jig (PCB Width W "50<=W<65") : Chap.6
6-31
8.3 Variant Drawing for the Component Section (P/N 13-1).
bb
0.03 A
A
0.03
4-C1
Fine Chamfering (Fringe)
2-C1
2-C1
Q-F6 F9.5 Counterbore Depth 6
13-1
Material : A5052
Processing : None
Engraved mark for center positionL-4
L/2-2
U
L/2-2
20±0.1
R(Optional)
12
5 5
C
G
1
22
W-7
6
5
1
5
5
11
1.6
1.6
E
R
15.0
View b-b
90°
1
Suction Hole Coordinates and Diameter
Make appropriate suction holes
based on the PCB shape.
F1F24
1103-002